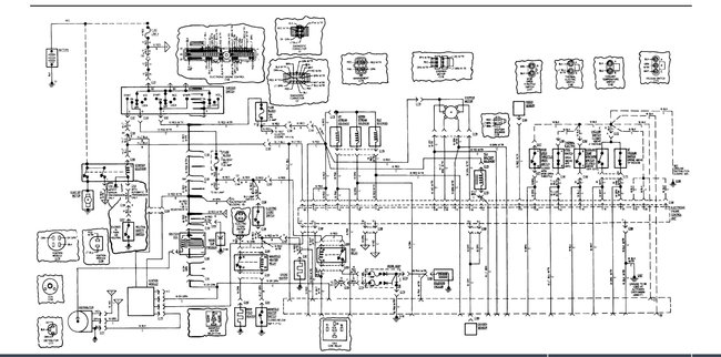
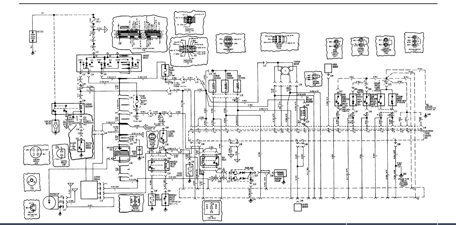
I have a 1986 Jeep CJ7; 258 cu. in., 4.2 L., 5 Speed manual, no modifications.
To date I have replaced the Ignition Module, the Distributor, the Rotor, the Ignition Coil, and even the pick-up assembly on the Distributor base. I removed wiring from the harnesses to look for breaks, but found none. Found a lot of splices taped w/Duct tape (Factory? I've had Jeep since new), and re-taped splices with electrical tape.
Before and after changing the above stuff I have removed a plug, grounded it and got no spark. (My Chilton’s Manual said not to test using Spark Plug #1, because it could damage the sensor inside the distributor, and I believe early on I may have. Could this have complicated maters?) I have also taken a test plug, put in the coil wire, and grounded it. The plug sparked once and that was it. That is why I'm chasing this J-Rod87; 1985 Jeep CJ7 No Spark thread; same symptoms, was hoping to find a broken wire.
I also took out my test light, put the wire on the Negative terminal of the battery, and tested my Red Ignition Coil harness contact with the key on; I got a solid red light on my wire tester. While trying to start the Jeep doing the same test, I got a solid red light again.
Then I put the wire on the Positive terminal of the battery, and tested my Green Ignition Coil harness contact with the key on; I got a solid green light on my wire tester. While trying to start the Jeep doing the same test, I still got a solid green light. However, I believe I'm looking for a pulsing/flashing green light on my wire tester when trying to start and testing the green coil contact.
Out of curiosity, could it be:
1) the computer under the dash; another thread suggested this;
2) burnt/compromised wires at one of the splices; on the single wire coming out of a splice, the wire is a little bumpy. In other words, could the insulation be intact and bumpy, but the wire beneath be pooched?
3) a relay; there are two 20/30A relays at the end of the wiring harnesses;
4) ignition switch; I have replaced a few years back, but not for this reason;
5) heavy gauge wire going from solenoid to starter;
6) anything else. I have looked for a fusible link, but can't find one anywhere. And I don't seem to have a fuse in the fuse panel under my dash that I could pull.
7) You've already said it is not caused by the Key Cylinder.
I realize you want me to do some tests, and I have done the above tests already, but I'm just curious how far this lack of ignition problem reaches, or what it implicates.
I will go do the 3 "bottle top" gas test, and get back to you. I will look to get a Voltmeter.
Jul 13, 2019 at 11:45 AM
(Merged)