Engine cranks will not start?

2000 HONDA ACCORD
243,000 MILES • 2.3L • 4 CYL • 2WD • AUTOMATIC
Advertisement
Avatar
STRAILER
  • CERTIFIED EXPERT
  • 53,854 POSTS
Please use 2CarPros anytime, we are here to help and tell a friend.

Best, Ken
Sep 28, 2020 at 4:32 PM (Merged)
Avatar
MIKESMALLS
  • MEMBER
  • 5 POSTS
2000 accord 3.0L, no start. I have proper fuel pressure and volume. I have spark(cop vehicle). Good spark tested with 3 different spark testers. I have compression, 150psi across the board. The timing marks line up perfectly (checked 3 times). No start plugs are getting wet, thinking flooded. Put in new plugs, still no start, Also installed main really for the heck of it. No start plugs are still getting wet. Should fire up no problem, but not start. Sometimes it acts like it wants to fire up but never does, Reyes holding my foot to the floor and putting it in clear flood mode. Still nothing. Please help. All test where fond by myself a mechanic now this thing has me looking like a goof.
Sep 28, 2020 at 4:33 PM (Merged)
Advertisement
Avatar
MIKESMALLS
  • MEMBER
  • 5 POSTS
In case it's not clear it's a crank no start issue. No codes in the system. The immobilizer light does go out on the dash as designed.
Sep 28, 2020 at 4:33 PM (Merged)
Avatar
ASEMASTER6371
  • CERTIFIED EXPERT
  • 52,796 POSTS
If you have all the needed compe, spark and fuel there is no reason for it not to start. one of those items is not right. It could be a crank sensor but you need a scan tool to verify.

Roy
Sep 28, 2020 at 4:33 PM (Merged)
Avatar
MIKESMALLS
  • MEMBER
  • 5 POSTS
Snap on solus ultra(fully updated) good rpm signal no codes
Sep 28, 2020 at 4:33 PM (Merged)
Avatar
ASEMASTER6371
  • CERTIFIED EXPERT
  • 52,796 POSTS
what is the exact fuel pressure??

Roy
Sep 28, 2020 at 4:33 PM (Merged)
Avatar
MIKESMALLS
  • MEMBER
  • 5 POSTS
45 psi checked at banjo fitting at rail
Sep 28, 2020 at 4:33 PM (Merged)
Avatar
ASEMASTER6371
  • CERTIFIED EXPERT
  • 52,796 POSTS
try spraying some starting fluid in the air filter and see if it starts and stalls.

Roy
Sep 28, 2020 at 4:33 PM (Merged)
Avatar
MIKESMALLS
  • MEMBER
  • 5 POSTS
Confirmed fix; someone installed a 4cyl starter in this v6 motor. Spins backwards
Sep 28, 2020 at 4:33 PM (Merged)
Avatar
ASEMASTER6371
  • CERTIFIED EXPERT
  • 52,796 POSTS
150 lbs compression spinning backwards?? reallly??????

It would have been nice for the info for the starter being replaced somewhere in the post

Roy
Sep 28, 2020 at 4:33 PM (Merged)
Avatar
MINDYC
  • MEMBER
  • 1 POST
It was a year between the first and second time this happened but over last 6-9 months is now happening more frequently. It happens most often after short trips but after 15-30 minutes most times it will start. The engine cranks but doesn't start and if it does it will die when gas applied. Fuel pump was checked before it started happening more fequently. Sounds like something fuel related but what other possibilities can you suggest. How about the EGR valve?
Sep 28, 2020 at 4:33 PM (Merged)
Avatar
KHLOW2008
  • CERTIFIED EXPERT
  • 41,814 POSTS
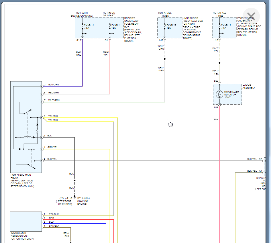
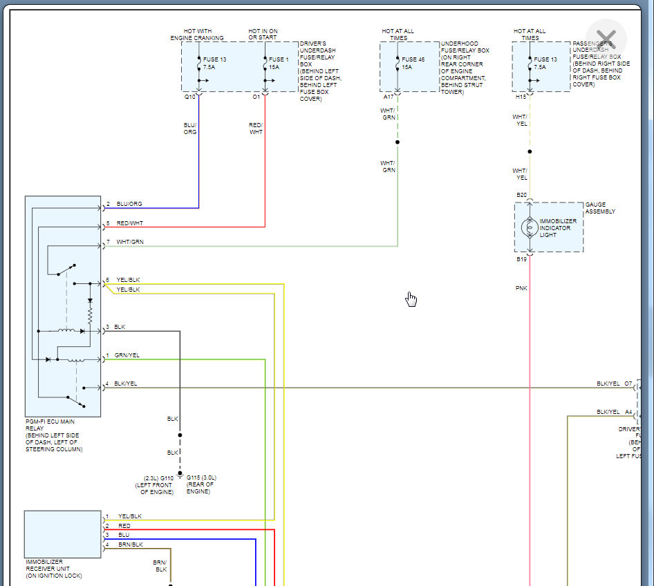
Hi mindyc, Not the EGR valve. I would suggest checking the PGM-FI main relay.


https://www.2carpros.com/forum/automotive_pictures/192750_PGMFIRelay99Accordpix_1.jpg

Sep 28, 2020 at 4:33 PM (Merged)
Avatar
2CP-ARCHIVES
  • MEMBER
  • 4,540 POSTS
Randomly will not start. Hot or cold weather. ignition turns over car will not start. Relay switch changed, battery good. No error code
Sep 28, 2020 at 4:33 PM (Merged)
Avatar
JACOBANDNICKOLAS
  • CERTIFIED EXPERT
  • 110,175 POSTS
When it doesn't start, you need to check to see if there is spark and fuel to the engine. Chances are one will be missing. Then you will know what circuit to focus on.
Sep 28, 2020 at 4:33 PM (Merged)
Avatar
LIZSOSA55
  • MEMBER
  • 1 POST
My car gave me a code for EGR flow insufficient, I let a couple of weeks pass by before doing anything about it. One day it suddenly wouldn't start, it reved but it wouldn't catch. I kept trying and it finally did. It did this the next couple of days, first thing I changed the EGR valve and cleared the code. It came back shortly after. I then took off the intake manifold and sprayed it clean, the EGR port was completely clogged. Other than that it didn't look bad. After that, it was still only starting at random. Next I tried to check my fuel pressure. Upon removing the hose, (after the regulator), there wasn't very much fuel leaking out. Maybe enough to fill my hand. My test was unsuccessful because it wouldn't start. I then tried the main relay, I tried to start it while holding it in my hand, I could feel and hear it clicking on. The times it refused to turn on, it would just click on then off in seconds, either way I replaced it yet the problem continues. Next, I changed the fuel pump. Upon removing those hoses, there was also only a small amount of fuel leaking out. New fuel pump, new EGR, and clean intake, the car still only turns on every now and then. I can drive it for a long time, turn it off, within second try to start it up and it won't. Please help on what I should do next.
Sep 28, 2020 at 4:33 PM (Merged)
Avatar
CARADIODOC
  • CERTIFIED EXPERT
  • 34,306 POSTS
I'm not familiar with your specific model but I can share some generalizations. First of all, you found the cause of the insufficient EGR flow and fixed that, but that has nothing to do with a cranks / failure to start. The EGR valve should be closed at idle and low speeds, so during cranking that just leaves you with fuel and fresh air in the cylinders.

Normally there is only a small rubber vacuum hose going to the fuel pressure regulator. There must never be any gas leaking out of that port. GM has a lot of trouble with that on their older trucks, but leaking regulators are rare on all other brands.

The next thing is to understand how all fuel pumps work. If a fuel line gets ruptured in a crash, that would lead to raw fuel being pumped onto the ground, and a major fire hazard. To prevent that, with a ruptured line there will be no fuel pressure. With no pressure, the injectors can't spray fuel into the engine. With no fuel, the engine stalls. One of two methods are used then to stop the fuel pump. On some engines, especially on older cars, a tap on the oil pressure sending unit sends current to the fuel pump or the pump's relay. Engine stalls, oil pressure is lost, switch turns off, and the fuel pump stops running.

On most cars the fuel pump is run by a relay, either a dedicated fuel pump relay or an engine relay. Chrysler calls that the "automatic shutdown" (ASD) relay. Some import manufacturers call that the "injection" relay. They all work basically the same way. That relay will turn on for one or two seconds when you turn on the ignition switch to insure fuel pressure is up for starting in case it bled down over days or weeks. Next, the Engine Computer turns that relay on again when it sees engine rotation, (cranking or running). As long as the engine is spinning, the fuel pump will be running. The problem is it's not uncommon for fuel pressure to bleed down to nothing, and that one or two-second burp isn't enough to get it up to normal. The pump will run, but much slower than normal, while you're cranking the engine, but the pressure will still be high enough within a few seconds.

The point of all this is you need to connect a fuel pressure gauge, and the readings only have validity when you're cranking the engine. If you just turn on the ignition switch and expect to have fuel pressure, you might be disappointed when there's actually nothing wrong. This is where most people get stuck. The clue you would like to observe, if possible, is to hear the hum of the pump for that one second when you turn on the ignition switch. If you hear that, move on. Fuel pumps often fail intermittently at first, but they fail to start up. If you hear it running for that first second or two, it's working and you don't have a fuel delivery issue.

What IS pretty common though, especially on domestic models, is a failure of the crankshaft position sensor or the camshaft position sensor. A few engines only have one of those but most have both. It's the pulses from those sensors that tell the Engine Computer the engine is rotating and it's time to turn the fuel pump back on. On almost any brand of car, the most common failure of either of those sensors is an intermittent failure when they get warm, then they work again after they cool down for an hour. The typical story is the engine wouldn't restart after filling with gas or after running briefly into the store. That gives the engine time to go through "hot soak", meaning there's no air blowing though the car to keep those sensors cool. The internal engine heat migrates around to those sensor and causes one to fail.

Normally the clue to a failed sensor is you have no or low fuel pressure since the pump isn't being turned on during cranking, AND you have no spark. The Engine Computer needs those signals to know when to fire the spark plugs and the injectors, so with a missing signal, it doesn't know when to fire either of them. Most do-it-yourselfers get hung up on the first thing they find missing, either the loss of spark or the loss of fuel pressure. In most cases, the ignition coil(s) and ignition system are probably responsible for one or two percent of no-starts. A failed fuel pump probably causes five percent of no-starts, although that's what most people replace first when they're guessing; and by far the majority of no-starts are caused by a failure of what gets both of those systems turned on, which are those two sensors.

The Engine Computer has the ability to detect a missing signal from one of those sensors and set a diagnostic fault code to indicate which circuit to diagnose. The problem is there is always a pretty good list of requirements that must be met to set a code, and those may not be met in the few seconds it takes for a stalling engine to come to a stop. Often the code won't set during cranking either. In those cases when you have no spark and no fuel pressure, you need to connect a scanner to view live data to see what's missing. I use Chrysler's DRB3 scanner. A lot of independent shops bought them because it can do emissions-related stuff on all brands of cars starting with '96 models. On that one, each sensor is listed as "No" or "Present" during cranking. Without a scanner, all you can do is guess based on the symptoms, and hope, if you replace a sensor, you don't add more problems. Specifically, some of them have to be adjusted to very precise air gaps.

The last thing to be aware of is when you do get a fault code or when you find a signal listed as missing, that doesn't mean that sensor has failed. Way too many people read the fault code description, then say, "the code told me to replace . . . ". In fact, fault codes never say to replace parts or that they're bad. They only indicate the circuit or system that needs further diagnosis, or the unacceptable operating condition. When a part like a sensor is referenced in a fault code, it is actually the cause of that code only about half of the time. What you're paying the mechanic for is the time to rule out wiring and connector problems, and mechanical problems related to that sensor. Reading and recording any fault codes is just the first, the fastest, and the easiest step in a long list of diagnostic steps.
Sep 28, 2020 at 4:33 PM (Merged)
Avatar
TONYSINGH
  • MEMBER
  • 2 POSTS
little history.

I had startup problem where car will start but will stop once i let go the key. all battery components will stay on. repair guy asked me to replace alternator and battery since they could be playing tricks. I did that. I did some search and was adviced to replace the main relay. I did that and it worked for few months.
the problem came back and this time i had the engine light came on. repair guy looked at it and without my approval did the tune up and suggested bad spark plugs caused the problem.
Now within a month, problem is back and this time no engine light came on.
this is what happens,
After a slow drive, car hesitate to start. rpm doesn't stay up. it drops down. if i start and keep my foot on gas for few secs, it stays started but hesitate when i put in drive or reverse. after a while, it gets going and drives fine. now the problem is everytime i take it to repair shop, guy does not see any problem and he claims bad gas for problem. i am tired of wasting money on this suggestions. please advice.
could it be O2 sensor? or something else. please advice.
thanks for your help.
Sep 28, 2020 at 4:34 PM (Merged)
Avatar
BRUCE HUNT
  • CERTIFIED EXPERT
  • 3,754 POSTS
I doubt any of the sensors as they will usually trip the check engine light. By chance have you replaced the plug wires? If not, either swap from a known running honda like yours or put on a new set. This sounds like it is becoming expensive. And I take it the mechanic you are going to is not a Honda dealer.
Sep 28, 2020 at 4:34 PM (Merged)
Avatar
TONYSINGH
  • MEMBER
  • 2 POSTS
I am not even sure if he replaced the plugs let alone plug wirels. I am no sure how can i check. Yes, i am not going to honda dealer. How can I check the plugs or plug cables? are they hard/expensive to replace?
I didn't go to honda dealr yet because they do charge an arm and and a leg. this time i am thinking i might as well take the chance and do that. please advice.

thanks for your help.
Sep 28, 2020 at 4:34 PM (Merged)
Avatar
HALEYMG
  • MEMBER
  • 1 POST
For about 2-3 years my car has had a problem that when I do a lot of stop and go driving it will start, but then die. If I wait 30-60 minutues it will start, or if I keep my foot on the gas then it takes a few minutes but sometimes it will start that way. No one has been able to tell me what it is, I have had the starter, timing belts, ignition switch, spark plugs, battery, alternator, and o2 sensor replaced. (some of these being things in need of replacement and some suggested as to what may be wrong with my car). Now I try to start it and it won't even turn over. Any suggestions would be greatly appreciated. Thank you.
Sep 28, 2020 at 4:35 PM (Merged)
Avatar
F4I_GUY
  • CERTIFIED EXPERT
  • 3,302 POSTS
The first checks to do when a vehicle cranks but doesn't start is to check for strong spark and proper fuel pressure.

If you do not have the necessary tools to perform these tests safely I would recommend you tow it to a shop.
Sep 28, 2020 at 4:35 PM (Merged)
Avatar
BIGKEV72
  • MEMBER
  • 1 POST
I have issues help!!!! Ok this car will crank but will not start I have checked the coils and changed the spark plugs, Also it is getting fuel but it is getting to much fuel the car tries to start but has a small backfire coming from the air filter which has burned and singed the filter.. The timing is in line on the top and on the bottom the crank sensor has been replaced the main relay has been replaced the injectors have been replaced. Has anyone ever seen these type problems??
Sep 28, 2020 at 4:35 PM (Merged)
Avatar
F4I_GUY
  • CERTIFIED EXPERT
  • 3,302 POSTS
Do you have a distributor or individual coil on plugs?

Either way, just checking to make sure spark is present, isn't good enough.

You must ensure it's strong spark, up to 40KV. (40,000volts). You need a spark tester to test this, or a labscope.
Sep 28, 2020 at 4:35 PM (Merged)
Avatar
BAMBAM29
  • MEMBER
  • 9 POSTS
engine cranks but wont start.good spark,good fuel pressure,timing belt set correctly.no computer codes.good injector pulse.died while driving hasnt started since.
Sep 28, 2020 at 4:35 PM (Merged)
Avatar
DJCL
  • CERTIFIED EXPERT
  • 767 POSTS
How was the car running before it stalled out? It sounds like you covered a lot ot checks. If the car has spark on all plugs testing @ the plug wire end there is inject or pulse on all 4 cylinders fuel psi amd volume are correct and the timing is on . Compression will have to be checked but I don't think you lost that if belt timing is good . Pull the plugs out and see if thay smell of gas or are weat with fuel m
Sep 28, 2020 at 4:35 PM (Merged)
Avatar
BAMBAM29
  • MEMBER
  • 9 POSTS
car was running good before died.smell gas on plugs.plugs were wet so replaced
Sep 28, 2020 at 4:35 PM (Merged)
Avatar
DJCL
  • CERTIFIED EXPERT
  • 767 POSTS
Does it try to start ? It might be flooded. See if the new plugs are wet agen
Sep 28, 2020 at 4:35 PM (Merged)
Avatar
BAMBAM29
  • MEMBER
  • 9 POSTS
doesnt even try to start.pulled plugs were wet again.cleaned and reinstalled.no luck
Sep 28, 2020 at 4:35 PM (Merged)
Avatar
DJCL
  • CERTIFIED EXPERT
  • 767 POSTS
When you checked for spark how and where did you check it? Was it with a spark tester that will take hi voltage to fire it and did you check it @ all 4 plugs. I would like to know the quality of the spark @ the plugs . Color of the spark. There may not be full voltage getting to the plug.
Sep 28, 2020 at 4:35 PM (Merged)
Avatar
BAMBAM29
  • MEMBER
  • 9 POSTS
adjustable spark tester opened up to 20 and still had good blue spark.checked at all 4 wires.
Sep 28, 2020 at 4:35 PM (Merged)
Avatar
DJCL
  • CERTIFIED EXPERT
  • 767 POSTS
As far as timing goes you checked belt timing crank and cam all lined up good ? If you need the marks let me know I will send them to you . I would want to know what the compression readings are on all 4 cylinders .
Sep 28, 2020 at 4:35 PM (Merged)
Avatar
BAMBAM29
  • MEMBER
  • 9 POSTS
will do compression test and get back to you.thank you for help
Sep 28, 2020 at 4:35 PM (Merged)
Avatar
BLESSING EWOBOR
  • MEMBER
  • 754 POSTS
Hello, the car listed above's engine is cranking but refused to start. I observed that the security light (key symbol) is not displaying on the combination meter, then I realized that the problem is the immobilizer system. After leaving the vehicle for some hours I came back to the vehicle, turned the ignition switch to on position, the security light was "on" on the combination meter, I cranked the engine and it started. I was some how confused. Backing the door the security light went off again, I decided to shake the vehicle the light came on, shaking it again the light went off. Then I knew that there is open circuit, short to voltage, or ground some where. I have been searching for that but I have not seen it. How can I fix the problem?
Sep 28, 2020 at 4:35 PM (Merged)
Avatar
DJCL
  • CERTIFIED EXPERT
  • 767 POSTS
Ome other thing you can try is. Cranking the engine with your foot on the gas held down to the floor for about 15 second and see if the engine starts to clear out. Let me know how it works out.
Sep 28, 2020 at 4:35 PM (Merged)
Avatar
KASEKENNY
  • CERTIFIED EXPERT
  • 18,907 POSTS
How are you searching for it? I agree that it would have to be rubbed through wire but I would start at the immobilizer and hook up your meter to test each wire for a short to power, ground and another circuit. Clearly this is going to take a little bit of time but now that you know how to get it to act up, when you shake the vehicle, clearly the voltage should not change. If you can back probe the connector that would be best because the system will need to remain intact.

Does that make sense?
Sep 28, 2020 at 4:35 PM (Merged)
Avatar
BAMBAM29
  • MEMBER
  • 9 POSTS
did compression test.120 lbs. tried holding to the floor still no go.checked tps-good reference voltage and signal to computer.did checks on main relay-good.get codes when unplugging sensors for checks.have run completely out of options to try.everything indicates should run.have considered torching but doubt the evil thing will burn.lol
Sep 28, 2020 at 4:35 PM (Merged)
Avatar
BLESSING EWOBOR
  • MEMBER
  • 754 POSTS
Thank you.
Sep 28, 2020 at 4:35 PM (Merged)
Avatar
DJCL
  • CERTIFIED EXPERT
  • 767 POSTS
It sounds like this car is getting to much fuel. I'm still thinking flooded. See if you can do this.remove all the spark plugs disable the ignition and fuel pump. Crank the engine with all the plugs out. See if fuel is blowing out of the plug holes. When there is no more spraying out add thimble amount of motor oil to each cylinder . Blow dry the plugs thay must be very dry. Reinstall the plugs restore the fuel pump and ignition system holt foot down to the flore on gas crank away and keep your fingers crossed
Sep 28, 2020 at 4:35 PM (Merged)
Avatar
BAMBAM29
  • MEMBER
  • 9 POSTS
ok.heres what i found.put engine on tdc.to recheck timing belt again.pulled off distributor cap and noticed rotor is not pointing to #1 wire.wire is at about 10 oclock on cap while rotor is pointing to 6.as is the distributor has an offset where it enters cam.how could this happen.is this common on hondas?
Sep 28, 2020 at 4:35 PM (Merged)
Avatar
DJCL
  • CERTIFIED EXPERT
  • 767 POSTS
What cylinder is the rotor pointing to
Sep 28, 2020 at 4:35 PM (Merged)