Feb 13, 2024 at 10:45 AM
Coolant problem, I have been having to add coolant every 2-3 days?
2016 HYUNDAI SONATA HYBRID
Advertisement
Hello, did you happen to find the leak? Were we in the correct location?
I believe we are correct with the EGR cooler being the culprit. I’m still putting coolant in until I have the part in my hand to replace when I tear it apart. Still got to save up to get one. Let me ask you: they cost 400-650 dollars on average everywhere I look. I do ones on eBay as low as 150 up to what dealer's charge. I’m not sure if I trust eBay. The difference I think that’s going to make one better than the other is the material it’s made from. They all pretty much made in Korea no matter where you get one. In your opinion what material would you think would be the best to hold up in the extreme temperature of EGR gas going through it as well as something that doesn’t rust really easy. I would tend to assume the temp changes from gases and the cooling from the coolant probably is what would cause them to crack internally and cause them to leak.
Feb 13, 2024 at 6:40 PM
Advertisement
I would at least up bolt that top part where we saw the drip of coolant sitting, there's only 2 bolts there. Just to verify that's really the section of the cooler you need. If coolant starts coming out once you unbolt that, you know what's up. Then just tighten the bolts back up. I looked through All Data but could not find a part number for it, which is not surprising.
If possible, can you identify this as the correct part number, you can call the dealership and just tell them you may need the part and want to verify the correct part number by your vin# and let them know you'll get back to them. I found one for extremely cheap price, made in China, I'm going to search a couple other places for a part number. It's possible if this thing is just cracked somewhere, to find someone that could maybe weld a bead over the crack depending on where it is.
This is something I think you may be able to get out without having to remove the manifold, if you take it out from underneath. I'm a big fan of saving money wherever possible. The gaskets I think you will need to get from the dealership, we don't want them to leak. But they shouldnt be too much, you can ask the dealer on those if you call for the correct part number.
I'm not against you buying a less expensive one, I understand how these things go. That was the whole reason I became a tech to begin with, to save money and fix my own vehicles. I'm thinking a weld cracked right around this top ring here where the internal pipe is inserted. I see one on here for about 140, same part number I'm seeing at other locations on that year and model. I would confirm the issue though. After all this, even if you just unbolt the bottom section that goes into the manifold, you should see coolant drip out without even having to fully remove the bolts.
Even this super cheap one is listing the same part number, you could also call around to some used parts yards and see if there's a wrecked vehicle to take one off of. I wouldn't spend $500.00 on this either. So, a few options to think about.
But let us know of the outcome, if this is the problem, it will help others in the future if we see this again.
If possible, can you identify this as the correct part number, you can call the dealership and just tell them you may need the part and want to verify the correct part number by your vin# and let them know you'll get back to them. I found one for extremely cheap price, made in China, I'm going to search a couple other places for a part number. It's possible if this thing is just cracked somewhere, to find someone that could maybe weld a bead over the crack depending on where it is.
This is something I think you may be able to get out without having to remove the manifold, if you take it out from underneath. I'm a big fan of saving money wherever possible. The gaskets I think you will need to get from the dealership, we don't want them to leak. But they shouldnt be too much, you can ask the dealer on those if you call for the correct part number.
I'm not against you buying a less expensive one, I understand how these things go. That was the whole reason I became a tech to begin with, to save money and fix my own vehicles. I'm thinking a weld cracked right around this top ring here where the internal pipe is inserted. I see one on here for about 140, same part number I'm seeing at other locations on that year and model. I would confirm the issue though. After all this, even if you just unbolt the bottom section that goes into the manifold, you should see coolant drip out without even having to fully remove the bolts.
Even this super cheap one is listing the same part number, you could also call around to some used parts yards and see if there's a wrecked vehicle to take one off of. I wouldn't spend $500.00 on this either. So, a few options to think about.
But let us know of the outcome, if this is the problem, it will help others in the future if we see this again.
Feb 14, 2024 at 10:05 AM
Yes, that is the part number I’ve been coming up with all over the place. I will verify with the dealer before I order one online. I see a lot of those EGR coolers come with the two new gaskets. But some don’t. Now correct me if I’m wrong. There shouldn’t be any coolant in there at all. Just the gases run through at roughly 800 degrees and the coolant runs through the outer jacket of the cooler to get the gases to like 200 degrees before the gases reenter the cylinders. So, I’m thinking the extreme change of temperature would eventually get the metal brittle enough to crack or at a weld because that would be the weakest points to the sides of welds. Anyway, where did you find that picture at? Website that’s see
Selling them? I’m going to order one hopefully this weekend plus the two gaskets and I’m most likely going to get a new cooler pipe on the side that’s leaking just in case it’s damaged in any way. But yes, I will let you know all the details on this to help future people that need help like I did.
Selling them? I’m going to order one hopefully this weekend plus the two gaskets and I’m most likely going to get a new cooler pipe on the side that’s leaking just in case it’s damaged in any way. But yes, I will let you know all the details on this to help future people that need help like I did.
Feb 14, 2024 at 5:52 PM
Yes, hello al514, just called my dealership and the part#28460-2E900 is the winner. They charge 635.66 before tax. I asked the parts guy what the difference would be if I bought one off eBay that’s made in Korea for 150.00 bucks. He said go for it theirs comes from Korea as well. On Sunday I’ll pull EGR tube off to see if anything comes out. I’m going to think something should come out. Shouldn’t the car be running to circulate the coolant?
Feb 15, 2024 at 11:01 AM
That's a lot of money, it's just Al btw. The site I saw it on is a super cheap kind of knock off type site, I've purchased some electronic parts from them before (non-automotive related) microchips and such, so I'm not sure about their parts, I was more looking for a part number, it was just aliexpress com. I think it's stuff directly from other countries. You are correct on its operation, the exhaust gases simply run through the center pipe with a cooling jack on the outside, you can see the 2 cooling pipes that have rubber cooling hoses clamped onto it, that's where the coolant circulates threw and around the center pipe cooling the exhaust some. I have the same assumption, that it cracked need one of the welds at that top flange, or just plain failed somewhere, but either way. To be absolutely sure, I would pressure test the coolant system with the bolts for the cooler on both ends taken out. You could buy a cooling pressure kit at Harbor Freight, they sell a cheaper one. But you might find it leaks when you take off the bottom pipe to the manifold. It has to be leaking quite a bit to go through so much coolant. There is a gasket on the top and bottom, you will have to do an online search for those. I don't see any in stock either. You have everything correct though,
This is the pressure test kit harbor freight has, you could use it once and return it I guess, unless you plan on working on your own vehicles from here on out.
This is the pressure test kit harbor freight has, you could use it once and return it I guess, unless you plan on working on your own vehicles from here on out.
Feb 15, 2024 at 11:25 AM
Hello Al, I’m going to try pull that cooler pipe off on Sunday. Tonight made exactly 2 gallons of loss. I’m probably going to order one on Sunday night or Monday once I get a visual on everything after taking air cleaner housing off and anything else in my way. Everyone I found is in Korea or South Korea but that is where the dealerships get theirs as well. My car was even made there so I guess it’ll be ok. I have to pay customs and duties tax as well. I’m not exactly sure when and where I will do that at, but I’ll call the post office in the morning, they should know at least what I got to do. I narrowed it down to these were way cheaper and free shipping, so I’ll go with one of these. Thanks
Feb 16, 2024 at 6:24 PM
Al, just got off phone with post office. Not sure the lady knew what she talking about but told me if I paid $150.00 for the part, I’d be looking at 2-:300 in customs tax. Doesn’t sound right to me. I’m going to call a different post office on Monday and check but I’m going to try and find one in the states that’s not $650.00. If you got any places by name or website I’d love you to shoot them my way. Have a great day!
Feb 17, 2024 at 7:08 AM
Customs tax? That doesn't sound right to me, regardless of where you order it online. You might want to try some used parts lots, maybe find a crashed vehicle. I will look around in my area as well for you, I'm in NC, if I can find one, I will let you know
Feb 18, 2024 at 12:26 PM
Hello Al, it’s been a while since I communicated with you on my car I didn’t fix it yet because I asked the dealer if they would cut me some type of break being they had my car like 4-5 times and didn’t fix it due to they misdiagnosed it and it got hit on their property 2 times already. Well, they wanted to see it. So, inspection due so I went down, and my check engine light finally came on dammit, so I couldn’t get that done. Well, I explained that you and I are pretty sure what and how it’s losing this much coolant. I wanted to be in the garage when they checked it out, but they didn’t let me. Anyway, now the mechanic says it’s a cracked intake manifold. He says my car doesn’t even have an EGR cooler. I demanded to talk with him, over the phone by their choice. That person argued with me about the EGR cooler. So, I asked him where do my heater core hoses attach to? He said the manifold. So, I said bull they go to the cooler. So, I asked where the EGR pipes connect to, he said the manifold. I told him no they connect to the ends of the cooler. He said again my car doesn’t have any cooler. I told him yes it does, but I told him okay, put the new intake on it since that’s under warranty. Where the heck do they find these guys at? I pulled it up on my phone and showed the service lady the EGR cooler picture of one for my model and year of the car. She said the mechanic said it doesn’t have one. I said read my phone I found an imaginary one for my exact car on a Hyundia parts site. She wouldn’t even glance at my phone. It’s going back when they get me a loaner. Then it’ll go back after that when it’s got a new manifold on it and still losing antifreeze.
Mar 26, 2024 at 7:54 PM
Wow. You can physically see the EGR cooler piping though, that was in the diagrams we were looking at, correct? It all looks the same as what is on your vehicle. I just want to be sure, it's sad when they bring up doubts like this. And I can't be at the vehicle to help you with this, that makes it even more difficult.
Mar 27, 2024 at 10:48 AM
Yes, those pics and diagrams are spot on identical to my car. It might be he felt insulted because I said the EGR cooler is leaking . I’m not sure how he would of even seen a crack on the intake with everything in place, but yet couldn’t see the EGR cooler right there in the way. But if it would be the intake, that means they took it off and put it back on3 times without checking it. I know it’s the cooler. I think he seen the dried spots of antifreeze/dye on hoses and EGR pipe that goes to my EGR cooler that my car doesn’t have and he just assuming it’s the intake manifold. I’ll keep you filled in but I’m sure they are going to take their time.
Mar 28, 2024 at 2:56 PM
Yes those pics and diagrams are spot on identical to my car. It might be he felt insulted because I said the EGR cooler is leaking . I’m not sure how he would of even seen a crack on the intake with everything in place, but yet couldn’t see the EGR cooler right there in the way. But if it would be the intake, that means they took it off and put it back on3 times without checking it. I know it’s the cooler. I think he seen the dried spots of antifreeze/dye on hoses and EGR pipe that goes to my EGR cooler that my car doesn’t have and he just assuming it’s the intake manifold. I’ll keep you filled in but I’m sure they gonna take their time
Mar 28, 2024 at 2:56 PM
Maybe they don't know what it is, it's possible their techs are not up to date, I mean you and I found it by going through service info, but really, it's been there so many times, I don't know what the excuse is. I'm sorry it is taking so long to just get your vehicle back on the road running correctly. Let me know what eventually happens.
Mar 29, 2024 at 8:03 AM
Okay, Al, how ya been buddy. Want to drop you my latest scoop on my Hyundai . Not sure if I told you I took it down because they needed to look at it for coolant leak and get inspected. When I took it down I told them there is this guy in the net and he been helping me diagnose the problem. I told them we both agreed that the only possible scenario is the egr cooler. Well they bring my car back that day after inspection and said they need to order a intake manifold for it because it’s cracked and the coolant is leaking in there. Well I demanded to speak with the mechanic. Got him over the phone I told him that you and I diagnosed it and it’s gotta be losing it in the egr cooler most likely coming from a internal crack from going hot cold hot cold all the time that son of a bitch said:get this- your car doesn’t have a egr cooler. I told him the heck it doesn’t . I told him if it doesn’t have one why does my heater core hoses run to it and back again as well as the egr pipes run off the ends of the cooler, he said again with attitude your car don’t have a egr cooler. Told him whatever you say. Put the new intake manifold on it and I’ll be back down again for same problem. Well took it in and I insisted someone better take that egr cooler of and I want it checked for cracks inside. Well went down to pick it up and the lady in service said to me. The mechanic took the egr cooler off and noticed it was leaking inside. By god I’ve been telling them for months about it. But she said they put a new EGR cooler and a new manifold on it. Manifold was warranty covered so that I knew. So I said what is the egr cooler and labor going to set me back? She said don’t worry about their gonna cover it. Wow, how cool is that!! Went to my car and popped the hood open looked down behind engine and seen a shiny new one. Looked at front of motor and guess what I didn’t see? I didn’t see a new intake, still my dirty old one. Checked the bill anp it said new manifold and gaskets and new egr cooler. Back in I went and asked why my manifold wasn’t changed and she said yes it was. Showed the picture and next thing you know we had managers and owner there and I was arguing because I do not want my paperwork stating falsified records on my car. I said scratch it off and sign it for all I care. I waited for it, it was in here for that and you didn’t do it. Owner was a ASS about everything. So now they still got my car so they can replace manifold. And they gave me a 100 dollar bll to pay for my 66 dollar inspection . I made out pretty good . Except they still got my car. Thanks for all your help on this. I appreciate everything you helped me with.
Apr 21, 2024 at 6:02 PM
Wow, that's a lot to go through. Not a dealership I'd want to deal with. It's actually a really stupid argument on their part, they could have had a happy customer with just telling you the truth. Since it probably didn't need an intake anyway, but hopefully now this will finally be the end of all the headaches. Thanks for the update. I was wondering there for a while what the outcome was.
Apr 23, 2024 at 9:59 AM
Al I’m not sure this nightmare is over. When I picked the car up the EGR cooler and intake manifold was new and installed. They informed me the check engine light came on when they drove it. Not sure what code they got but they put on a new EGR valve assembly free of charge. So I picked it up and check engine light was still on so i figured that he. Didn’t erase the code and it’ll go out eventually. Well I picked wife up after I picked car up and it didn’t go out. Put my scanner on it and got 2 codes now. PO401, PO139. I looked them up I think the po401 was insufficient air flow that’s what my scan tool said . The PO139 is a O2 sensor it’s coming up o2 sensor circuit slow response bank 1 sensor 2. It looks like the coolant level went down from high level line to the low level line. Maybe air working out, I’m not sure yet. This morning I was looking around and I seen a lot of liquid spots on ground under tailpipe when running so I’m not sure what’s going on yet till I monitor the level for a week or so. But the error codes I was thinking possibly a screwed up cat converter? It is just a guess on my part because of EGR insufficient flow and sensor 2 bank 1 slow response time. What’s a quick assumption you would have? Almost everything is new . I think it would be the converter or it’s in the wiring or pcm. Just your opinion be great. Thanks
Apr 27, 2024 at 6:24 PM
Okay, with the P0401 this can be more than just an EGR valve flow issue, I'll post the setting criteria and some possible causing for the code setting. The fact that it set after the repair, and wasn't setting before, tells me it was most likely something caused during their "repair". Such as moving the wiring harness around too much and stressing it, or not getting everything sealed back up completely like it should be. It's possible they didn't get the EGR tube completely sealed, or some other issue along those lines. Service info backs this up with possible "Poor or damaged harness connections" EGR pipe leaking" Intake manifold air leak" etc.
Diagrams 1,2 are for P0401 and 3,4 are for P0139, Id say the same thing for the P0139, those codes were not setting before. There should be some water dripping out the tail pipe under certain conditions, that's the Cat converting exhaust gases over to H20, although, with the amount of coolant you were losing, that is Cat contamination, I will dig into these codes some more later this evening. But I'd say once you get this thing fixed, you may want to think about getting rid of it, it's been nothing but headaches for you all the way here.
Diagrams 1,2 are for P0401 and 3,4 are for P0139, Id say the same thing for the P0139, those codes were not setting before. There should be some water dripping out the tail pipe under certain conditions, that's the Cat converting exhaust gases over to H20, although, with the amount of coolant you were losing, that is Cat contamination, I will dig into these codes some more later this evening. But I'd say once you get this thing fixed, you may want to think about getting rid of it, it's been nothing but headaches for you all the way here.
Apr 28, 2024 at 2:37 PM
Okay, I appreciate that. The 401 light came on before I took it in for the manifold and I turned it off. So, the other code is new.
Apr 28, 2024 at 2:42 PM
I checked it out pretty good today . I went over all bolts and vacuum lines and checked all electrical connections. I even checked for vacuum leaks with some starting fluid everything appears good except for one thing I’m not sure exactly if something is not right. I’ll attach a picture. There looks like a vacuum or ventilation line comes out of the block and goes to some sort of valve. I didn’t find a diagram yet online. Anyway comes out of block and runs to this valve of some sort then the vale hosing keeps on going off the other end, can’t remember where at the moment. On the valve I’m referring to t’s out the side also. When i looked it looks like there should have been something there that isn’t. I say this cause the hose is connected or spiced together with a plastic piece that connects to a different size hose. Doesn’t look like a barn to me I’m thinking something got broken, maybe another valve and just connected the hoses together instead of replacing whatever was there. If there was something there. I did tape that part for now because it didn’t appear to be a great fit. Put it all back together and erased codes and everything seems fine as of now but I only took it out maybe 10 miles.wont let my pics upload. I’ll try to fix it and send you them.
Apr 29, 2024 at 11:20 AM
If its a hose coming out of the engine block, its most likely going to be some kind of PCV hoses. On newer vehicles they direct positive crankcase pressures to all kinds of places, but its important that its not blocked off and is routed to the correct intake position, that positive pressure needs some place to go, or it will start pushing out any seals in the lower end of the engine block, such as the front or rear main seals. Thats how those seals prematurely start leaking.
These are the PCV diagrams and really the only vacuum hose diagrams I see in Service info. Sounds like they might be a bit hacky when it comes to repairs at that location.
If you can pull up live engine data, and monitor the rear Oxygen sensor voltage, or graph its voltage is better, but get the vehicle up to speed, such as getting on the highway for a couple of minutes, so the engine gets up to temperature, before you exit, give it heavy throttle so youre not running on the electric motor, this way you should be pulling on the combustion engine, and when you let off the gas pedal suddenly, the fuel injectors should go to Fuel-Cut mode and actually shut off until you slow down enough where the engine needs to return to an idle, during de-acceleration fuel cut off, the rear Oxygen sensor voltage should go full lean, meaning almost 0volts. If you have the sensor data graphed you should see the rear 02 take a dive from its steady 600-700mv to less than 200mv (or 0.2v),
my truck goes all the way to 0volts on decel fuel cut off. Its a way to check the rear 02's operations, and its the way the ECM is doing it as well, but again you are correct about a possible Cat issue. (6th diagram shows some info about fuel cut off and that P0139).
For a Cat fault, you may notice the rear 02 fluctuating at a higher rate, (0.2v-0.8v-0.2v etc) when it should be at a more steady 0.6v-0.7v range. Of course noticing some of this will not be conventional with a hybrid, since youre not always going to be running on the gas engine. But under heavy throttle it should switch over to the gas engine for more power.
The hoses you mentioned may be part of the issue here though as well, without the vacuum hoses all sealed up and routed properly, that will throw off the ECM's self test results. It may cause the rear 02 to be below the 0.6v threshold that is called for in the code criteria. Looks like another thing they may need to correct, if it wasnt like before going in to them,
The p0401 looks like the ECM measuring a reference pressure(so some stored predetermined amount) to intake manifold pressure during EGR valve closed and the manifold pressure. This test is run during Fuel Cut off of more than 10sec as well, so thats interesting, these codes are being tested for and setting for this same period of fuel cut off.
But another issue is that the wiring harness on this vehicle has been connected and disconnected how many times now. Thats not at all a helpful thing. Who knows how much the harness connectors have been rough handled, pulled and pushed on. Theres so many factors here.
These are the PCV diagrams and really the only vacuum hose diagrams I see in Service info. Sounds like they might be a bit hacky when it comes to repairs at that location.
If you can pull up live engine data, and monitor the rear Oxygen sensor voltage, or graph its voltage is better, but get the vehicle up to speed, such as getting on the highway for a couple of minutes, so the engine gets up to temperature, before you exit, give it heavy throttle so youre not running on the electric motor, this way you should be pulling on the combustion engine, and when you let off the gas pedal suddenly, the fuel injectors should go to Fuel-Cut mode and actually shut off until you slow down enough where the engine needs to return to an idle, during de-acceleration fuel cut off, the rear Oxygen sensor voltage should go full lean, meaning almost 0volts. If you have the sensor data graphed you should see the rear 02 take a dive from its steady 600-700mv to less than 200mv (or 0.2v),
my truck goes all the way to 0volts on decel fuel cut off. Its a way to check the rear 02's operations, and its the way the ECM is doing it as well, but again you are correct about a possible Cat issue. (6th diagram shows some info about fuel cut off and that P0139).
For a Cat fault, you may notice the rear 02 fluctuating at a higher rate, (0.2v-0.8v-0.2v etc) when it should be at a more steady 0.6v-0.7v range. Of course noticing some of this will not be conventional with a hybrid, since youre not always going to be running on the gas engine. But under heavy throttle it should switch over to the gas engine for more power.
The hoses you mentioned may be part of the issue here though as well, without the vacuum hoses all sealed up and routed properly, that will throw off the ECM's self test results. It may cause the rear 02 to be below the 0.6v threshold that is called for in the code criteria. Looks like another thing they may need to correct, if it wasnt like before going in to them,
The p0401 looks like the ECM measuring a reference pressure(so some stored predetermined amount) to intake manifold pressure during EGR valve closed and the manifold pressure. This test is run during Fuel Cut off of more than 10sec as well, so thats interesting, these codes are being tested for and setting for this same period of fuel cut off.
But another issue is that the wiring harness on this vehicle has been connected and disconnected how many times now. Thats not at all a helpful thing. Who knows how much the harness connectors have been rough handled, pulled and pushed on. Theres so many factors here.
Apr 29, 2024 at 2:21 PM
Another thing about monitoring the rear 02, is if voltage is fluctuating 0v to 1v roughly, when the frequency increases the ECM will eventually set a P0420, Catalyst low efficiency Bank 1. Which may need a certain number of drive cycles to set, thats when you'll know the cat is failing. Looking a little closer at the P0139 criteria, states the code is set "when the switching time is bigger than the limit value". Thats an increase in frequency of the rear 02 voltage fluctuating, so the P0139 might set before the P0420 Cat Efficiency code is set.
Thats something we would be looking for when diagnosing a cat failure, voltage swings such as the waveform below, or if its bad enough and causing drivability issues, a back pressure test to see if the cat has melted down and is restricting the exhaust.
Thats something we would be looking for when diagnosing a cat failure, voltage swings such as the waveform below, or if its bad enough and causing drivability issues, a back pressure test to see if the cat has melted down and is restricting the exhaust.
Apr 30, 2024 at 4:17 PM
Pic 1’is the valve I think is clogged (PDFE) I think. Pic 2 is where it looks like something is missing. Pic 3 is the location of the valve which is aside throttle body above radiator hose near thermostat and EGR assembly under the air duct for filter.
May 1, 2024 at 12:09 PM
Pic 1’is the valve I think is clogged (PDFE) I think. Pic 2 is where it looks like something is missing. Pic 3 is location of valve which is aside throttle body above radiator hose near thermostat and EGR assembly under the air duct for filter
May 1, 2024 at 12:09 PM
I don't see any pressure differential sensor for the EGR valve in the wiring diagrams, but I do see a 4 wire MAP sensor which is what they are using for intake manifold pressure measurements, what are the wire colors on that sensor?
The EGR valve has a position sensor built into it as well, so it will have 5 wires.
The EGR valve has a position sensor built into it as well, so it will have 5 wires.
May 1, 2024 at 12:57 PM
If the wires for that valve are green and white, and there's only 2, it's the Purge valve and should be closed when it's not active.
As for the 2nd picture, it depends on where those hoses go, it does look like something is missing there, at this point who knows what they have taken off or broken, but that valve you have off looks like the purge valve to me with those wire colors, the MAP sensor is 4 wires because it has a temperature sensor built into it as well. I'll post the wiring diagrams so you can check it.
As for the 2nd picture, it depends on where those hoses go, it does look like something is missing there, at this point who knows what they have taken off or broken, but that valve you have off looks like the purge valve to me with those wire colors, the MAP sensor is 4 wires because it has a temperature sensor built into it as well. I'll post the wiring diagrams so you can check it.
May 1, 2024 at 1:00 PM
1st diagram is the Purge valve which pulls fuel vapor from the gas tank, should be closed when off. The 2nd diagram is the MAP/IAT sensor. with the 3rd the wiring going to the ECM. Hopefully they didn't remove anything, in the picture it almost looks like something is bypassed on that hose, but I can't really tell.
May 1, 2024 at 1:17 PM
Thanks for the warning on orange, I’m way ahead of you. On that one. It’s usually the amps that cause most deaths. It only takes 1 amp to kill you. Back on track here. I’m not at the car now but I thought the map sensor was mounted right into the air box or duct between throttle body to air filter. I’ll double check that tomorrow. Ya I couldn’t find anything at all on it online. I’ll look some more it’s definitely carboned up inside, cleaned it a little the best I could but would much rather replace it.
May 1, 2024 at 10:47 PM
PS. Schematics are my weak point. I don’t understand them nearly what I should. I get a little from them but not much. Oh, yes got my o2 sensor today., I thought cool. Not happy. I could not get that old one to budge. Easy to get at from the end. I even tried my electric impact gun on it that baby not budging. So, I’m even starting to believe the EGR restriction in the flow could possibly be the catalyst melted down on inside. Car feels very sluggish today.
May 1, 2024 at 10:55 PM
Yeah 02 sensors can be difficult to get out, I was surprised the impact gun didn't strip it out, Try getting it out when the exhaust is hot, just make sure to wear gloves so you don't get burned. They tend to come out easier when the pipe around them is hot and expanded some. The MAP sensor should be on the back of the intake manifold, the MAF (Mass Air Flow) sensor is the one that you would find on the air intake tube. It would be before the throttle plates, where a MAP sensor will be found after the throttle plates. (its Manifold Absolute Pressure) so it gives a reading of intake manifold pressure compared to atmospheric pressure. Hence the "Absolute" part.
So, there's actual carbon build up inside the Purge valve? When it comes to wiring diagrams, I post them mostly so people can compare the wire coloring to the component they are looking at. For the Purge valve I could see a 2-wire component with one green wire and one white wire. So, you can do the same for the MAP sensor, although the location I see is not the one in the picture, where something appears to be missing.
This vehicle has a MAP and a MAF sensor.
If you can't get the front Oxygen sensor out for a back pressure test, if you're worried about the Cat, you can put a vacuum gauge on the intake manifold and it should read around 18- 20in of vacuum at idle, roughly. So, if the cat is clogged (or restricted exhaust) vacuum will lower.
But a back pressure test at the front oxygen sensor location at idle should not be more than 1-1.5psi max. If it's higher or jumps way up on a throttle snap, you'll know the cat is having issues, I will usually back up a pressure test with a bore scope down the exhaust to visually see the condition of cat.
These are a couple of pictures I took of a vehicle that was setting a P0420, Bank 1 Cat efficiency code, even though you can see through this cat, it wasn't storing oxygen like it should and therefore was not able to burn off the combustion gases. I was surprised by this one, I expected to see it melted down more, but when comparing it to the new one, there was a definite difference. This was caused by a bad front Oxygen sensor (A/F-air/fuel ratio sensor) on this V6 Nissan. I think it would have probably passed a back pressure test, but this was verified by monitoring the rear Oxygen sensor voltage, it was fluctuating like I described in my other post, the voltage wasn't steady at all. And it would set a P0420 code pretty much on the first drive after erasing the codes.
What is the Bank 1 Sensor 2 Oxygen sensor voltage doing when the engine is up to operating temp and just cruising under part throttle?
Thats what you really need to see, of course, though you need to be running on the engine and not electric motor. So, under throttle load it should switch over.
So, there's actual carbon build up inside the Purge valve? When it comes to wiring diagrams, I post them mostly so people can compare the wire coloring to the component they are looking at. For the Purge valve I could see a 2-wire component with one green wire and one white wire. So, you can do the same for the MAP sensor, although the location I see is not the one in the picture, where something appears to be missing.
This vehicle has a MAP and a MAF sensor.
If you can't get the front Oxygen sensor out for a back pressure test, if you're worried about the Cat, you can put a vacuum gauge on the intake manifold and it should read around 18- 20in of vacuum at idle, roughly. So, if the cat is clogged (or restricted exhaust) vacuum will lower.
But a back pressure test at the front oxygen sensor location at idle should not be more than 1-1.5psi max. If it's higher or jumps way up on a throttle snap, you'll know the cat is having issues, I will usually back up a pressure test with a bore scope down the exhaust to visually see the condition of cat.
These are a couple of pictures I took of a vehicle that was setting a P0420, Bank 1 Cat efficiency code, even though you can see through this cat, it wasn't storing oxygen like it should and therefore was not able to burn off the combustion gases. I was surprised by this one, I expected to see it melted down more, but when comparing it to the new one, there was a definite difference. This was caused by a bad front Oxygen sensor (A/F-air/fuel ratio sensor) on this V6 Nissan. I think it would have probably passed a back pressure test, but this was verified by monitoring the rear Oxygen sensor voltage, it was fluctuating like I described in my other post, the voltage wasn't steady at all. And it would set a P0420 code pretty much on the first drive after erasing the codes.
What is the Bank 1 Sensor 2 Oxygen sensor voltage doing when the engine is up to operating temp and just cruising under part throttle?
Thats what you really need to see, of course, though you need to be running on the engine and not electric motor. So, under throttle load it should switch over.
May 2, 2024 at 2:09 PM
I will double check that and get back to you because I want to be accurate with the information. I want to say it stopped responding or wasn’t giving any readings at all, I’ll double check it and get back to you on it, I do believe it’s not consuming coolant anymore. When I looked in past the throttle body butterfly. It looked a bit dirty, but I didn’t want to remove it to clean it. My wife doesn’t need it. Is there a valve behind the throttle body? Like one of the ones in the EGR valve that you’re aware of? Also, is there some tool to test exhaust pressure? With the car running it feels weak like there should be more pressure coming out when I put my hand over it. I’ll get back with se or reading tonight or tomorrow. thanks Al
May 2, 2024 at 5:51 PM
Took it out to check voltage on b1 sen2 not easy to read and drive with my readers on. The readings were between 0.040-0.805 anywhere in between. I’d get a high reading then let off and coast then go back on it and get a low voltage reading. If there is a certain way for me to perform this for voltage reading let me know.
May 2, 2024 at 6:28 PM
Is your scan tool able to record live engine data when driving? Thats the safer way to do things or have someone else drive so you can observe the live data. With a hybrid setup the difficult part is knowing if the gas engine or electric motor is doing the driving. So, diagnosis won't be the same as a normal combustion engine, I see there are some lamps to tell which mode the vehicle is in. EV mode for electric motor only and if that lamp is off, the engine is running.
But as for the rear oxygen sensor try to keep the throttle pretty steady when monitoring the voltage levels, remember when you let off the gas pedal the ECM will shut down the fuel injectors during fuel cut-off, its does that when de-accelerating because the engine doesn't need fuel at that short period of time, so the oxygen sensor is going to read lean during fuel cut-off. Such as coming off a highway and coasting to an idle, the injectors will be turned completely off at that point, it's to help with emissions.
I wouldn't mess with the throttle plates, some of them are not supposed to be moved by hand, it can damage the motor inside the throttle body. I would concentrate on the codes that are setting right now,
Do either of those codes come back right away if they are cleared out? I would suspect one of those settings during the EGR cooler leaking. And possibly not cleared out after the repair. Are they reading as "Current" codes or "History"? And intake manifold leak can cause the EGR code, if theres any hoses not properly sealed and manifold pressure is incorrect during the EGR test period its going to fail that test. I've been trying to find a decent picture of all the hose routing for the valve cover and intake, but many of them are drawing type diagrams, it's tough identifying that hose in your 2nd picture.
But as for the rear oxygen sensor try to keep the throttle pretty steady when monitoring the voltage levels, remember when you let off the gas pedal the ECM will shut down the fuel injectors during fuel cut-off, its does that when de-accelerating because the engine doesn't need fuel at that short period of time, so the oxygen sensor is going to read lean during fuel cut-off. Such as coming off a highway and coasting to an idle, the injectors will be turned completely off at that point, it's to help with emissions.
I wouldn't mess with the throttle plates, some of them are not supposed to be moved by hand, it can damage the motor inside the throttle body. I would concentrate on the codes that are setting right now,
Do either of those codes come back right away if they are cleared out? I would suspect one of those settings during the EGR cooler leaking. And possibly not cleared out after the repair. Are they reading as "Current" codes or "History"? And intake manifold leak can cause the EGR code, if theres any hoses not properly sealed and manifold pressure is incorrect during the EGR test period its going to fail that test. I've been trying to find a decent picture of all the hose routing for the valve cover and intake, but many of them are drawing type diagrams, it's tough identifying that hose in your 2nd picture.
May 3, 2024 at 2:42 PM
My new phone is not good. I sent two messages and they not showing up so no clue if you got them. I’ll try to be brief. I redid the b1 s1 voltage test while someone else drove. It didn’t really seem different. The voltage was sort of all over the place, did notice a few times is was smooth for a couple of seconds longer at around approximately 0.750 range. And this was after I changed that sensor with new one. Now every time I clear codes and drive, I get new different codes popping up or disappearing. I’ll get anywhere from 6-12 codes. Now yesterday after the new sensor installed, I cleared codes, but I believe the p0140 and the p0139 wouldn’t clear but the light stayed out. About 50 miles the light turned back on and these I are the ones I’ll show because they’re the latest. But I had a lot of others pop up after I cleared them and redrove. What I got going as of now are.
May 5, 2024 at 7:09 AM
I’m really hoping you can prove me wrong but I’m going to assume the cat is bad and or the computer is malfunctioning. I do have other codes I’ve gotten previously before the last ones I sent there were 8 all together in that set of codes and the onboard monitoring had the VVT monitoring bank1 fail, EGR monitor fail, the evap monitor 0.020 failed the evap 0.090 passed and the b1 s2 had two tests fail and 2 tests passed, because rich to lean sensor time. This is the old sensor I replaced yesterday, I did not rerun the on-board monitoring with new sensor, just information that might be helpful to pinpoint my problem other than a dealership that once again gave me my car with more problems than it went in with. But it does appear the coolant loss through exhaust was solved.
May 5, 2024 at 7:24 AM
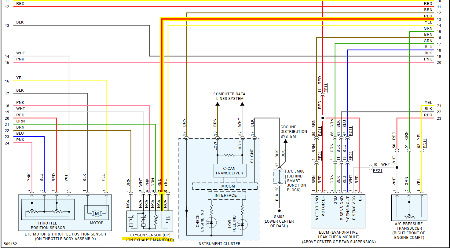
Oh goodness, for checking the Cat condition via the Oxygen sensor voltage you'll want to be monitoring the rear oxygen sensor, B1S2 for any voltage fluctuations,. Its the one that should remain pretty steady, the Front oxygen sensor (B1S1) is an A/F sensor (air/fuel ratio sensor). It is a much more advanced wide band type sensor. Thats why it has 6 wires, while the rear oxygen sensor only has 4.
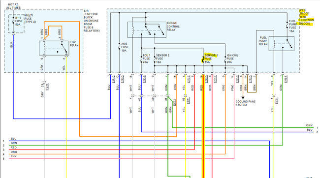
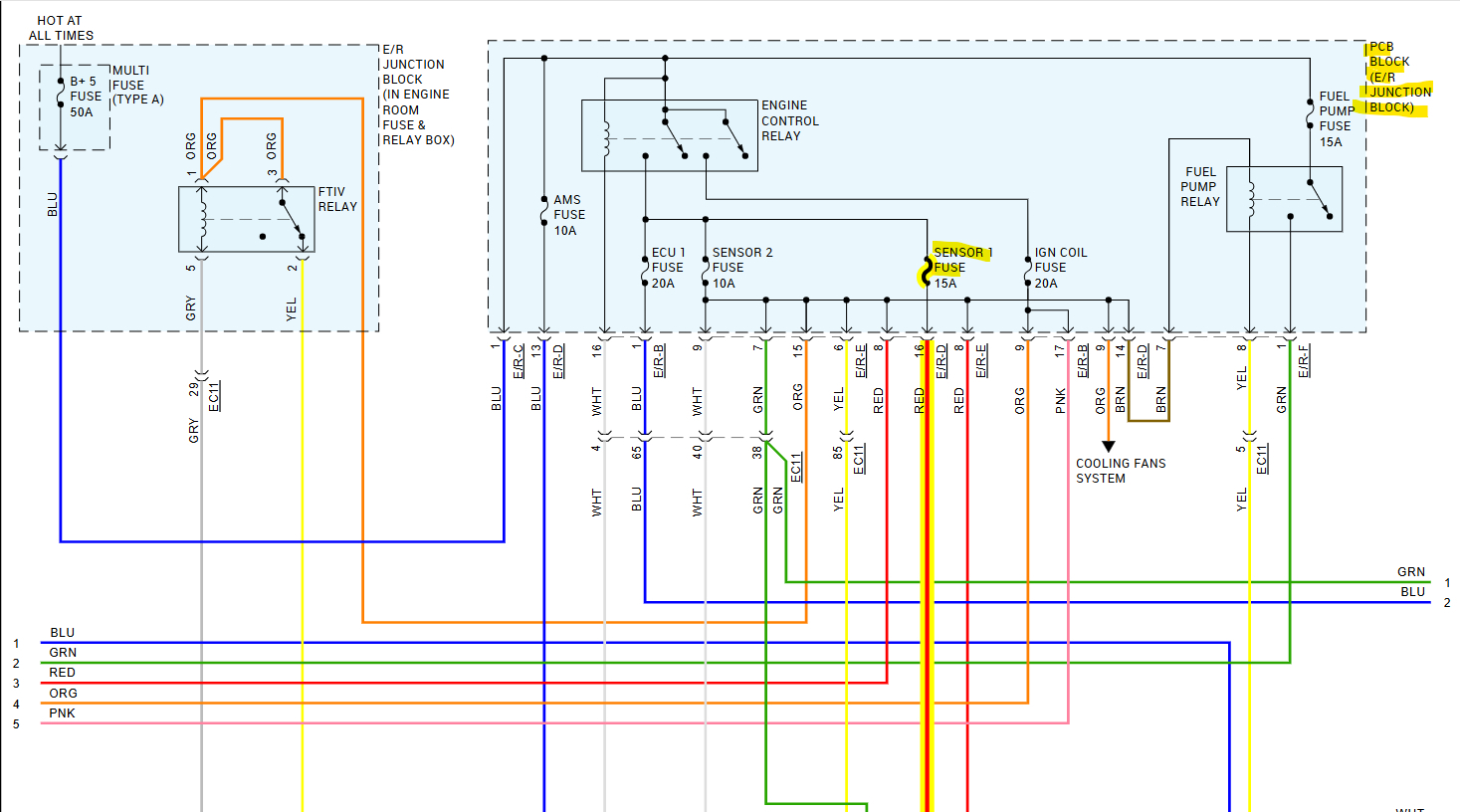
Since youre getting oxygen sensor heater circuit faults now, Im not sure why youre ending up with so many issues like this, but both B1S1 and B1S2 heaters are both fed by the same fuse. "SENSOR 1 Fuse 15amp". Both sensors are controlled by the PCM on the ground side of the heater circuit by pulsing the circuit on and off (PWM).
if the heaters are not working the sensors will not respond correctly and these codes will set. I wouldnt bother putting any more parts on this car until at least the oxygen sensors are not setting anymore codes.
But if the vehicle is leaving the shop with more issues than it went in with, they are responsible for those issues, you're running into too much here to diagnose in a logical manner. Especially with how many times electrical connectors have been apart. Every time theyre pulled apart and jammed backed together, now you have to worry about pin tension in each of those connectors, if you think about that, you could potentially be chasing a number of wiring issues. You're going to become overwhelmed by all this before you know it. It needs to go back and they need to figure out some kind of deal with you,
but check that fuse and see if it's blown.
Since youre getting oxygen sensor heater circuit faults now, Im not sure why youre ending up with so many issues like this, but both B1S1 and B1S2 heaters are both fed by the same fuse. "SENSOR 1 Fuse 15amp". Both sensors are controlled by the PCM on the ground side of the heater circuit by pulsing the circuit on and off (PWM).
if the heaters are not working the sensors will not respond correctly and these codes will set. I wouldnt bother putting any more parts on this car until at least the oxygen sensors are not setting anymore codes.
But if the vehicle is leaving the shop with more issues than it went in with, they are responsible for those issues, you're running into too much here to diagnose in a logical manner. Especially with how many times electrical connectors have been apart. Every time theyre pulled apart and jammed backed together, now you have to worry about pin tension in each of those connectors, if you think about that, you could potentially be chasing a number of wiring issues. You're going to become overwhelmed by all this before you know it. It needs to go back and they need to figure out some kind of deal with you,
but check that fuse and see if it's blown.
May 5, 2024 at 3:21 PM
I hope I didn’t replace the wrong o2 sensor. I’ll have to double check the location. There is one on top here the cat on exhaust manifold and the one I replaced was after the cat right down by the small piece of flex pipe. Hope there isn’t one back further. Getting all the covers off with no lift would suck. I’m wondering to , those pics I sent 2 days back. Was that the EGR solenoid that controls the vacuum to open the valves in EGR valves? and on the monitor tests I had the EGR monitor bank one fail, what would that be pointing to? I think I’m done with that dealership. They honestly have no one there capable of properly diagnosing a problem for a mechanic to fix. What I don’t understand is if I go clear the codes and then drive util the light comes back on, I’ll get either more, or different codes pop up. If I do it again, I’ll get some codes again, some are the same and some be different. I’m thinking the EGR restriction is from the EGR solenoid and I’m also thinking it’s either computer related, or the cat converter somehow went bad. I just know it’s a stumper, but the bright side is it’s almost a new car again.
May 5, 2024 at 4:18 PM
Well, some codes are Pending some are Current or Permanent, so the PCM is seeing faults under different conditions. The PCM is monitoring intake manifold pressure when opening or closing the EGR valve, so its doesn't have to be an issue with the valve itself, there isn't that many components failing at once. Thats not possible. This is an electronic EGR valve, it does not have a control solenoid, it has an electronic motor and a position sensor that acts just like a throttle position sensor, The movement of the valve is 0v-5v.
The solenoid you pictured was the Purge valve, two wire green and white. You can't really mess up the oxygen sensor because the front one is 6 wire and the rear one (after the cat) is 4 wire. They are completely different types of sensors, the front is a wide band for more accurate air/fuel monitoring, the rear is a narrow band oxygen sensor.
I think you are dealing with a bunch of wiring problems, heat and vibration, driving time, etc. contribute to when and how much electrical connectors are heating up and cooling down, pins expanding and contracting, that's why codes are coming and going, the dealership has just been at this wiring harness too much, they replaced the engine over a coolant leak, that should tell you something.
Instead of spending more money on parts, spend that money on a decent shop in your area, that has good reviews and they can at least give you an honest idea of what to focus on right now. It's impossible to chase so many problems at once.
Let someone get a fresh set of eyes on it, trust me it will be a relief for you when they come up with just a couple or one area to focus on. Just ask if they have someone who can work on hybrids.
The solenoid you pictured was the Purge valve, two wire green and white. You can't really mess up the oxygen sensor because the front one is 6 wire and the rear one (after the cat) is 4 wire. They are completely different types of sensors, the front is a wide band for more accurate air/fuel monitoring, the rear is a narrow band oxygen sensor.
I think you are dealing with a bunch of wiring problems, heat and vibration, driving time, etc. contribute to when and how much electrical connectors are heating up and cooling down, pins expanding and contracting, that's why codes are coming and going, the dealership has just been at this wiring harness too much, they replaced the engine over a coolant leak, that should tell you something.
Instead of spending more money on parts, spend that money on a decent shop in your area, that has good reviews and they can at least give you an honest idea of what to focus on right now. It's impossible to chase so many problems at once.
Let someone get a fresh set of eyes on it, trust me it will be a relief for you when they come up with just a couple or one area to focus on. Just ask if they have someone who can work on hybrids.
May 6, 2024 at 7:00 AM
I agree with getting fresh eyes on this problem and that’ll happen soon but I’m not ready yet.hear me out and correct me if I’m wrong. I deleted my codes again . Went out light back up and got 8 this time. Now 7 of them pointed to s1b1. The other was restricted EGR flow. So I’m thinking that o2 denser controls the voltage to the EGR valve or the solinoid that controls vacuum for the EGR valve which in return opens and closes the EGR valve to be where needed, so the computer can respond correctly. Any disruption in that system will make the pc throw the 401 code. So I will replace the o2sensor upstream and see where I’m at. Then if that’s not it I might replace that purge domino if I tried cleaning. Then it’ll go to a different garage other than where I go now. Stupid question for you. What is the difference or how far apart in the o2 sensors should be about. I’m getting a 800 degree difference. Doesn’t sound right to me because the sensors are really a foot apart and the upstream way hotter then downstream. I appreciate you Al and I’ll keep you informed and bother you so much. Youre a good guy and a smart mechanic. Stay safe!!
May 6, 2024 at 1:51 PM





































