Blower motor works intermittently

1999 JEEP CHEROKEE
265,650 MILES • 4.0L • 6 CYL • 4WD • AUTOMATIC
Advertisement
Avatar
ASEMASTER6371
  • CERTIFIED EXPERT
  • 52,796 POSTS
Anytime.

Roy
Dec 2, 2019 at 9:10 PM
Avatar
WAYNEPAW
  • MEMBER
  • 49 POSTS
Thanks.
Dec 3, 2019 at 4:21 AM
Advertisement
Avatar
CARADIODOC
  • CERTIFIED EXPERT
  • 34,306 POSTS
Let me add some confusion to your question about voltmeters. For the most part, we look at voltage in relation to ground, which in this case is the car's body sheet metal, engine block, and battery negative post and cable. We're reading electrical pressure in relation to a common starting point. It is customary to put the black meter probe on ground, then take the reading with the red probe. The nice thing about even the cheapest of digital voltmeters is if you accidentally switch the probes, the meter will not be damaged. It will just show a minus sign in the display.

With tvs and car radios, it is usually important to know the exact voltage at a point, and if it's off by just a few tenths of a volt, that is a clue, but when working in cars, especially with totally dead or intermittently-dead circuits, we're usually just looking to see if we have something or nothing. That's where a test light can take less time. A quick poke, and you can move on.

Where this can get confusing is when we talk about measuring a "voltage drop" in a circuit. It is pretty likely the black probe will not be on ground for these tests. To do this the long way, you could measure the voltage at one contact of a relay, for example, then at the other contact, then calculate the difference between the two. In a perfect world, if you found 12.0 volts at one of them, you should find 12.0 volts on the other one, when that relay is energized. In reality, due to the resistance caused by arced or pitted contacts, lets say you find 12.0 volts on the first one, then 11.9 volts on the second one, you'd have an undesirable loss of 0.1 volt. With a voltage drop measurement, you'd put one probe on each terminal, then the meter would read the 0.1 volt directly. Instead of reading two voltages at two points, you're reading a single voltage between two points. Another advantage to doing it this way is you can switch the meter to a lower range so you get another place after the decimal point, and more accuracy.

For the type of problem you're working with, voltage drop readings have little value unless you have a real good understanding of electrical theory and can interpret the results quickly. Where they really become valuable is in very high-current circuits like starter circuits. During cranking, the battery's voltage gets drawn down by that heavy current. To be technical, we blame that on the "internal resistance" inside the battery. It can't be avoided, but that current causes a drop in voltage, and we would like that to be no more than 3.0 volts. That's pretty easy to achieve with a good, fully-charged battery. The actual goal is to have no less than 9.6 volts at the starter to make it run fast enough for the engine to start running. The problem is there is always a little loss in the two cables and in the mechanical connections.

An older GM or Ford starter would draw around 300 amps to get started spinning. A fully-charged battery starts out at 12.6 volts. If we use "Ohm's Law", one of the 12 formulas says "resistance equals voltage divided by amps", R=V/A. R = 12.6 / 300 = .042 ohms. There's a good three to five ohms just in the meter leads themselves, so it's easy to see .042 ohms is way too small to be measured with our digital meters. However, we can measure the results of that resistance. In this case, we might start out with one meter lead right on the battery's positive post, and the other probe on the cable clamp on that post. Logic dictates the reading should be 0.0 volts because those are two adjacent points in the same circuit, and in fact, you will read 0.0 volts, . . . until a helper tries to crank the engine. That is when the current flow will cause a voltage to be dropped across any undesirable resistance in that mechanical connection. The industry standard is 0.2 volts, during cranking, across any one mechanical joint, (connection), and no more than 0.4 volts total for that entire half of the circuit. For most cars you only have the positive cable connection at the battery post, and a second one at the starter solenoid. While the solenoid's switching contacts are in that circuit too, we don't include them because they are usually impossible to get to with the meter. On the negative side, again, there's only two connections, one at the battery's post and one on the engine block.

Older Fords are the notable exception. You still have the mechanical connection at the battery's positive post, then the other end of that cable bolts to the solenoid on the inner fender. Now we include the two sets of contacts inside the solenoid. Next, another cable bolts to the second high-current terminal on the solenoid, and the other end bolts to the starter. Now there's six mechanical connections in the positive side of the circuit. We're still allowed no more than 0.2 volts drop across any one of those connections, and still no more than 0.4 volts in total. That means you could find only 0.1 volt dropped across each connection, which by themselves would be okay, but the total of 0.6 volts would slow that starter down a lot.

Here's where my story finally has meaning. Suppose you're trying to diagnose that common slow-cranking starter on a Ford. If you were to use standard voltage measurements, you would start at the battery with the voltmeter's negative probe right on the negative post, and the red probe on the positive post. Your helper cranks the engine just long enough for you to get the reading. It's 11.0 volts. Now you move the positive probe to the positive cable clamp. The engine is cranked for a few seconds, and you find 10.9 volts. That connection is okay. We typically do not count a terminal that is crimped onto the end of a cable as one of the mechanical connections because corrosion or some other problem with a cable will show up in these tests anyway.

Move the red probe to the stud on the fender-mounted solenoid, not the terminal that is bolted to it. Crank the engine and take another reading. Now you find 10.8 volts. Go to the stud on the other side, take a reading, then move the probe to the terminal bolted to that stud. To move this sad story along, we'll say you find 10.6 volts at both places. The last place is the stud down on the starter, not the terminal bolted to it. Here you find 10.5 volts.

You started with 11.0 volts at the battery, and ended up with 10.5 volts at the starter. The industry standard is no more than a 0.4 volt loss in that half of the circuit, but there's two problems that haven't entered in yet. The first one is each measurement took about five seconds of cranking time, so the battery has been running down. By the time you took the reading at the starter, the battery might have only been supplying 10.7 volts, so you really have a total loss of only 0.2 volts, which is acceptable.

The second problem is starting trouble commonly occurs in the first few cold winter days, so when the vehicle is brought into the shop, the battery is cold. Batteries work through a chemical reaction, and those always slow down in cold temperatures. As the engine is being cranked, the high current causes the plates and electrolyte to heat up a real lot. That makes the battery more able to supply the needed current without as much internal voltage drop. By the time you work your way down to the starter, the battery might be supplying 11.4 volts during cranking, especially when that heat has time to work its way around in between cranking attempts.

So there's two problems with taking a pile of voltage readings and then calculating the differences. Too much cranking time can run the battery down, or it can heat it up and raise the voltage it can supply. Each of these variables makes this type of testing pretty much worthless except for the most serious of defects.

The better way to do this is with those voltage drop tests. Put one meter probe on the battery's positive post, and the other one on the stud on the starter. Now take a single reading when your helper cranks the engine. You'll be measuring the total of all the voltage drops at the same time, under the same conditions, so all the variables are eliminated. If you find 0.4 volts or less, you're done in the positive half of the circuit. Should you find too much voltage drop, that is the time to take individual readings to locate the high resistance. For my story, we'll say there's a 0.5 volt drop when you have one probe on the battery's positive post and the other probe on that cable clamp. If this is the older V-8 starter that draws 300 amps to get started spinning, according to Ohm's Law, "R=V/A", R = 0.5 / 300 = 0.001666 ohms. That very tiny resistance is way too small to measure, but it's easy to measure the results of that resistance, the 0.5 volts. This would tell us that connection needs to be cleaned and tightened.

It's important to remember this type of testing is mainly valuable in high-current circuits. It's too hard to get to all the connections in your heater fan circuit to be of value.

To finish the Ford starter story, suppose we do find only 0.3 volts dropped in the entire positive half of the circuit, but we still have very slow cranking. Move the meter probe from the battery's positive post over to the negative post. Move the other probe from the starter terminal to the engine block. Crank the engine, and you find a reading of 3.6 volts. The most you're allowed in that half of the circuit is 0.4 volts, so obviously 3.6 volts is too high. There's only two mechanical connections in this half of the circuit. Leave the meter probe on the engine block, and put the second one right on the terminal bolted to it, at the end of the negative battery cable. Here you find 0.0 volts during cranking, so it is okay. Place a probe on the negative battery post and the other one right next to it on the cable clamp. Here you find just 0.1 volt, which is also okay. The last step is to leave the probe on the cable clamp, and put the other one on the terminal that's bolted to the block. Here you find 3.5 volts. In fact, a common cause of slow cranking is the strands of wire are corroded away from the terminal where it's hidden from view under the cable's insulation.

Notice for most of these I didn't specify whether to use the red or black probe at a certain point. It can be figured out, but there's no point. We're interested in the voltage reading, not the polarity, so just disregard the minus sign if it shows up.

If it helps, you can equate this to searching for an obstruction in a compressed air line. You have 100 psi everywhere in the system around your shop as long as everything at the end of the hoses is turned off and no air is flowing. Once you open a line and try to run a sander, the pressure at the end of the hose drops to almost nothing. You could install pressure gauges at a dozen places in the piping, then you'd still find 100 psi everywhere up to that obstruction, then much less pressure after that obstruction, but only when air is trying to flow. In this sad example, you find 100 psi all the way up to a hard-to-see valve, and 20 psi after it while your helper is trying to run the sander. Some goofball turned the valve off when he needed to replace a ruptured hose, then he failed to open the valve all the way after the repair was completed. That partially-closed valve is the resistance to current flow, (air flow), so it caused a drop in air pressure, similar to a drop in voltage, (electrical pressure).

Here again, we have the variables caused by taking multiple gauge readings at different times. Each time you hollered to the helper to turn on the sander, some air was used up from the tank, so supply pressure began to drop, just like the battery's voltage dropped during the course of multiple cranking attempts. Pressure gauges compare pressure at a point to atmospheric pressure. Atmospheric pressure is the equivalent of ground in electrical systems. If you could visualize a pressure gauge that has one side connected close to one side of the valve, like before, and the other side connected to the other side of the valve instead of to atmospheric pressure, it would be performing a pressure drop test across the restriction. You start with 100 psi at the tank, and have 20 psi after the valve, so the gauge would read 80 psi. In actual practice, it's not practical to go drilling all kinds of holes in the piping around the shop, but the concept is exactly the same when we do voltage drop tests.

I know you probably don't need it, but here's a link to an article about voltmeters that might give you more ideas:

https://www.2carpros.com/articles/how-to-use-a-voltmeter
Dec 3, 2019 at 3:05 PM
Avatar
WAYNEPAW
  • MEMBER
  • 49 POSTS
Hi Caradio, if your goal was to add to the confusion, you’ve certainly succeeded.
Dec 3, 2019 at 3:45 PM
Avatar
WAYNEPAW
  • MEMBER
  • 49 POSTS
I didn’t get the chance to look at any readings today. My Jeep was in shop for alignment and I didn’t get back to it until this evening. I may have to wait until Saturday to do so.
Dec 3, 2019 at 3:46 PM
Avatar
ASEMASTER6371
  • CERTIFIED EXPERT
  • 52,796 POSTS
Keep us updated.

Roy
Dec 3, 2019 at 4:30 PM
Avatar
WAYNEPAW
  • MEMBER
  • 49 POSTS
Will do Roy. Thanks.
Dec 3, 2019 at 4:34 PM
Avatar
ASEMASTER6371
  • CERTIFIED EXPERT
  • 52,796 POSTS
Anytime.

Roy
Dec 3, 2019 at 4:38 PM
Avatar
WAYNEPAW
  • MEMBER
  • 49 POSTS
Here’s an update Roy. I’m beginning to it's blower motor that’s bad. Now when it kicks in it’ll run on high for 20 to 30 seconds then slow down. A few minutes later, same thing. Also I’m wondering if I may have a bad actuator for the blend door. I don’t know how it’s related. whenever I make a left hand turn, that heater motor blows faster.
Dec 5, 2019 at 11:16 AM
Avatar
WAYNEPAW
  • MEMBER
  • 49 POSTS
Caradio, did you get this message too? I was thinking I had to send it to both you fellas separately. If you did get it let me know. Thanks Caradio! And thanks Roy!
Dec 5, 2019 at 11:20 AM
Avatar
WAYNEPAW
  • MEMBER
  • 49 POSTS
Blower motor is also beginning to make a noise.
Dec 5, 2019 at 11:21 AM
Avatar
ASEMASTER6371
  • CERTIFIED EXPERT
  • 52,796 POSTS
I would replace the blower motor.

Roy
Dec 5, 2019 at 11:29 AM
Avatar
WAYNEPAW
  • MEMBER
  • 49 POSTS
Yup, I’m looking to do it Saturday. What do you think about the actuator ?
Dec 5, 2019 at 11:31 AM
Avatar
ASEMASTER6371
  • CERTIFIED EXPERT
  • 52,796 POSTS
One thing at a time.

Roy
Dec 5, 2019 at 11:41 AM
Avatar
WAYNEPAW
  • MEMBER
  • 49 POSTS
Ha! Yeah but, if that’s not it I’m still without heat!
Dec 5, 2019 at 11:47 AM
Avatar
ASEMASTER6371
  • CERTIFIED EXPERT
  • 52,796 POSTS
The blower will not effect the actuator.

Roy
Dec 5, 2019 at 11:50 AM
Avatar
WAYNEPAW
  • MEMBER
  • 49 POSTS
Okay. Why would blower run faster when I make a left hand turn?
Dec 5, 2019 at 11:57 AM
Avatar
ASEMASTER6371
  • CERTIFIED EXPERT
  • 52,796 POSTS
That could be from a voltage change from the charging system. The charge rate runs from 14 to 14.5. It could also be the blower motor itself.

Roy
Dec 5, 2019 at 12:04 PM
Avatar
WAYNEPAW
  • MEMBER
  • 49 POSTS
Well thanks Roy! I’ve got to hang a door. I’ll get back to you a little later.
Dec 5, 2019 at 12:09 PM
Avatar
ASEMASTER6371
  • CERTIFIED EXPERT
  • 52,796 POSTS
You are welcome.

Roy
Dec 5, 2019 at 12:15 PM
Avatar
WAYNEPAW
  • MEMBER
  • 49 POSTS
Well, here is my next idea Roy. If nothing I do works. I have a shower fan/heater. I’ll buy an AC inverter and hook that thing up. I’ll have to make a small plenum for it. The question I have is , could I duct that into the heater box?
Dec 5, 2019 at 1:29 PM
Avatar
ASEMASTER6371
  • CERTIFIED EXPERT
  • 52,796 POSTS
Replace the blower motor first and let us see what happens .

Roy
Dec 5, 2019 at 1:38 PM
Avatar
WAYNEPAW
  • MEMBER
  • 49 POSTS
I will give it a shot.
Dec 5, 2019 at 1:45 PM
Avatar
ASEMASTER6371
  • CERTIFIED EXPERT
  • 52,796 POSTS
Okay.
Dec 5, 2019 at 1:46 PM
Avatar
CARADIODOC
  • CERTIFIED EXPERT
  • 34,306 POSTS
My bet is on an overheated terminal. The motor will slow down because of tight bearings or reduced voltage. I don't think I've ever heard of tight bearings being intermittent in this way. I've seen motors gradually run faster as they warm up and the grease in the bearings softens, but they wouldn't slow down after they've been running a while. The symptom then would be a loud squeal from the armature's shaft vibrating in the bearings. Most commonly when the bearings are tight, any electric motor will draw excessive current, and in this system it will cause the thermal fuse built into the resistor assembly to burn open.

When you have a blackened / overheated pair of mating terminals, they commonly intermittently add some resistance to the circuit, and just like the resistor assembly that's intended to add resistance, that reduces current flow which slows the motor. If you start out with some resistasnce in the circuit, then a little pressure gets exerted on an overheated terminal when you go around a corner and a wiring harness shifts a little, its resistance could change, resulting in the motor speed changing. The engine approaching idle speed when cornering could do this too because all generators are very inefficient at low speeds. System voltage will drop a little, so it stands to reason the fan motor would slow down.

Let me offer a suggestion if a new motor doesn't solve the problem. I'd like to monitor the voltage to the fan motor while you're driving, then see what happens when the motor's speed changes, but this presents another problem. A good, fully-charged battery will develop 12.6 volts. Charging systems must develop between 13.75 and 14.75 volts, but of course, that's only when the engine is running, and usually not until it reaches 1500 to 2000 rpm. At idle, you can expect system voltage to drop to closer to 13.0 volts, and less if a lot of other high-current circuits are turned on. For that reason, if the voltage feeding the heater fan circuit drops from 14.6 volts, for example, to 13.2 volts, it stands to reason the voltage right at the fan motor is going to drop too. That makes this test invalid except in really severe situations, but that's because the readings are being taken in reference to ground. Instead, measure in relation to the positive side of the battery. This can be done for the whole circuit, but when the results indicate an undesirable loss of voltage somewhere, all you'll know is it's somewhere in that entire circuit. This test works better when you already have a suspect connector terminal, or you have it narrowed down to just a small part of the circuit.

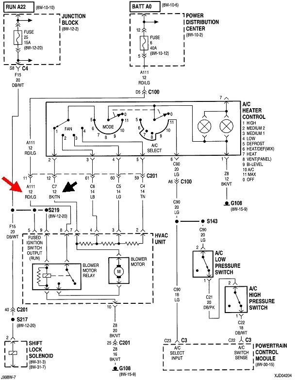
A dandy place where this would work is at the two arrows in this diagram. Between them are the relay contacts and the fan motor. While you're driving and while you're not fiddling with the speed switch, the fan motor should run at a constant speed, and the voltage between these two points should not change. If charging system output voltage changes, it is going to cause corresponding voltage changes at both places where you have the meter probes, so those two changes will cancel each other out. The engine speed variable has been eliminated. Now when the motor slows down, see what the voltage changes to. If it stays roughly the same, the cause has to be before or after where the two probes are in the circuit. On the other hand, if the relay's contacts are arcing and getting hot, they would add a lot of resistance, and you'd measuring the resulting "voltage drop" across them as a greatly-increased voltage. Voltage shown on the meter goes up, yet the motor slowed down. This type of test can be done at every individual connection or component, but it is very time-consuming. That's why we rarely do it on customers' cars where we have to charge by the hour. Plus, they won't appreciate us test-driving their cars for hours or days until the problem acts up. I would do this on my own vehicles to avoid buying unneeded parts.

If this doesn't make sense, think of it as we normally measure voltage "at" a point in the circuit, or we measure "at" multiple points, then calculate the difference. This test is measuring "between" two points, or "across" a component. That way multiple variables are cancelled out so we don't have to take them into consideration, and we're already reading the difference in voltage without having to calculate it from two individual readings.
Dec 5, 2019 at 3:25 PM
Avatar
WAYNEPAW
  • MEMBER
  • 49 POSTS
Hi Caradio, so can I check this at the control panel in dash?
Dec 5, 2019 at 4:02 PM
Avatar
WAYNEPAW
  • MEMBER
  • 49 POSTS
Hello Caradio and ASE Roy! An update for you fellows. New blower motor is in and working fine!!! Yoo-hoo!!!
Dec 7, 2019 at 11:15 AM
Avatar
ASEMASTER6371
  • CERTIFIED EXPERT
  • 52,796 POSTS
Good, I figured it was something simple.

Roy
Dec 7, 2019 at 11:21 AM
Avatar
WAYNEPAW
  • MEMBER
  • 49 POSTS
I’m glad that it was! Thank you very much for your help Roy! Greatly appreciated!! If I ever have any other problems or questions, I’ll be sure to look you fellas up. Merry Christmas to you and family!
Dec 7, 2019 at 11:27 AM
Avatar
ASEMASTER6371
  • CERTIFIED EXPERT
  • 52,796 POSTS
Thank you.

Same to you and yours.

Roy
Dec 7, 2019 at 11:35 AM
Avatar
CARADIODOC
  • CERTIFIED EXPERT
  • 34,306 POSTS
Happy to hear you solved it, but in the meantime, I'll keep on looking over here for the problem.
Dec 7, 2019 at 2:51 PM
Avatar
WAYNEPAW
  • MEMBER
  • 49 POSTS
Okay Caradio, let me know what you find. Thanks for your help in the matter. Merry Christmas to you and family!
Dec 7, 2019 at 7:04 PM
Avatar
WAYNEPAW
  • MEMBER
  • 49 POSTS
Hello Caradio and ASE Roy, while my heater is working fine, I have a question. Since I have a shower fan/heater could I use that as an add-on to my existing heat system? Just a thought.
Thanks!
Dec 11, 2019 at 10:56 AM
Avatar
ASEMASTER6371
  • CERTIFIED EXPERT
  • 52,796 POSTS
No, do not use that fan at all. It will be too much draw on the system and it will cause harness issues.

Roy
Dec 11, 2019 at 12:06 PM
Avatar
WAYNEPAW
  • MEMBER
  • 49 POSTS
Hey Roy, I was going to get an ac inverter and wire that up.
Dec 11, 2019 at 12:33 PM
Avatar
ASEMASTER6371
  • CERTIFIED EXPERT
  • 52,796 POSTS
You are going to tax the alternator.

You can do what you wish, but I advise against it. It will cause issues with your electrical system.

Roy
Dec 11, 2019 at 12:45 PM
Avatar
WAYNEPAW
  • MEMBER
  • 49 POSTS
Okay, I’ll let it go as is. I’ll heed your advice. Thanks Roy!
Dec 11, 2019 at 12:49 PM
Avatar
ASEMASTER6371
  • CERTIFIED EXPERT
  • 52,796 POSTS
You are welcome.

I always err on the side of safety.

Roy
Dec 11, 2019 at 12:51 PM
Avatar
WAYNEPAW
  • MEMBER
  • 49 POSTS
Yeah, I hear ya there and being as I just got my heat going, no sense messing with it.
Dec 11, 2019 at 1:19 PM
Avatar
ASEMASTER6371
  • CERTIFIED EXPERT
  • 52,796 POSTS
I agree.

Roy
Dec 11, 2019 at 1:20 PM