Engine cranks but will not start?

1999 HONDA ACCORD
180,000 MILES • 2.3L • 4 CYL • 2WD • AUTOMATIC
Advertisement
Avatar
JACOBANDNICKOLAS
  • CERTIFIED EXPERT
  • 110,175 POSTS
Hi,

That shouldn't prevent if from starting. It will, however, cause issues with fuel usage and how the vehicle runs.

As far as the no start, here is a link that covers the most common causes of a crank no start condition. First, take a look through it to see if it is helpful.

https://www.2carpros.com/articles/car-cranks-but-wont-start
Wwe
If nothing there is helpful, the next thing you need to do is check if it is getting spark and fuel to the engine. Here are two links showing in general how that is done:

https://www.2carpros.com/articles/how-to-check-fuel-system-pressure-and-regulator

https://www.2carpros.com/articles/how-to-test-an-ignition-system

What I do often times is just see if it will start for a couple seconds using starting fluid. If it starts and then stalls, that indicates a fuel related issue.

Now, if you have both spark and fuel, there could be an issue with timing or compression. We will cross that bridge once the above tests have been made.

Please feel free to let me know if you have questions or need help.

Take care,
Joe
Sep 28, 2020 at 5:04 PM (Merged)
Avatar
CHRIS W CARNEY
  • MEMBER
  • 1 POST
The car has shown signs of fuel malfunctions. The car delays on start wen warm and now does not start at all. I changed the main relay, distributor, and check fuses to fuel pump. I am getting fuel pressure, but car is not cranking. The check engine light is on but it is been and car been driving fine. Any help because I am tired of buying parts for nothing.
Sep 28, 2020 at 5:04 PM (Merged)
Advertisement
Avatar
HMAC300
  • CERTIFIED EXPERT
  • 48,601 POSTS
scan for codes and check fuel pressure with a gauge auto parts rent it if you do not have your own. it may be a security system problem as well so try a reset see links

https://www.2carpros.com/articles/how-to-reset-a-security-system

https://www.2carpros.com/articles/how-to-check-fuel-system-pressure-and-regulator



 
Subject: Knock knock 2017 Versi
Sep 28, 2020 at 5:05 PM (Merged)
Avatar
STEVE W.
  • CERTIFIED EXPERT
  • 15,113 POSTS
Pull the codes and post them. If the light has been on you will not know if it is one code or ten. Could have a simple EVAP code that turned on the light earlier, but the symptoms of hot start problems sound like a crank sensor issue and would turn on the light, which was already on.
Sep 28, 2020 at 5:05 PM (Merged)
Avatar
MTURCOTTE
  • MEMBER
  • 1 POST
sometimes i cant start car and here is what it does. the motor cranks over but wont start. everytime this happens this occurs. when I put my foot on the brake with the key in the ON position the button on my shifter wont engage and allow me to put it in gear as it normally would. when it allows me to push button in on shifter cars starts right away.
Sep 28, 2020 at 5:05 PM (Merged)
Avatar
KHLOW2008
  • CERTIFIED EXPERT
  • 41,814 POSTS
Hi mturcotte,

Seems the ignition switch is causing the problem

Call the dealer to check out if your vehicle is listed under the recall for ignotion switches.
Sep 28, 2020 at 5:05 PM (Merged)
Avatar
DEVINDC
  • MEMBER
  • 13 POSTS
Hello, my car won’t start it will turn over but, won’t crank. I'm only getting spark in one spark plug wire, and I just replaced wires, plugs, and the distributor.
Sep 28, 2020 at 5:05 PM (Merged)
Avatar
JACOBANDNICKOLAS
  • CERTIFIED EXPERT
  • 110,175 POSTS
Hi,

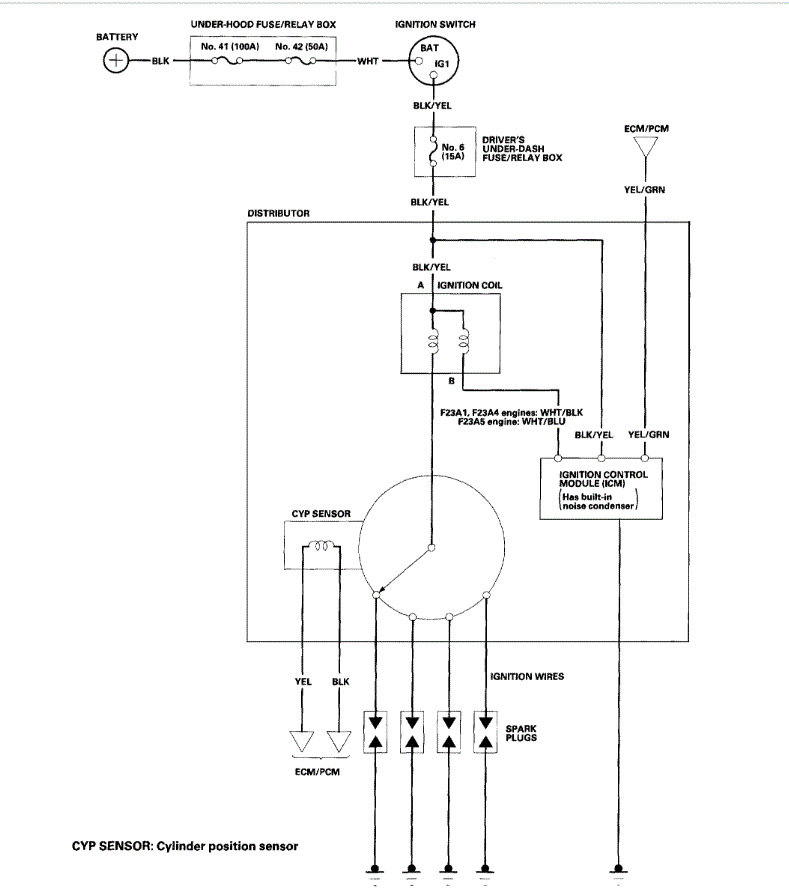
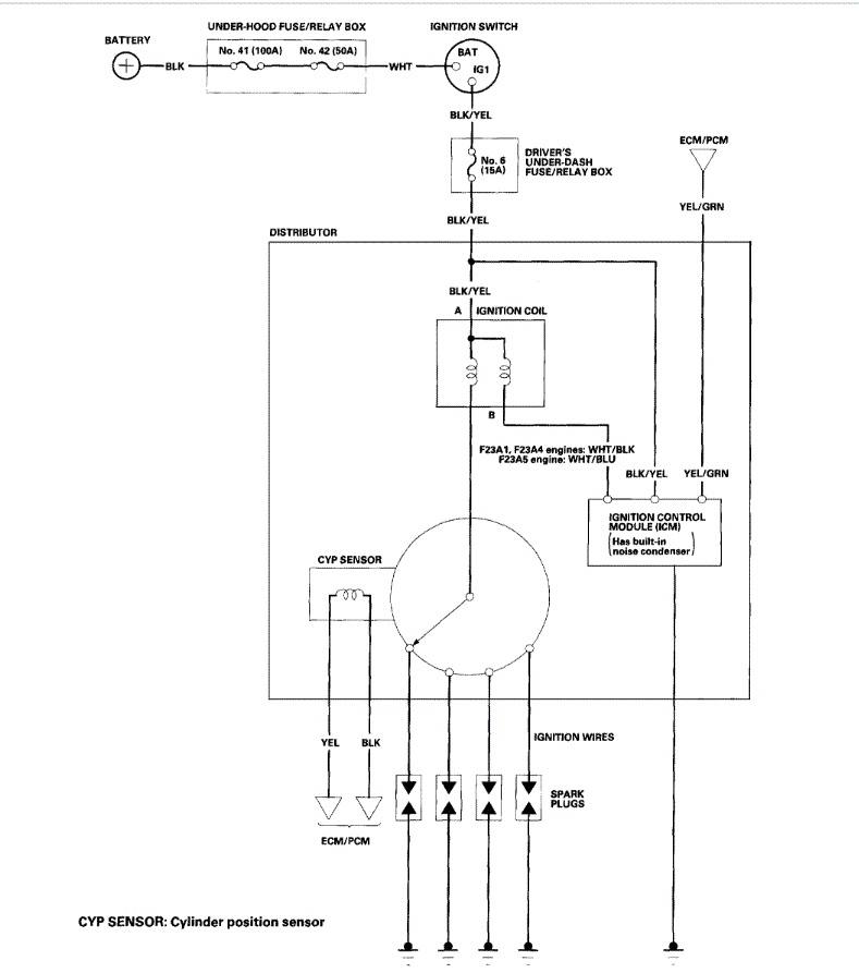
Chances are the ignition control module has failed. That is where I would start checking. Here are the diagnostics related to it. The attached pics correlate with the directions. The very last pic is a schematic for the ignition system.

___________________________________________

1999 Honda Accord LX Sedan L4-2254cc 2.3L SOHC (VTEC) MFI
Component Tests and General Diagnostics
Vehicle Powertrain Management Relays and Modules - Powertrain Management Relays and Modules - Ignition System Ignition Control Module Testing and Inspection Component Tests and General Diagnostics
COMPONENT TESTS AND GENERAL DIAGNOSTICS
NOTE:
- If the malfunction indicator lamp (MIL) comes on, refer to the Fuel and Emission System.
- Perform an input test for the ignition control module (ICM) after finishing the fundamental tests for the ignition system and the fuel and emissions systems.
- The tachometer should operate normally if the ICM is OK.

1. Remove the distributor ignition (DI) cap, the distributor ignition (DI) rotor, and the leak cover.

F23A1 and F23A4 2.3L SOHC VTEC

pic 1

F23A5 2.3L SOHC Non-VTEC

pic 2

2. Disconnect the wires from the ICM (A).
3. Turn the ignition switch ON (II). Check for voltage between the BLK/YEL wire and body ground. There should be battery voltage.

- If there is no battery voltage, check the BLK/YEL wire between the ignition switch and the ICM.
- If there is battery voltage, go to step 4.

4. Turn the ignition switch ON (II). Check for voltage between the WHT/BLK (WHT/BLU for the F23A5 engine) wire and body ground. There should be battery voltage.

- If there is no battery voltage, check:
- ignition coil.
- WHT/BLK (WHT/BLU for the F23A5 engine) wire between the ICM and ignition coil.
- If there is battery voltage, go to step 5.

5. Disconnect the 25P connector from the ECM/PCM, and check for continuity on the YEL/GRN wire between the ICM and ECM/PCM. There should be continuity.
6. Check for continuity on the YEL/GRN wire to body ground. There should be no continuity.
7. If all the tests are normal, reconnect the ECM/PCM 25P connector B, and replace the ICM.

_________________________________________________________

Let me know what you find

Joe
Sep 28, 2020 at 5:05 PM (Merged)
Avatar
DEVINDC
  • MEMBER
  • 13 POSTS
Okay, so the ignition control module can go bad even in a new distributor? I replaced the whole distributor.
Sep 28, 2020 at 5:05 PM (Merged)
Avatar
JACOBANDNICKOLAS
  • CERTIFIED EXPERT
  • 110,175 POSTS
I didn't realize it was new. When I read it, I assumed it was the cap. Anything is possible. Is it doing the same thing as it was before the new distributor?
Sep 28, 2020 at 5:05 PM (Merged)
Avatar
DEVINDC
  • MEMBER
  • 13 POSTS
Yes, it is was doing the same thing with the old one too.
Sep 28, 2020 at 5:05 PM (Merged)
Avatar
JACOBANDNICKOLAS
  • CERTIFIED EXPERT
  • 110,175 POSTS
Okay. The last thing I can think of is the crankshaft position sensor and top dead center (TDC) sensor. The TDC controls ignition timing when starting and the crank sensor controls ignition and injection timing when running. Have you replaced that as well? If not, can you get a live data scanner? If so, see if there is an RPM reference on the scan tool when cranking the engine. If there isn't, replace these two items. Here are the directions:

______________________________________________

1999 Honda Accord EX Coupe L4-2254cc 2.3L SOHC (VTEC) MFI
Procedures
Vehicle Powertrain Management Sensors and Switches - Powertrain Management Sensors and Switches - Computers and Control Systems Crankshaft Position Sensor Service and Repair Procedures
PROCEDURES
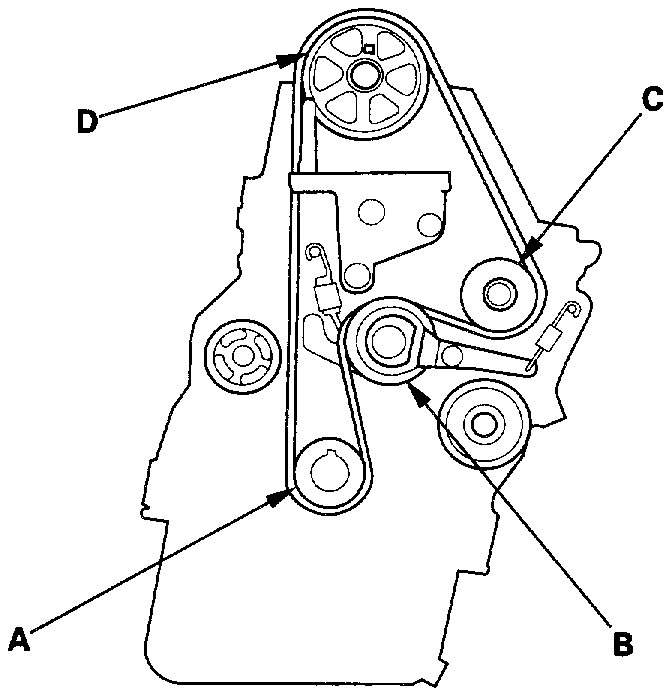
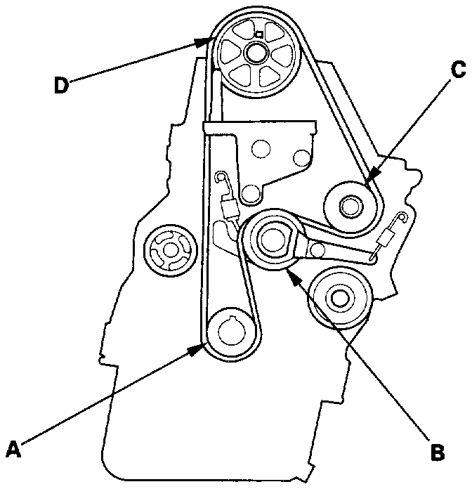
1. Remove the balancer belt.
2. Remove the balancer belt drive pulley.


pic 1


3. Disconnect the CKP/TDC sensors connector (A), then remove the CKP/TDC sensors (B).
4. Install the CKP/TDC sensors in reverse order of removal.
5. Install the balancer belt.
________________________

Let me know what you find.

Joe
Sep 28, 2020 at 5:05 PM (Merged)
Avatar
DEVINDC
  • MEMBER
  • 13 POSTS
Okay i will check that. thank you
Sep 28, 2020 at 5:05 PM (Merged)
Avatar
JACOBANDNICKOLAS
  • CERTIFIED EXPERT
  • 110,175 POSTS
Let me know what you find. Hopefully that is the issue.

Take care,
Joe
Sep 28, 2020 at 5:05 PM (Merged)
Avatar
DEVINDC
  • MEMBER
  • 13 POSTS
I did get a mechanic to check it out. He said it’s a black box under the driver dash that delivers fuel to the fuel lines and it's connected to a wire running from the fuel pump. It is getting fuel in the lines but not to the motor or something like that. I don’t know if he knew what he was talking about because i can never get back in touch. but could that be it.
Sep 28, 2020 at 5:05 PM (Merged)
Avatar
JACOBANDNICKOLAS
  • CERTIFIED EXPERT
  • 110,175 POSTS
Hi,

There is nothing under the dash that delivers fuel. There are no fuel lines in the vehicle passenger compartment. I have no idea what he means. Have you checked for fuel pressure? Also, I thought there was an issue with only having spark to one of the spark plugs, which has nothing to do with the fuel system.

Did he give you a receipt indicating anything?

Joe
Sep 28, 2020 at 5:05 PM (Merged)
Avatar
DEVINDC
  • MEMBER
  • 13 POSTS
It is a issue with spark. i think he just didn’t know what he was doing and just was saying, and checking anything. When he checked the fuel pressure fuel came out like I said i can never get in contact with him so he probably just didn’t know what it was. I'm just going to check the crankshaft position sensor to see if that’s the problem.
Sep 28, 2020 at 5:05 PM (Merged)
Avatar
JACOBANDNICKOLAS
  • CERTIFIED EXPERT
  • 110,175 POSTS
I have to agree with you. If he said there is something under the dash that sends fuel to the engine, I question what he was doing.

Let me know what you find with the sensors.

Joe
Sep 28, 2020 at 5:05 PM (Merged)
Avatar
DEVINDC
  • MEMBER
  • 13 POSTS
Hello, i found out it was just a timing belt and we are replacing it hope it didn’t bend valve.
Sep 28, 2020 at 5:05 PM (Merged)
Avatar
JACOBANDNICKOLAS
  • CERTIFIED EXPERT
  • 110,175 POSTS
Hi,

If you tell me if the engine is a 2.2L and if it's a v-tec or not, I can get you all the directions and timing marks for you.

I have to be honest, this is an interference engine. There could be internal damage. Give me the specifics regarding the engine so I can help. You listed it as a 2.7 and that isn't an engine size they made. I just need to confirm what you have.

Let me know.

Joe
Sep 28, 2020 at 5:05 PM (Merged)
Avatar
DEVINDC
  • MEMBER
  • 13 POSTS
It’s a 2.3L vtec.
Sep 28, 2020 at 5:05 PM (Merged)
Avatar
JACOBANDNICKOLAS
  • CERTIFIED EXPERT
  • 110,175 POSTS
Hi,

Here are the directions. The attached pics correlate with the directions.

_____________________________

1999 Honda Accord EX Sedan L4-2254cc 2.3L SOHC (VTEC) MFI
Removal and Installation
Vehicle Engine, Cooling and Exhaust Engine Timing Components Timing Belt Service and Repair Procedures Removal and Installation
REMOVAL AND INSTALLATION
REMOVAL

Special Tools Required
- Holder Handle 07JAB-001020A
- Holder Attachment, 50 mm, Offset 07MAB-PY3010A
- Socket, 19 mm 07JAA-001020A or a commercially available 19 mm socket

1. Make sure you have the anti-theft code for the radio, then write down the frequencies for the radio's preset buttons.
2. Disconnect the battery negative terminal first, then the positive terminal.


pic 1


3. Turn the crankshaft pulley so its Top Dead Center (TDC) mark (A) lines up with the pointer (B).
4. Remove the front tires/wheels.


pic 2


5. Remove the splash shield.


pic 3


6. Loosen the mounting bolts (A), then remove the Power Steering (P/S) belt (B).


pic 4


7. Disconnect the alternator wire harness.
-1 Pull up the lock (A), then release the wire harness tie (B).
-2 Pull back the boot and remove the 6 mm nut (C).
-3 Disconnect the connector (D) from the alternator.
8. Remove the alternator.
9. Remove the alternator bracket.
10. Support the engine with a jack and wood block under the oil pan.


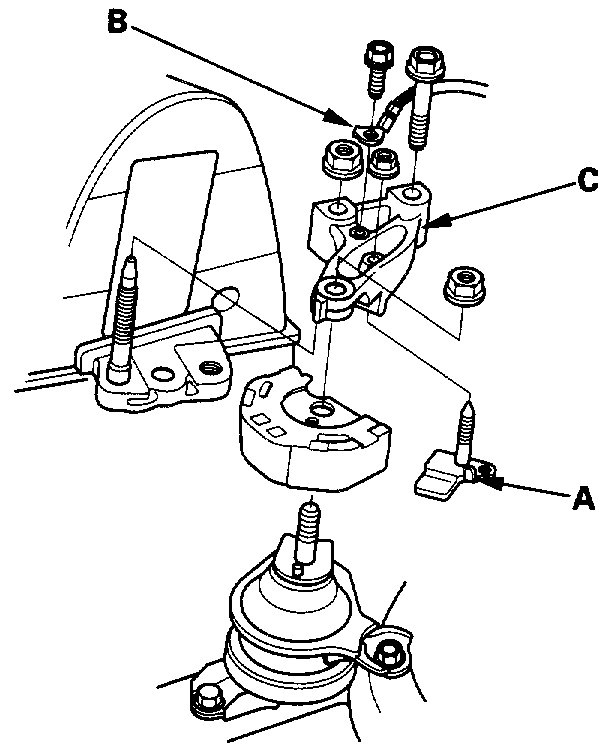
pic 5


11. Remove the stop (A) and ground cable (B), then remove the upper bracket (C).
12. Remove the cylinder head cover.


pic 6


13. Remove the upper cover.


pic 7


14. Remove the dipstick and tube (A). Discard the O-ring (B).


pic 8


15. Hold the pulley with the special tools.
16. Remove the bolt with a heavy duty 19 mm socket (A) and breaker bar.


pic 9


17. Remove the rubber seal from the adjusting nut, then remove the lower cover.
18. If you are removing only the balancer belt, go to step 19. If you are removing both the balancer belt and the timing belt, go to step 20.


pic 10


19. Release tension from the balancer belt:
-1 Install a 6 mm bolt (A)(from the timing cover) through the hole in the end of the timing belt adjuster arm to temporarily lock the arm in place.
-2 Loosen the adjusting nut (B) 2/3 - 1 turn.
-3 Push the tensioner (C) up to take tension off the balancer belt.
-4 Retighten the adjusting nut (B).


pic 11


20. Release tension from the balancer belt and the timing belt:
-1 Loosen the adjusting nut (A) 2/3 - 1 turn.
-2 Push the balancer belt tensioner (B) up to take tension off the balancer belt.
-3 Push the timing belt tensioner (C) down to take tension off the timing belt.
-4 Retighten the adjusting nut (A).
21. Remove the balancer belt.
22. Remove the timing belt.

INSTALLATION

Special Tools Required
- Holder Handle 07JAB-001020A
- Holder Attachment, 50 mm, Offset 07MAB-PY3010A
- Socket, 19 mm 07JAA-001020A or a commercially available 19 mm socket

NOTE:
- If you are installing the timing belt and the balancer belt, go to step 1.
- If you are installing only the balancer belt, go to step 7.

1. Remove and clean the balancer belt drive pulley.
2. Clean the timing belt pulleys, and the upper and lower timing cover.


pic 12


3. Set the crankshaft to Top Dead Center (TDC). Align the dimple (A) on the tooth of the timing belt drive pulley with the pointer (B) on the oil pump.


pic 13


4. Clean the camshaft pulley and set it to TDC.
-1 The "UP" mark (A) on the camshaft pulley should be at the top.
-2 Align the TDC grooves (B) on the pulley with the top edge of the head.


pic 14


5. Install the timing belt in a counterclockwise sequence, starting with the drive pulley.
-1 Drive pulley (A).
-2 Tensioner pulley (B).
-3 Water pump pulley (C).
-4 Camshaft pulley (D).
6. Loosen and retighten the adjusting nut to tension the timing belt.
7. Clean any oil off both faces of the balancer belt drive pulley.
8. Check the lower cover rubber seal for cracks and other damage.

NOTE:
- If the rubber seal is coming off, apply liquid gasket to the lower cover and reinstall the rubber seal. Wipe off any liquid gasket that is pressed out.
- When replacing the rubber seal, clean the lower cover groove, cut the repair rubber seal to length, and put the rubber seal into the groove evenly.

9. Install the balancer belt drive pulley and the lower cover.
10. Temporarily install the crankshaft pulley and bolt.
11. Rotate the crankshaft pulley five or six turns counterclockwise to seat the timing belt on the pulleys.


pic 15


12. Adjust the belt tension.
-1 Loosen the adjusting nut (A) 2/3 - 1 turn.
-2 Rotate the crankshaft counterclockwise three teeth on the camshaft pulley (B).
-3 Tighten the adjusting nut to 44 Nm (4.5 kgf.m, 33 ft. lbs.).


pic 16


13. Turn the crankshaft pulley so its TDC mark (A) lines up with the pointer (B).


pic 17


14. Check the camshaft pulley marks.
- If the camshaft pulley marks are also at TDC, go to step 15.
- If the camshaft pulley marks are not at TDC, remove the timing belt and repeat steps 3, 4 and 5.
15. Remove the crankshaft pulley and the lower cover.
16. Turn the crankshaft to TDC again.
17. Lock the timing belt adjuster arm in place with one of the 6 mm timing cover bolts.
18. Loosen the adjusting nut 2/3 - 1 turn, and make sure the balancer belt tensioner moves freely. Then push the tensioner up and retighten the adjusting nut.


pic 18


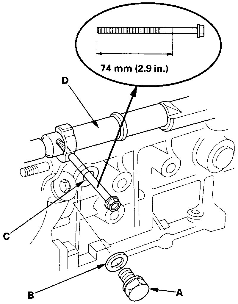
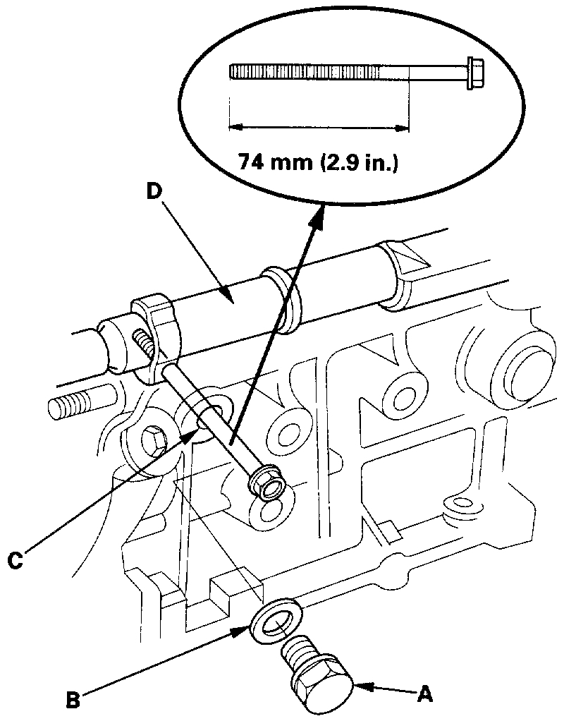
19. Align the rear balancer shaft pulley with a 6 x 100 mm bolt (or equivalent).
-1 Remove the bolt (A) and washer (B) from the maintenance hole (C).
-2 Scribe a line on a 6 x 100 mm bolt, 74 mm (2.9 in) from the end.
-3 Insert the bolt in the maintenance hole and into the hole in the balancer shaft (D) up to the line you scribed.


pic 19


20. Align the groove (A) on the front balancer shaft with the pointer (B) on the oil pump housing as shown.
21. Install the balancer belt. Loosen the adjusting nut 2/3 - 1 turn to tension the balancer belt. Retighten the bolt.
22. Remove the 6 x 100 mm bolt from the maintenance hole and reinstall the sealing bolt. Tighten the bolt to 29 Nm (3.0 kgf.m, 22 ft. lbs.).
23. Adjust the balancer belt.
-1 Temporarily reinstall the crankshaft pulley.
-2 Loosen the adjusting nut 2/3 - 1 turn.
-3 Turn the crankshaft pulley one turn counterclockwise, then tighten the adjusting nut.
24. Remove the 6 mm bolt from the timing bolt adjuster arm.
25. Check the lower cover rubber seal for cracks and other damage.

NOTE:
- If the seal is coming off, reattach it with liquid gasket. Wipe off any excess liquid gasket.
- When replacing the seal, clean out the groove in the cover, cut the repair strip to length, and press the new piece into the groove.

26. Remove the crankshaft pulley and reinstall the lower cover.
27. Install the rubber seal around the adjusting nut.
28. Clean the crankshaft pulley bolt and washer.


pic 20


29. Clean all oil off the inside face (A) of the crankshaft pulley, and apply lubricant to the pulley bolt (B) and washer (C).


pic 21


30. Install the crankshaft pulley, and tighten the bolt to 245 Nm (250 kgf.m, 181 ft. lbs.) using the special tools.


pic 22


31. Install the dipstick and tube (A) with a new O-ring (B).


pic 23


32. Install the upper cover.
33. Install the cylinder head cover.
34. Install the alternator bracket.
35. Install the alternator.
36. Connect the alternator harness.
37. Install and adjust the power steering pump belt.
38. Install and adjust the alternator belt.


pic 24


39. Install the upper bracket (A), then tighten the bolt and nuts in the numbered sequence shown.
40. Install the stop (B).
41. Install the battery. Clean the battery posts and cable terminals with sandpaper, then assemble them and apply grease to prevent corrosion.
42. Enter the anti-theft code for the radio, then enter the customer's radio station presets.

_______________________________

Just a couple notes. I would recommend replacing both the timing belt and balancer shaft belt. Also, this is the time to replace the water pump because it is driven by the timing belt. However, I hate to have you spend the money only to find there is internal engine damage. That one is up to you to decide.

I hope this helps. Let me know how things turn out for you or if you have other questions.

Take care,
Joe
Sep 28, 2020 at 5:05 PM (Merged)
Avatar
DEVINDC
  • MEMBER
  • 13 POSTS
Hello, i got it fixed it's running smoothly, but won’t stay crank without spraying starter fluid. it’s basically not getting gas. not sure why is that.
Sep 28, 2020 at 5:05 PM (Merged)
Avatar
JACOBANDNICKOLAS
  • CERTIFIED EXPERT
  • 110,175 POSTS
Hi,

When you say it isn't getting fuel, do you mean there is no fuel pressure at the fuel rail or there is fuel pressure, but it's not getting into the engine via the injectors?

If you are not sure, here are two links. One will explain in general how to check for pressure and the other discusses how to check for an injector pulse.

https://www.2carpros.com/articles/how-to-check-fuel-system-pressure-and-regulator

https://www.2carpros.com/articles/how-to-test-a-fuel-injector

Let me know.
Joe
Sep 28, 2020 at 5:05 PM (Merged)
Avatar
HONDARACER69
  • MEMBER
  • 1 POST
My 99 honda accord lx cranks won't start one day after turning the psi up on the turbo we went for a test hit an it ran fine when turning around an comin bavk to the shop it just died its been a month since then with me an many friends an countless hrs of online research an it still sits in the shop I have repkaced the entire distributor , main relay, plugs, wires, timing belt, ecu, ignition, o2 sensors, igniton switch, all fuses, I've done a compression test its 150psi on every cylinder no oil on plugs I've checked power an ground to distributor is good all power an grounds inside it fuel pressure is at 55 psi evert thing is good I recently did find that the cam gears key ground off an shaved an littel bit of the cam shaft down I have replaced cam gear an timed it with new belt there is spark at coil but won't get to plugs I'm so frustraded at this point every weekend I can't race cuz it won't start please help
Sep 28, 2020 at 5:06 PM (Merged)
Avatar
HMAC300
  • CERTIFIED EXPERT
  • 48,601 POSTS
scan for codes if you can if none found check cam and crank resistance if they are high might be the cause. if you have anti theft try resetting that or if key type try a different key.
Sep 28, 2020 at 5:06 PM (Merged)
Avatar
THIS IS MIKE
  • CERTIFIED EXPERT
  • 686 POSTS
Follow up from: Hondaracer69

Brand new ecu an ignition an key no active or pending codes compression tests 150 psi exact on every cylinder
Sep 28, 2020 at 5:06 PM (Merged)
Avatar
HMAC300
  • CERTIFIED EXPERT
  • 48,601 POSTS
have you tried to reset your anti theft? if you have spark at the coil but not at the plugs then it's has to be either a bad wire/connection or bad rotor or dist cap is the power going to coil a light spark or a good one? have you tried replacing pgm relay with a like relay and finally is this an ultra low emission engine or has this been modified in any way.
Sep 28, 2020 at 5:06 PM (Merged)
Avatar
AGENT99CATS
  • MEMBER
  • 1 POST
Hi. Last night I got gas, drove the car to an event stayed for an hour. When i got back to the car it wouldn't start. After about a half hour it finally started but it was running rough. I did manage to get home which was 4 miles. As i was driving when i came to a stop the car would shudder. The next morning I tried to start it up again and it will start, then shudder, shake wildly, then shut off. I also see white smoke coming from the air filter compartment. Can you help me??? Desperate Deborah
Sep 28, 2020 at 5:07 PM (Merged)
Avatar
KHLOW2008
  • CERTIFIED EXPERT
  • 41,814 POSTS
Hi Deborah,

The symptoms described does not give us much to work with.

Did the Check Engine Lamp show while driving?
White smoke emission from the air filter? That could possibly mean a misfiring cylinder and/or leaking intake valves.

When did you last checked the spark plugs?
Sep 28, 2020 at 5:07 PM (Merged)
Avatar
BRANDJOH216
  • MEMBER
  • 2 POSTS
I went out to start my car which I drive daily, luckily I only had to move it to do an oil change and was not in a hurry to get somewhere. When I went to start it, all it did was crank. I never got it started, tried pumping the gas a little, switched the plug wires with some other ones I happened to have for it, the green key button and CEL both come on upon turning the key, does anyone have any idea what the problem may be?
Sep 28, 2020 at 5:08 PM (Merged)
Avatar
BRANDJOH216
  • MEMBER
  • 2 POSTS
Also, the other day I was pulling into a parking lot and I had to wait for a car to move and while the car was in drive, but not moving it died.
Sep 28, 2020 at 5:08 PM (Merged)
Avatar
STRAILER
  • CERTIFIED EXPERT
  • 53,854 POSTS
It could be one of two things, fist does the engine sounds normal when cranking it over? if not it could be a timing belt that has let go, next those engine had big problems with the distributor failing.

Here is a guide that will help you see what it going on.

https://www.2carpros.com/articles/car-cranks-but-wont-start

Please let us know what you find so it will help others.

Best, Ken
Sep 28, 2020 at 5:08 PM (Merged)
Avatar
NANNYOGG
  • MEMBER
  • 3 POSTS
1999 EX V6 Accord, 111,000 miles, one owner (me), no problems for 8 years except for an alternator (fixed about 4 years ago). Timing belt and water pump changed at 95K.

About two months ago the car started to have a start problem. It would start normally but if I put it in drive or let it sit for 10-15 seconds all the lights on the dashboard would light up and the engine would die quietly. After 3 or 4 tries it would start and run ok for a couple of weeks. One thing I noticed is when it dies after the start - it idles very roughly and the car shakes noticebly. If I let it sit for a minute or two and it does not die the shakes would go away and it would run fine.

Took it to the dealer - replaced the battery and positive charge cable (corroded), it ran for a week, had a coupe of same start problems, then ran for another month without a hickup.

Recently it started dying after the start again (still intermittently) so the mechanic I trust says it's no use trying to diagnose a problem if it's not there when he is looking at it. On top of it he is between two garages now, so nowhere to take her to take a look.

Another problem developed about two weeks ago, and I don't know if it is related to the start problem or this is a totally separate issue.

After 5-7-10 miles on a highway the fan would continue to run after I turn off the engine. This morning the temperature gauge climbed all the way to red H after a five minute trip on a highway. I eased off the gas pedal (from 65 mph to 58 ) and the temperature came down a bit, but when I got off the ramp it climbed all the way up again and stayed there regardless of speed. The coolant was almost completely gone, so I added more, but on the way back home (another 5-7 minute trip) it overheated again.

Tomorrow it goes to the dealer but I wanted to have at least some picture in my head before I hand over my monthly paycheck to the dealer.

Can the two problems be related?

Assuming the coolant was topped off less than 2 months ago and there are no visible leaks in the garage (there are none) where could the coolant have gone?

After I drove my poor Bessie with the needle stuck at H for a mile or two - should I be worried about cracks?

What could cause the overheating even with the freshly added coolant? If there are several possibilities - could you give me a ballpark figure for fixing each of them?

Thanks a lot in advance.
Sep 30, 2020 at 11:33 AM (Merged)
Avatar
2CARPRO JACK
  • CERTIFIED EXPERT
  • 11,533 POSTS
Well, if Bessie is loosing coolant without visible leaks, running rough on cold start and overheating then I would have her tested for blown head gaskets.
Sep 30, 2020 at 11:33 AM (Merged)
Avatar
NANNYOGG
  • MEMBER
  • 3 POSTS
[quote:61a14f9af1="2CarPro Jack"]Well, if Bessie is loosing coolant without visible leaks, running rough on cold start and overheating then I would have her tested for blown head gaskets.[/quote:61a14f9af1]

Thanks a lot for the answer!

So you think the stalling is unrelated?

It only runs rough sometimes (a couple of times in two-three weeks). Can a blown head gasket manifest itself intermittently?

Also, could you help with a ballpark figure for the repairs in case it is the head gasket? From what I read here sometimes people get rediculous quotes from mechanics, so a general idea of how much this might costs is really helpful.

TIA.
Sep 30, 2020 at 11:33 AM (Merged)
Avatar
NANNYOGG
  • MEMBER
  • 3 POSTS
Well, the jury is back and it has the verdict. Coolant was poring out through a water pump (replaced 14K ago) or through some manufacturing-related plugs in the engine behind the waterpump (if the above makes little sense - I plead ignorance, I am just repeating the mechanic's words). The latter explanation seems to be unlikely according to both the service rep and the guy who actually performed the test.

Paid extra hundred for a leakdown test which came out fine, according to the same service guy. Hopefully, replacing the waterpump, although costly, will keep my dear Accord running for some time. We'll see tomorrow. If there are more unpleasant surprises I'll certainly share them here.

Thanks for your help.
Sep 30, 2020 at 11:33 AM (Merged)
Avatar
FREEWILL07
  • MEMBER
  • 4 POSTS
Hope everything turned out O.K. Save the CAR!!!! ;)
Sep 30, 2020 at 11:33 AM (Merged)