My engine will not crank over?

2013 FORD F-150
70,000 MILES • 5.0L • V8 • 4WD • AUTOMATIC
Avatar
ATOM469
  • MEMBER
  • 2 POSTS
Battery is five months old, tested and works fine.Electrical light has been coming on for a few months. If I do not start it every few days I need to jump it first to start. I normally drive it everyday, therefore, it has started. I drove it less then twenty four hours ago, now today it is the first time that it took less then twenty four hours for it not to start.I can turn the key forward, when I try to start it, it will try and start (click click click) but will not turn over. As soon as I put the portable charger on it, it starts up no issue.Any thoughts?
Oct 24, 2018 at 3:02 PM
Advertisement
Avatar
CJ MEDEVAC
  • CERTIFIED EXPERT
  • 11,004 POSTS
These guides can help us fix it

https://www.2carpros.com/articles/starter-not-working-repair

and

https://www.2carpros.com/articles/car-battery-load-test

Please run down these guides and report back.

Maybe you have an abnormal parasitic draw on your system, that is if normal draws over a long period time are "normally" sucking your battery out. We may get into that possibility if below does not help.

Ok, lets do the basics 1st before we throw blame elsewhere.

Grab your battery clamps on the battery posts, can you forcibly twist, pull, make it move the clamp on of the battery using your hand?

If you have aftermarket (regular ole) clamps whereas a 2 hole strap holds the cable to the clamp. Let's "left and right" the cable forcibly. Does the copper on the other side of the strap move? (it should not!)

Your starter solenoid (now days called a starter relay) body should be bolted on to a good clean ground (fender)

Now for the good part, I always try to shorten this but get the message through.

Clean the battery posts and inside of the battery clamps. Tap them way down on the battery posts. Tighten well (your clamp should still have a gap when you are done, not the clamp ends touching and the bolt will go no further). (This depends on the type clamp you have)

Now follow the positive and negative cables from the battery and the starter.

Clean (or at least loosen and scooch the ends around) the cable ends and the posts they connect to. (both sides of the Solenoid, the starter connection (These all being the Hot cables) and check the ground from the negative battery cable. Tighten everything well.

Many folks halfheartedly do these things, they'll touch the items but never get in there on them!

Here's a link from our site (repair guides-top right of our pages)

https://www.2carpros.com/articles/everything-goes-dead-when-engine-is-cranked

Here's some pics I made

Keep us posted on progress,

The Medic
Oct 24, 2018 at 5:16 PM
Avatar
BMDOUBLE
  • CERTIFIED EXPERT
  • 1,139 POSTS
By electrical light do you mean the battery light? if so you may have an alternator issue. Another rare issue that I have found with parasitic draw on the battery is faulty wire splice connections near the engine fuse box at the right front radiator support. The last one I had you could hear the relays clicking when I would move the wire harness that goes down from the fuse box. Just something to be aware of.
Oct 30, 2018 at 1:03 PM
Advertisement
Avatar
ATOM469
  • MEMBER
  • 2 POSTS
Thank you for the information. What is the easiest way to tell if the alternator is bad? I bought a new alternator a while back assuming this was the issue.
Oct 30, 2018 at 5:00 PM
Avatar
CJ MEDEVAC
  • CERTIFIED EXPERT
  • 11,004 POSTS
This is from "Repair Guides", top right of our pages.

https://www.2carpros.com/articles/how-to-check-a-car-alternator

Read it all, "Step 2" is going to tell the most.

Let us know if the guide explained it well and your results.

The Medic
Oct 30, 2018 at 5:29 PM
Avatar
BILLYWITCHMD
  • MEMBER
  • 1 POST
The lights will come on but it won't turn.
May 30, 2021 at 3:43 PM (Merged)
Avatar
JACOBANDNICKOLAS
  • CERTIFIED EXPERT
  • 110,175 POSTS
Hi,

This could be a couple of things, so I'm going to go through a few checks first.

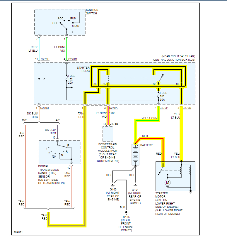
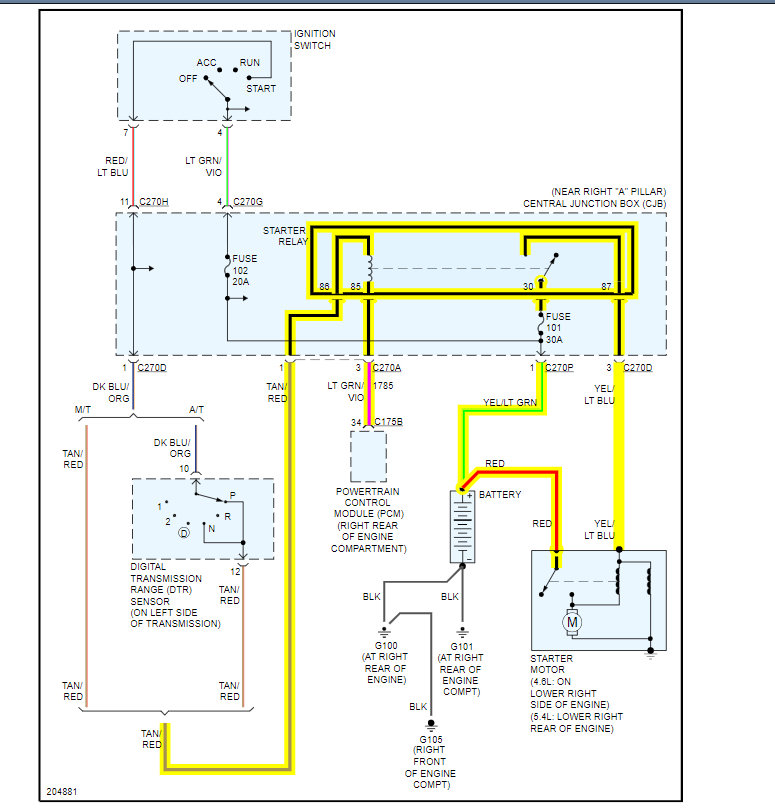
I attached a couple pics below. The first one is from the starting system wiring schematic. I highlighted two fuses I want you to check. In addition to checking the fuse condition, confirm there is power to them.

The fuses are located in the vehicle under the dash, left side. I highlighted the fuses to check in pic 2.

Here is a link you may find helpful:

https://www.2carpros.com/articles/how-to-check-a-car-fuse


Let me know what you find.

Joe
May 30, 2021 at 3:43 PM (Merged)
Avatar
STYMIEJAMES
  • MEMBER
  • 2 POSTS
Battery, lights, radio, etc., all seem to work fine. when i turn the key, i hear one click then nothing.
May 30, 2021 at 3:44 PM (Merged)
Avatar
ASEMASTER6371
  • CERTIFIED EXPERT
  • 52,796 POSTS
Good afternoon,

The first thing is to check the battery voltage and the cables. Make sure they are clean and tight. All the other items may work but the starter requires more voltage than the smaller items.

https://www.2carpros.com/articles/car-battery-load-test

https://www.2carpros.com/articles/everything-goes-dead-when-engine-is-cranked

I would start there. You may have a low battery.

Roy
May 30, 2021 at 3:44 PM (Merged)
Avatar
STYMIEJAMES
  • MEMBER
  • 2 POSTS
It was the battery thank you.
May 30, 2021 at 3:44 PM (Merged)
Avatar
FRAN16.X
  • MEMBER
  • 3 POSTS
My truck won’t start sometimes and I have no light on my dashboard indicating there is a problem with my battery or engine. Also, when it doesn’t turn on there isn’t a noise at all, but everything inside the truck turns on but the engine doesn’t.
May 30, 2021 at 3:44 PM (Merged)
Avatar
KASEKENNY
  • CERTIFIED EXPERT
  • 18,907 POSTS
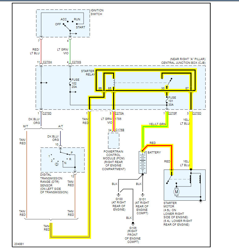
Clearly we would need to do some testing to confirm this but I have seen this before on these trucks. This is normally one of a couple things. First and foremost is the digital transmission range sensor. Basically this sensor tells the PCM what position the transmission is in when trying to start the vehicle. Basically it says if in park or neutral it allows voltage to the PCM to show it is ok to start the engine. There are times when this sensor is beginning to fail that it doesn't give the proper voltage and the PCM thinks it is in something other then park or neutral. This is a system that needs to have the correct voltage to start and anything else will be a no start.

If you put the vehicle in Drive and then try to crank the engine does it act the same as when this issue happens? All dash lights come on but the engine doesn't turn over? This is not a confirmation that this is the issue but the PCM doesn't know the difference so if it is acting the same then that is where I would start.

The next most common failure is the starter relay. However, this will normally have a clicking with it. If you hear no clicking then this is most likely not the issue. However, if you want to just swap the relay with another next time it happens and it still does it then that will confirm it is not the issue.

I attached the info about these systems. If it were me, due to this being an intermittent issue, I would just replace the relay and the TRS because they are not that expensive and not that hard of repairs. You will need an alignment tool when installing the TRS but this is explained in the info.

Let me know if you have questions and we can go from there. Thanks
May 30, 2021 at 3:44 PM (Merged)
Avatar
BRANDONB
  • MEMBER
  • 1 POST
If I drive my truck for 5 plus minutes then turn it off it won't start. No crank, all electronics come on. Once cooled off it starts just fine. Only happens when it is hot outside I never have issues when temperatures are cooler. I have replaced the starter, checked for corrosion, swapped relays, and checked fuses. Like I said it only happens when hot after driving.
May 30, 2021 at 3:44 PM (Merged)
Avatar
ASEMASTER6371
  • CERTIFIED EXPERT
  • 52,796 POSTS
Good morning,

I would start with checking the battery and the connections. A weak battery or dirty connections will cause this issue.

https://www.2carpros.com/articles/car-battery-load-test

https://www.2carpros.com/articles/everything-goes-dead-when-engine-is-cranked

I would also check for voltage to the starter solenoid when it does not start to verify the available voltage.

https://www.2carpros.com/articles/how-to-check-wiring

https://www.2carpros.com/articles/how-to-use-a-voltmeter

Roy
May 30, 2021 at 3:44 PM (Merged)
Avatar
SANDTRAP
  • MEMBER
  • 2 POSTS
Son did reverse polarity in the truck listed above (ex). It won't even crank over. Here one click in fuse box. Checked all fuses. They are good after I replaced radio fuse and cigarette lighter fuse. Had friend test battery it is good. Tried switching pm relay with another . Still nothing. Any suggestions?
May 30, 2021 at 3:44 PM (Merged)
Avatar
DANNY L
  • CERTIFIED EXPERT
  • 5,648 POSTS
Hello, I'm Danny.

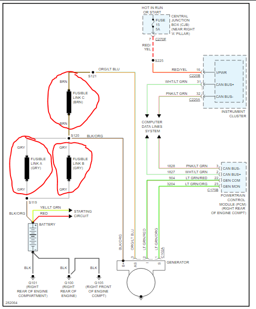
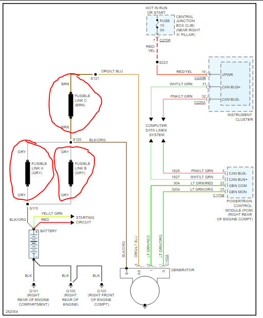
Your truck has 3 fusible links that will melt when the battery is hooked up backwards.I would suspect they melted (doing its job) to prevent damage to the electrical system. The links are in the alternator circuit.Here is a tutorial showing how to test wiring:

https://www.2carpros.com/articles/how-to-check-wiring

I've attached a picture below of the fusible link circuit circled in red and its location.Hope this helps and thanks for using 2CarPros.

Danny-
May 30, 2021 at 3:44 PM (Merged)
Avatar
SANDTRAP
  • MEMBER
  • 2 POSTS
What is this connector that goes either the fusible links. It showed nothing on amp meter. Is it related to starter?
May 30, 2021 at 3:44 PM (Merged)
Avatar
DANNY L
  • CERTIFIED EXPERT
  • 5,648 POSTS
Hello again.

The grey color fusible links will be spliced into the black/orange striped wires coming from the battery and going to the alternator. It will look like similar to the picture I've attached below Hope this helps .
Danny.
May 30, 2021 at 3:44 PM (Merged)
Avatar
MIKE FLYNN
  • MEMBER
  • 0 POST
I have a bad connection on the fuse box for the starter and fuel pump relays. The fuse box on the passenger side I have been from time to time had to tap on it to get the truck to start. I think there is some sort of lose connection or a bad connection. Now I can only get the truck to turn over but will not start. That is why I think I may have a problem with the fuse box connection.
Any help would be greatly appreciated.
May 30, 2021 at 3:44 PM (Merged)
Avatar
DANNY L
  • CERTIFIED EXPERT
  • 5,648 POSTS
Hello, I'm Danny.

These guides can help us fix it

https://www.2carpros.com/articles/starter-not-working-repair

and

https://www.2carpros.com/articles/car-battery-load-test

Please run down these guides and report back.

Just to add a little help to your question I've attached a picture below of the under hood power distribution box you've been tapping on. In case of a bad connection , faulty fuse , or faulty relay I've circled in red the possible fault points. Fuse location #9 is the fuel pump relay fuse. Fuse #101 is the starter relay fuse. Relay #01 is the starter solenoid relay.Here is a few tutorials on how to check a fuse and relays:

https://www.2carpros.com/articles/how-to-check-a-car-fuse

https://www.2carpros.com/articles/how-to-check-an-electrical-relay-and-wiring-control-circuit

Check out the diagrams (Below). Please let us know what you find. We are interested to see what it is.
May 30, 2021 at 3:44 PM (Merged)
Avatar
LOGAN SNYDER
  • MEMBER
  • 1 POST
My truck will start some days and others it will not. Only way I can get it to crank if it will not is by bridging the 12v constant and the trigger posts on the starter to send electricity to the solenoid. It’s like the trigger wire isn’t receiving any power at all. Replaced the battery, starter, transmission range sensor, and the starter wire.
May 30, 2021 at 3:44 PM (Merged)
Avatar
ASEMASTER6371
  • CERTIFIED EXPERT
  • 52,796 POSTS
Good afternoon,

I attached a wiring diagram for you to view. Check the fuse listed for power with the key on.

https://www.2carpros.com/articles/how-to-check-wiring

https://www.2carpros.com/articles/how-to-use-a-voltmeter

I attached the location of the relay for you as well. In the start position, you have power at 86 with the key in the start position.

https://www.2carpros.com/articles/how-to-check-an-electrical-relay-and-wiring-control-circuit

Jump 30 and 87 and see if the truck cranks.

Roy
May 30, 2021 at 3:44 PM (Merged)
Avatar
ALLISONRAMSAY
  • MEMBER
  • 3 POSTS
I turn key, nothing. Turn again, one unh sound. Another turn, woodpecker clicking sound under dash. Another turn, unh-pause-unh-pause-unh unh-then it turns over and starts. Sometimes it starts in ten seconds, sometimes thirty seconds. Usually I am nervous if it will start at all. I use the truck to haul horses. First few times it did this, I tried to boost truck because I thought battery was drained. It was not. Thoughts?
May 30, 2021 at 3:44 PM (Merged)
Avatar
DANNY L
  • CERTIFIED EXPERT
  • 5,648 POSTS
Hi, I am Danny.
It does sound like you are having a battery issue. Have you had the battery load tested? Even though it might seem good they can be defective. You might want to consider having the charging system tested as well, mainly the alternator. The alternator should be putting out 13 to 15 volts with engine running to keep the battery charging. Having those two things working properly will ensure consistent starts/reliability all the time. I have attached a few tutorials for you to view. Hope this helps and let me know if you have any further questions.
Danny-

https://www.2carpros.com/articles/car-battery-load-test

https://www.2carpros.com/articles/how-to-check-a-car-alternator
May 30, 2021 at 3:44 PM (Merged)
Avatar
ALLISONRAMSAY
  • MEMBER
  • 3 POSTS
Thanks, Danny. I hooked a battery charger to the truck and it shut off and showed full charge after five minutes but truck was again stubborn to start. I am going to video the starting to help and I will post that later today. It is my farm truck for hauling hay, straw, feed and horses and I only put about two to three thousand miles a year on the truck. Would an engine scan help at all or is that mostly for engine issues? It did not pick up compression problems in my last car so I am skeptical. Thanks, again.
May 30, 2021 at 3:44 PM (Merged)
Avatar
ALLISONRAMSAY
  • MEMBER
  • 3 POSTS
Audio for starting issue attached.
May 30, 2021 at 3:44 PM (Merged)
Avatar
CJ MEDEVAC
  • CERTIFIED EXPERT
  • 11,004 POSTS
It sounds like the ignition switch is bad
May 30, 2021 at 3:44 PM (Merged)
Avatar
DKC 326
  • MEMBER
  • 2 POSTS
When I turn key hear one click at fuse panel and one click back of cab assume is fuel pump. Had battery tested. Good. Checked all fuses and relays, all good. Replaced starter and solenoid. Still no crank no start. Unable to pull any codes using OBD2, says communication error. Any ideas of what to check next?
May 30, 2021 at 3:45 PM (Merged)
Avatar
JACOBANDNICKOLAS
  • CERTIFIED EXPERT
  • 110,175 POSTS
Hi and thanks for using 2CarPros.com.

Do not laugh, but the most common issue people have (based on your description) is a corroded or loose battery terminal. Basically, they will make contact until a heavy load is placed on them and then the connection fails. This could also include a loose or corroded ground at the engine block or positive at the starter. With that being said, there are two things I want you to check. First, what I have just described. Second, I need to know if there is power to the solenoid (smaller wire) in the starter when the key is in the start position. Here are two links that show how to do it. Do this and let me know the results.

https://www.2carpros.com/articles/everything-goes-dead-when-engine-is-cranked

https://www.2carpros.com/articles/starter-not-working-repair

Let me know what you find.

Take care,
Joe
May 30, 2021 at 3:45 PM (Merged)
Avatar
DKC 326
  • MEMBER
  • 2 POSTS
Battery post are clean, power to solenoid and starter is good.
May 30, 2021 at 3:45 PM (Merged)
Avatar
JACOBANDNICKOLAS
  • CERTIFIED EXPERT
  • 110,175 POSTS
Now that the basics are out of the way.
The guide below on testing relays.
https://www.2carpros.com/articles/how-to-check-an-electrical-relay-and-wiring-control-circuit

The wiring diagram for the starting circuit in your truck is attached below. Let us know if you need anything else.
May 30, 2021 at 3:45 PM (Merged)
Avatar
ITCHYFINGER
  • MEMBER
  • 2 POSTS
The truck randomly will not start. Stick the key in twist and all the lights cone on the dash. Turn it and nothing happens. Lights don’t dim or go away. Other times it starts perfectly. Weather doesn’t seem to be a factor.

The shop I took it to replaced/reprogrammed keys, the halo rfid reader in the column and reprogrammed all of the modules according to them. The also combed through the harness and fuse block and didn’t find any problems. Someone suggested I change the starter so that was done. I have played with the gear selector to see if a park safety switch could be the problem. I even parked it. Started it again in the evening and didn’t touch the shifter, then tried again in the morning and it wouldn’t start. Tried starting it in neutral, this didn’t help either.
I have owned this truck since new in 2005. I have never had issues with the starter.

Some history... it is on its second motor. It’s been in there for about 5 years. It came out of a 2001 Mustang and we had to change the flex plate. The aftermarket ones kept breaking, and we replaced with a junkyard new one that has been fine ever since. Motor runs well, with an oil leak from the pan.
May 30, 2021 at 3:45 PM (Merged)
Avatar
BMDOUBLE
  • CERTIFIED EXPERT
  • 1,139 POSTS
Go to your central junction box behind the passenger side kick panel, make sure all of the connectors are fully latched! I have had many come into my dealership with unlatched connectors due to the passenger's foot hitting it just right. These guides can help us fix it

https://www.2carpros.com/articles/starter-not-working-repair

and

https://www.2carpros.com/articles/car-battery-load-test

Check out the diagrams (Below). Let us know what happens and please upload pictures or videos of the problem.
May 30, 2021 at 3:45 PM (Merged)
Avatar
ITCHYFINGER
  • MEMBER
  • 2 POSTS
So just check the seating of the relays?
May 30, 2021 at 3:45 PM (Merged)
Avatar
BMDOUBLE
  • CERTIFIED EXPERT
  • 1,139 POSTS
No the electrical connectors on the side of the fuse box. I've highlighted the ones that you should look at.
May 30, 2021 at 3:45 PM (Merged)
Avatar
JOSEPHWINKE
  • MEMBER
  • 1 POST
Engine will not crank, relay makes no noise when key is turned.
Starter/ignition relay have been swapped, also ignition/starter fuse's have been swapped, all function properly in other spots. When Key is turned from run to start radio/security shuts off, blower motor/lights stay on. But no crank or relay click. Display reads "CHECK GAUGES". Also engine and wrench warning lights are illuminated. Battery reads 13V. Truck didn't go into limp home mode prior to shutdown. What could it be?
May 30, 2021 at 3:45 PM (Merged)
Avatar
STRAILER
  • CERTIFIED EXPERT
  • 53,854 POSTS
It sounds like you have a starter motor that has gone out. To confirm the problem lets use a test light on the the big cable going to the starter. When the engine is cranked over the test light should light up. Also we should run the codes

Here is a guide to help you.

https://www.2carpros.com/articles/how-to-use-a-test-light-circuit-tester

This guide will give you an idea of what you are in for when doing the job.

https://www.2carpros.com/articles/how-to-replace-a-starter-motor

and

https://www.2carpros.com/articles/checking-a-service-engine-soon-or-check-engine-light-on-or-flashing

Here is a wiring diagram of the starter circuit check to see where you are loosing power if the starter checks out.

https://www.2carpros.com/articles/how-to-use-a-test-light-circuit-tester

Please let us know what happens.
May 30, 2021 at 3:45 PM (Merged)
Avatar
JAMES GARCIA
  • MEMBER
  • 1 POST
I am had the exact same issue it was the starter motor
May 30, 2021 at 3:45 PM (Merged)
Avatar
TONY COX
  • MEMBER
  • 2 POSTS
ford f150 Truck!!!!!! not a 500 car. 5.4v8 will not start. Terminals are clean and tight on starter and . . battery. . all power is on except the starter will not engage and showed no signs of any problem with starting before. Just dead, all electronic working full power. Is there a solnoid for the bendix? Where loocated. Is there a circuit breaker or relay to quit without warning?
May 30, 2021 at 3:45 PM (Merged)
Avatar
RASMATAZ
  • CERTIFIED EXPERT
  • 75,992 POSTS
Check the starter relay at C2163-see below

May 30, 2021 at 3:45 PM (Merged)
Avatar
KEYTAY1
  • MEMBER
  • 1 POST
Truck just quit running and now it will not restart head lights and flashers work, but radio and turn signals do not and will not come out of park.
May 30, 2021 at 3:45 PM (Merged)