Door Locks not working when pushed to open only the drivers door opens?

2004 TOYOTA CAMRY
93,000 MILES • 4 CYL • 2WD • AUTOMATIC
Avatar
MELTOFF
  • MEMBER
  • 1 POST
The door lock button will lock all 4 doors when pushed, but when pushed to open only the drivers door opens. Its the same with the remote. All doors will lock but only the drivers will open. I have changed the locking program to no avail. Occasionally, when driving the car and pushing the unlock button, all the doors will open. But the next time or two you lock the doors, only the drivers door opens automatically.
Jul 15, 2008 at 9:08 AM
Advertisement
Avatar
KHLOW2008
  • CERTIFIED EXPERT
  • 41,814 POSTS
Hi meltoff,

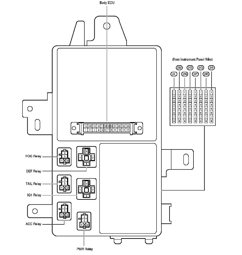
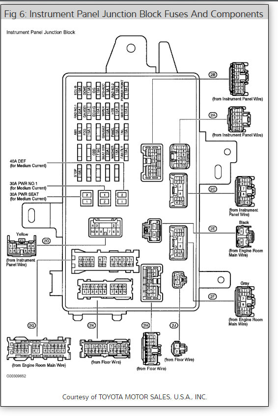
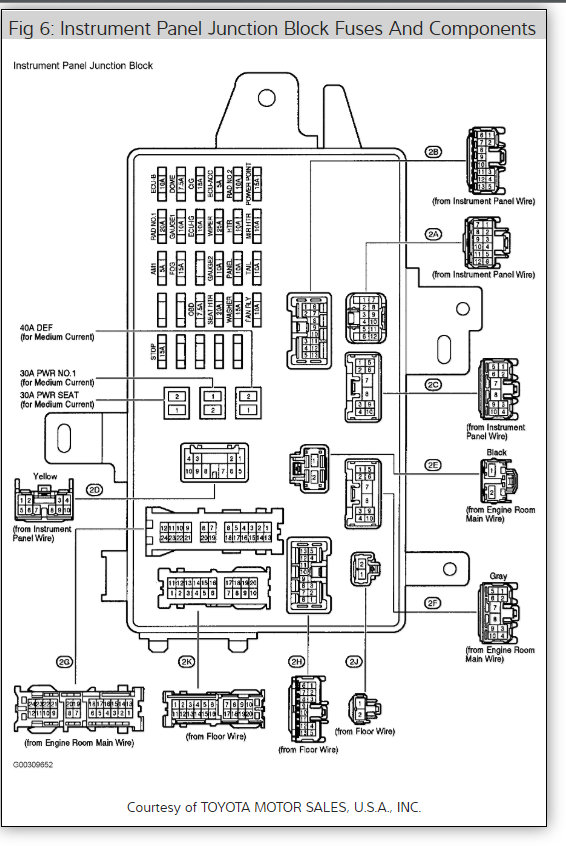
There are three fuses that run the system we need to check but it sounds like the BCM is out but to be sure here is a guide to show you how to check for power and the door lock wiring diagrams so you can see what to test and how the system works along with the fuse locations below.

https://www.2carpros.com/articles/how-to-check-a-car-fuse


Here is how you change out the BCM is it tests bad. You will need to have it programmed before it gets installed. Check out the diagrams (Below). Please let us know what you find. We are interested to see what it is.

Jul 15, 2008 at 12:06 PM
Avatar
ZANYJB
  • MEMBER
  • 1 POST
Thanks for this post I had the same problem and had to get a body ECU cost me $298.00 all fixed! I love this site.
Aug 12, 2019 at 5:44 PM
Advertisement
Avatar
HAR
  • MEMBER
  • 11 POSTS
Hi Team, I am looking for some help. I have the car listed above LE model. When I click lock using remote or driver seat master switch all doors get locked but when I click on unlock they don't unlock. I physically need to get into the car from driver side and unlock all the doors and then all the doors will get opened. I don't have much knowledge but I can learn.
Dec 17, 2020 at 12:11 PM (Merged)
Avatar
JACOBANDNICKOLAS
  • CERTIFIED EXPERT
  • 110,175 POSTS
Hi,

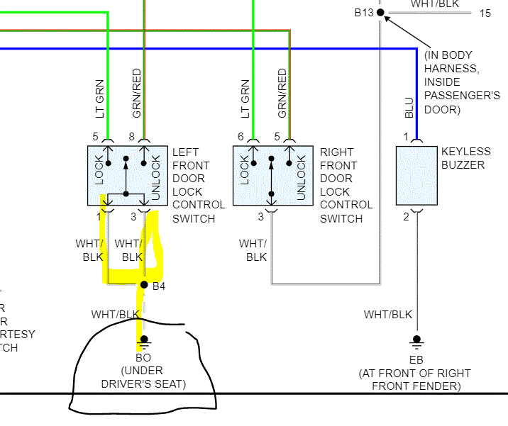
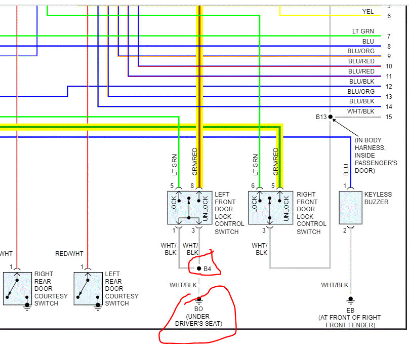
This is likely an issue with the wiring at the body control module. I will try to explain how it works. When you press lock, power flows one direction causing the actuators to react in a specific direction. When you press unlock, power flows in a different direction causing the opposite reaction by the actuator.

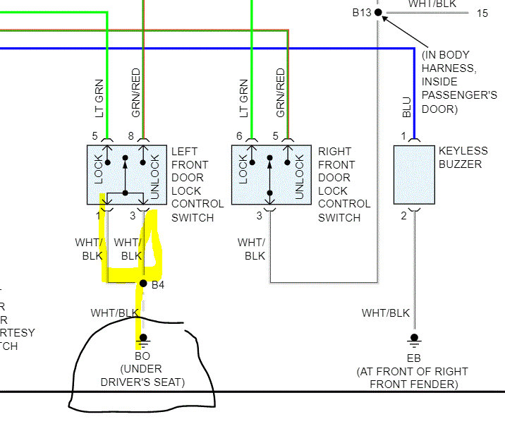
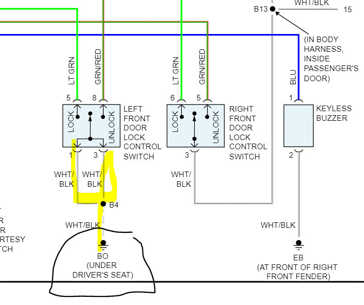
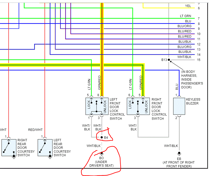
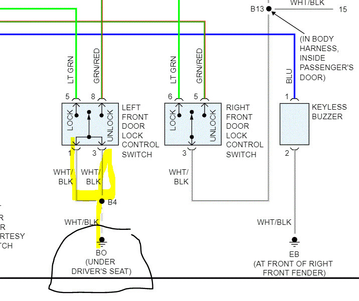
Now, if you look at the attached pics, I highlighted the wires that are responsible for unlocking the doors. They go from the switches to the body control module (pic 1). What needs to be done is to first check the connection at the BCM and make sure it is not loose or corroded where the plug attaches to it.

Next, see if there is power being sent to the switch via the wires highlighted. If there is power, then the ground, which has a splice in it, needs checked. Note that the ground is for both lock and unlock, but two wires go to one ground. They are spliced together. There is a chance that the unlock ground has failed but the lock ground is still good. (pic 2)

I know this sounds confusing, but let me know if you have questions or need help.

Take care,
Joe
Dec 17, 2020 at 12:12 PM (Merged)
Avatar
HAR
  • MEMBER
  • 11 POSTS
I still have questions. Appreciate your help.
Dec 17, 2020 at 12:12 PM (Merged)
Avatar
HAR
  • MEMBER
  • 11 POSTS
You asked me to check connection... can you guide where is the connection? I referred to manual but couldn’t find it.
Dec 17, 2020 at 12:12 PM (Merged)
Avatar
HAR
  • MEMBER
  • 11 POSTS
How to validate the unlock ground is not working?
Dec 17, 2020 at 12:12 PM (Merged)
Avatar
HAR
  • MEMBER
  • 11 POSTS
FYI, I checked all the fuses related to car automatic unlock and all looking good. I used test light to validate fuse.
Dec 17, 2020 at 12:12 PM (Merged)
Avatar
JACOBANDNICKOLAS
  • CERTIFIED EXPERT
  • 110,175 POSTS
Hi,

The body control module is located under the dash to the left of the steering column. Take a look at pic 1. Remember, before disconnecting or reconnecting the BCM, you should have the battery disconnected.

As far as testing for ground, simply place your multi meter on the ohms setting. With the battery disconnected, check to see if there is continuity between the black and white wires on the switch and a known good body ground point.

Please feel free to let me know if you have other questions.

Take care,
Joe

Dec 17, 2020 at 12:12 PM (Merged)
Avatar
HAR
  • MEMBER
  • 11 POSTS
I removed dash... I have multi-meter.. can you tell me how I need test?
Dec 17, 2020 at 12:12 PM (Merged)
Avatar
NORTON72
  • MEMBER
  • 2 POSTS
Good morning,
The door locks on the driver side both doors do not lock or un lock from either the remote or the interior locking mechanism. I have checked the fuses and they are good. do you have any suggestions? Also could I take this to an electrician to fix? or to ring out the lines?
thanks for all of your help
Dec 17, 2020 at 12:12 PM (Merged)
Avatar
KHLOW2008
  • CERTIFIED EXPERT
  • 41,814 POSTS
Hi Norton72, Symptoms indicates the door lock motor ( actuator ) is malfunctioning and it could be the wirings or the motor itself. Here are the test you can carry out. POWER DOOR LOCK MOTOR 1.Remove door panel for access to door lock motor assembly. Disconnect 10-pin electrical harness connector from door lock assembly. 2.Using jumper wires, apply battery voltage and ground to specified terminals on door lock assembly and check that door lock motor moves door lock link to UNLOCK position. Reverse jumper wires so polarity is reversed and check that door lock motor moves door lock link to LOCK position. See Fig. 10 . Replace door lock assembly if operation is not as specified.


https://www.2carpros.com/forum/automotive_pictures/192750_DoorLock03CamryFig10_1.jpg


https://www.2carpros.com/forum/automotive_pictures/192750_DoorLock03CamryFig10a_1.jpg

Dec 17, 2020 at 12:12 PM (Merged)
Avatar
HAR
  • MEMBER
  • 11 POSTS
Connection attached.
Dec 17, 2020 at 12:12 PM (Merged)
Avatar
NORTON72
  • MEMBER
  • 2 POSTS
Are the two door locks in series or not? If they are in series can the cause be one of the two actuators?
Dec 17, 2020 at 12:12 PM (Merged)
Avatar
JACOBANDNICKOLAS
  • CERTIFIED EXPERT
  • 110,175 POSTS
Hi,

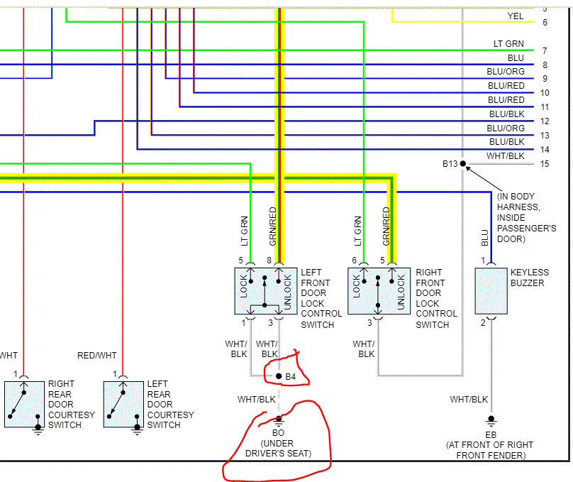
You are simply checking to see if there is continuity to ground via the white wires with a black tracer. Note that the white wires with the black tracers goes between the switch and a body ground. See attached pic.

Joe
Dec 17, 2020 at 12:12 PM (Merged)
Avatar
KHLOW2008
  • CERTIFIED EXPERT
  • 41,814 POSTS
All door lock motors are in parallel so if any stops working, it would not affect others.
Dec 17, 2020 at 12:12 PM (Merged)
Avatar
HAR
  • MEMBER
  • 11 POSTS
I removed the battery connection. I tested red probe in switch and black to the body of the car but I didn't see any reading in the multi-meter. Do I need to remove the driver seat and check the other end of the wire?
Dec 17, 2020 at 12:12 PM (Merged)
Avatar
DAULUA
  • MEMBER
  • 1 POST
Hi,
I have the same problem with my 2003 camry, 4cyl. The driver's door locks & unlocks, but the remaining 3 only lock. They will NOT UNLOCK. I tested the 10 pin connection on the pass front door motor, as per your instructions, but mine didn't work the same way. (1 & 4) and (4 & 1) actuated the motor(lock/unlock). none of the others worked. I checked the wiring at the door jam but all looked good. Some other websites think it is in the computer or bdu or edu or whatever Also I've changed that passenger side lock/latch mechanism and that is not the problem as the one I took out worked the same way. Please help as I have had this problem for a number of years.
Dec 17, 2020 at 12:12 PM (Merged)
Avatar
JACOBANDNICKOLAS
  • CERTIFIED EXPERT
  • 110,175 POSTS
Hi,

If you are checking the white/black wire to ground, yes. If there is no continuity to ground, then the ground source needs checked.

Joe
Dec 17, 2020 at 12:12 PM (Merged)
Avatar
STRAILER
  • CERTIFIED EXPERT
  • 53,854 POSTS
Hello,

The BCM runs the door locks and I have seen problems with the BCM in these cars. But to be sure here is a guide to see where you are losing power at.

https://www.2carpros.com/articles/how-to-use-a-test-light-circuit-tester

Here are the door lock wiring diagrams see when signal is lost.

Check out the diagrams (Below)

Please let us know what happens.

Cheers, Ken
Dec 17, 2020 at 12:12 PM (Merged)
Avatar
HAR
  • MEMBER
  • 11 POSTS
Can you please refer me to which white wire I need to check from the picture I have attached in past?
Dec 17, 2020 at 12:12 PM (Merged)
Avatar
DAULUA
  • MEMBER
  • 1 POST
Thanks for the diagrams I tested and found the BCM to be bad I got a used one for 150.00 and everything works great thanks for the help.
Dec 17, 2020 at 12:12 PM (Merged)
Avatar
JACOBANDNICKOLAS
  • CERTIFIED EXPERT
  • 110,175 POSTS
Hi,

The ground is at the switch. It isn't in the pic you attached.
Dec 17, 2020 at 12:12 PM (Merged)
Avatar
MCLEANROBERTS
  • MEMBER
  • 4 POSTS
I also have difficulty with the door locks operating properly...but only when the body of my 2004 Camry LE is warm/hot. Sounds strange, but it's fine in cool/cold months. When it's hot, I can only lock the 4 doors, and only unlock the driver's door! I was told by my spot-on mechanic (I've used them for years), that it was the BCM that was "going bad" and that I'd see other symptoms develop over time. That was 3+ yrs ago, and no other probs have developed. I tried to find a used BCM, but it seems they are very model specific. Can anyone confirm 1) if the BCM is the prob here? and 2) if so, how can I find a used BCM with the correct numbers on it? Seems like it might be more of a relay switch problem that is sensitive to temperature. Ideas? Thanks.
Dec 17, 2020 at 12:12 PM (Merged)
Avatar
HAR
  • MEMBER
  • 11 POSTS
The pic attached was Body ECU. Are you saying the white wire is not in the ECU pic I attached earlier (attached on July 2nd)?
Dec 17, 2020 at 12:12 PM (Merged)
Avatar
STRAILER
  • CERTIFIED EXPERT
  • 53,854 POSTS
When you say lock and unlock do you use the remote or the switch on the drivers door?
Dec 17, 2020 at 12:12 PM (Merged)
Avatar
JACOBANDNICKOLAS
  • CERTIFIED EXPERT
  • 110,175 POSTS
Hi,

In the post right after you sent the pic, I indicated that and attached a pic of the schematic.

Joe
Dec 17, 2020 at 12:12 PM (Merged)
Avatar
MCLEANROBERTS
  • MEMBER
  • 4 POSTS
Hi Ken,
Both the key fob (remote) and driver's side door switch function in an identical manner. Either the doors unlock (cool car body) or do not. I can lock all doors anytime I want (hot or cold body)!
Thanks.
Dec 17, 2020 at 12:12 PM (Merged)
Avatar
HAR
  • MEMBER
  • 11 POSTS
I added an arrow... are you referring me to check this end (first end of the white wire) with the under-seat end (second end of the white wire)?
Dec 17, 2020 at 12:12 PM (Merged)
Avatar
STRAILER
  • CERTIFIED EXPERT
  • 53,854 POSTS
This sounds like the master door lock switch module is going out. I would try a used one to save money. here is how it is changed out in the diagrams below.
Dec 17, 2020 at 12:12 PM (Merged)
Avatar
JACOBANDNICKOLAS
  • CERTIFIED EXPERT
  • 110,175 POSTS
Hi,

If that is white with a black tracer going from the door to ground under the seat, yes.

Let me know what you find.

Joe
Dec 17, 2020 at 12:12 PM (Merged)
Avatar
AHRGEE
  • MEMBER
  • 4 POSTS
2000 Toyota Camry, 65K Miles, 4cyl, Auto
About 6 weeks ago, the door locks began to unlock by themselves spontaneously. This happens only when the car is in motion and mostly when the car accelerates harder or at higher speeds (e.g. 77+ MPH) and when the taking a a harder turn.

When it does happen, the dashboard indicator light flickers, indicating that a door is open.

I have carefully closed all doors and trunk but this did not work.

Any help would be much appreciated.
Dec 17, 2020 at 12:12 PM (Merged)
Avatar
FISHERMAN
  • CERTIFIED EXPERT
  • 937 POSTS
[quote:16aadefd0b="ahrgee"]2000 Toyota Camry, 65K Miles, 4cyl, Auto
About 6 weeks ago, the door locks began to unlock by themselves spontaneously. This happens only when the car is in motion and mostly when the car accelerates harder or at higher speeds (e.g. 77+ MPH) and when the taking a a harder turn.

When it does happen, the dashboard indicator light flickers, indicating that a door is open.

I have carefully closed all doors and trunk but this did not work.

Any help would be much appreciated.[/quote:16aadefd0b]

Hello !!

Question "unlock or open" ?

Which door ?
All the doors?

or its just the "door open" dash board light?

let us Know !
Dec 17, 2020 at 12:12 PM (Merged)
Avatar
AHRGEE
  • MEMBER
  • 4 POSTS
Thanks for taking the time.

The doors unlock but do not physically open.

When this happens as I have described, it happens to all the doors simultaneously, as though I had pulled up on the unlock switch by the driver's side of the door, which is the normal way to unlock all doors at the same time.

When the doors unlock, as described above, the red "DOOR OPEN" dashboard light comes on or flickers.

Thanks for your help.
Dec 17, 2020 at 12:12 PM (Merged)
Avatar
FISHERMAN
  • CERTIFIED EXPERT
  • 937 POSTS
Hello !! well last question: do you have installed an aftermarket alarm, stock or none.? How About an keyless entry system? Well.. could be something as simple as a faulty 'lock switch" that actuates randomly with a vibration.. start removing the main lock switch from the connector and drive your car as usual and "see" if the problem persist if so, check the wiring that goes to the lock relay. Here the schematic of the lock system:


https://www.2carpros.com/forum/automotive_pictures/576_camry_lock_sys_1.jpg

Good Luck! BTW Tahnks for your donation !!
Dec 17, 2020 at 12:12 PM (Merged)
Avatar
AHRGEE
  • MEMBER
  • 4 POSTS
I do have an alarm with remote/keyless unlock feature, i.e. when I press the remote, the doors will unlock. I bought this car used several years ago and do not know if the alarm is aftermarket or not.

A final detail, last night I noticed that when I shut the car off, the headlights did not go off, but stayed illuminated. Normally, the headlights go off as soon as the car is shut off. It seems that I have some kind of electrical problem affecting numerous things. Any suggestions on how to solve this?
Dec 17, 2020 at 12:12 PM (Merged)
Avatar
FISHERMAN
  • CERTIFIED EXPERT
  • 937 POSTS
[quote="ahrgee"]I do have an alarm with remote/keyless unlock feature, i.e. when I press the remote, the doors will unlock. I bought this car used several years ago and do not know if the alarm is aftermarket or not.

A final detail, last night I noticed that when I shut the car off, the headlights did not go off, but stayed illuminated. Normally, the headlights go off as soon as the car is shut off. It seems that I have some kind of electrical problem affecting numerous things. Any suggestions on how to solve this?[/quote

Hello !!
did you tried to disconnect the main Lock-unlock switch and see if the problem stops?

How about your remote?
How "sensitive" its the button?
could be to sensitive and when in the car-keys ring "hit" a key and Lock-Unlock the car..


About the headlights usually they turn off as soon as you open the driver door...

let us know on your findings!
Dec 17, 2020 at 12:12 PM (Merged)
Avatar
AHRGEE
  • MEMBER
  • 4 POSTS
I am unable to read the schematic because it is not clear. Can you repost in a clearer format? Thanks.
Dec 17, 2020 at 12:12 PM (Merged)
Avatar
FISHERMAN
  • CERTIFIED EXPERT
  • 937 POSTS
[quote:b7c9ab4030="ahrgee"]I am unable to read the schematic because it is not clear. Can you repost in a clearer format? Thanks.[/quote:b7c9ab4030]

Hello !!

Well we have a limited weight on the pictures, Even using the whole screen wont read good...

sorry about that !
but, have you try the switch or check the sensitivity of the remote?

Let us Know!
Dec 17, 2020 at 12:12 PM (Merged)
Avatar
GURU1985
  • MEMBER
  • 7 POSTS
Hi, I am having the same problem with my 2011 Toyota Camry. May I know how much it costs? (Approximately) All three passenger doors do not unlock. Only the driver's door unlocks with the key button. All the doors lock with the key button. Thank you
Jun 20, 2023 at 3:14 AM