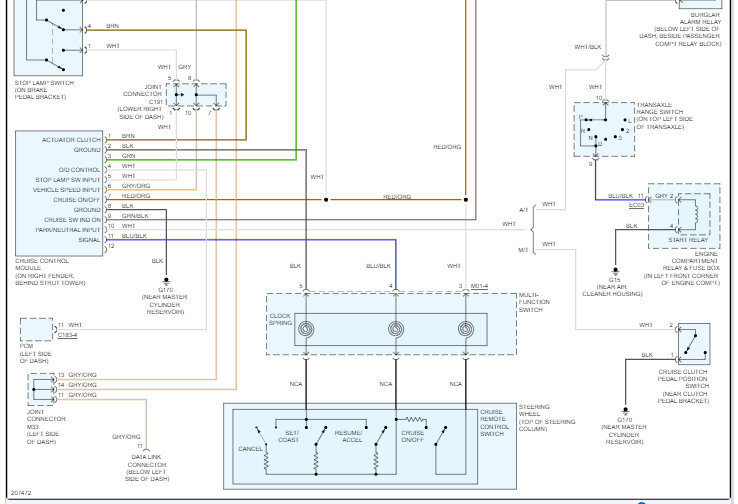
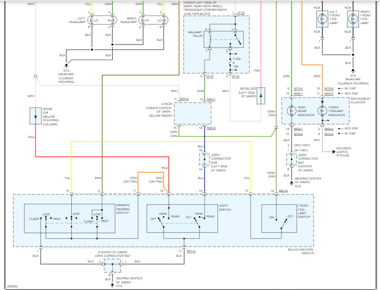
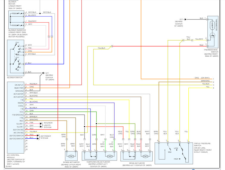
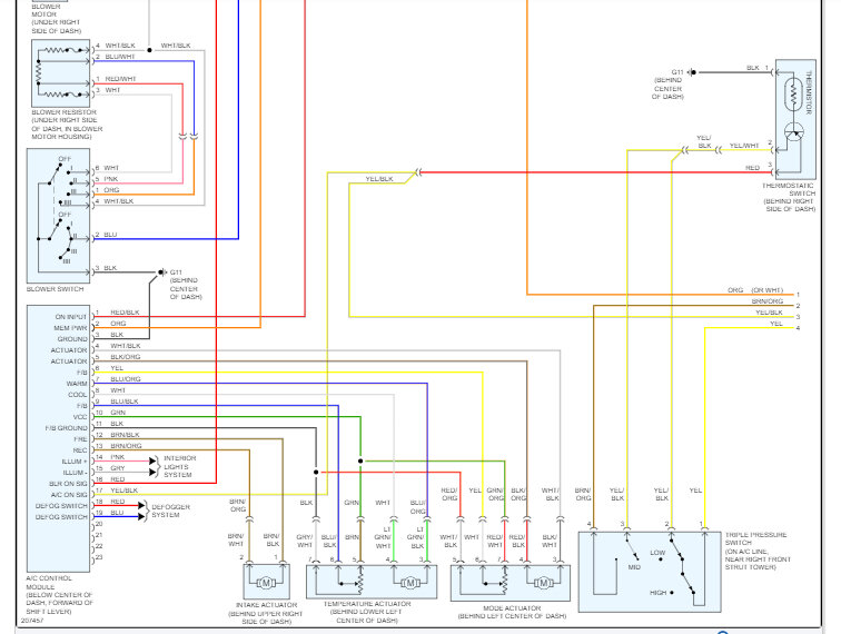
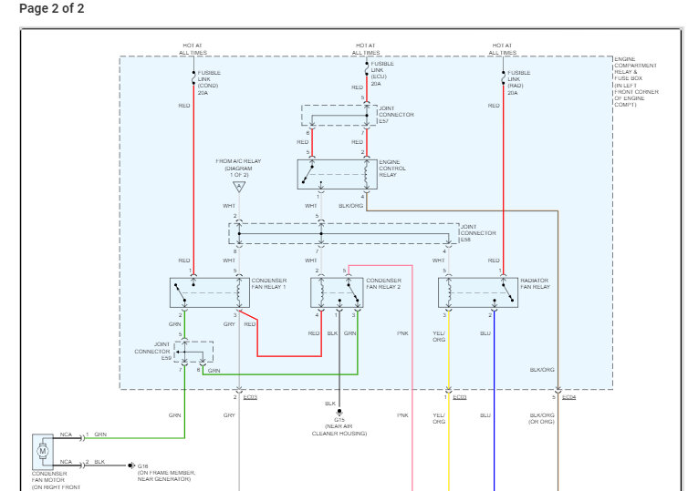
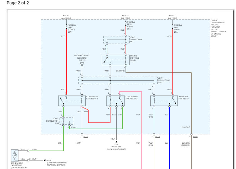
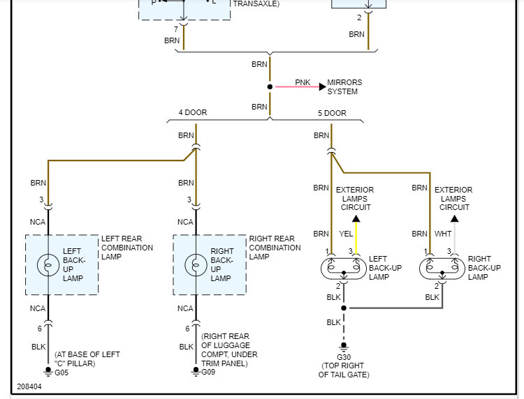
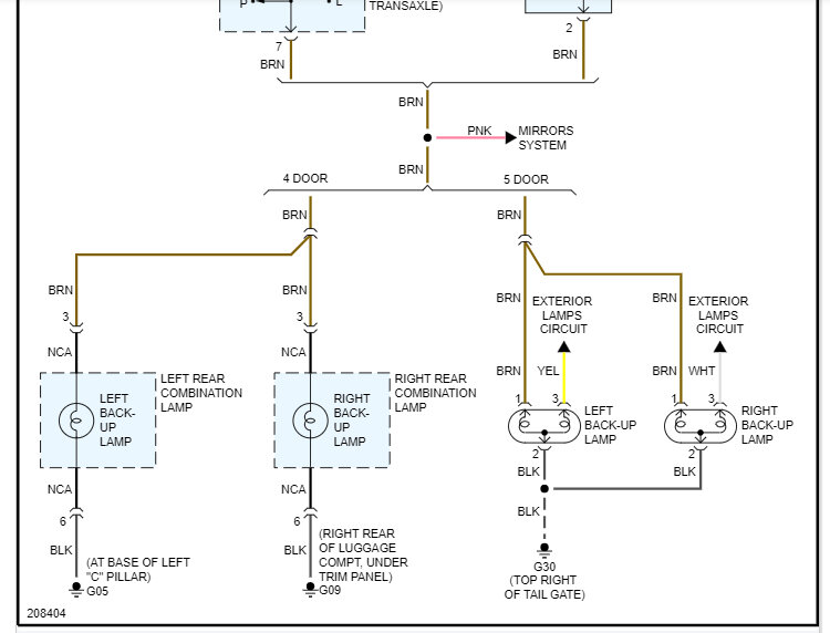
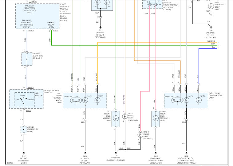
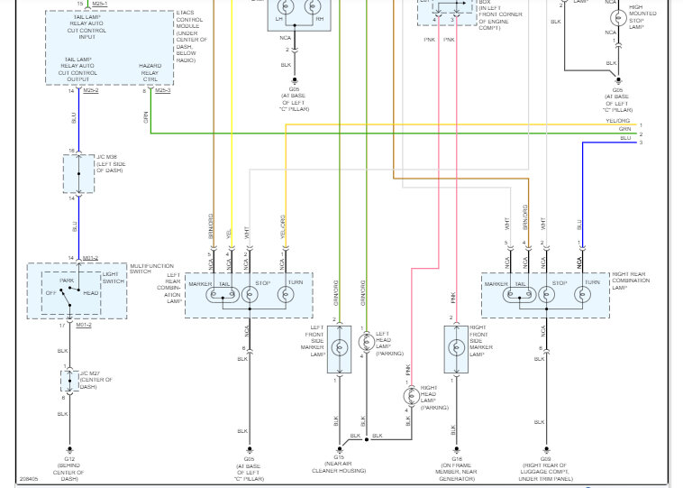
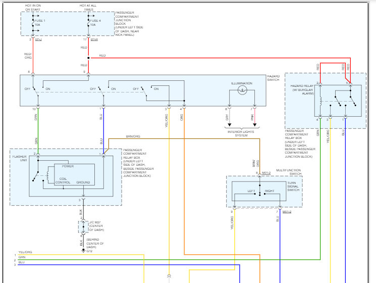
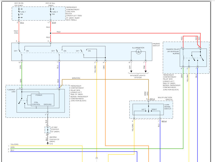
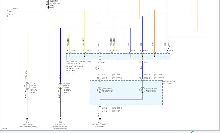
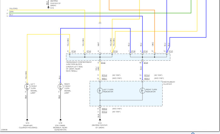
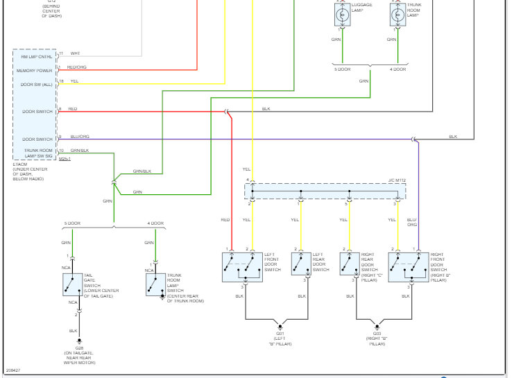
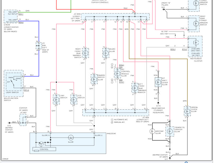
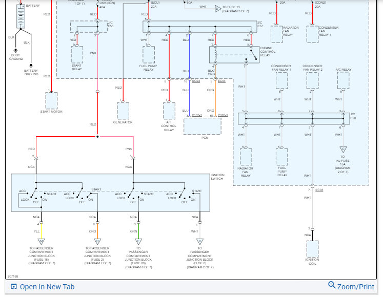
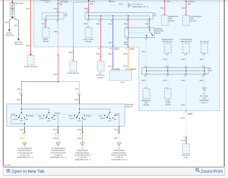
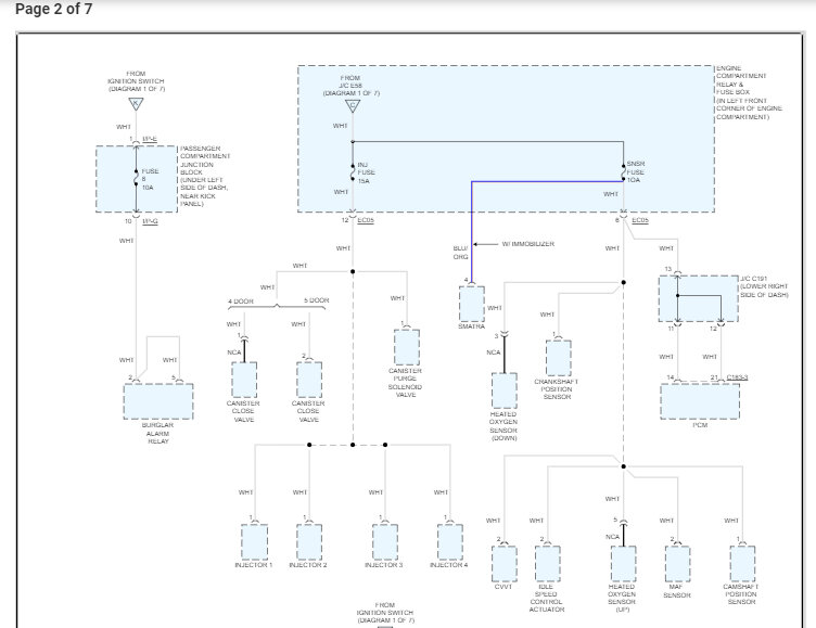
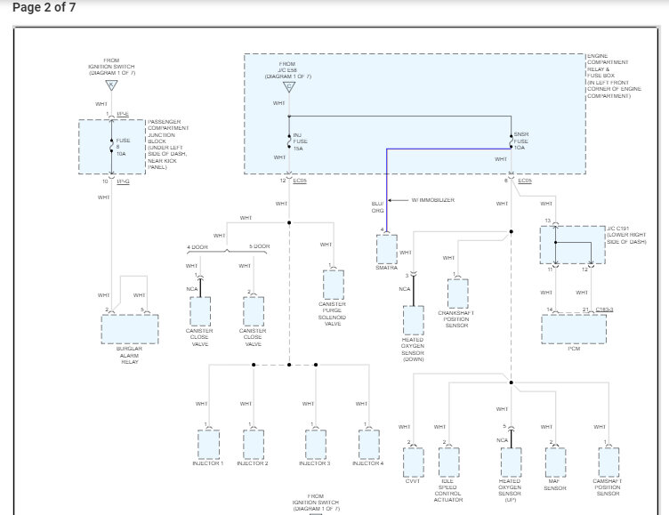
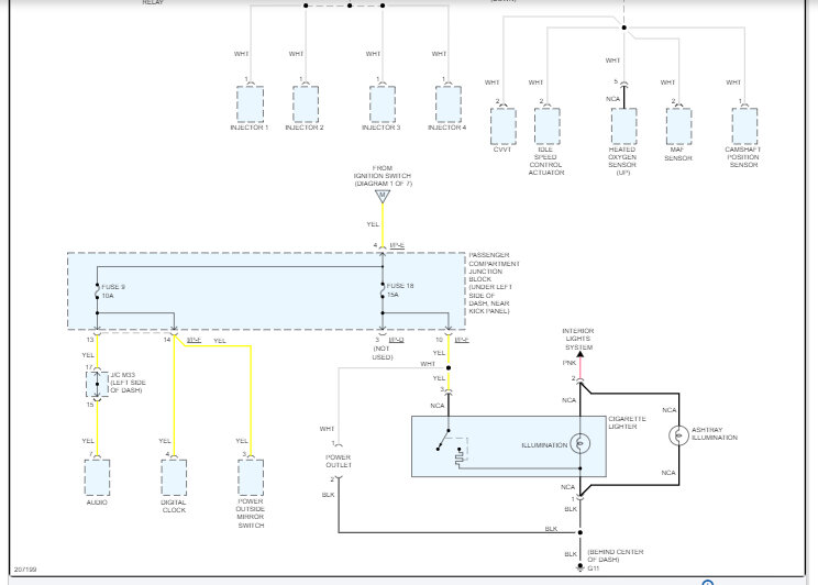
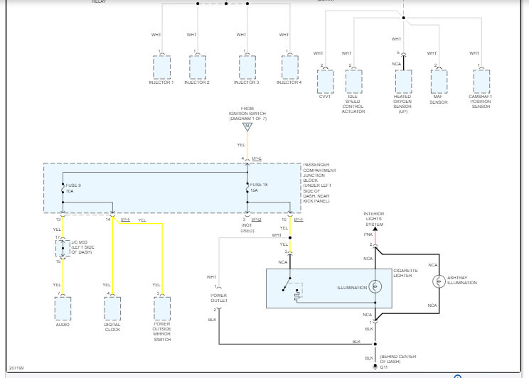
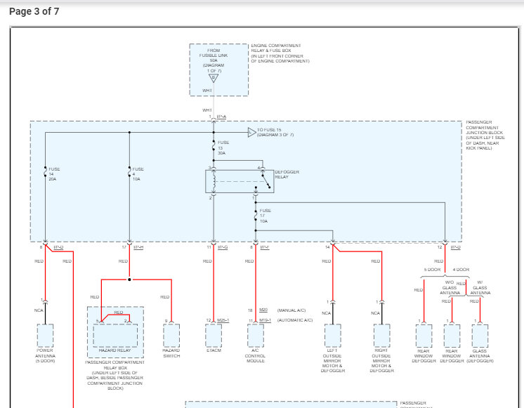
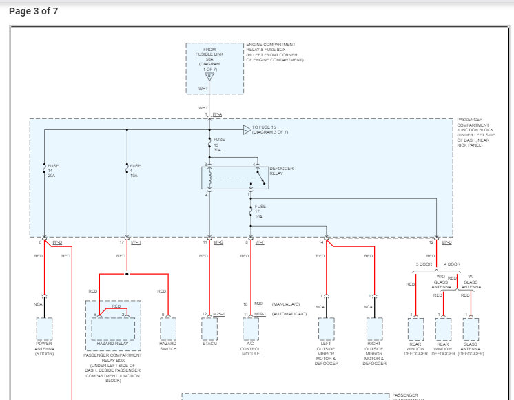
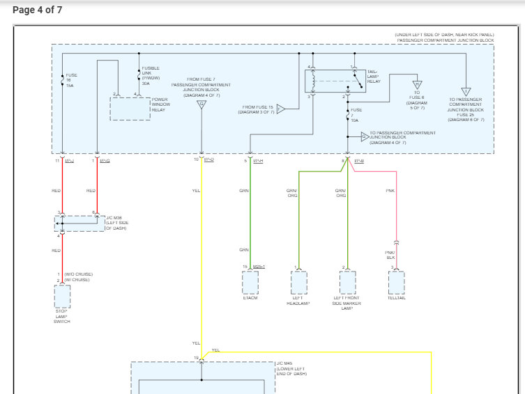
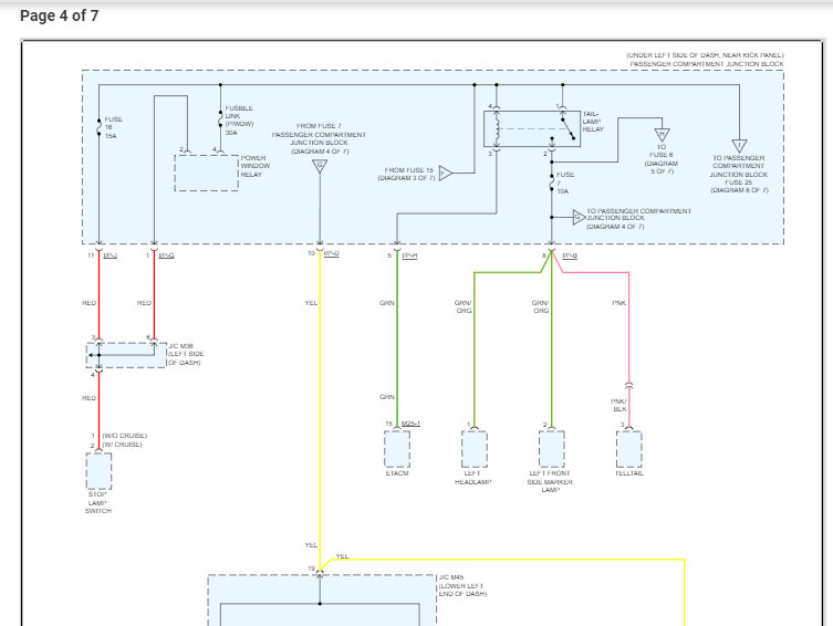
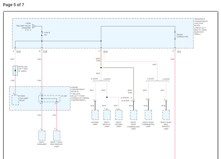
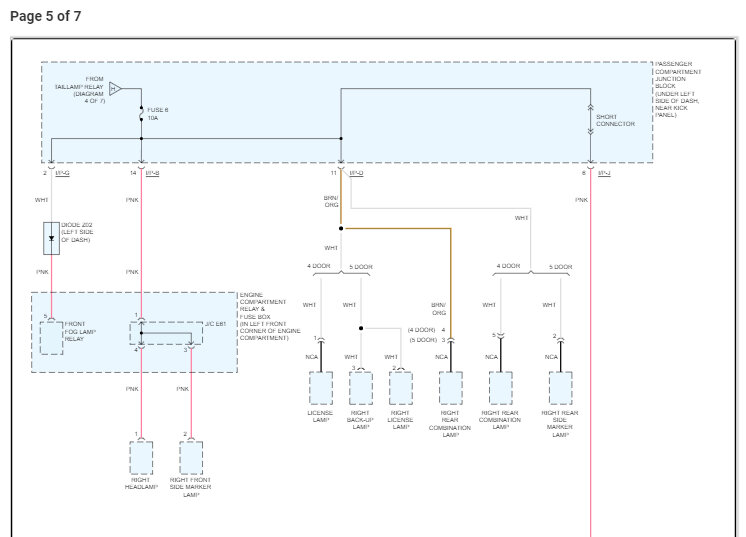
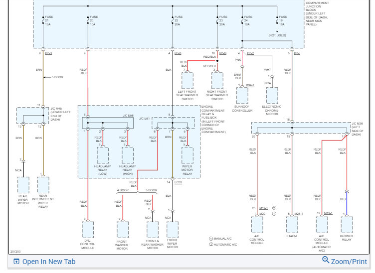
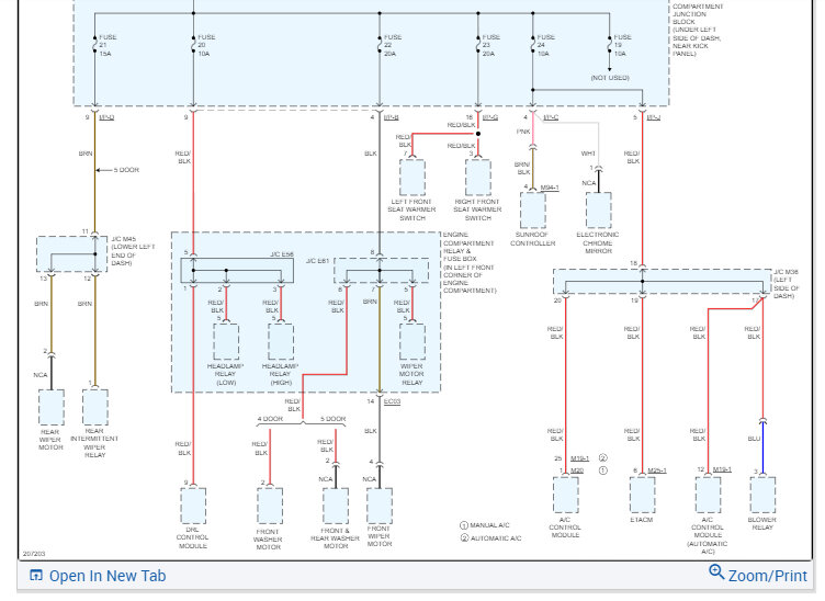
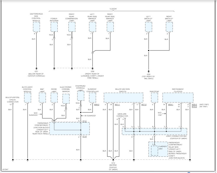
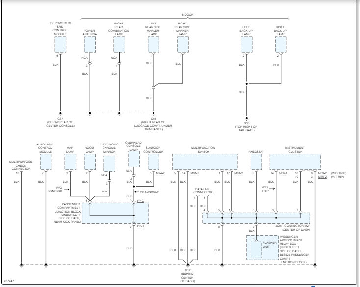
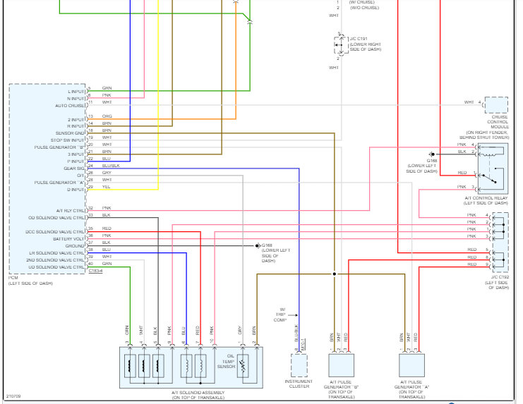
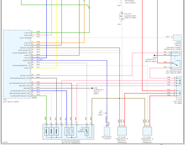
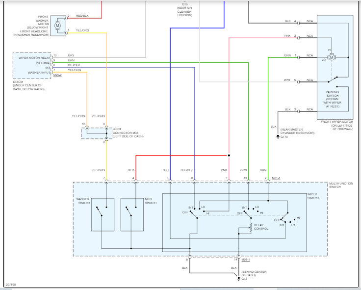
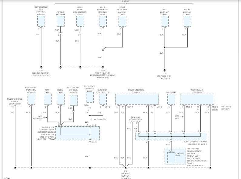
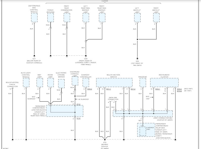
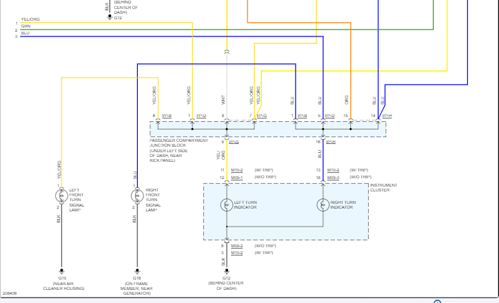
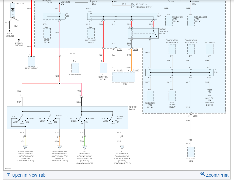
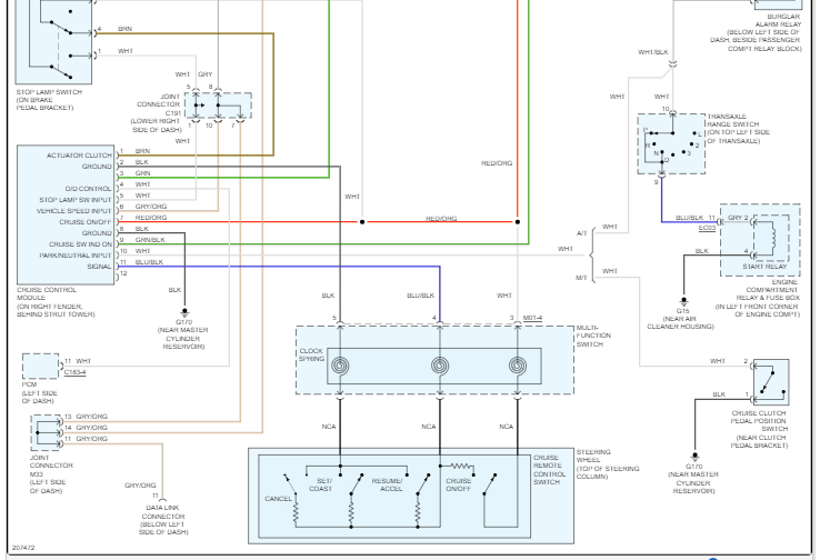
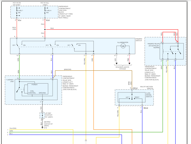
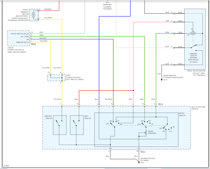
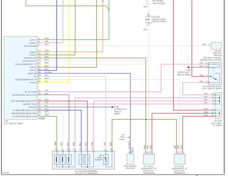
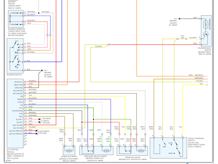
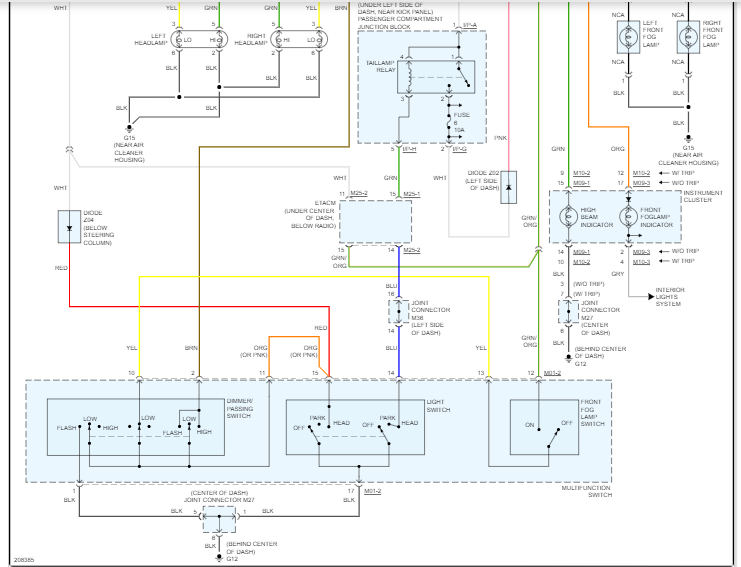
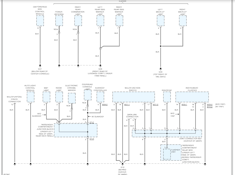
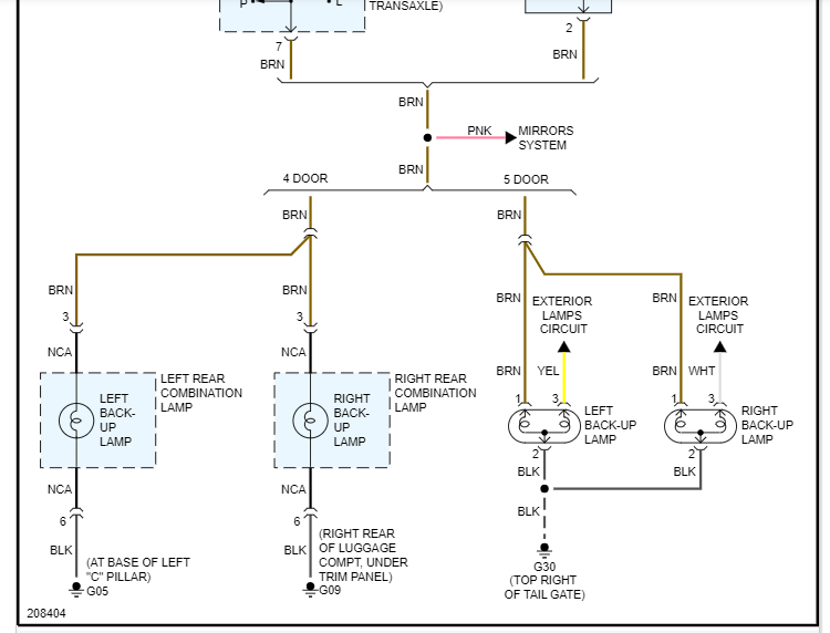
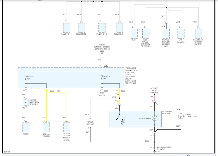
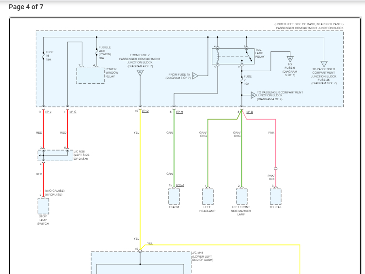
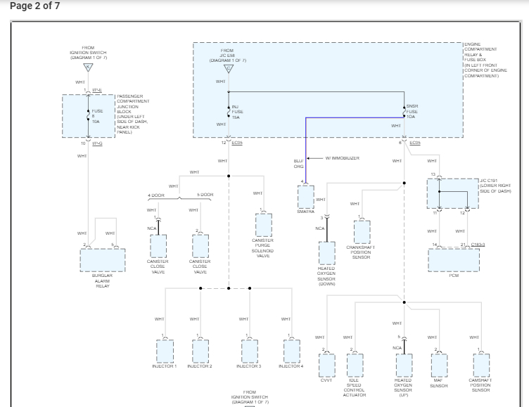
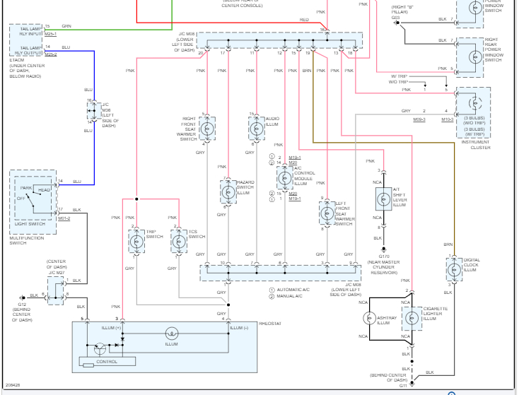
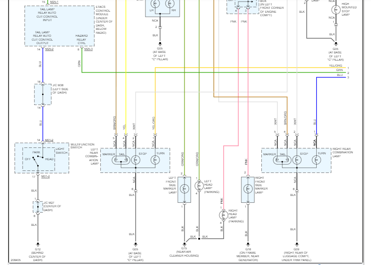
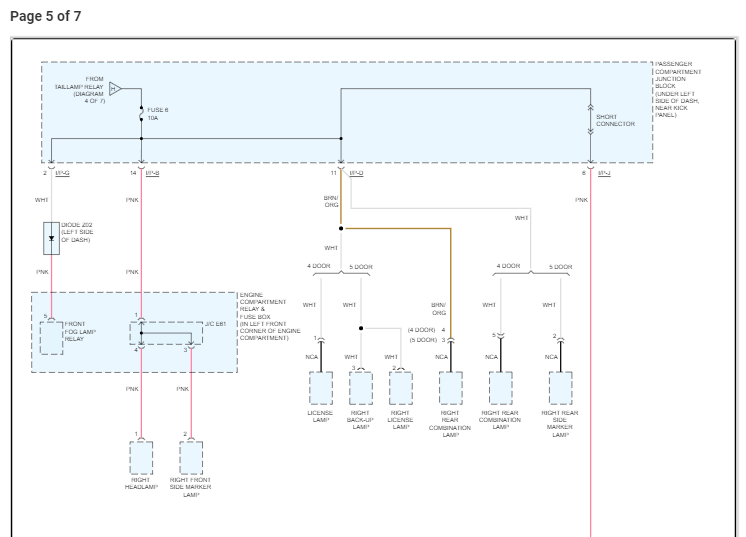
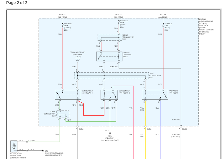
Car caught on fire. I've got another harness that matches the year model and started connecting the wires I can match. Now I've got all these solid color wires that I can't match. Need in depth diagram showing exactly where these wires go.
Dec 31, 2022 at 8:20 AM



































































































