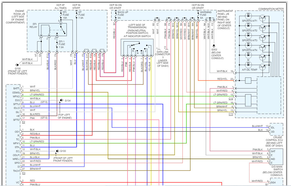
I guess I need to give full details in order for you to give a better diagnosis, this will be long but here I go, Last year my apts had my car towed and tow truck towed it front the back and i had parking brake in and it was in park, which threw off my timing. Which I was unaware of at the time. I kept trying to start it and it wouldn't start every time. So, I started replacing parts and here's the list of parts: fuel pump, injectors, crankshaft sensor, camshaft sensor, VSS sensor, fuel line, timing belt, throttle body, radiator, starter and alternator, battery. After replacing all the above, I was trying to start the vehicle and was still unaware of the timing issue, but I was trying to start and held it a little too long and I believe a valve broke and went into the next shaft. By this time, I was truly upset and frustrated, so I stopped working on the car for a few months, but then I went and bought another engine from the junkyard. So, when I pulled out old engine and transmission, I went ahead and replaced both cv axles, and wiring harness. took apart old engine from transmission and replaced with new(used)one, dropped it back in car and then cv axles.(first time doing either). Once i got it all back together, it finally started right up. I was super stoked until I went to put it in gear and then nothing happened. Oh, almost forgot, when i started it up and tried to get it to go into gear it wouldn't at first and frustration got the better of me to where i yanked on it and forced it to come out of park. Nothing. So afterwards I assumed i snapped the shifter cable and ended up replaced it as well as the shifter. Tried starting it again and went to shift and still nothing. So i replaced the 2 shift solenoids and lock-up solenoid on valve body. tried again after and still nothing. I then replaced valve body, still nothing. So now I'm at a stump as what it could be. I'm not sure if it's something i missed with cv axles, or what. Before it was towed everything worked just great. I have redone everything under the hood minus the actual transmission. Which I am hoping I don't need to. Any advice or help would be truly appreciated. Thanks
Dec 25, 2022 at 1:32 PM



















































