Welcome to 2CarPros.
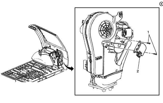
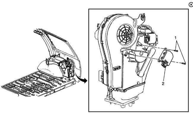
There are two. One for the left (driver) and one for the right. I attached twp pictures below, labeled them 'L' and 'R', and highlighted the actuator.
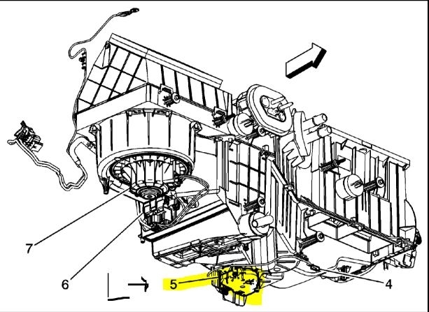
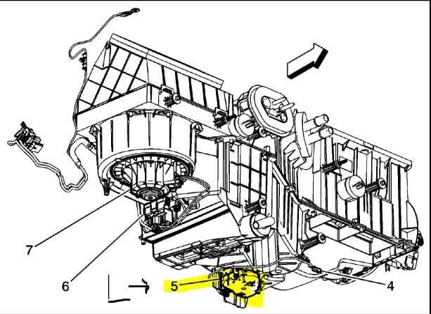
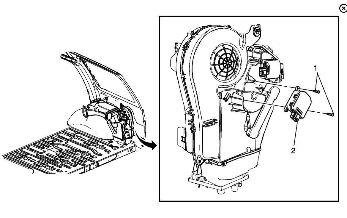
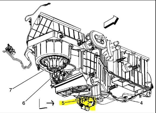
Here is a list of all of the components indicated on the pictures:
1 - Mode Actuator
2 - Air Temperature Actuator - Right
3 - Recirculation Actuator
4 - Air Temperature Sensor - Lower Right (CJ2)
5 - Air Temperature Actuator - Left
6 - Blower Motor Control Module
7 - Blower Motor
8 - Air Temperature Sensor - Lower Left (CJ2)
____________________
Here is a link that shows in general how one is replaced:
https://www.2carpros.com/articles/replace-blend-door-motor
Let me know if this helps or if you have other questions.
Take care,
Joe
Images (Click to enlarge)
Jul 16, 2020 at 11:42 AM
(Merged)