Hi,
I want to start a conversation about whether I should/shouldn't do certain services to this truck. I will be getting it in about 3 months, and it was a service truck, and mostly everything maintenance-wise was taken care of when it needed it. It runs good, trans shifts good, no problems and no leaks. However I have some concerns only because there was no record of the transmission being serviced nor the rear differential.
This truck took 500 mile trips weekly, up until it reached 200,000 and then it was used every now and then between 1700 mile stretches.
Do you think it would be okay to replace the fluid and filter in the trans, if the fluid isn't burnt? Also for the differential? What potential services would you consider for a truck this mileage but still runs good?
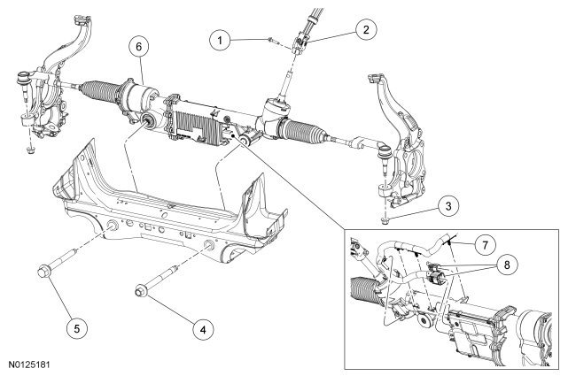
Also, I see a recall maybe for the electronic power steering. If this went out, would there be any programming involved? I can replace a rack no problem.
I want to start a conversation about whether I should/shouldn't do certain services to this truck. I will be getting it in about 3 months, and it was a service truck, and mostly everything maintenance-wise was taken care of when it needed it. It runs good, trans shifts good, no problems and no leaks. However I have some concerns only because there was no record of the transmission being serviced nor the rear differential.
This truck took 500 mile trips weekly, up until it reached 200,000 and then it was used every now and then between 1700 mile stretches.
Do you think it would be okay to replace the fluid and filter in the trans, if the fluid isn't burnt? Also for the differential? What potential services would you consider for a truck this mileage but still runs good?
Also, I see a recall maybe for the electronic power steering. If this went out, would there be any programming involved? I can replace a rack no problem.
Jan 3, 2020 at 5:22 PM














