overheating ?

2006 PONTIAC GRAND PRIX
Avatar
VICKI3537
  • MEMBER
  • 1 POST
My heater in my car just stopped blowing hot air this morning and is almost overheating. i haven't let it overheat completely but am very worried that it will soon?
Oct 19, 2009 at 8:49 AM
Advertisement
Avatar
MMPRINCE4000
  • CERTIFIED EXPERT
  • 8,548 POSTS
Hello,

It sounds like you are low on coolant or the cooling fan stopped working here is a guide to help walk us through what to look for and how to fix the problem.

https://www.2carpros.com/articles/engine-overheating-or-running-hot

Please run down this guide and report back.
Oct 25, 2009 at 10:35 AM
Avatar
NUCRBOMB68
  • MEMBER
  • 1 POST
had to replace my radiator cost me $143.00
Sep 3, 2019 at 2:26 PM
Advertisement
Avatar
NBUC7
  • MEMBER
  • 2 POSTS
Hello -

My water pump failed in February and I had it replaced. I also had my transmission rebuilt in May (torque converter). Prior to having the transmission revuilt, the transmission fluid temp was consistently running high (200+ degrees). Almost immediately after having the transmission rebuilt, I was out of the country and my wife drove the car while I was gone.

After returning, I noticed that my engine temperature would run hot fairly quickly (consistently into the last hash mark prior to getting into the red). It only cools when travelling at high speed when ambient temperature is cool. Subsequently, the transmission fluid is also hot (again, 200+ degrees).

I'm not sure whether there is an issue with the water pump that was replaced, or could a thermostat with the wrong setpoint have been installed? The car is still under warranty (barely) and would like to have a better guess as to what the problem may be. If there are any procedure checks I can do to narrow it down as well, I'd be more than happy to try.

Thanks for your help!
Sep 3, 2019 at 2:27 PM (Merged)
Avatar
DOCFIXIT
  • CERTIFIED EXPERT
  • 18,828 POSTS
Hi
First check to see if cooling fans operate. Should come on at @190 and when AC is on.
Let me know
Thanks for donate
Sep 3, 2019 at 2:27 PM (Merged)
Avatar
NBUC7
  • MEMBER
  • 2 POSTS
Thanks for the response - cooling fans are not kicking on, engine temp just ramps up.
Sep 3, 2019 at 2:27 PM (Merged)
Avatar
BUDDYWEISER86
  • MEMBER
  • 1 POST
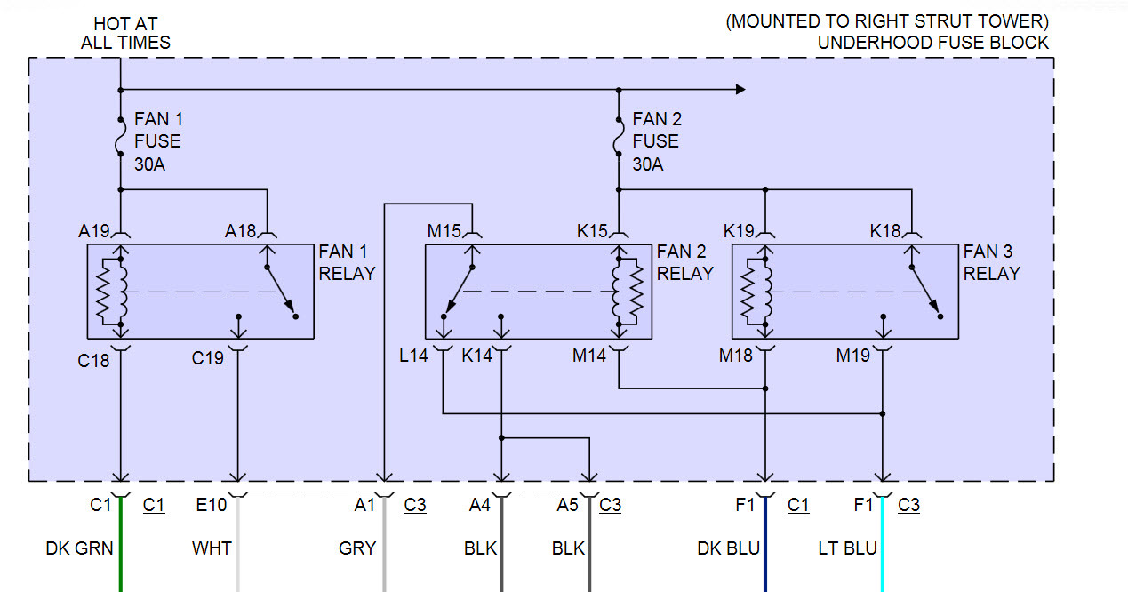
Two days ago a squirrel tore into the wiring loom directly off of the fuse box near the firewall(passenger side). I spliced all wires back together, however am still seeing an overheating issue. Both 30amp fuses marked "Fan" in the under-hood fuse panel are good. Not 100% sure on the two fan relays in same fuse panel, HOWEVER, the radiator fan's DO work when the interior AC or heat are turned on. Also, the temp gauge in dash works, and shows a steady rise in temp, so I'm assuming from that that the temp sending unit is reporting actual temp to the ECU. Is there possibly a secondary temp sending unit elsewhere that triggers the radiator fans to turn on?
Sep 3, 2019 at 2:27 PM (Merged)
Avatar
HMAC300
  • CERTIFIED EXPERT
  • 48,601 POSTS
there may be two and you may have replaced the wrong one. see picsa nd make sure all wires have been properly repaired. it may be another issue as well. so have coolant system pressure checked.
Sep 3, 2019 at 2:27 PM (Merged)
Avatar
06GRNGP
  • MEMBER
  • 2 POSTS
I've replaced the water pump, coolant temp. sensor, thermostat, flushed the radiator, will radiator with 50/50 coolant to water. Still over heats. No noises or leaks. Gauge goes to hot within 2 miles or approx 10 minutes of running. A/C shuts off and car has turned off due to over heating. What could be the solution? I'm trying to prevent the costly trip to the dealership.
Sep 3, 2019 at 2:28 PM (Merged)
Avatar
FACTORYJACK
  • CERTIFIED EXPERT
  • 4,159 POSTS
It may not require a trip to the dealership, but if the vehicle has been severly overheated due to a concern that may have been addressed, it might have developed an internal leak(crack/headgasket). Has the cooling fans been noticed as being on, are they trying to bring the temperature in range. The next step would be to have the cooling system tested for the presence of combustion gases. This can be done with a gas analyzer, or a chemical that is offered as a block system test. The gas analyzer is more accurate, as it is the most sensitive. A shop would be suggested to get you an answer on this.
Sep 3, 2019 at 2:28 PM (Merged)
Avatar
06GRNGP
  • MEMBER
  • 2 POSTS
Thanks for the options. I've actually fixed the problem. The thermostat that I replaced about a month ago, was defective. The thermostat would not open when 195 degrees was reached. Auto Zone is going to issue me a refund for this. I purchased a ACDelco from the local dealership and it works great.
It was suggested by a salesman at an auto parts to run the motor without the thermostat to verify that the thermostat was working or not. After I removed the thermostat, the engine ran lower than normal temps. Thank God that this problem is now resolved.
Sep 3, 2019 at 2:28 PM (Merged)
Avatar
THIS IS MIKE
  • CERTIFIED EXPERT
  • 686 POSTS
We are glad to hear you were able to fix the problem. We appreciate your donation and hope we can help you the next time you need us.
Sep 3, 2019 at 2:28 PM (Merged)
Avatar
SORACE33
  • MEMBER
  • 6 POSTS
hello, i have a 2006 grand prix gxp. i heard alot about them having the transmissions overheating. alot of people said the problem can be fixed by a transmission cooler fan. by any chance does the car come stock with this?

Sep 3, 2019 at 2:28 PM (Merged)
Avatar
RIVERMIKERAT
  • CERTIFIED EXPERT
  • 6,110 POSTS
The car comes with a transmission cooler, either as tubes in one of the chambers of the radiator, or an external(doubtful). An external is easy to install and can usually be bought for less than $30. You will need to add transmission fluid if you add a cooler.
Sep 3, 2019 at 2:28 PM (Merged)
Avatar
RUDDUSA
  • MEMBER
  • 1 POST
I started it up and within 5 min the temp started to go up quickly. During this time the fans did not kick on and after shutting it off I noticed some coolant leaking at the top of the block
Sep 3, 2019 at 2:28 PM (Merged)
Avatar
MHPAUTOS
  • CERTIFIED EXPERT
  • 31,937 POSTS
Pressure test cooling system, get a head check done, check cooling fan switches and check thermostat, start here.
Sep 3, 2019 at 2:28 PM (Merged)
Avatar
AARON1212
  • MEMBER
  • 2 POSTS
My 2006 Pontiac grand prix was starting to overheat so I went and filled it with 50/50 Coolant/Antifreeze. After doing so I got about 10 mins down the road before the temperature rose incredibly fast and was as hot as possible. I got a hot coolant alert and another saying the AC was disabled. I stopped and after waiting 30 mins put 2 Liters of cold water in the coolant tank while running the engine with the heat on. A steady stream of what looked like coolant and water started coming from under the car on the side with the coolant tank. I was able to get home but within 10 mins the engine temp was back up on the edge of the red. After 20 mins of being home there is a small puddle of green/clear liquid that seems to be leaking from under the coolant tank. What advise would you give in proceeding from here?
Sep 3, 2019 at 2:28 PM (Merged)
Avatar
CARADIODOC
  • CERTIFIED EXPERT
  • 34,308 POSTS
First, list the engine size and mileage. I don't know which side the reservoir is on so you're going to have to tell me that. Next, you or someone else is going to have to look for the source of the leak. The good news is while the overheating could have resulted in a leaking cylinder head gasket, it sounds like you caught it soon enough and you only have to worry about a much less serious external leak.

Has the coolant ever been changed? Knowing the mileage will help with forming a generalization as to how much acid may have built up in it. That will lead to corroded heater cores and radiators. If the heater core is leaking, you'll find the coolant leaking from a 4" long rubber hose with a 90 degree bend hanging down from the passenger side of the firewall under the hood. The puddle will form just to the left of the right front tire.
Sep 3, 2019 at 2:28 PM (Merged)
Avatar
AARON1212
  • MEMBER
  • 2 POSTS
Hi, it's a 3.8L V6 engine and has just over 104000 miles. The coolant was last changed around 2 years ago. The puddle is forming right where you said it was, to the left of the right front tire.
Sep 3, 2019 at 2:28 PM (Merged)
Avatar
CARADIODOC
  • CERTIFIED EXPERT
  • 34,308 POSTS
Dandy. I don't know if you can see that hose from the top. You might have to crawl underneath to see it.

The coolant needs to be replaced every two years because that's about how long the additives in it last. Those include water pump lubricant and corrosion inhibitors. Besides that drain hose, there's going to be two heater hoses in the same area but up higher. Check those for wetness. Also look around the top of the engine on the passenger side to see if there's a black plastic fitting that's leaking.
Sep 3, 2019 at 2:28 PM (Merged)
Avatar
DSEH08
  • MEMBER
  • 1 POST
My car over heats while driving slow and climbing hills, it also over heats going hwy speed with A/C on and climbing hills on a hot day. Going hwy speed on level ground it does not. Thermostat? or radiator? or something else. Cooling fans are working. Also I heard the orange anti-freeze (dex cool) causes problems, is that true? and should I switch? One more question. My key is stuck in my ignition, shifting to park will not disengage it. Any simple solutions to this problem?

Thanks

Dave
Sep 3, 2019 at 2:28 PM (Merged)
Avatar
RASMATAZ
  • CERTIFIED EXPERT
  • 75,992 POSTS
2003 Pontiac Grand Prix Overheating-try replacing the thermostat not it get it block and pressure tested
Sep 3, 2019 at 2:28 PM (Merged)
Avatar
2CARPRO JACK
  • CERTIFIED EXPERT
  • 11,533 POSTS
Have the cooling system flushed and serviced (t-stat replaced). Be sure the radiator and a/c condensor are clean and not full of road debris.
Sep 3, 2019 at 2:28 PM (Merged)
Avatar
JAMIEGARCIA
  • MEMBER
  • 10 POSTS
Hi I have a 2002 pontiac grand prix its overheating while stopped but while going its fine the fans come on. I've replaced the thermostat and cap. Any suggestions????
Sep 3, 2019 at 2:28 PM (Merged)
Avatar
SATURNTECH9
  • CERTIFIED EXPERT
  • 30,869 POSTS
Are you sure the fans are working correctly because it sounds like a fan issue?Also did you make sure the fins of the radiator and ac condensor arent clogged with debris?The outside not the inside where the air passes thru?
Sep 3, 2019 at 2:28 PM (Merged)
Avatar
JAMIEGARCIA
  • MEMBER
  • 10 POSTS
Not sure if there working correctly . When car is turned off are the fans suppose to spin like a pin wheel when spun by hand or are they suppose to be locked into place??
Sep 3, 2019 at 2:28 PM (Merged)
Avatar
JAMIEGARCIA
  • MEMBER
  • 10 POSTS
They spin very freely when car is parked and cool
Sep 3, 2019 at 2:28 PM (Merged)
Avatar
SATURNTECH9
  • CERTIFIED EXPERT
  • 30,869 POSTS
Yes the fans are supposed to spin free are the fans on when its overheating?How high does the temp gauge get?Also does the upper and lower radiator hoses get really hot?
Sep 3, 2019 at 2:28 PM (Merged)
Avatar
PSTAZY006
  • MEMBER
  • 2 POSTS
My car is overheating all the time. Goes straight up to HOT temp and shuts off automatically when driving it. Have tried replacint thermostat, waterpump, radiator, fans are working. Checked for any leaks and there are none. Even replaced senor. What can be the problem? Help.
Sep 3, 2019 at 2:28 PM (Merged)
Avatar
JDL
  • CERTIFIED EXPERT
  • 16,098 POSTS
Where applicable, if it gets too hot, it will pop the radiator cap to release pressure and the coolant reservoir will fill-up in a hurry. Is the reservoir filling up? I haven't looked to see if you even have a radiator cap.

Any applicable trouble codes? Check oil pressure.
Sep 3, 2019 at 2:28 PM (Merged)
Avatar
JAMIEGARCIA
  • MEMBER
  • 10 POSTS
Yes there on when it overheats the when sitting the temp gage gets all the way to the max and yes the upper and lower raditor hoses get really hot
Sep 3, 2019 at 2:28 PM (Merged)
Avatar
PSTAZY006
  • MEMBER
  • 2 POSTS
sometimes. I do have a radiator cap. Oil pressure is fine. When I took out the thermostat it seemed to run fine. It stopped overheating. Will It damage my car if I continue to drive without thermostat?
Sep 3, 2019 at 2:28 PM (Merged)
Avatar
SATURNTECH9
  • CERTIFIED EXPERT
  • 30,869 POSTS
Are the fans running on high when its show max temp?Also have you checked for codes?Have you checked the coolant temp sensor?
Sep 3, 2019 at 2:28 PM (Merged)
Avatar
JDL
  • CERTIFIED EXPERT
  • 16,098 POSTS
You can take the thermostat out, just for testing, hook the hoses back up. With cross-flow radiator, drain the cooloant down till you see the top couple of passages, where possible. When you start the engine, flow is instant, if no flow, something is clogged-up.

Is the engine siezing when it stalls?
Sep 3, 2019 at 2:28 PM (Merged)
Avatar
JDL
  • CERTIFIED EXPERT
  • 16,098 POSTS
If you leave the thermostat out, at the least, it will burn more gas, take longer to reach operating temp. May or may not set a code? In degrees F, how hot is it getting?
Sep 3, 2019 at 2:28 PM (Merged)
Avatar
LINDUZ
  • MEMBER
  • 2 POSTS
My Grand Prix is overheating. There is water in the system and in the overflow, but after driving it about 5 miles it went completely in the red and took a very long time to cool off. The fan is working. We think it is possibly the water pump. While driving it back home after it cooled (we let it set for about an hour) it immediately heated up to almost red again, but when making right turns the temp dropped drastically and then climbed again. Water pump? and if so, where is the water pump and how hard is it to replace. I am going to have to find a backyard mechanic to do this for me since I just lost my job and cannot afford a shop...just need to know if this is the problem and what is involved in fixing it...or what else could it be?
Thanks
Sep 3, 2019 at 2:28 PM (Merged)
Avatar
RACEFAN966
  • CERTIFIED EXPERT
  • 5,029 POSTS
So is it actually overheating or is the guage not working correctly? Have you checked it with an infered thermometer? If not I would do that first to make sure it is overheating. It may not be. I have never heard of a car overheat then cool while cornering. Let me know what you find.
Sep 3, 2019 at 2:28 PM (Merged)
Avatar
TEXAS7
  • MEMBER
  • 1 POST
mine does almost the same except i go through lots of coolant and see no leaks and no water in the oil. what could that mean?
Sep 3, 2019 at 2:28 PM (Merged)
Avatar
LINDUZ
  • MEMBER
  • 2 POSTS
Yes, the engine is overheating. It was so hot the little bit of oil around the place you put in oil was burning off and creating a huge plume of smoke. And the heat coming off the engine was overwhelming when we opened the hood. The A/C went to hot air...I turned off the a/c immediately and had to coast the car off the freeway to a safe area, there was no exceleration. The small red light in the bottom right hand corner of the dash lights lit up (the one that says "temp"). We had driven only about 5 miles, but the air temp here is high...about 105 degrees. There is water in the system, even in the overflow and there is antifreeze in the water...the turning thing seemed really odd to us too. But after making the turn, the gauge went back up quickly.
We are very perplexed and because of my financial situation at the moment, I have to get this repaired as cheaply as possible...and return to my job search. Your help is greatly appreciated.
Sep 3, 2019 at 2:28 PM (Merged)
Avatar
JDL
  • CERTIFIED EXPERT
  • 16,098 POSTS
You need to make a new post, that way, everybody will see it. Piggybacking your post is not a good way to do it.
Sep 3, 2019 at 2:28 PM (Merged)
Avatar
RACEFAN966
  • CERTIFIED EXPERT
  • 5,029 POSTS
Well I am not going to lie to you it don't sound very good. So before putting money into it you should take it to a shop that will do a chemical test on it. What this is, is a device you put on the radiator with the radiator cap off and they put a chemical in it and if it changes color then there is compression getting into the radiator. If this happens then you need to make a decision fix the car or replace it, because it either has a cracked head or worped head or blown head gasket or all of the above. Till this test is done I can't say that putting money in car will help because we don't know what is happening. As quick as it getting hot I suspect you will find a bigger problem then a water pump. Let me know how it goes.
Sep 3, 2019 at 2:28 PM (Merged)