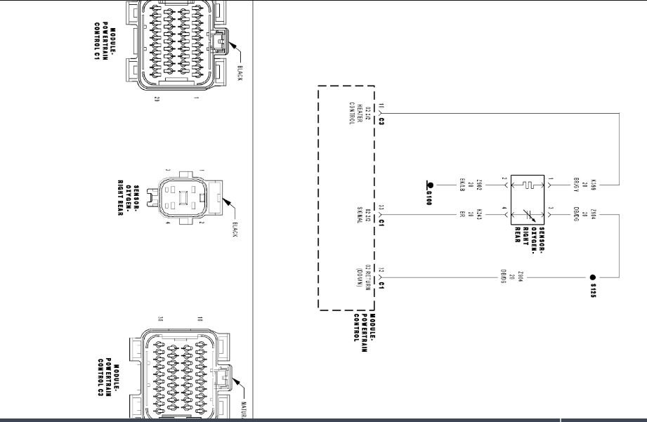
Wires are crossed to pig tails to PCM

2005 CHRYSLER 300
107,856 MILES • 5.7L • V8 • 2WD • AUTOMATIC
Advertisement
Avatar
ASEMASTER6371
  • CERTIFIED EXPERT
  • 52,796 POSTS
Okay, I attached the information for the codes below. You should have more information on the 2101 from previous posts.

Roy

Mar 19, 2020 at 4:59 AM
Avatar
AGNUS
  • MEMBER
  • 37 POSTS
Hey, well I'm driving it but I don't know some kind of miracle happened I guess. I have no idea how old is driving but it is check engine lights on, shifting kind of weird and like I got the heater going. But the right side is warm the left side is cold. just a little weird stuff like that. but yeah pretty crazy.
Mar 19, 2020 at 7:04 AM
Advertisement
Avatar
ASEMASTER6371
  • CERTIFIED EXPERT
  • 52,796 POSTS
Are the lights still on?

Did you verify coolant levels?

Roy
Mar 19, 2020 at 7:06 AM
Avatar
AGNUS
  • MEMBER
  • 37 POSTS
Check engine light is on and the fluids are all fine.
Mar 19, 2020 at 7:24 AM
Avatar
ASEMASTER6371
  • CERTIFIED EXPERT
  • 52,796 POSTS
Since it has not run in a while, you may want to consider changing the transmission fluid and filter.

https://www.2carpros.com/articles/how-to-service-an-automatic-transmission

Roy
Mar 19, 2020 at 7:26 AM
Avatar
AGNUS
  • MEMBER
  • 37 POSTS
I have no idea how to do that. is it pretty simple?
Mar 19, 2020 at 7:28 AM
Avatar
AGNUS
  • MEMBER
  • 37 POSTS
It don't have a dipstick, so could I just go to a parts store and get one?
Mar 19, 2020 at 7:31 AM
Avatar
ASEMASTER6371
  • CERTIFIED EXPERT
  • 52,796 POSTS
Follow the guide I sent you. It is a lot easier than the wiring you did.

Roy
Mar 19, 2020 at 7:36 AM
Avatar
AGNUS
  • MEMBER
  • 37 POSTS
I know that's right brother that was hard. pretty much like changing oil right?
Mar 19, 2020 at 7:38 AM
Avatar
ASEMASTER6371
  • CERTIFIED EXPERT
  • 52,796 POSTS
Correct but a little more messy.

Roy
Mar 19, 2020 at 7:39 AM
Avatar
AGNUS
  • MEMBER
  • 37 POSTS
Where would that filter be located?
Mar 19, 2020 at 8:00 AM
Avatar
AGNUS
  • MEMBER
  • 37 POSTS
I tell you it's some kind of miracle I tell you. but why do you think one side of blow hot and one side blow cold?
Mar 19, 2020 at 8:01 AM
Avatar
ASEMASTER6371
  • CERTIFIED EXPERT
  • 52,796 POSTS
The filter is inside the pan. When you drop the pan, it will be right there.

Roy
Mar 19, 2020 at 8:17 AM
Avatar
ASEMASTER6371
  • CERTIFIED EXPERT
  • 52,796 POSTS
Okay, site rules state we can only address one issue at a time.

For me to continue with the transmission issue, please start a new question back at the beginning.

Thanks,

Roy
Mar 19, 2020 at 11:15 AM
Avatar
AGNUS
  • MEMBER
  • 37 POSTS
Okay, well I've come to a closure that the PCM is going bad because I started it and limp mode so I tapped on it not to hard and it shut off so I started it nada did it a few times over and over and then it started. so I'm going to replace it Thank you..
Mar 19, 2020 at 1:11 PM
Avatar
ASEMASTER6371
  • CERTIFIED EXPERT
  • 52,796 POSTS
You are welcome.

Always glad to help.

Roy
Mar 19, 2020 at 1:15 PM
Avatar
AGNUS
  • MEMBER
  • 37 POSTS
I'm back well number 5 coil pack has no juice ??
Mar 19, 2020 at 9:31 PM
Avatar
ASEMASTER6371
  • CERTIFIED EXPERT
  • 52,796 POSTS
Do all the other coils have power to the same color wire?

Roy
Mar 20, 2020 at 4:34 AM
Avatar
AGNUS
  • MEMBER
  • 37 POSTS
They all work but that 1.
Mar 20, 2020 at 12:40 PM
Avatar
ASEMASTER6371
  • CERTIFIED EXPERT
  • 52,796 POSTS
You have a wiring issue at that 1 coil. One wire feeds all the coils there power. they each have a return voltage to the PCM.

Take a close look at the harness.

Roy
Mar 20, 2020 at 12:42 PM
Avatar
AGNUS
  • MEMBER
  • 37 POSTS
One is brown/yellow and black/yellow each pig Tail has only 1 brown/yellow and 1 black/yellow except the black pig tail it has 3 or 4 I believe.
Mar 20, 2020 at 1:43 PM
Avatar
ASEMASTER6371
  • CERTIFIED EXPERT
  • 52,796 POSTS
Look at another coil and see which one has voltage with the connector disconnected.

Roy
Mar 20, 2020 at 2:07 PM
Avatar
ASEMASTER6371
  • CERTIFIED EXPERT
  • 52,796 POSTS
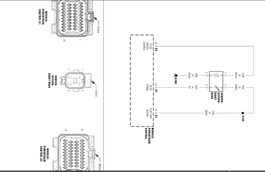
I attached another diagram that is clearer. I circled the wire that should have battery voltage with the key on.

Roy
Mar 20, 2020 at 2:10 PM
Avatar
AGNUS
  • MEMBER
  • 37 POSTS
Just wanted to let you know that there is like 10 codes and the check engine light is on, but shes running great. thanks for everything...
Mar 30, 2020 at 8:52 PM
Avatar
ASEMASTER6371
  • CERTIFIED EXPERT
  • 52,796 POSTS
You are welcome.

Let me know if you need any other help.

Roy
Mar 31, 2020 at 3:32 AM