Code p0336, Now all I get is puffing sound when cranking but start?

2000 CHEVROLET SILVERADO
242,000 MILES • 5.3L • V8 • 2WD • AUTOMATIC
Avatar
AKILLEON SAMPSON
  • MEMBER
  • 33 POSTS
Originally told the ignition switch was issue, changed and did 30 minute relearn, got scanner code P0336, changed crankshaft position and camshaft sensor and wiring (had a broken wire). Now all I get is poofing sound when cranking but won't turn over. 60 PSI fuel pressure, changed relays and fuses still no start. thinking it may be a timing chain issue but want to rule out everything before I strip the front accessories off...
Feb 6, 2021 at 7:20 PM
Advertisement
Avatar
DANNY L
  • CERTIFIED EXPERT
  • 5,648 POSTS
Hello, I'm Danny.

I've attached picture diagnostic steps below relating to code P0336 for your truck. Let us know what you find and keep us updated. Hope this helps and thanks for using 2CarPros.
Feb 6, 2021 at 7:55 PM
Avatar
AKILLEON SAMPSON
  • MEMBER
  • 33 POSTS
Will keep you updated Danny, as of now will not start so some tests can't be done.
Feb 7, 2021 at 5:06 AM
Advertisement
Avatar
ASEMASTER6371
  • CERTIFIED EXPERT
  • 52,796 POSTS
Good afternoon,

I would do a compression test. That will verify if you have a failed timing chain.

https://www.2carpros.com/articles/how-to-test-engine-compression

The compression should be 140-160. If they are all low, the timing chain could be the issue.

I attached a you tube video from us for the timing chain installation.

https://www.youtube.com/watch?v=mrp9YXPaYFg

Roy
Feb 7, 2021 at 9:55 AM
Avatar
AKILLEON SAMPSON
  • MEMBER
  • 33 POSTS
ASEMASTER6371 greatly appreciate that advice.. that actually skipped my mind will keep you guys informed soon as work is resumed on truck.
Feb 7, 2021 at 12:07 PM
Avatar
ASEMASTER6371
  • CERTIFIED EXPERT
  • 52,796 POSTS
You are welcome.

We are always glad to help.

Roy
Feb 7, 2021 at 12:10 PM
Avatar
DANNY L
  • CERTIFIED EXPERT
  • 5,648 POSTS
Hello again.

Yes, keep us updated and let us know what you find. If you need any additional diagnostic steps or diagrams let us know we're here to help. Thanks again for using 2CarPros.

Danny-
Feb 7, 2021 at 4:32 PM
Avatar
AKILLEON SAMPSON
  • MEMBER
  • 33 POSTS
Update: pulled all plugs (all looked like image), replaced plugs.. compression test all cylinders at 120-125 lbs still no start. still has backfiring (popping and poofing from intake and exhaust).
Feb 21, 2021 at 6:09 PM
Avatar
ASEMASTER6371
  • CERTIFIED EXPERT
  • 52,796 POSTS
Compression is too low. It should be 140-160. This sounds like you need a timing chain.

https://www.2carpros.com/articles/how-a-timing-belt-works

I attached one of our youtube videos for the procedure.

https://www.youtube.com/watch?v=mrp9YXPaYFg&t=1s

Roy
Feb 22, 2021 at 1:57 AM
Avatar
AKILLEON SAMPSON
  • MEMBER
  • 33 POSTS
Darn, okay.
Feb 22, 2021 at 3:03 AM
Avatar
ASEMASTER6371
  • CERTIFIED EXPERT
  • 52,796 POSTS
Keep us updated.

roy
Feb 22, 2021 at 3:12 AM
Avatar
AKILLEON SAMPSON
  • MEMBER
  • 33 POSTS
Definitely will.
Feb 22, 2021 at 3:12 AM
Avatar
ASEMASTER6371
  • CERTIFIED EXPERT
  • 52,796 POSTS
Thank you for using 2carPros.

Roy
Feb 22, 2021 at 3:13 AM
Avatar
AKILLEON SAMPSON
  • MEMBER
  • 33 POSTS
Okay, today I once again went while the basic steps from checking on the scanner to see that it still showed the CPK was malfunctioning or that it possibly was touching the reluctor wheel. I also checked different points of ground at the rear of the motor to the firewall and also at the front of the motor to the battery. Upon checking the spark plugs and wires I decided to test the coils 1 by 1 for each cylinder I noticed that on the driver's side the 1st 2 cylinders had no spark the 3rd cylinder had intermitted spark in the last cylinder had no spark I ran out of time before got dark so I couldn't check the passenger side but when I would place a screwdriver close to the engine block and the coil the motor seem to almost start the motor seem to almost start... Now I may be wrong but I am assuming that it could possibly be a ground issue?
Feb 23, 2021 at 7:26 PM
Avatar
ASEMASTER6371
  • CERTIFIED EXPERT
  • 52,796 POSTS
Okay, I attached the location f the ground for you for the injectors. Clean the connection and make sure it is tight.

Roy
Feb 24, 2021 at 12:56 AM
Avatar
DANNY L
  • CERTIFIED EXPERT
  • 5,648 POSTS
Hello again.

Just curious to know if any progress has been made. Let us know if you need any further instruction or diagrams. Keep us updated as to what you find. Thanks again for using 2CarPros.

Danny-
Mar 6, 2021 at 3:24 PM
Avatar
AKILLEON SAMPSON
  • MEMBER
  • 33 POSTS
I've rewired the CPK, changed cpk and cam sensors, spark plugs, wires, check injectors with noid tester, grounded CPK to body. Everything but open up the motor but still no luck.
Mar 6, 2021 at 6:34 PM
Avatar
ASEMASTER6371
  • CERTIFIED EXPERT
  • 52,796 POSTS
Did you check for power to the crank sensor itself?

Roy
Mar 7, 2021 at 3:32 AM
Avatar
AKILLEON SAMPSON
  • MEMBER
  • 33 POSTS
Yes, that is when I grounded cpk to body.. I checked blue pin 21 at PCM (cpk ground) no ground.
Mar 7, 2021 at 8:26 AM
Avatar
ASEMASTER6371
  • CERTIFIED EXPERT
  • 52,796 POSTS
What was the voltage?

I attached the connector diagram. The light green should have 12 volts.

Roy

Mar 8, 2021 at 2:14 AM
Avatar
AKILLEON SAMPSON
  • MEMBER
  • 33 POSTS
12 volts.
Mar 8, 2021 at 10:17 AM
Avatar
ASEMASTER6371
  • CERTIFIED EXPERT
  • 52,796 POSTS
On what color wire? The light green must have 12 volts for the sensor to work.

Roy
Mar 8, 2021 at 10:35 AM
Avatar
AKILLEON SAMPSON
  • MEMBER
  • 33 POSTS
Yes, light green power, blue trigger yellow ground.
Mar 8, 2021 at 12:39 PM
Avatar
ASEMASTER6371
  • CERTIFIED EXPERT
  • 52,796 POSTS
Can you test the voltage on the signal wire while cranking?

Roy
Mar 8, 2021 at 12:55 PM
Avatar
AKILLEON SAMPSON
  • MEMBER
  • 33 POSTS
I'm doing everything alone no help available.
Mar 8, 2021 at 5:00 PM
Avatar
ASEMASTER6371
  • CERTIFIED EXPERT
  • 52,796 POSTS
You are going to have to get someone to help you do these checks if you want to get to the root cause of failure.

See if you can get somebody to help you.

Roy
Mar 9, 2021 at 2:24 AM
Avatar
DANNY L
  • CERTIFIED EXPERT
  • 5,648 POSTS
Hello again.

We haven't heard a report in awhile so we are curious to know if any progress has been made. Let us know if you need any other diagnostic steps or diagrams. Hope this helps and thanks again for using 2CarPros.

Danny-
Mar 21, 2021 at 10:28 PM
Avatar
AKILLEON SAMPSON
  • MEMBER
  • 33 POSTS
I ordered a matching ECM will test when it arrives.. I'm trying not to take it to a shop.. with the ECM not reading negative for the CPK sensor ground I thought to try this before throwing in the towel.
Mar 21, 2021 at 10:32 PM
Avatar
DANNY L
  • CERTIFIED EXPERT
  • 5,648 POSTS
Hello again.

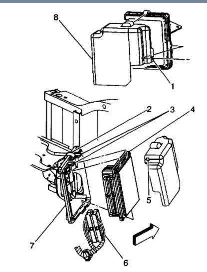
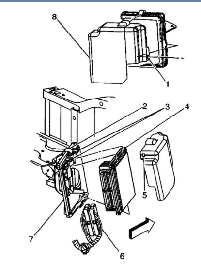
Okay, let us know how things go after ECM replacement. There are a few relearn procedures that will need to be done after replacement. I've attached picture steps below showing how to replace the ECM and the relearn procedures. Hope this helps and thanks again for using 2CarPros.

Danny-
Mar 21, 2021 at 11:01 PM
Avatar
ASEMASTER6371
  • CERTIFIED EXPERT
  • 52,796 POSTS
Like Danny stated, you need to program the replacement ECM for it to work.

Roy
Mar 22, 2021 at 4:31 AM
Avatar
AKILLEON SAMPSON
  • MEMBER
  • 33 POSTS
Update: received and installed used PCM/ECM of the exact same part number, reconnected everything, re-inspected the wiring at the CPK and at the computer, performed relearn procedure, attempted to start with no luck. Checked the ground for CPK at the PCM and found no ground signal on the yellow wire. So I am still stuck in the same place. No spark to coils 1,2 and 4 on the drivers side.
Mar 30, 2021 at 8:40 PM
Avatar
ASEMASTER6371
  • CERTIFIED EXPERT
  • 52,796 POSTS
Okay, did you have the ECM programmed to your VIN number? Even if you have the same part number it still has to be programmed to your VIN.

That can be done with a DRB 2 or equivalent advanced scan tool. Most shops have the capability to program the ECM.

Roy

Procedure

1. Setup - Ensure that the following conditions have been met:
^ The battery is fully charged.
^ The ignition is ON.
2. Program the PCM using the latest software matching the vehicle. Refer to the Techline terminal/equipment users instructions.
3. If the PCM fails to program, proceed as follows:
^ Ensure that all PCM connections are OK. Inspect the Techline terminal or equipment for the latest software version.
^ Attempt to program the PCM. If the PCM still cannot be programmed properly, replace the PCM. The replacement PCM must be programmed.
4. Perform the PCM Password Learn procedure. Refer to DTC P1631 Theft Deterrent Start Enable Signal Not Correct.
5. Perform the Idle Learn Procedure. Refer to Idle Learn Procedure.
6. Perform the CKP System Variation Learn Procedure. Refer to CKP System Variation Learn Procedure.
7. Reset the engine oil life monitor. Refer to GM Oil Life System - Resetting.
8. Perform the Functional Check.

FUNCTIONAL CHECK
1. Clear the Diagnostic Trouble Codes (DTCs).
2. Perform the powertrain On Board Diagnostic (OBD) System Check.
3. Start the engine and idle the engine for 1 minute.
4. Use the scan tool in order to inspect for DTCs.
Mar 31, 2021 at 4:28 AM
Avatar
AKILLEON SAMPSON
  • MEMBER
  • 33 POSTS
A lot of the advice that I'm getting is dealing with a running vehicle.. my vehicle is not running and yes I have had PCM programed.. I am looking for the solution for no ground at the PCM for the CPK.
Mar 31, 2021 at 11:34 AM
Avatar
ASEMASTER6371
  • CERTIFIED EXPERT
  • 52,796 POSTS
Okay, I attached the wiring diagram of the crank sensor and the connector.

Do you have 12 volts to the connector on terminal C or the light green wire?

Also, put your voltmeter leads in the connector. Red lead to C and black lead to B or the yellow-black. Tell me the voltage. It should be battery voltage with the key on.

https://www.2carpros.com/articles/how-to-check-wiring

https://www.2carpros.com/articles/how-to-use-a-voltmeter

Roy
Mar 31, 2021 at 12:03 PM
Avatar
DANNY L
  • CERTIFIED EXPERT
  • 5,648 POSTS
Hello again.

Please give us an update as we haven't heard from you for awhile. Thanks again for using 2CarPros.

Danny-
Apr 10, 2021 at 2:33 PM
Avatar
AKILLEON SAMPSON
  • MEMBER
  • 33 POSTS
No update still not running.
Apr 10, 2021 at 2:47 PM
Avatar
ASEMASTER6371
  • CERTIFIED EXPERT
  • 52,796 POSTS
Did you do any of the checks we suggested?

Roy
Apr 10, 2021 at 2:49 PM
Avatar
AKILLEON SAMPSON
  • MEMBER
  • 33 POSTS
Yes, 14v.
Apr 10, 2021 at 3:04 PM
Avatar
ASEMASTER6371
  • CERTIFIED EXPERT
  • 52,796 POSTS
Okay, that is 14 on both pins? Did you put the black lead in the connector as well?

Roy
Apr 10, 2021 at 3:10 PM
Avatar
AKILLEON SAMPSON
  • MEMBER
  • 33 POSTS
Yes I did.
Apr 10, 2021 at 3:31 PM
Avatar
AKILLEON SAMPSON
  • MEMBER
  • 33 POSTS
There is no ground at the ECU.
Apr 10, 2021 at 3:31 PM