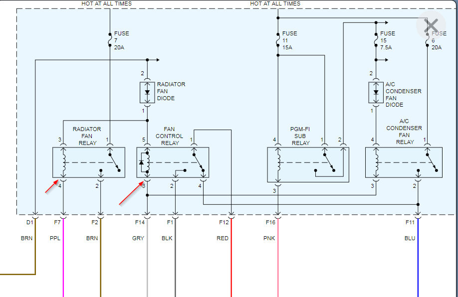
Both fans are not coming on. I have tested both fans directly and they both work. All fuses check okay. I have replaced the fan switch thinking that was it, but it was not. Just a bad conclusion on my part. Relays are good. So, this is where I am at. Switch is good. Fan is good. When I jumped the fan switch connector, I get nothing. The one pin out has connectivity to the blue wire that leads to the fan. The other pin out on the switch connector seems to have continuity when I have the key in the on position. I tested with a meter, negative on the battery, positive on that pin and I did get a reading. I did not get a reading when the key was in the off position.
I have done little testing on the A/C fan side. I have confirmed the fan works. I also jumped the 1 and 2 pins and the A/C fan did come on. That is the extent of my testing.
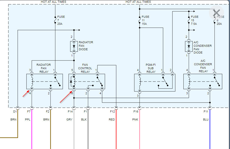
I have done little testing on the A/C fan side. I have confirmed the fan works. I also jumped the 1 and 2 pins and the A/C fan did come on. That is the extent of my testing.
Jun 28, 2020 at 9:48 PM


















