Mar 16, 2024 at 5:37 PM
No start when hot?
2000 DODGE RAM WAGON
Advertisement
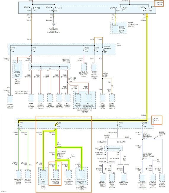
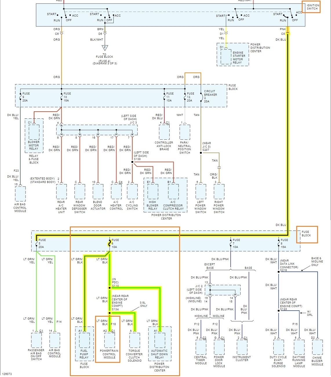
Okay, if you have battery voltage at Fuse 6 and not at A2, we need to figure out why, there's 2 connectors in series to the PCM, connector C205 pin 31, then a Splice S110 that is inside the Power Distribution Center (PDC) which branches off to the ASD Relay, then connector C109 pin 1. It's a light green/black wire the entire way. I will find these connectors.
Tried switching the cluster bulbs between Cruise which was working and CEL to see if it was just a bad bulb. Now neither work. Could something in the cluster be doing all of this?
Mar 16, 2024 at 5:37 PM
Advertisement
Checked ASD relay ports got 12.25 out of two of them.
Mar 16, 2024 at 5:44 PM
Did you disconnect any main connectors on the back of the Cluster, I haven't looked up the service info on that yet, It is on the network. You can try unplugging that as well just like the ABS module, but you're still missing the A2 power.
The Cluster could have a pin fitment issue in the connector as well, when these vehicles get this old, you're going to run into multiple issues, it's just the way it happens,
When you unplug a connector that hasn't been apart in 20 years, the pins are stressed and spread apart, the wires are old and brittle, They have spent 24 years of heating up and cooling off multiple times a day, All that expansion and contraction cause all kinds of issues you wouldn't expect unless you've been doing this forever. I tell people almost anything is possible, but go ahead and try it with the cluster unplugged.
The Cluster could have a pin fitment issue in the connector as well, when these vehicles get this old, you're going to run into multiple issues, it's just the way it happens,
When you unplug a connector that hasn't been apart in 20 years, the pins are stressed and spread apart, the wires are old and brittle, They have spent 24 years of heating up and cooling off multiple times a day, All that expansion and contraction cause all kinds of issues you wouldn't expect unless you've been doing this forever. I tell people almost anything is possible, but go ahead and try it with the cluster unplugged.
Mar 16, 2024 at 5:51 PM
No change with cluster unplugged.
Mar 16, 2024 at 6:17 PM
A2 on C1 has no power, but A1 and A3 on C1 read 12v with key on, this is when it's disconnected from PCM.
Mar 16, 2024 at 6:34 PM
It may be coincidence but almost seems like wiggling C3 gets it to register something and turns on fuel pump. I pulled the cover off the back of c3 and tried to located the C12 wire, will back probe both the dark green and orange wire and see what happens.
Mar 16, 2024 at 6:39 PM
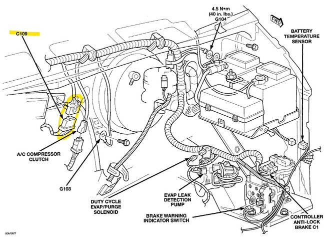
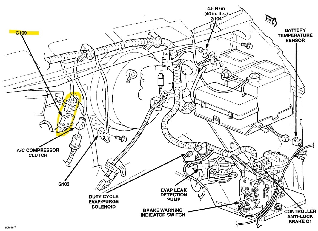
Here is connector C109, it has 13 wires and is Black, you'll have to identify it by its wire colors, service info doesnt show if its up in the center of the dash or on the firewall in the engine compartment, I think its going to be above the gas pedal area, Pin 1 is the Lite Green wire with a Black stripe. Its the last connector inline to the PCM A2.
You mentioned you had 5volts at the crank sensor, and that comes from A17, so A2 has to have power, since its the only Ignition Switch feed.
Once you have the PCM connector plugged back in, back probe one of the sensors in diagram 6 while its still plugged in and check for the 5volts, It should be there, if its missing while all those sensors are plugged in. We will go from there. I think you will find its there, and we are dealing with some type of network issue. There are other modules that can be causing this.
At this point I would be scoping the network to check the CCD signal, but you cant do that with a multimeter,.
The 11.2volts on A22 is low as well. That should be the same voltage level as at the ASD relay socket.
So retest with the PCM plugged in, and we'll get back at this tomorrow.
You mentioned you had 5volts at the crank sensor, and that comes from A17, so A2 has to have power, since its the only Ignition Switch feed.
Once you have the PCM connector plugged back in, back probe one of the sensors in diagram 6 while its still plugged in and check for the 5volts, It should be there, if its missing while all those sensors are plugged in. We will go from there. I think you will find its there, and we are dealing with some type of network issue. There are other modules that can be causing this.
At this point I would be scoping the network to check the CCD signal, but you cant do that with a multimeter,.
The 11.2volts on A22 is low as well. That should be the same voltage level as at the ASD relay socket.
So retest with the PCM plugged in, and we'll get back at this tomorrow.
Mar 16, 2024 at 6:58 PM
Thank you, just pulled two codes off it from the OBD P1492 Battery Temp Sensor and P0443 EVAP control circuit, I figure it's related to me disconnecting PCM harness but am surprised it actually threw a code, wasn't sure if it was capable. Once again thank you for your time, will talk tomorrow.
Mar 16, 2024 at 7:05 PM
Could either of those codes be related to the NO BUS issue?
Mar 17, 2024 at 10:20 AM
Are you still getting a no bus message and the PCM is setting codes? This makes me think there is something going on with the PCM connector pin fitment, with the PCM reacting like this. I would try unplugging the other 2 connectors and go to autozone or whatever auto parts store you have near you and get some electrical terminal cleaning spray. It will say Terminal Cleaner on the can. This is the best kind you can get, but I also use a WD40 terminal spray that works good. It will clean any corrosion that deep inside the connectors you may not be seeing.
The battery temp sensor works on a 5volt reference, service info states its at the bottom of the battery tray (the worst place in the world to put it), but Id definitely check it. If the sensor is shorted to ground anywhere it will pull down the 5v ref. But so far I dont think you were missing any reference voltages, this is where testing with the PCM plugged in is important.
As for the P0443, thats the PCM not seeing 12volts on the control wire for the Purge valve, when a solenoid like the purge valve is off, the PCM will see 12volts coming through the solenoid and its monitoring that wire, When the PCM turns on the Purge solenoid it will Ground the control wire and that wire will go to 0volts,
You can check the Purge valves resistance with it unplugged, it should be 10-15 Ohms, and with the key On one wire of the connector should have 12volts on it.
If the no bus message is still showing but you can pull codes from the PCM, theres something going on with the other network, the scan tool communicates with the PCM on the SCI network (Serial Communication Interface) but the rest of the communications are done on the CCD network.
The battery temp sensor works on a 5volt reference, service info states its at the bottom of the battery tray (the worst place in the world to put it), but Id definitely check it. If the sensor is shorted to ground anywhere it will pull down the 5v ref. But so far I dont think you were missing any reference voltages, this is where testing with the PCM plugged in is important.
As for the P0443, thats the PCM not seeing 12volts on the control wire for the Purge valve, when a solenoid like the purge valve is off, the PCM will see 12volts coming through the solenoid and its monitoring that wire, When the PCM turns on the Purge solenoid it will Ground the control wire and that wire will go to 0volts,
You can check the Purge valves resistance with it unplugged, it should be 10-15 Ohms, and with the key On one wire of the connector should have 12volts on it.
If the no bus message is still showing but you can pull codes from the PCM, theres something going on with the other network, the scan tool communicates with the PCM on the SCI network (Serial Communication Interface) but the rest of the communications are done on the CCD network.
Mar 17, 2024 at 10:49 AM
No, OBD will only connect when it will start and gauges work, even then half the time I just get an error message.
Mar 17, 2024 at 11:19 AM
It won't start all day unless a cloud covers the sun but all night and early morning it starts and runs fine.
Mar 17, 2024 at 11:23 AM
Cloud cover? Is it really that sensitive? I added some info on my last post as well.
Mar 17, 2024 at 11:34 AM
Yes, like clockwork. Do you have an opinion of the CRC brand electrical cleaner? If you think the other stuff is considerably better let me know and I will drive the extra mile.
Mar 17, 2024 at 2:19 PM
Yeah, it's okay, I actually have a can of that myself too. It works good. So you think that just the top of the dash getting a little warmer is what's causing this, I'm just trying to figure out what exactly is in the upper dash area that's getting hot to cause the bus fault, My first thought is a cracked solder joint in either a module or a connector pin is just barely making contact and the heat is causing enough expansion to open the circuit,
What about if you were to cover a certain section of the dash with a folded up towel and do about a foot of the dash at a time, I know this sounds strange and I've never tried this, but just to see if we can isolate the section of dash that's having the issue.
I assume under the hood doesn't get hot enough just sitting in the sun to heat up the power distribution center.
I'm going to keep looking for any modules located in the upper dash that could be affected so easily. But clear the codes out that have set, if they come back, here's the location of the battery temperature sensor and the Evap Purge valve. But you are correct the codes probably set because the PCM was unplugged with the key on.
And you said you have manual door locks, correct?
What about if you were to cover a certain section of the dash with a folded up towel and do about a foot of the dash at a time, I know this sounds strange and I've never tried this, but just to see if we can isolate the section of dash that's having the issue.
I assume under the hood doesn't get hot enough just sitting in the sun to heat up the power distribution center.
I'm going to keep looking for any modules located in the upper dash that could be affected so easily. But clear the codes out that have set, if they come back, here's the location of the battery temperature sensor and the Evap Purge valve. But you are correct the codes probably set because the PCM was unplugged with the key on.
And you said you have manual door locks, correct?
Mar 17, 2024 at 2:37 PM
Yes, manual doors and windows.
Mar 17, 2024 at 2:52 PM
Okay, did you have the no bus message when pulling the codes from the PCM? or do you always have no comms with the PCM with the no bus message?
The next check during the fault, with the key off and no bus message, check for continuity to ground on pins 3 and then 11 of the DLC. Thats checking if either of the bus + or - is shorted to ground while this is happening. Have your meter set on the resistance (Ohms) setting. Since you're checking at the data link connector, you can use pins 4 or 5 for ground checks, but also use a body ground as well just to be sure. You shouldn't have any continuity to ground on pins 3(CCD bus +) or 11(CCD bus -). You might as well check pins 6 and 7 as well, those are the PCM to scan tool data wires.
I have to run out for a mobile call, but will check back with you a little later, it will be dark here soon anyway.
The next check during the fault, with the key off and no bus message, check for continuity to ground on pins 3 and then 11 of the DLC. Thats checking if either of the bus + or - is shorted to ground while this is happening. Have your meter set on the resistance (Ohms) setting. Since you're checking at the data link connector, you can use pins 4 or 5 for ground checks, but also use a body ground as well just to be sure. You shouldn't have any continuity to ground on pins 3(CCD bus +) or 11(CCD bus -). You might as well check pins 6 and 7 as well, those are the PCM to scan tool data wires.
I have to run out for a mobile call, but will check back with you a little later, it will be dark here soon anyway.
Mar 17, 2024 at 3:11 PM
I think I'm onto something. It's been starting today at about 65*. I can make it not start by holding a blow dryer over C3 (we are going c1-c3 left to right?). Afterwards I can push or pull very lightly on the same connector and hear fuel gauge activated and then it will start. Going to get the CRC or WD40 electrical cleaner in an hour or so, finding the Deoxit proved nearly impossible, will order some for future projects.
Mar 17, 2024 at 3:13 PM
Good idea with the hair dryer, I suspected a connector issue, it might not even be corroded inside the connector, it may be that the females pins in the harness side of the PCM connector are spread apart some, since you can move the connector and hear relays activate, that means there just isn't a good connection inside. Another possibly is that the PCM circuit board has cracked solder joints right where the connector plugs in. Thats where they usually crack. Here are some pictures I saved of cracked solder joints, I know you replaced the PCM, but I'm almost a 100% sure it's a reman PCM.
But the way to check the pin tension in the connector is to find a pin that's the same size or just a tiny bit smaller than the ones on the PCM. They do a drag test to check the pin tension inside the PCMs harness side connector.
If you find loose pins, you'll feel it, go through and check all 3 connectors and spray some cleaner in there too,
The thermal issue sounds more like cracked solder though, but it might be pin tension, at least you have some direction now though. Let me know what you find.
But the way to check the pin tension in the connector is to find a pin that's the same size or just a tiny bit smaller than the ones on the PCM. They do a drag test to check the pin tension inside the PCMs harness side connector.
If you find loose pins, you'll feel it, go through and check all 3 connectors and spray some cleaner in there too,
The thermal issue sounds more like cracked solder though, but it might be pin tension, at least you have some direction now though. Let me know what you find.
Mar 17, 2024 at 3:35 PM
Hello, do you think you've found the issue?
Mar 18, 2024 at 8:04 AM
Ordering a new PCM today, hopefully that's the fix, AutoZone says if it's not the fix and I keep it clean then I can bring it back. It would make sense that its internal, and it is the closest thing to the hood that is affected most by sunlight and outside temperature.
Mar 18, 2024 at 11:08 AM
If you want to ship the PCM over to me, I'll open it up and check all the solder joints, I can fix any that are cracked. I work on electronics as well; I'll fix it up and send it back. That way you'll have a spare. There's no charge, just pay about 10 dollars to mail the module. I've had one shipped over from Hawaii once and that was only $10 surprisingly. Just leave me your email and I'll contact you on the side. I'd be interested to see what the fault is inside.
Mar 18, 2024 at 11:37 AM
[email protected]
Mar 18, 2024 at 2:17 PM
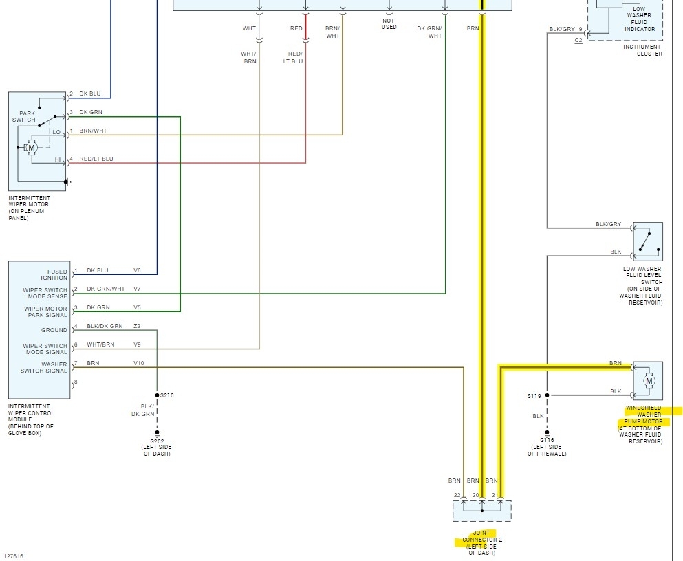
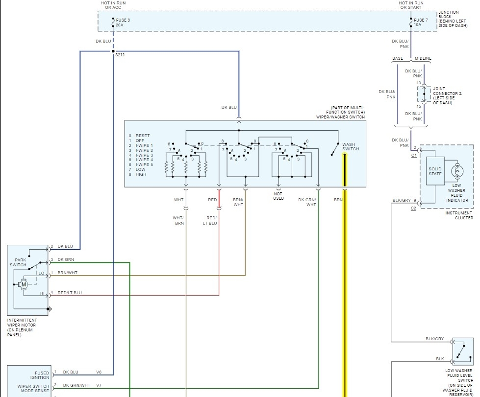
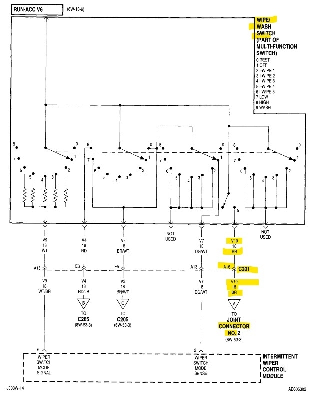
While I'm waiting for the new PCM I figured I'd replace and repair a few little things on the van. Would you have the wiring diagram for the windshield washer, the fuse is good, wipers and blinkers work, I checked for power to the washer and found none.
Mar 18, 2024 at 2:24 PM
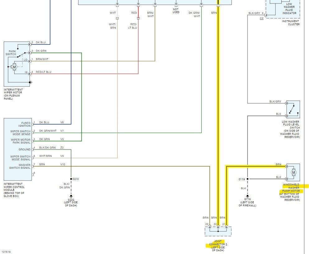
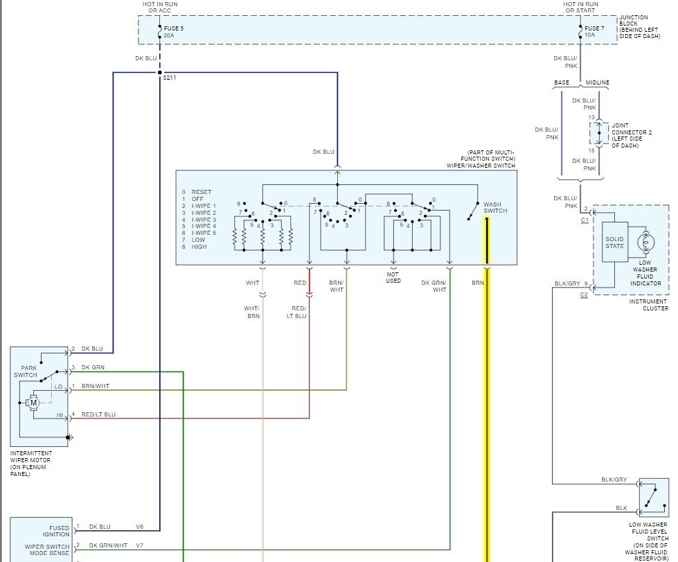
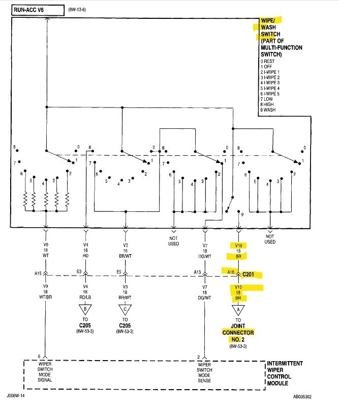
So, in the OEM diagram the washer pump's power feed comes from connector C205 next, which is just below the data link connector, it's still a brown wire there, pin 35. Then goes to that Joint Connector No. 2 which is probably on the steering column going towards the switch.
The 6th diagram is as far as they go with that connector, it's a white connector and should have 3 brown wires, but it might actually be plugged into the fuse block on the driver side dash, because they have the brown wires labelled as pins 20, 21, 22, so if power is missing a C205, I'd go to the back of that Fuse Block.
The 6th diagram is as far as they go with that connector, it's a white connector and should have 3 brown wires, but it might actually be plugged into the fuse block on the driver side dash, because they have the brown wires labelled as pins 20, 21, 22, so if power is missing a C205, I'd go to the back of that Fuse Block.
Mar 18, 2024 at 3:01 PM
Actually, after C205 the brown wire runs to C201, its pin A16 circuit V10 still a brown wire. Thats the washer pump feed still. And C201 ends at the Multifunction Switch, so it can be traced all the way back to there.
It's still circuit V10 brown wire all the way to the switch.
It's still circuit V10 brown wire all the way to the switch.
Mar 18, 2024 at 3:16 PM
Just FYI, service info requires a VIN to be programmed into a new PCM using a capable scan tool. I'm not sure what options they gave you at the auto parts store, or where you ordered it from. But if you order from Flagship One, they can preprogram the VIN for you, so the module is plug and play.
Mar 18, 2024 at 3:30 PM
Update, plugged in new PCM and all issues appear to be solved, all dash gauges and lights work and van is running good, has not given me any no starts. Windshield washer had been plugged in backwards so that was an easy fix. Thank you for all of your time and knowledge, Al with 2carpros is the Best!
Mar 23, 2024 at 11:45 AM


























