Good morning,
Yes, it could be.
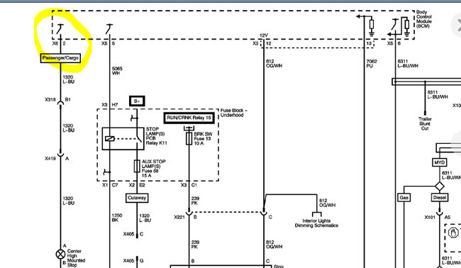
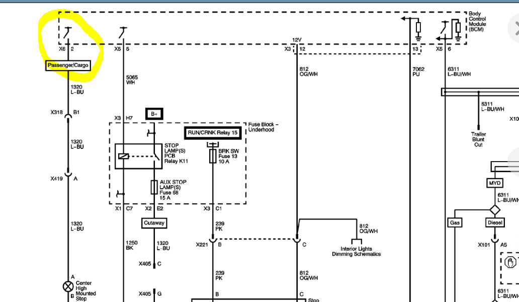
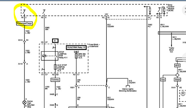
If you have normal brake lights to the rear, then the brake light switch is working correctly. It sends a signal to the BCM and then it goes to the center light.
Before assuming it is the BCM, you need to test for power coming out of the BCM. If there is power, then it could be wiring to the socket.
I would test it first before replacing an expensive part that will not fix it.
Roy
Images (Click to enlarge)
Feb 22, 2019 at 5:20 AM