Where is the vapor canister vent valve located?

2010 CHEVROLET AVEO
76,000 MILES • 1.6L • 4 CYL • 2WD • AUTOMATIC
Advertisement
Avatar
CHEVYOWNER10
  • MEMBER
  • 93 POSTS
Thanks AL. Your help is important. Even though I am a beginner mechanic and went to school, I do remember some things I learned in school. I learned that getting the code P0420 doesn’t always mean the catalytic converter is bad. It can also mean a lean o2 sensor. Many shops made that mistake by dropping in cats and the code came back. It turned out to be a 02 sensor sometimes.

The vehicle runs fine, and acceleration is smooth. But sometimes it delays when stepping on the gas pedal like it’s hard to accelerate at first. I don’t smell any rotten eggs like I smelled before. So, I am hoping the purge valve fixed that.

I just have that one little problem with the rpm surging. It still surges at idle and when you are slowing down the vehicle. What it does is, when you drive it cold it doesn’t surge and it’s easy to step on the gas pedal. But when it reaches operating engine temperature and the engine is hot, say driving it for 35 mins to longer it’s when the rpm begins to surge. Usually at cold starts RPMs surge for a couple of seconds. But it drops and is fine for a while when driving.


At this point, I wouldn’t say it’s sluggish, just a delay in acceleration stepping down on the gas pedal at first. I just don't like it when I am at a green light and have to accelerate again. Feels like the pedal hesitates to go to the floor. It feels like it’s hard and you can barely get the car to move forward at first. It takes some effort at first because all cars usually are smooth like butter soon as you step on the gas to accelerate.

I will have to check the MAF sensor on the scanner and let you know. Is that rule of thumb for the MAF the same range for any car or truck or specs are different?

Between, is there any idea I can check the cat without any special scan tools? Like what do I need to notice after I remove the top o2 sensor from the manifold? Someone said you can check with a meter?
May 13, 2022 at 9:17 PM
Avatar
AL514
  • CERTIFIED EXPERT
  • 5,465 POSTS
You can monitor the rear oxygen sensor; it should have a pretty steady voltage signal. If its voltage is swinging back and forth from 200mv and 800mv, that's a sign the cat might be having issues. But the fuel trims will be a big indicator as to how the engine is running. Also, since this car has a narrowband front oxygen sensor, you can watch as it does when you're having that issue taking off. If you can watch the front 02's voltage signal, try going to wide open throttle and the 02 should go rich, voltage up around 0.700v-0.800v. If it doesn't or the voltage is staying low, anything under 0.450v is a lean mixture. Lack of fuel or extra air.
As for removing the front 02, I just do that so I can put my bore scope down the exhaust and physically look at the catalytic converters condition. You can also do a back pressure test, but I think it is because the issue is mostly just coming off an idle. I would watch the fuel trims and 02s while accelerating to see what the ECM is seeing and doing. Some of the cheaper scan tools can also graph the voltage reading which is extremely helpful for monitoring the 02s. Since the exhaust is fixed, I'd be interested in seeing what the fuel trims are at. I remember it getting as low as -17%, that would be a concern.
May 13, 2022 at 9:48 PM
Advertisement
Avatar
CHEVYOWNER10
  • MEMBER
  • 93 POSTS
Okay, so all that stuff about removing the o2 sensor and checking the voltage readings cannot be done with a meter. It has to be seen on a scanner.

I have a craftsman scanner I paid $55 for. I can view graphs and see what some of the sensors are doing in freeze frame. Today I checked the MAF sensor and got around 4g% at idle. Today the idle was smooth and I was able to accelerate fine. But like I said you have to be driving the car longer and further for it to do what it does with the rpm surging. At idle I did notice the engine feels like it still surges but only slightly, nothing erratic or anything kind of like a minor misfire, if i had to describe it.

I did not notice any RPM surging today because I didn't drive that far. I did look at the fuel trims at cold to operating temperature. Long term fuel trims still is lean at idle and rich at acceleration. But I didn't see anywhere near -17% this time at acceleration when it went that lean last time.

First at idle it's at 0.0%...then I accelerate and it gets rich...around +3% to +6%
I make a complete stop at a red light and back to idle again. The vehicle decreases to -5% down to -0.3% at idle.

These are just the ranges I am seeing. When I receive around -17% lean at acceleration that was before the exhaust was leaking. But so far after the exhaust has been repaired these are the current trims. It looks stable than before. But I am still seeing always lean at idle and rich at accel.
May 14, 2022 at 9:23 AM
Avatar
AL514
  • CERTIFIED EXPERT
  • 5,465 POSTS
Those fuel trim numbers are almost perfect. I wouldn't even worry about trims unless they are hitting +/-10% at the minimum. What I meant by removing the 02 sensor is not a reading. I take a borescope (a small camera on a cable) and physically look at the converter with a camera down the exhaust. I just did this with a Toyota that had no converter codes (no p0420) but when looking at the converter with a camera I could see the converter honeycomb had melted down. It's just an easier way to look at the converter than unbolting it from the exhaust to inspect the honeycomb. Finding bad cats without a p0420 happens all the time. The ECM doesn't really set that code unless it sees the rear 02 acting strange. Then it will set a code for low converter efficiency. But when the converter actually melts down you will end up with a a sluggish lack of power. It will be more of having to put your foot to the floor and the car still doesn't want to move. That doesn't seem to be what's happening with your car.
Your car has a 1.9l engine so 4g/s is a bit above what I would expect but not enough.
Try this, (webpage below), It is a VE test, volumetric efficiency test using data numbers.
You put in the numbers you're seeing on your scan tool, and it will tell you how well the car is breathing.

https://atgtraining.com/atg-volumetric-efficiency-calculator/

When you say the idle hunting issue doesn't show up until after a longer drive, that makes me think it has something to do with heat. For example, an Intake manifold heating up and the gasket leaking type of situation. In that case I would smoke test the intake and evap system after a long drive when everything is really hot. If that's when the issue is showing itself, that's when the testing needs to be done.,
If your fuel trims go a lot more negative at idle after a long drive and things are up to temperature, then you would suspect a fueling issue. Being negative at idle means your engine is rich at idle and the ECM is compensating for it, or the ECM thinks its rich. So something like a fuel pressure regulator or leaking injector, or even an oxygen sensor that is hanging rich (higher voltage reading) and the ECM is taking fuel away. An oxygen sensor that's hanging up (or we call it a lazy 02 sensor) can trick an ECM into either adding or taking away fuel when it really shouldn't be. Graphing oxygen sensors is good because you can see the voltage signal staying high or low longer than it should. Here's a few more guides to read through, just to help some. But look through your live data after a long drive and its hot, assume the issue is heat related, check the fuel trims then and if you can graph the front oxygen sensor. I added some examples below of graphed 02 sensors as well.

https://www.2carpros.com/articles/how-an-oxygen-sensor-works

https://www.2carpros.com/articles/how-to-test-an-oxygen-sensor-02-sensor

https://www.2carpros.com/articles/repair-lean-mixture-codes-p0171-or-p0174-on-some-manufacturers

https://www.2carpros.com/articles/engine-surges
May 14, 2022 at 2:17 PM
Avatar
CHEVYOWNER10
  • MEMBER
  • 93 POSTS
Yesterday I looked at the fuel trims and o2 sensor readings when engine was hot and being driven for a long period of time. 02 sensor for front Bank 1 sensor 1 is all over the place. It doesn't give me steady readings. 02 sensor for rear near cat Bank 1 sensor 2 is reading around 600-800v. I remember you said for the rear 02 sensor, if it was reading from 200-800 and it wasn't staying steady there would be a problem with the cat working. But the second 02 sensor looks fine because it's staying around 700v for the most part. 02 sensor bank 1 sensor 1 is going from 0.90v to 800v. It's never staying at one reading. Now from the readings below you'll see what the issue is. When it's lean and when it's rich and when it stays lean and when it stays rich. I also have a pic of a graph of the 02 sensor bank 1 sensor 1 when engine reach temp and was at idle. It starts out normal and has some resistance in the middle.

IDLE READINGS
SHORT TERM FUEL TRIM (AT IDLE) AT ENGINE TEMP
READS BELOW -10 BUT STILL AT LEAN
LONG TERM FUEL TRIM (AT IDLE) AT ENGINE TEMP
READS BELOW -10 BUT STILL AT LEAN

ACCELERATION READINGS
SHORT TERM FUEL TRIM (AT ACEL)
READS BELOW +10 BUT STILL RICH
LONG TERM FUEL TRIM (AT ACEL)
READS BELOW +10 BUT STILL RICH

Now here's where it acts up. This is when the rpm needle starts to surge

Acceleration to deceleration readings
When you let off the gas pedal to decel on brake pedal the rpm needle will continue to rise to 1000 rpms making the engine surge after making a complete stop to oncoming intersection, red light, ect

Short term fuel trim (acel to decel) at engine temp
Reads higher lean counts and higher rich counts. Somewhere between -9 to -20 and adds more fuel +10 to +20. But only does it when you decel and the rpm needle surges. If the rpm doesn't surge the fuel trims are fine. The shor term fuel trims are making the engine lean because air is getting inside the engine and it's putting a heavy load on it when you decel

Long term fuel trim (acel to decel) at engine temp
This was the fuel trim that was reading higher lean and higher rich before at decel before the exhaust was repaired. Short term trims were reading fine before. Now exhaust is repair and short term is reading higher lean and rich counts.

*important info*
Mention before but will mention again because it's important
Before the exhaust was repaired it was the complete opposite. Short term fuel term trims would be normal and long term fuel trims would be higher counts of lean and rich at (acel to decel) at engine temp.

But as you can see now with exhaust repair, short term fuel trim counts only go higher at decel when the rpms surge. I would say every couple of mins the rpms surges when the engine has been driven for a long period of time and short term fuel trim counts get really lean than back to really rich adding all that fuel. When you begin to wide open throttle to accelerate the vehicle the numbers go back to rich again but not too rich and everything smooths out again.

I know i keep repeating myself but it's very important that you know when the fuel trims change and when they do it at what times.

So the real deal here is when you step on acel pedal to acel the short term fuel trims move to lower rich counts until you decel and short term trims move higher lean to higher rich again. I feel if there was large vacuum leak when the engine surges or the cat was clogged it would create back pressure at wide open throttle and you would not be able to floor the gas pedal at wide open throttle or even acel smooth down the road. The gas pedal is able to acel, but when you let off the gas pedal to decel you feel the engine surge and rpms jump. That is when the short term trims go crazy. I wouldn’t say it does it constant at decel, but if the engine is hot and driven long periods that is when the engine and cat gets really hot and rpms will make short fuel trims go higher than normal at decel causing it to go really lean and really rich.

What we are dealing with here is not acceleration issues, it happens at decel when you are slowing down.


0xygen sensor voltage readings: at idle, acel and decel
O2s bank 1 sensor 1- swinging from 0.95v to 840v
02s bank 1 sensor 2 - does not reach below 600v, it can go as high as 850 but stays around 700.





Here is the graph i attach also of the o2 sensor bank 1- sensor 1
You see how the current changes in the middle? That is when the rpm needle surges at idle.
May 18, 2022 at 9:23 AM
Avatar
CHEVYOWNER10
  • MEMBER
  • 93 POSTS
Here is how the engine is breathing also.
May 18, 2022 at 9:38 AM
Avatar
AL514
  • CERTIFIED EXPERT
  • 5,465 POSTS
Don't worry about anything below %10+/-. That amount of change is going to happen.
It seems the idle surge on the brake pedal is really the concern, correct? And does the idle surge if it's in Park and you're not on the brake pedal?
So far you have done the VE test and it came out really good. So, the converter is not an issue. The front 02 looks great. That little flutter in the middle is the ECM correcting its fuel strategy. We just need to find out why you're getting an over rich condition intermittently. You might have a fuel injector that's sticking when it's hot. I'll put a link below for a Fuel Injector pulse kit. So, you can do a Fuel Injector balance test when the vehicle is hot. Thats when your issue is happening.

Put a fuel pressure gauge on the fuel rail, prime the system so it's up to its spec (Key On), Then pulse the injectors one by one and see if they all drop the same amount of fuel pressure. You have to re-prime the system in between injector pulses.
After you do all 4 cylinders, you need to start the car in between the test.

On your 02 graph, you can see it goes rich for a split second, then goes lean for a second. That looks like a fuel injector sticking open on decel and the ECM compensating for it. I would try the injector balance test while it's really hot, so right after a long drive. It doesn't look like it surges for very long. Your fuel pressure spec is 53-60psi. While the pressure gauge is on the rail make sure the pressure doesn't drop off suddenly either.

https://www.amazon.com/Automotive-Injector-Diagnostic-Individual-Burnt-out/dp/B01CNOR84Q/ref=asc_df_B01CNOR84Q/?tag=hyprod-20&linkCode=df0&hvadid=312158556601&hvpos=&hvnetw=g&hvrand=13085153105760234156&hvpone=&hvptwo=&hvqmt=&hvdev=c&hvdvcmdl=&hvlocint=&hvlocphy=9009954&hvtargid=pla-568875594142&th=1
May 18, 2022 at 2:04 PM
Avatar
CHEVYOWNER10
  • MEMBER
  • 93 POSTS
Yes, the idle on the brake pedal when you decel is when idle surges with the RPMs. The RPMs also surge when you are in park. That only happens when you start the vehicle every single time and RPMs jump from 1,000 to 2,000 RPMs. It used to do it constantly last year. But it has to whine down.

When you say, “You have to re-prime the system in between injector pulses” you don’t mean disconnect the fuel pump relay? The car has to be at idle to test each injector right? I was thinking you had to disable the fuel system to test each injector while using this tool. I recall something like that when I was in school. We had to do a injector balance test and they cranked the vehicle to check engine injector pulse. But they said don’t flood the engine so only crank for 5 seconds. Maybe I forgot and got it confused with the compression test we done. Please refresh my memory how this tool works.
May 19, 2022 at 2:50 PM
Avatar
AL514
  • CERTIFIED EXPERT
  • 5,465 POSTS
No, when you're doing a fuel injector balance test, you will need to hook up a fuel pressure gauge to the fuel rail so you can monitor fuel pressure. To prime the fuel system, you just need to turn the key to the on position. the fuel pump will come on for its normal two second prime then shut off. The pressure should be up to spec. Hopefully 60PSI. Then with the injector pulse tool, you'll pulse the fuel injector and watch how much the pressure drops. So, for example, let's say it drops from 60 to 45. Write that down for that cylinder. Then move the injector pulse tool to the next injector. Turn the key off and back on again to re-prime the system back up to 60psi again. Then do the injector pulse again, watch the pressure drop again. Write down the results. Go to the next cylinder. Each fuel injector should be within 1 to 1.5PSI of each other. So, if the #1 cylinder drops to 45psi, you want all the rest to be within that range. So, 44 to 46 PSI.
Thats just an example. i don't know exactly what your injectors will drop too, but that's how you determine if they are all flowing the same amount. Usually, fuel injectors act up when they are hot. After testing all four cylinders, you need to start the car to get all the fuel out that you just sprayed in there before doing the test again. i will usually do this test twice. But the engine won't be running while pulsing the injectors, so that's why you need to start it up and clear out the fuel before doing it again. The pulse tool just hooks up to the battery, so you don't need to key on except to get the pressure back up to its max again.

Checking the injector pulse, I would use an oscilloscope and check each one's waveform. Thats a different test.

You still might want to have the intake manifold smoke tested by someone though. Just to verify the intake gasket is okay. I'm not sure if they did that at any shops yet for you.
May 20, 2022 at 9:36 AM
Avatar
CHEVYOWNER10
  • MEMBER
  • 93 POSTS
How long will it take to have it run at idle until the fuel clears out until you can do the balance test one more time?

Also, I don’t have an oscilloscope and probably will not be able to afford one if it’s over $50.00 at the moment because I have to save for more parts for the Chevy and my classic car.

So, if the injector balance test will save me that would be great…just in case I will need to put $100.00 some dollars for injectors. I am waiting for the tool to get here. So, I should be able to check them out next week. I know checking resistance and hearing them click isn’t a confirmation test. Just lets you know they are working but not official if they are still bad or not.

As for the smoke test, no shops want to seem to do it. I have been telling the one shop I took it to smoke test it and they said it’s not necessary because there isn’t a large vacuum leak present. If it was misfiring like crazy they would do it. They keep telling there isn’t a need for it. Plus, I can’t afford a smoke machine yet either. Still starting out saving money for the more expensive tools. But I want to work on my car myself because 1. I am a mechanic and 2. I can’t keep putting money out for labor when they do nothing for the things they have more tools with to complete the job. So I have been for the most part getting some info from experts like you guys to lead me in the right direction to diagnose it myself. Nobody around here knows what they are doing. The guy I take it too doesn’t have a famous idea why it does this at idle. You were the first person who was able to guide me in the right direction who actually listens to my questions and finds the right answers. Around here every shop just wants to charge you lots of money and it’s not fixed the first time.

But it wouldn’t hurt to replace the intake manifold gasket if the injectors are ok. First, I am crossing my fingers the injectors is the problem.
May 20, 2022 at 12:39 PM
Avatar
CHEVYOWNER10
  • MEMBER
  • 93 POSTS
I will keep an eye out on the injecting testing and if all is good with that, I will replace the intake manifold gasket. It has 77,000 on it. So, I might as well replace it if injectors aren’t the issue. They last between 50,000-60,000 mostly. But I will keep you posted on the injector testing.

As for letting the vehicle idle to get all the fuel out before doing the test again, it would probably take about 5 minutes or so until I can redo the test, right?
May 21, 2022 at 9:56 AM
Avatar
AL514
  • CERTIFIED EXPERT
  • 5,465 POSTS
Yes, just start it, for a couple minutes to burn the fuel off. If you know someone with a smoke machine have them, check the intake with that. It's much easier and it might find leaks you don't suspect. It's one of my best tools.
May 21, 2022 at 11:59 AM
Avatar
CHEVYOWNER10
  • MEMBER
  • 93 POSTS
Okay, I have a question here. I put the injector balance tool on pulse four to test the injectors. Is that fine? After I did that, I noticed it dropped from 50 PSI to 46 PSI on one cylinder. But something is going on with my harbor freight fuel pressure tester gauge. When I start the vehicle to check fuel pressure it goes to 55 PSI and then the needle starts to jump like crazy not giving me a steady reading anymore. Could it be the gauge is going bad? The car starts fine and seems to give me a good reading at first, but when I was disconnecting each injector on each cylinder the fuel pressure tester gauge would not go back to 50 PSI when I cycle key off and on. It’s supposed to go back to normal pressure after each injector test when you prime the system back to specs, to do the test again, but it just stays at 46 PSI it doesn’t go back to where it should be. I have to keep freeing the pressure back to 0 to get a good reading again and sometimes with key on engine off the pressure is at 49 PSI. When checking fuel pressure, the actuate reading is at idle, doesn’t seem to want to give me normal pressure at key on.
May 23, 2022 at 11:44 AM
Avatar
CHEVYOWNER10
  • MEMBER
  • 93 POSTS
I connected it again and fuel pressure started dropping at key on. Then I start the car and it’s at 55 then keeps shaking the needle. It stays actuate, then it doesn’t. I also notice the Schrader valve is not in the hose anymore you attach to the gauge, so it looks like it took a shit. Harbor freight is cheap. I was looking at ones on Amazon. What are the best gauges to get with good quality hoses and Schrader valves?
May 23, 2022 at 12:16 PM
Avatar
CHEVYOWNER10
  • MEMBER
  • 93 POSTS
Okay, disregard those questions. I just figured out why I am having so much trouble. You can't have the key turned on when using this tester. After you get fuel pressure with key on, it has to be turned off and you can start testing. Then do pressure testing over again with key on, until it's at specs and test other injectors with key off. There is a lot of bad worded info out there. So, i had to research more.

I was so confused because I didn't know that you need to have another pig tail connected to the pig tail wire, they given you to connect to the injector. You did not mention that but no problem it's fine. I got to find another pig tail that will connect to the pig tail they given me so i can connect it to the fuel injector. Otherwise, the pulse will not work.
May 23, 2022 at 4:04 PM
Avatar
AL514
  • CERTIFIED EXPERT
  • 5,465 POSTS
Oh okay, yes, you need to only prime the system up to spec. The connections on the tool don't fit on the fuel injector pins. I haven't had any issues like that, i guess it depends on what ends they give you. It's been so long since i bought that tool I might have changed the female pins on the ends. My bad if that the case, it's a great tool though, I would do the test a couple times on different settings. Each fuel injector should be within 1-1.5psi of each other. And usually, injector issues will show up either very hot or during a cold start up. I don't think you need a valve in the fuel pressure gauge, unless you're talking about the one that pushes the fuel rail valve open. I don't have a harbor freight gauge set. Most of their tools aren't too bad though. It's not Snap On or anything, but it will do the job. What did you find for the pressure drop on all four injectors?
May 23, 2022 at 6:10 PM
Avatar
CHEVYOWNER10
  • MEMBER
  • 93 POSTS
They give you two pins, red and black. But I was only able to fit the black connection on the fuel injectors pins and it wouldn’t test it because you need to use both pins if that makes any sense. Is there any tool out there that you don’t need to change the pins? The connections on the tool I have will not connect both pins to the injector. I have seen a lot of videos with people adding their own pins to the ones on the tool. But I don’t want to solder them. What about this tool? Would both connections red and black, connect to the fuel injector pins without having to do customize the connections to work ? https://www.amazon.com/Injector-Professional-Ignition-Powerful-Burnt-out/dp/B08XJZCT82/ref=pd_lpo_2?pd_rd_i=B08XJZCT82&th=1
May 23, 2022 at 8:32 PM
Avatar
CHEVYOWNER10
  • MEMBER
  • 93 POSTS
Go to 8:30 in the video and you’ll see what I mean. He talks about the female connectors. That’s what I didn’t want to do. I just want a simple tool that tests the fuel injectors. Not having to customize it. https://youtu.be/VUEDycxyJ0Q
May 23, 2022 at 9:12 PM
Avatar
AL514
  • CERTIFIED EXPERT
  • 5,465 POSTS
Yeah, that's the same tool. Same idea.
May 24, 2022 at 10:15 AM
Avatar
CHEVYOWNER10
  • MEMBER
  • 93 POSTS
What are you referring to? Tool I post from Amazon or one in the YouTube video? All I am looking for is a tool you don't have to customize the female connectors.
May 27, 2022 at 9:48 AM
Avatar
AL514
  • CERTIFIED EXPERT
  • 5,465 POSTS
The one on Amazon has smaller size female pins. Injector size. So, the car is still acting up on every drive? Are the fuel trims still hitting -20% and is it setting any codes at all?
May 27, 2022 at 1:01 PM
Avatar
CHEVYOWNER10
  • MEMBER
  • 93 POSTS
Hi Al, let me explain what it's doing now and the work i have progress over the last couple of months. I apologize i wasn't able to get back to you sooner.
Aug 23, 2022 at 2:16 PM
Avatar
CHEVYOWNER10
  • MEMBER
  • 93 POSTS
I have been busy, and I have been driving this car like this all summer. A week ago, or two i was able to replace the intake manifold and fuel injectors. I got a great deal for the entire intake assembly that came with fuel injectors, map sensor, purge solenoid canister, new vacuum hose and gaskets. So, i figured for that price I might as well do the entire assembly to have any future problems down the road since it's my daily driver. It was a summer deal the parts website was having. I replaced the entire kit for a price of $287. Cheaper than what four new injectors would cost for each. It also came with a new fuel rail and pressure regulator. I replaced the air filter, cleaned the throttle body and cleaned the MAF sensor again as well.

Now, after the intake was replaced, it still surge at idle, it's been happening so far in the 80s or 90 degrees outside. It has been very hot this summer. Since the intake and injectors were replaced, I don't notice the engine surging rough anymore and it's not constant at decel anymore like it was before.

Only sometimes, not all the time, but when real hot out, it feels hard to step on the gas pedal and when you begin to accelerate, *turns green at a stop light* that is when it's hard to accelerate, give it gas for example, at acceleration, not sitting, driving.

I wasn't noticing much surging when you begin to decel. Fuel pressure is good because I can hear the pump.

One of my friends who fixes cars as well, says when an engine surge it's hard to determine what it can be. Even if it does it at the slightest moment. He suggested I replace the brake booster check valve. I don't know where it's at on this car. I thought it was just a hose that connects to the intake into the booster. Any thoughts? Everything is almost new on this car now. If not the booster check valve, maybe there's just a carbon deposit on the valves?
Aug 23, 2022 at 2:24 PM
Avatar
AL514
  • CERTIFIED EXPERT
  • 5,465 POSTS
It's okay, it has been quite a while, your car had the purge valve on backwards if I remember correctly. So, is it physically difficult to push down the accelerator pedal? This doesn't have a cable or anything to the throttle body, it's a drive by wire system. You have an APP sensor on the gas pedal and the ECM controls the throttle plate opening electronically., So if its physically difficult to push the pedal down, then there is something going on at the pedal itself.
As for the engine surge you are experiencing, your friend is correct, they can be very difficult to pinpoint when it's slight and not happening all the time, it could definitely be heat related. Thats the type of issue that would need to be caught on an Oscilloscope possibly hooked up to cam and crank sensors to watch for any slight drop or glitch in sensors signal. Over the past year I've seen sensor glitches and strange signals that I would never have guessed could happen, but with technological advances, anything is possible now.

I do see a Recall on the Ignition coil boots, they are having a problem where there is an extra spring being added in as well as new spark plug part number and spark plug gap spec. I'll leave that below, This is the letter to owners, for this recall.
I don't suppose you are getting any codes at all.
There is a TSB on valves sticking due to fuel quality and misfiring cylinders, and your car has been through a lot. The valve issue can cause rough idle, extended cranking times, or more misfires and can set misfire codes.
When you replaced the Intake manifold, that would have been the time to inspect the top of the valves for carbon build up.
There is a Bulletin on that as well. They included some pictures too ill post. Just things to look for, I'm not sure if you still have the old Intake, but take look for excessive carbon build up inside, if it's there, then it can be on the valves as well.
They have some pretty high-tech valve cleaning systems out now that you could have done at a dealership if you were concerned about it.
On a side note, I'm note sure if you have On Star in your vehicle, but they are doing over the air ECM updates now. If you don't have On Star then don't worry about it.
But I would check out this Ignition Coil issue and Spark plugs. That will cause misfires.

Unfortunately, it will be difficult to say exactly what is happening with the surge in hot weather, it could be the fuel in your area, it could be a sensor glitching like I mentioned,
You can try replacing the Brake Booster check valve, I don't think it will do much, but they are cheap, so it's worth a try. I've had a brake booster that only leaked on the inside at the brake pedal when the pedal was pressed down. But it was on an older vehicle.

On something like that, it might be drive it until a code sets or something very noticeable happens. There are a couple of other ECM updates, the last 3 pages below, the 2nd one has to do with a condition that shows up above 100f degrees outside temperature., I know this is a lot of information, there has just been a lot of technical Bulletins since our last contact, I don't remember if you had a scan tool that can show live data, but if you do, keep an eye on live data PIDs such as Long Term and Short Term Fuel Trims, especially when you feel a hesitation or surge. But I think it would be something more along the lines of a sensor having a heat related issue. So, the updates might help with that.
Aug 23, 2022 at 3:49 PM
Avatar
CHEVYOWNER10
  • MEMBER
  • 93 POSTS
Hi AL, what a crazy month September has been I was not able to drive this car AGAIN, so it sat the entire month. I have been waiting on more parts and could not drive it all last month. Let me tell you what it's doing NOW. I might think it's a sensor causing rough idle rpm surging and rough acceleration, but it's been a slow process figuring it out with this rpm surge mystery because it doesn't do it all the time. Thank you for trying to figure it out with me because it has been very frustrating not being able to drive my car.

Shortly after replacing the intake manifold, everything was ok until about a week after I commented to you here. I would say the beginning of September, the day before Labor Day the ECM sets out another code P0013. It must have been a slow process before the ECM decided to set the code because during the time, I comment to you about not being able to accelerate the gas pedal while driving shortly after replacing the intake manifold and having the rpm jump slightly at idle still, maybe this sensor is all related, I hope.....

I like to keep a record of what happens on my vehicles, so I know when the problem begins to exist. I replaced the entire intake manifold with new gaskets nd brand new fuel injectors with new rail sometime in August before it was inspected because it needs to get inspected that month. So again, to repeat myself, I checked spark plugs and coil packs and cleaned the MAF sensor and throttle body while replacing the intake. None of that really improved acceleration.

To answer your question about intake manifold carbon build-up, no I did not notice any major carbon build-up on the old manifold. I had to remove the valve cover to replace the intake and I didn’t notice a lot of carbon buildup on the valves. It was just dry oil residue on the cams. That being said, I think this car must have been a short-trip-driven car because it had low mileage when I purchased it in 2015. It was a clean car, but it had its problems. I don’t change my oil every 3,000 miles, only once a year. The older lady I bought it from used conventional because I can tell it wasn’t good quality oil. I have been using high-mileage synthetic motor oil for over 75,000 now and I have been using synthetic since I owned the car.

Now to explain what it’s doing now. At the beginning of September, the day before Labor Day, I was out running errands and the check engine light came on. I tried to clear the code P0013, but it would just come back right on. The code is set for the variable valve timing solenoid. I replaced the sensor but as soon as I replaced the sensor the wiring for that sensor broke off. It took a month to find a new connector for this sensor. I was able to install the new connector today. But the check engine light didn’t go out like I thought it would due to the break in the wiring.

Here’s what happened today: I replaced that connector, cleared the code P0013, and as soon as I step on the gas at idle to rev to above 2000 RPMs the check engine light comes back on. Check codes again, P0013 comes back and now I see P0010. They are for both the VVT solenoid causing it to stay open. I check resistance in the sensor itself and it’s not giving me the range I should have. I contact the dealer to see if they can send me a replacement.

I did install the sensor correctly this time, thankfully, and the new connector is installed right because I got a wiring diagram to check where the color wires need to go back in the connector. I am hoping it’s just a bad sensor out of the box. I really don’t want to go down this same road again like with the purge solenoid when the code wouldn’t reset, and I thought it was intermittently but in wrong. After all this time and here we go again, another mystery code that will not reset.
Oct 10, 2022 at 12:13 PM
Avatar
AL514
  • CERTIFIED EXPERT
  • 5,465 POSTS
So, did you have the p0013 appear first and then how long did it take for the p0011 to show up? These are both circuit faults again. And do you keep up with the oil changes?
Oct 10, 2022 at 3:15 PM
Avatar
CHEVYOWNER10
  • MEMBER
  • 93 POSTS
Yes, I had the P0013 show first in the beginning of September. Today P0010 set after I replaced the connector. How it set was, I cleared the codes. Then I was checking my battery and testing my alternator by putting a load on it. When I rev the gas to 2,000 RPMs the code set again. Honest to God man, I thought the connector would have reset the code P0013 because the wire was so brittle from all that heat it was broken off the connector after I replaced the sensor initially and the code didn’t reset. So, I thought this would fix it no matter what. I guess I will see what happens when I replace the sensor again. I have the dealer sending another soon. Will keep you posted, and we can talk soon.

Also, yes, in the post I said I change oil once a year. I don’t even reach over 10,000 a year and it’s my daily. But the car has 78,000 on it now. I just use the high mileage synthetic.
Oct 10, 2022 at 3:17 PM
Avatar
CHEVYOWNER10
  • MEMBER
  • 93 POSTS
I also changed the oil in April, probably about around 77,000. So, it doesn’t have even 1,000 miles on the oil change yet.
Oct 10, 2022 at 3:25 PM
Avatar
AL514
  • CERTIFIED EXPERT
  • 5,465 POSTS
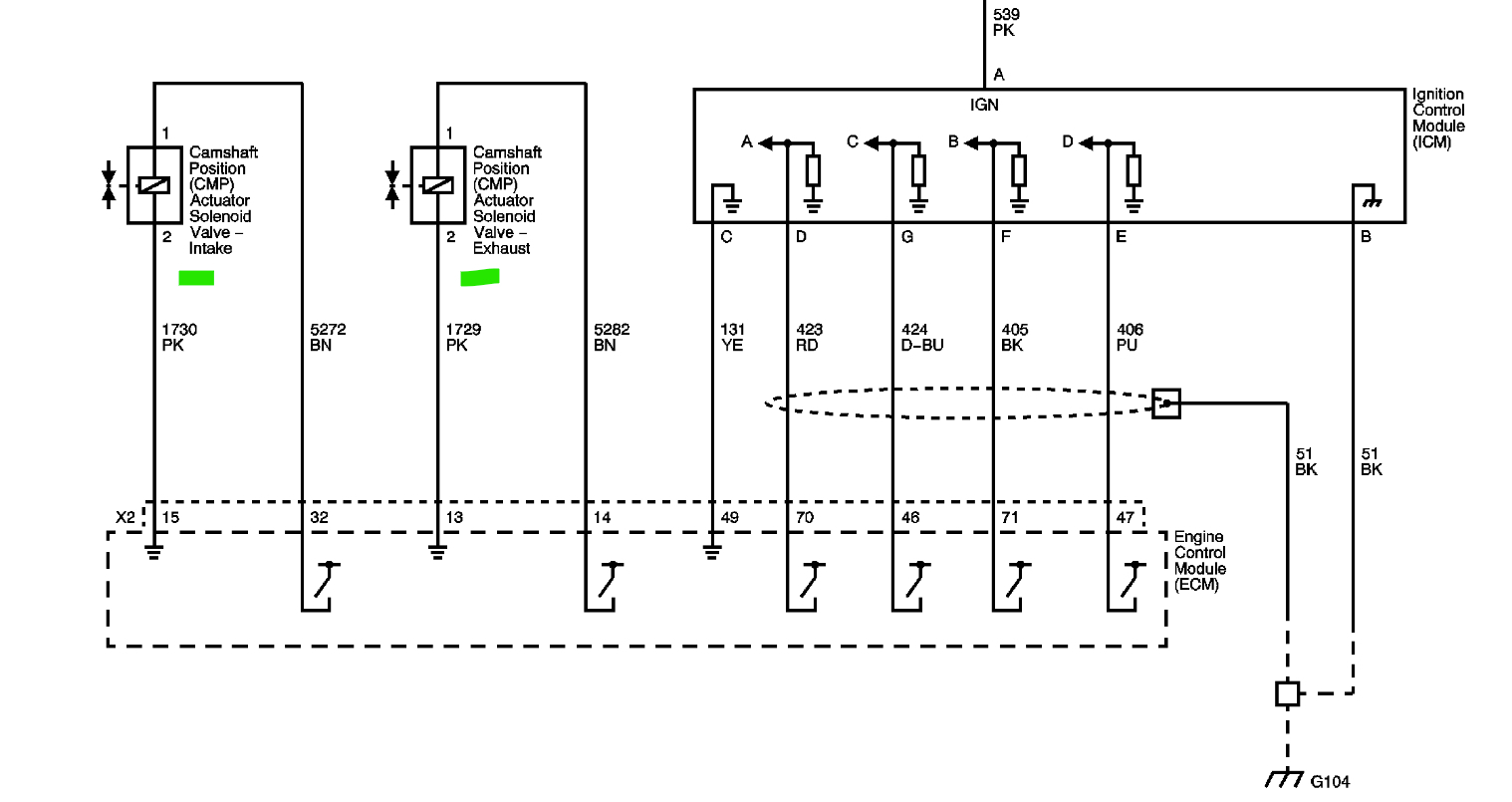
Well, it's odd that you're getting both codes at the same time, because one is for the exhaust cam shaft actuator and the other is for the Intake cam shaft actuator.
The code setting criteria is the ECM driver commanded state not equaling the actual state of the actuator for more than 5 seconds. So, for both cams setting the same code is strange. You don't have much mileage, well you didn't when we started our journey here, 76,000 is not much. Which connector did you change? was it the exhaust one that was brittle and failing apart? Does the harness run near the exhaust manifold on this vehicle?
Oct 10, 2022 at 3:26 PM
Avatar
CHEVYOWNER10
  • MEMBER
  • 93 POSTS
It’s near the intake manifold the sensor. Right near the valve cover. So, I had to remove the valve cover to remove the sensor.
Oct 10, 2022 at 3:29 PM
Avatar
CHEVYOWNER10
  • MEMBER
  • 93 POSTS
Here is where it’s at. It’s on the end of the valve cover as you see in the photo.
Oct 10, 2022 at 3:35 PM
Avatar
AL514
  • CERTIFIED EXPERT
  • 5,465 POSTS
Okay, here are the resistance specs for testing the actuators. But you don't get any codes back until you rev it over 2,000? That's about the RPMs that the ECM would actuate the cams, it's not something that would happen at a lower or idle rpm. I'm also posting the circuit test you can do to see if this is a harness problem, it sounds like it is. If you've got wiring that's falling apart like that. When you change the connectors, are you using crimp connectors that are heat shrink connectors? To keep any moisture out. I'm surprised at the amount of issues you're having with this car.

How difficult is it to get that top timing cover off I see there in the diagram?

There is actually a TSB for this issue. The last 3 diagrams below.
Why they would put a plastic sleeve on a camshaft is beyond me.
Oct 10, 2022 at 3:36 PM
Avatar
CHEVYOWNER10
  • MEMBER
  • 93 POSTS
It wasn't the timing cover; it was the valve cover I removed. And come to think of it, I think there are two camshaft actuators on this car, are there not? I think I might have replaced the one on top near the intake. I am looking at the engine digraph and I see another one on the front right above the left-hand side of the exhaust manifold. I replaced the one near the intake manifold. Do you think maybe that's what I did wrong? Replaced the one near the intake instead of the exhaust?
Oct 10, 2022 at 3:53 PM
Avatar
CHEVYOWNER10
  • MEMBER
  • 93 POSTS
I replaced the one on top.
Oct 10, 2022 at 4:06 PM
Avatar
AL514
  • CERTIFIED EXPERT
  • 5,465 POSTS
Yes, I know you removed the valve cover; I was just wondering how difficult it would be to remove that upper timing cover just to check the belt tension. The p0013 is the exhaust cam actuator. So, in your picture the exhaust actuator would be the lower one. Do you know if the intake and exhaust actuators were different part numbers? It's not giving me part numbers here on all data, but I can look a different place to check.

Is the exhaust actuators harness plug just as bad as the other was?
The wiring for both is the same exact coloring and I don't see a different part number for the intake or exhaust so far.
But they don't seem to share a ground wire or anything like that. The pink wire is the ground going into the ECM and the brown wire is a pulse width modulated power feed.
The coding of these is strange, the p0010 is the intake actuator, but they have two different codes for it as well.
Oct 10, 2022 at 4:17 PM
Avatar
CHEVYOWNER10
  • MEMBER
  • 93 POSTS
I didn’t remove the timing chain cover to check belt tension. I think it’s a pain to remove because you need to remove accessories to get to it. The owner manual says you don’t need to replace it until 100,000.

As for solenoids, they might be the same part number for the actuators. I will check tomorrow to see the exhaust actuator part number and match with the intake actuator part number. According to gm there’s only one actuator for this car and it doesn’t state if it’s intake or exhaust. Just says this and it’s what I replaced the intake side with.
https://www.eastcoastgm.com/oem-parts/gm-variable-valve-timing-vvt-solenoid-55567050?c=Zz1lbmdpbmUmcz1lbmdpbmUmbD0xJm49U2VhcmNoIFJlc3VsdHMmYT1jaGV2cm9sZXQmbz1hdmVvJnk9MjAxMCZ0PWx0JmU9MS02bC1sNC1nYXM%3D
Oct 10, 2022 at 7:31 PM
Avatar
CHEVYOWNER10
  • MEMBER
  • 93 POSTS
As for the connectors they might be the same connector for the intake and exhaust actuators. The exhaust is fine, the intake connector is what was broken. All I had to do was cut the brittle wiring and crimp new terminals onto the ends.
Oct 10, 2022 at 7:32 PM
Avatar
AL514
  • CERTIFIED EXPERT
  • 5,465 POSTS
The wiring diagrams show 2 cam actuators, one intake and one exhaust. So do the multiple codes for those circuits. That diagram on the link showed the cam actuator on the rear of the engine. This one shows the 2 up near the timing cover. 22 is the exhaust and 21 is the intake. But if the wiring was brittle I would check the pin fitment of the connector, just to make sure it's making good connection. And I'm not sure but some ECMs will disable certain systems if there is a code for one of the components in that system. You're getting codes for both intake and exhaust at this point, so you might want to do the circuit checks and check the resistance of the actuators.
Oct 10, 2022 at 11:14 PM
Avatar
CHEVYOWNER10
  • MEMBER
  • 93 POSTS
Here’s what I will do: I replaced the wrong actuator near the intake. It was supposed to be location to the exhaust because that’s what set the code for. So, I need to buy another actuator for the exhaust side. The part numbers are both the same for both actuators.

But both connectors for the two actuators had very brittle wiring. They are both the same connectors, which is great. I replaced one connector, but I am going to have to replace the other connector next because it fell off. Waiting on the connector and the other actuator to come. When it does, I will let you know what it does, if the light goes out or not. I check the wiring fully and it doesn’t look like there are any breaks in it when you inspect inside the harness. It was just at the connector where it was brittle and falling apart, probably heat damage it. So, crimping a new connector on it and replacing the exhaust side should fix the issue.

I also want to know what can I do to improve engine performance? Remember when I said stepping on the accelerator felt like the car would barely drive down the road smoothly? Here’s the link to the products I would like to use. Let me know which one is suitable for my issue. Maybe there is carbon in the combustion chamber that will not burn off completely. It was a short trip driven once and it’s been sitting a lot.

https://www.bgprod.com/catalog/gasoline-fuel-system/
Oct 12, 2022 at 11:55 AM
Avatar
AL514
  • CERTIFIED EXPERT
  • 5,465 POSTS
Oh okay, so it was another bad connector. How long has it been since you fueled up? Just wondering how long that gas has been in the tank. BG is a good fuel system cleaner, just read if it needs to be a full tank to add it. I know we've been at this car for quite a while, what do the fuel trims look like, I think I remember at one point you had mentioned really high positive fuel trim numbers. Is that still happening? The fuel trim numbers are something I use a lot when diagnosing lack of power issues, that and graphing the oxygen sensors. If I'm on a test drive and I do a wide-open throttle test, the graphed oxygen sensors should go rich. If I see an oxygen sensor lean out during a test like that while driving., Then I know it's a lack of fueling issue, for whatever reason. But identifying what the root cause is to begin with is my starting point. I'm not sure what the temperature where you live is right now, but there will be a switch over to winter fuel blend soon. But going for a test ride and recording the live data under certain conditions and going back over the data is usually where I'll spot something. But get the wiring all fixed up first so you have proper camshaft advance. Especially with such a small engine.
Oct 12, 2022 at 1:53 PM