Where is the vapor canister vent valve located?

2010 CHEVROLET AVEO
76,000 MILES • 1.6L • 4 CYL • 2WD • AUTOMATIC
Avatar
CHEVYOWNER10
  • MEMBER
  • 93 POSTS
Can you give me the location of the vapor canister vent valve and how to replace it? I would appreciate it.
Apr 1, 2022 at 12:21 PM
Advertisement
Avatar
AL514
  • CERTIFIED EXPERT
  • 5,465 POSTS
Hello, the canister vent valve is behind the passenger side rear wheel, it is attached to the canister. The charcoal canister is the big black box next to the fuel tank, you should be able to see it pretty easy. The vent valve is on the side of it. It will have two wires running to its connector. You also be able to identify it by its wire colors. It will have a rubber tube attached to it that is open to the atmosphere. They are not too difficult to change. Did you have a check engine light on for the vent valve? If so, do you remember the code number?

https://www.2carpros.com/articles/how-emission-control-systems-work
Apr 1, 2022 at 12:49 PM
Avatar
CHEVYOWNER10
  • MEMBER
  • 93 POSTS
I don’t remember the code by chance. I am possibly checking all the evap components to see if they are good because I keep getting evap codes. Can you possibly tell me how to check one also what readings I need to know if it’s still good?
Apr 8, 2022 at 8:07 PM
Advertisement
Avatar
AL514
  • CERTIFIED EXPERT
  • 5,465 POSTS
Well, the vehicle will run its own EVAP tests at certain times and conditions. The best thing to do is write down every code so you know what you're chasing. For example, there are codes for small EVAP and large EVAP leaks. Codes for the purge valve not functioning. The vent valve is not functioning. etc. The ECM can set a code according to the reading it gets from the Fuel Tank Pressure sensor when it turns on a certain component. When I have an EVAP system leak I will usually smoke test the system because the leaks can be so small, you'll never find them without a small, pressurized amount of smoke. Without a code for a certain component/ or leak, you have no place to start.
Do you have a scan tool that can read live data? If so, you can look at the Fuel Tank Pressure sensor data PID and see what it's reading while the car is idling. Next to the data PID for that sensor on the scan tool will be a value of the sensor and then a range that the sensor can be in. I'll put some testing below, but really rescan the ECM when the check engine light comes on and write the codes down. Keeping good notes of what you get for readings and codes will help you out a lot if you're learning to be a technician.
Pages 1-6 (each 2 pages is a test for a component) Page 7 is EVAP system Operations, page 8 is the Canister Purge Valve location.
The Vent Valve you first mentioned (I put the diagram up before), is open when the vehicle is turned off. If the Vent Valve was stuck closed due to a failure, you would not be able to pump gas into the tank. That's a sign of a failed Vent valve, because the fuel vapor has no place to go.
The ECM will purge fuel vapor anytime it sees pressure building in the fuel tank from the Fuel Tank Pressure Sensor.
The ECM can also set a leak code if it is purging the fuel tank vapors and does not see a rise in vacuum.
Below is a bunch of information on the whole system. But please write down the codes so we can give specific testing procedures.
Apr 9, 2022 at 1:21 PM
Avatar
CHEVYOWNER10
  • MEMBER
  • 93 POSTS
No, I don’t have a high-end scan tool that lets me read what the FTP sensor is doing. I took it to a shop, and they told me the code I got was for a purge solenoid and it was stuck open. They said in order to start looking at other stuff or checking for leaks that sensor must be closed normally. So far, I have got 2 bad purge solenoids new out of the box. I'm waiting for the 3rd so I can check it when it comes in. I know the purge solenoid has to be disconnected to test it with the evap hose connecting to evap canister disconnected to see if air is coming out.
Apr 11, 2022 at 3:13 PM
Avatar
AL514
  • CERTIFIED EXPERT
  • 5,465 POSTS
You can check the purge valve right at the intake manifold. It will have a vacuum line running to the intake manifold and another hose going back to the charcoal canister. With the Purge Solenoid connector unplugged and the engine running there should be no vacuum being pulled through the purge solenoid. Were you getting vacuum coming threw it with it unplugged?
Apr 11, 2022 at 3:42 PM
Avatar
OLDGMLOVER
  • MEMBER
  • 20 POSTS
Yes, I was. It was like that with two already. So, I just said, I am ordering one at the dealer this time. So I am waiting for the part to come in.
Apr 11, 2022 at 8:00 PM
Avatar
AL514
  • CERTIFIED EXPERT
  • 5,465 POSTS
Thats unfortunate, there have been a lot of bad parts lately. For sensors and solenoid type parts I always get OEM equipment. Was the purge valve solenoid the only code you were getting?
Apr 12, 2022 at 10:06 AM
Avatar
CHEVYOWNER10
  • MEMBER
  • 93 POSTS
Yes, and it would be ok for a day or two then the code would come back, usually when I cold start it, I would see the light on. Sometimes the light isn’t on, and it just idles rough. Then sometimes the light is on and idles fine. But every time you cold start it the needle will take forever to go down. It like stays at 1,500-2,000 RPMs and keeps moving but stays at that rpm until the idle smooths out and goes back to 0. I just received the third part. I am going to put it in and check it. If it’s not open, I will reply to let you know how I made out.
Apr 20, 2022 at 10:50 PM
Avatar
CHEVYOWNER10
  • MEMBER
  • 93 POSTS
Here’s the video of the third purge valve solenoid that is stuck open. I honestly don’t know what to do with this car. I don’t know if it’s a wiring issue or bad parts out of the box. The shop I took it to before says you need to make sure the valve is closed and not stuck open before you make any more diagnosis. Let me know what you think might be going on. I made these two videos talking about what I done.
Apr 21, 2022 at 2:05 PM
Avatar
AL514
  • CERTIFIED EXPERT
  • 5,465 POSTS
Okay, I just watched both videos, and you're correct, you shouldn't have vacuumed at the Purge valve with it unplugged. The ECM supplies 12 volts to one side of the Purge valve and controls the valve on the Ground side. Where are you getting these valves from? Is it an aftermarket place? The RPMs are jumping around because basically you have a vacuum leak through the purge valve back from the evap system. It's purging when it's not supposed to. Are you positive you have the valve lines hooked up correctly, it's not possible to put the lines on backwards at all? Three bad valves seem unlikely. But I saw you unplug it. This P0443 is a circuit code, So the ECM is monitoring the Control side (Ground side) for the purge valve ECM driver's state. With the valve off, there will be 12 volts on both sides of the valve, when it is energized, the 12 volts on the other wire of the purge valve will go to ground (so around 0 volts). This is a pulse width modulated circuit, so the ECM pulses the ground side to control the solenoid.
The code criteria are Open/High resistance or short to voltage on that control side. Do you have a multimeter? If so, I would see if you have voltage on both pins of the purge valve plug, with it unplugged and key On.
But again, that doesn't explain the vacuum issue.
The other code is being set by the open purge valve.
The fact that the code is a history code at some points indicates it's an intermittent issue.
The orange/black wire is the 12-volt feed at Key On. The other wire is to the ECM.
I don't see any technical service bulletins on this issue either. You might try asking the dealership you got the part from if they have seen an issue like this. To me it looks like a 3rd bad part.
But there is some odd information here, some common repairs for this code are "Replaced Fuel Filler Neck" "Replaced Fuel Receptacle".

I would try tapping lightly on the valve while it's running and see if it closes while it's unplugged. I'm wondering if you're putting the new valve on the car and the ECM is opening it and the vacuum is holding it open somehow. Try turning the car off and leaving the valve unplugged, then start it back up and see if it's still stuck open. Thats the only rational thing I can think of besides another bad valve. I'm assuming you returned the other valves already. This is a strange situation for sure. But try those couple of things and see what happens.
Apr 21, 2022 at 4:06 PM
Avatar
AL514
  • CERTIFIED EXPERT
  • 5,465 POSTS
Okay, so, I found an answer, I think. This is from a vent valve stuck open. With outside air pressure being higher than intake manifold pressure, it forces the evap and the positive outside pressure threw the evaps tubing before the ECM can compensate and/or shut the purge valve, so its basically being force fed too much pressure. That is the only thing I can come up with. Try unplugging the Vent Valve and see if the purge valve will stay closed.
If that doesn't work, then we need to consider another point allowing too much out air in, this might be why the filler neck being replaced was a few common fixes for this strange issue.
Apr 21, 2022 at 4:35 PM
Avatar
CHEVYOWNER10
  • MEMBER
  • 93 POSTS
Thanks, I will try these points and see what happens. I also did mention in the video that I replaced the vent valve. I also want to know where did you find the info on replacing the filler neck for this issue? Was it leaking?
Apr 22, 2022 at 3:22 PM
Avatar
AL514
  • CERTIFIED EXPERT
  • 5,465 POSTS
The filler neck replacement was just in the information we got through All Data and Mitchell. Where we get wiring diagrams and such. There was a record of five times the filler neck was replaced, but that's only when other technicians actually put that information into those data systems. But they would replace it for a leak, yes. You would need a smoke machine to test the evap system for leaks. Thats what we use to detect leaks. But as for that Purge valve, I would check that the purge valve is closed with the engine off. When the car is at a cold start up and the idle is high there is a lot of vacuum pulling in the intake manifold. If that purge valve is closed when the car is off, i would say its okay. The evap system is normally pulled through a small diameter tube and when it's open like that with the evap canister tube off it might be keeping it open. But the code you're getting is a circuit code. So, you need to check if there is any voltage with that purge valve unplugged and just Key On. If you have voltage on both wires, then the control wire is shorted to power somewhere. Thats what the ECM is detecting and setting the code for. It monitors that control wire so it can set those type codes. I just think there's something else going on here, the purge valve might not be opening like that with the tube attached.
Apr 22, 2022 at 3:45 PM
Avatar
CHEVYOWNER10
  • MEMBER
  • 93 POSTS
What is the voltage to look for in the connector to know if it’s still good or short out circuit?
Apr 22, 2022 at 4:14 PM
Avatar
CHEVYOWNER10
  • MEMBER
  • 93 POSTS
12volts for the purge connector, right? Sorry for the stupid question.
Apr 23, 2022 at 6:51 AM
Avatar
AL514
  • CERTIFIED EXPERT
  • 5,465 POSTS
One wire is a 12-volt feed the other wire is the control wire which is ground side controlled. With it unplugged and Key On it should have only 12-volts on one side. The testing is below.
I believe the test with it unplugged and the control side reading 2.5-3.5-volts might be a bias voltage for testing. But you have no way to bi-directionally control the solenoid with a scan tool so you can't do the third test.

You can also check the White wire with the Key Off (which is the control wire going to the ECM) with your multimeter set on ohms and see if you have any continuity to battery negative or the engine block (Ground). The orange/black wire is the 12-volt feed to the solenoid. So, if you have 12-volts on both wires with it unplugged then there is a short to power on the white wire somewhere. Or a failed ECM.

You should have 12-volts on orange/black wire and 2.5-3.5 volts on the white wire with it unplugged and Key On. Engine Off.
Apr 23, 2022 at 8:16 AM
Avatar
CHEVYOWNER10
  • MEMBER
  • 93 POSTS
AL, you are the best. Thanks for the explanation and all this helpful information. Here's what I checked.

Circuit/System Testing:

Test 2. With the ignition on the test lamp lit touching battery ground and power to orange, black/white wire terminal.
Test 3. I needed to have 2.5-3.5v between the control circuit terminal A and ground. It was at 2.9v with the ignition on.
The info says if the circuit tests are normal you need to replace the ECM.
I also think you were referring to the 4-5 tests to use a scan tool. The third test was checking voltage and i was able to check that with my digital meter.

Component Testing:

Test 2. It says to test 18-28 ohms between control terminal A and the ignition voltage terminal B. I got 21 ohms.
Test 3. It says test for resistance between each terminal and the evap purge solenoid housing. I got around 21 ohms...but i don't know what it meant when it said "and the purge solenoid housing" I tried to test the housing and got out of range. But i got a reading for the two terminals for the component.

After the tests, it tells me the circuit is good and the purge solenoid is okay. But what could be causing the two codes, P0443 and code P0496 to come back after i clear the codes and the time it idle rough or stall on me? Can a bad ECM really do this?

How can i be sure the ECM is the problem? I know you said other techs replaced the gas cap and fuel filler neck. One shop kept blaming it on the purge solenoid. Saying he blown into it and power to it, and it wasn't working. That was the first one i replaced. But the other two I didn't blow into it because I don't have a power probe to put power to the solenoid. What is your suggestion now before wasting any more money? I bought this part at a dealership, and they said they would exchange it for the same part. But this is the third sensor i will be replacing. It can't be over and over the same thing having to keep replacing the sensor.
Apr 23, 2022 at 1:06 PM
Avatar
AL514
  • CERTIFIED EXPERT
  • 5,465 POSTS
Well, there's a few possibilities for both of those codes coming back together so fast. The ECM runs a self-test on the evap system at start up. It closes the Purge valve and the Vent valve together. Those are the only 2 valves on this system. With those 2 valves closed it then watches the Fuel Tank Pressure sensor to see if too much vacuum is developing during a pre-set amount of time. Thats how the p0496 code is set. The Code description is "Fuel Tank Pressure Sensor indicates vacuum during a non-purge condition". I'm assuming you had 12 volts (or battery power) on the orange/black wire with the Key On. And 2.9 volts on the other White wire.
Those are correct readings.
The P0443 is the ECM either detecting something wrong on the Control wire (white wire) for whatever reason, Short to Ground, Short to power, Or open circuit. But you don't seem to have any of those. If you did, you would not be getting the 2.9 volts. If it were a short to ground, it would be 0 volts. Short to power you would have 12v. Open circuit you would have OL on your meter. And yes, a failed ECM can do all kinds of things. But before condemning the ECM you would have to check all of its Powers(12v) and Ground connections. Thats a rule of thumb before condemning a module. Plus, they can be very expensive. At this point considering you are low on the diagnostic equipment a shop would have, I think I would try 1 more purge valve from the dealership if they will give you a trade in. But this time, tell them what's going on, Every detail. Dealerships will see these type of issues more than any other shop would. They might know right away what is the most common cause for both of these codes together.
To be honest the running condition for the P0496 is that the P0443 is Not Set. I don't want to guess what is happening and have you replaced an ECM just to have the same codes come back again. At that point you will be beyond frustrated. You wouldn't even be able to replace the ECM because they need to be programmed to the VIN.
On both of our databases if the voltage readings are within limits, it replaces the ECM, but that is always a definite last thing we want to do.
But I think you should ask the dealership if they have seen this issue, there is no technical service bulletins yet for this because the car is probably not old enough and they haven't seen this issue enough to send out a TSB on it.
I wondered too, if you erase both codes, does the P0443 come back at just Key On or do you have to run the car first and then they both come back? And the fact that the car is stumbling and stalling, that tells me that there really is a problem somewhere and this might not just be an ECM glitching out on you.
So, after all that, try one more purge valve, see what the dealership might say before we go testing all the powers and grounds to the ECM.

One extra thought here, I had someone suggest checking the new Purge valve before you return it for any pieces of the charcoal canister in the valve keeping it open. I hadn't thought of that. A failed charcoal canister with debris going through the evap hoses. Or even take the canister off and shake it, see if any pieces fall out.

Here is a picture of a failed charcoal canister. It can be caused by overfilling the gas tank after the handle has already auto-shut off.
This also explains the codes, the purge valve is actually stuck open and that is completing the circuit, so the ECM will see 12 volts on the control side without commanding the valve on causing the p0443. The flow without being commanded on is causing the p0496.
Apr 24, 2022 at 9:37 AM
Avatar
CHEVYOWNER10
  • MEMBER
  • 93 POSTS
The charcoal canister didn’t have anything coming out of it. I had that off a week ago and I also tested it by blowing into it with a vacuum hose and air came out the other vacuum hole. I will shake the new purge to see if anything comes out. It probably won’t.


I do recall having around 11 volts but forget which wire it was. I also reset both codes because I had to disconnect the battery to clean it. They came back a couple mins after I was testing the purge solenoid by disconnecting and reconnecting the connector. But it took a couple of mins for both codes to set again. They are both permanent codes now. Before it was just the
P0496 but all of a sudden, the P0443 set and that keeps coming back along with first.
Apr 24, 2022 at 4:04 PM
Avatar
AL514
  • CERTIFIED EXPERT
  • 5,465 POSTS
If that new valve happens to be stuck open, which I think it is, that would be the only logical reason for both codes to come up like that. 11 volts sounds low, especially if that is running. You should check the charging system while it's running too, just see what you have for voltage across the battery. Turn the headlights on so there is some load, you should have at least 13-14volts, even 11 with the car off is too low. Do you know if the purge valve is stuck open? I know it's extremely odd to get so many faulty valves, Bosch is the OEM for Chevrolet. So, it should be a good brand, unless they're getting a different brand.

I finally found a TSB on the Evap system, I know this isn't the code you're getting but they are having issues with the Purge valves, this TSB didn't show up on my other searches for some reason. They have a very specific testing procedure for the evap system on this car. So, if that new valve isn't bad, there must be another reason for releasing a bulletin on it. That valve shouldn't be opening like it is. They are showing even if the valve is not leaking to remove it from the vehicle and do a pressure test of the rest of the tank and system. Ask about this also when getting a new valve from the dealership, this is an updated TSB.
Apr 24, 2022 at 4:50 PM
Avatar
CHEVYOWNER10
  • MEMBER
  • 93 POSTS
Yeah, my charging system is at around 14.3. I just replaced the alternator because it was overcharging, and it must have overcharged the battery and worn a cell out. I assume the battery must be on its way out. I had it checked and they said it was good. But they couldn't tell me if it had a bad cell in it. So, when i get these codes fixed, I will have the battery checked again.

Like I said, i replaced the vent valve solenoid and pressure tested the evap canister. The evap canister checked out okay with air coming out of the other vacuum hole. I know you said fuel caps and filler necks also fixed the issue said by dealers. If the new valve for the fourth time I exchange is stuck open, then it must be a computer issue which will have to be checked with a scan tool. I am also thinking the fuel pressure sensor is the problem because code P0496 suggests checking it with scan tool. I know circuit is fine but like you said, you need to figure out why it's open and a scan tool can only command it close.


I didn't order this purge valve solenoid from a local dealer. I ordered it from a chevy dealer online to save money. They sent me GM part 96800400. They are going to contact me back to talk about an exchange. I am going to also have to buy a power probe to test the new one out of the car to make sure it's not stuck open. If it's not stuck open bench testing it and inside the car is again, I will take it. But the dealerships are expensive with labor, so I was hoping to take it to an independent. I told the one shop I took it to about it and they suggested I blow into it and give it power. He seen the videos I sent but he couldn't determine an answer why it's doing that. He thinks it's the computer shorting it out. If I go to a dealer should i show them our conversation and the readings of the circuit and component, so they know what's going on?
Apr 25, 2022 at 1:17 PM
Avatar
AL514
  • CERTIFIED EXPERT
  • 5,465 POSTS
I don't know what he means by the ECM is shorting it out. That doesn't make any sense. You checked the resistance of the Purge valve, If the valve was shorted out (low resistance) it would take out the ECM driver that controls the Ground side of the Purge valve. Which may have happened, but it's a pulse width modulated circuit, it's controlled by a 12volt square wave signal, so at 50% duty cycle the valve is powered 50% at 12v and 50% at 0v. This would be seen on a lab scope. But that valve shouldn't be hanging open if it's unplugged, there's no way for the ECM to keep it open if it's unplugged. So, there is either too much pressure on one side and manifold vacuum on the other pulling it open which I've never seen, or something is getting into the valve keeping it open.

But I didn't know you were getting the P0496 first, that can be a Fuel Tank pressure sensor issue, or the sensor is showing the issue. If you check out on you tube some video's on how the purge valve works on Chevrolets it will give you a better idea of how things are controlled. The Tank pressure sensor is an extremely sensitive sensor, it doesn't measure like other pressure sensors, it measures in H20 which is very small amounts of pressure, that way it's very accurate.

But when did the overcharging issue happen and how high did the voltage go? You should be able to tell with your multimeter if the battery has a shorted cell. Just see what the cranking voltage is, if the battery is dropping way down, below around 9volts, then the battery is not holding a full charge. But an overcharging condition can damage the ECM. So, there are a lot of variables here. Excessive current flow from the charging system can do all kinds of damage.

I would ask a dealership if they have seen an issue like this. Tell them about the valve being open with the hose off and unplugged, see what they say. But you have to include the charging system info as well, it would take live scan data to see what's going and if someone can bi-directionally control the valve, which it may not be able to do with that code set. Most systems will intentionally shut down systems that are malfunctioning. Right now, all we're seeing is bad valves or valves going bad. Or some other fault in the evap system. I can only go by what you are seeing happen.
Apr 25, 2022 at 3:03 PM
Avatar
CHEVYOWNER10
  • MEMBER
  • 93 POSTS
Overcharging happened a month ago before the P0496 ever set. The charging status on my battery scanner said it was overcharging high. So, I thought okay, well it's an original alternator so it must have a bad regulator going bad in it. I replaced the alternator, but I made a mistake, I forgot to disconnect the battery and burn out the fusible link (circuit breaker) that connects to the positive battery terminal. When I burned the fuse, I started the car, and the new alternator had the battery light on. I replace the fusible link and the light goes off. About a week after I replace the alternator is when the P0496 code first set.

But something weird happened a couple days ago when I was checking the purge solenoid circuit to give you the readings I got. I first disconnected the purge solenoid and vacuum hose. Do the key on accessory readings, then cold start vehicle and check the readings for idle. After I shut off the vehicle, I go about my diagnosis to check the sensor, I try to start the vehicle again and the starter would just click. I couldn’t understand why. I connect my test lamp to a good ground and check the battery posts. Test lamp lights for battery positive post but doesn’t light for negative post. The ground cable felt loose, I disconnected the ground cable and cleaned it. Then the car starts again fine. I connected my portable battery scanner, battery says replace, do cranking test, voltage is normal at 10v according to the scanner, charging system was around 14v. I didn’t mention before when I got 11v for the orange/black wire, but maybe it has something to do with a problem with the ECM that’s why it’s putting out 11v on that wire. To me, it was weird that I removed the ground cable, cleaned it and then it started fine again. I got the reading of 11v to the orange/black wire after I cleaned the negative battery cable.
Apr 25, 2022 at 4:20 PM
Avatar
AL514
  • CERTIFIED EXPERT
  • 5,465 POSTS
Okay, yeah so, you've got some other weird issues going on too. I'm assuming it fried to 100amp fuse for the charging system? And the 11volts isn't good either. Another concern would be with the old alternator over charging the system, which means that there was higher than normal ac voltage ripple. A healthy alternator has a set of diodes in it that change the ac voltage into dc voltage that the ECM can handle. When alternators go bad, even just the regulator, if it didn't damage the diode trio it's still going to be outputting a higher-than-normal ac voltage. if it did damage the diodes, who knows how much ac voltage was hitting the ECM . At this point I might even measure the ac ripple just to see where it is at. Most people will say it can go up to 100mv but I don't like to see over 50mv. I guess that is beside the point now, but it's hard to tell if any damage was done to the ECM during all this. 11 volts on an actuator circuit is not a good sign.

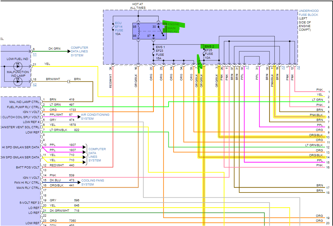
I'm going through the wiring diagrams right now and noticed a few strange things. Are you getting the 11 volts while it is running? Because I assumed, and that's never a good thing, that the purge valve was getting powered up directly through the ECM , but that's not the case. I'll put the diagram below, it gets its power through the EMS2 EF25 Fuse. That fuse also powers up two oxygen sensor heater circuits, the mass air flow sensor, and the purge valve. If the purge only has 11 volts on it, then the rest of these components may only have 11 volts too.
So really you should be reading almost full battery power on the purge feed wire. You might want to go through the fuses in the driver side under-hood fuse panel and see if you find anything strange going on in there. You can see the other fuses in the diagram that are located in that box.
And if you find 11 volts on that fuse, I would do a voltage drop test while the car is running and turn some lights and accessories on to load the charging system. Put your meter on that fuse and the battery positive. That will tell you the voltage potential or voltage that is being lost from the battery positive to the fuse. Which really should be close to nothing.
And do the same for the ECU EF 14 Fuse 10amp. If there is a difference between those two fuses, then there is too much voltage drop across that Engine Main Relay. If it's 11 volts on the ECU fuse, that is a problem. That feeds directly into the ECM pin 12 X1 connector.
I know we're getting away from the purge valve here a little, but we should make sure that this 11 volts isn't happening everywhere.
Also go through and check the rest of your ground connections. To the engine block, to the chassis, because this ECM only has one ground connection. And it's down near the starter. It's a black wire. I'm surprised the ECM only has one ground, that really can cause so many issues. Is that the one you found loose?
Apr 26, 2022 at 6:22 AM
Avatar
CHEVYOWNER10
  • MEMBER
  • 93 POSTS
The charging system is fine. The only cable that was loose was the negative battery post cable. I made it tight, and I checked it with a load put on it with my scanner. It’s at 14.3v, I also had to replace my fuse box lower cover because it was cracked. Now for the purge, I figured out why it was stuck open, I had connected it in the wrong position. I flipped the purge over and connect it differently and there is no more air sucking my finger in the one side of the valve like I show you in the video. I should have done this a long time ago, but it crosses my mind. I remembered what you said before if you connect it wrong it can be stuck open. I cleared the codes, but they are still permeant. I think what I should do now is call the 3rd purge solenoid working. I even removed the purge valve from the vehicle and applied power to it with a power probe and blown into it and I heard the internal parts working. So now all I have to worry about is the check engine light coming back. It usually comes back after it sits for a long time. So, I will let it sit for a couple days and see if it comes back on. Do you think that was the reason for it stalling when I was driving and setting the code P0443 because I had it connected wrong? Maybe it made the ecm think there was a circuit issue, so it set that code?

But for the P0496, Hard question AL, can the ECM intermittently set the same code if you install it wrong like I have?
Apr 29, 2022 at 10:58 AM
Avatar
CHEVYOWNER10
  • MEMBER
  • 93 POSTS
Also, I checked again, the orange/black wire is giving me the correct battery power with connector disconnected at idle. I got over 12v at idle. At key on engine off it drops, I got 11v. That’s what I should have mentioned before.
Apr 29, 2022 at 12:06 PM
Avatar
AL514
  • CERTIFIED EXPERT
  • 5,465 POSTS
Ahh im glad you tried that, to be honest I dont know why they make parts that can even be put on backwards like that. The manufacturers should know that someone is going to obviously take the valve off and bring it to the parts store, then they get back home and forget which way it goes. Thats not your fault at all. They should have the hoses with specific fittings so that cant happen. And yes I think the stalling was caused by that valve pulling from the fuel tank when it wasnt supposed to. It should only purge when there is fuel vapors. If theres no vapor stored in the canister then its just pulling air in threw the vent valve. Thats pretty much just a vacuum leak at that point. I would try driving it a couple days and see if the ecm shuts the check engine light off. It might take a few drive cycles, key cycles and/or self-tests for the ecm. It takes different temperatures and amounts of gasoline in the tank for certain tests to run. Things should be working correctly now technically speaking.
If the tank is low on gas you might try going and getting some gas and keep driving it. If something is still wrong it might set a different code. The code indicates vacuum during a non-purge condition. So if its a faulty Fuel Tank Pressure sensor, it will set a code for it. As you can see below, theres a bunch of conditions that need to be met for the code to be set.
So try some more gas, just dont over fill it, when the handle at the gas station clicks off, dont try to put more in. Some people do sometimes, and that causes fuel to get into the canister.
Also that Ground you found loose. Since that is corrected, i would also check the ground wire down near the Starter motor. Make sure its good and tight. If you need to take it off to clean it, you might want to take the battery negative off, because the ground at the Start is the only ecm ground.
how is the car running now? With that purge valve being open all the time, the ecm was compensating for the extra air by adding more fuel to the mixture. Increasing the pulse width on the injectors, So a good run on the highway to clear any build up out would be good. Let me know how things go. Im super glad you got that part figured out. It was bothering me, Ive never heard of a valve hanging open for no reason. A learning lesson for us both.
The reason for the p0443 was that when the valve was open, it was essentially completing the circuit, and the 12volts was going right threw the valve back down to the ecm on the control wire, and that wire has a voltage sensing circuit on it. So every time that valve bounced completely open it would be sending voltage to the ecm and the ecm saw that as a short to voltage and set a code. A made a little diagram (2nd) so you can see how it detects the voltage reading. Hopefully the new valve is not damaged. You might want to check its resistance after it gets hot, like after a good drive. Most electronic components malfunction either really hot or really cold. sorry for the long message..
Just saw the new message, is your battery at 11 volts with the car off?
Apr 29, 2022 at 12:47 PM
Avatar
CHEVYOWNER10
  • MEMBER
  • 93 POSTS
Thank you, Al, for taking the time to explain to me and send all this helpful info. You are the greatest help I ever found on here. I wouldn’t be able to do it without your help and assistance.

I will recheck the resistance in the component after I take it for a long drive, and I will let you know how it drives and how the rpm’s act when slowing down coming to a stop. I will also let you know if any of the codes above come back.


But, after I cleared the codes, the code P0443 set again after I disconnected the sensor while having it run when I was rechecking the orange/black wire for 12v. So, I reset that code again. I will see what happens. As of now the check engine light is off, but there are permeant codes stored from when they set. Now hopefully after the ECM does the drive cycle it will be okay.

The battery voltage was dropping to 11v with key on engine off. The battery voltage would rise at idle because it was being charged by the charging system. I had my battery checked at the parts store a while ago and I was told it was good. Should I be worried about a bad cell in it because of the alternator overcharging before? The Advanced Auto part stores don’t have scanners that tell you if there is a bad cell in it.
Apr 29, 2022 at 1:20 PM
Avatar
AL514
  • CERTIFIED EXPERT
  • 5,465 POSTS
The battery voltage should definitely not drop below 12.4ish, even with the engine off. If it goes right to 11v when you shut the car off, I'd say that's a cell issue. If it dropped of slowly, it could be more of just a weak battery. But if a cell is shorted out it would drop right away. Each cell is like a small 2v battery. 2x6cells gives you the 12v. But a shorted cell can also damage an ECM. I really don't trust what advanced auto or AutoZone say when it comes to testing things. I have no idea what kind of machine they use, but when it comes to batteries there's no telling if they are load testing them. The p0443 will come back if the sensor is unplugged while it's running, so don't worry about that. It's a circuit code that's why.
I'm not sure of all that Chevrolet does now with code setting criteria, i know Ford for example in some year vehicles will shut the light out or won't show the code anymore for a certain number of key cycles or drive cycles. so that might be why you can't erase them right now. With a more advanced scan tool they might be able to be erased right now. My Autel will erase codes right away, but if there's an issue they will come right back. Sometimes for testing I will need to erase a code to get a circuit to start working again. So, I will have about a 10second window to catch an issue on my scope before a code sets and the system is disabled. I just went through this with a Toyota. 10.6sec to test a circuit driver, then it was intentionally shut down.
For the battery though, it might have an issue due to the overcharging. It doesn't sound right though. Do you have another battery you can try? Sounds like the charging system is ok. but drive for a bit and see how it is. Let's see what codes come back after a couple days. Unless you notice something that you're sure is not right.
Btw thanks for the nice compliment, I really appreciate it. Glad to help anytime.
Apr 29, 2022 at 3:57 PM
Avatar
CHEVYOWNER10
  • MEMBER
  • 93 POSTS
Read below AL, on progress. Thanks.
May 10, 2022 at 3:23 PM
Avatar
CHEVYOWNER10
  • MEMBER
  • 93 POSTS
Hi AL, I wanted to give you the progress on the purge valve sensor. I drove it for a long time today on the highway, no major highways, just around city highways. It drives fine, but still lacks engine performance. It could be a lot smoother and when you step on the gas to accelerate it feels like it lacks performance like its delaying power. I know city driving always sucks and on highways it always drives greater because you are traveling at higher speeds and not stopping much.

As I mention above in the video pointing out rpms, on occasions the RPMs would rev on its own as if you were making a complete stop slowing down the vehicle down, when sitting at a light idling, the rpm would rev itself to 2,000 RPMs on its own and the engine would surge, the car would feel like it's pulling itself down the road when it's supposed to be at a complete stop, normally when you are at a complete stop the rpm needle should not continue to rise unless you are stepping on the throttle if that makes any sense. Today all it did was rev to 1000 rpms at a complete stop for about two seconds when the car was stopped at a red light. The car didn't continue to pull itself down the road like it would do before. It was steady with no engine surge.

When I came home, I rechecked for any codes. No light came on ever since i repositioned the sensor because I remember I told you i connected it wrong and that was the reason the P0496 kept coming back. But when I checked for codes, the only code I still saw stored in the ECM was the P0443. There wasn't the P0496 anymore because the drive cycle must have cleared it on its own. I retested the circuit and component. Voltage and resistance were still in range. Battery power is at 12.5v with the car off now. I replaced the battery. The battery wasn't holding the correct CCA.

But it's strange. All day driving, I didn't notice it until i got home and restarted the vehicle in front of the house. All of a sudden when I started the vehicle after testing the component, I found out there's a very large exhaust leak. The vehicle sounds like a motorboat. There aren't any holes in the muffler or exhaust. I only see rust holes in the catalytic converter, but I didn't hear any loud noise at the catalytic converter, it's at the front end. So, I am going to have to bring it to the shop tomorrow to have them check the exhaust for leaks. It was quiet all last week and I started doing it today. Cars have a mind of its own Al.

May 10, 2022 at 3:49 PM
Avatar
AL514
  • CERTIFIED EXPERT
  • 5,465 POSTS
I was actually just commenting on the converter when you changed your message. Depending on how long the engine was running rich due to the purge valve issue, the extra fuel going down the exhaust could have damaged the converter. The worst thing about it is the rich mixture. It melts the cat down and you would definitely have a lack of power and sluggish response like that. When the honeycomb of the converter starts to melt, it starts blocking off the exhaust and the engine can't breathe correctly. There would be excessive back pressure. If there was a weak spot in the exhaust, even the exhaust manifold gasket, it could eventually push its way out.
The high idle issue might still be something to do with the filler neck. If you're taking it somewhere, have them do a smoke test on the evap system and the intake manifold to see if there's a leak somewhere. I'll bet there is. That will cause strange surging and high RPMs because every time the purge valve opens for normal purging, it's drawing in outside air too when it's not supposed to. It's technically a vacuum leak. I would have them inspect the converter too, check to see if any of it has started to melt down. Unfortunately, you're running into multiple problems at once because of the poor running conditions you started with.
So, make sure they check the evap system for a leak, the catalytic converters condition for meltdown and possibly the oxygen sensors. You don't want to run into problems a week later with more damage. or the check engine light coming back on. Below I'm putting some "real fixes" from the p0443. Hope it goes okay for you bud.
May 10, 2022 at 4:14 PM
Avatar
CHEVYOWNER10
  • MEMBER
  • 93 POSTS
You know that's funny you should say that about running rich. Acceleration is so shitty it doesn't feel like you can step on the pedal. I have been looking at fuel trim levels and notice the long-term fuel trim is odd. It runs lean at idle and acceleration it runs rich. Split seconds while accelerating, it went right to -17 and went back to +5 and +7. I looked closely at the long term and short term. Short term is okay, but the long term doesn't seem like it wants to stable out. It just stays lean idling and rich acceleration. Think it has something to do with the cat being clogged for how the engine performance is?
May 10, 2022 at 8:20 PM
Avatar
AL514
  • CERTIFIED EXPERT
  • 5,465 POSTS
So, you're saying that the fuel trim is positive at idle (i.e. 5-10+)? Lean at idle points to a vacuum leak, the fuel trims and oxygen sensors should go rich when accelerating. But the lean at idle means the oxygen sensors are reading air in the exhaust at idle, so that's either a vacuum leak into the engine or you mentioned an exhaust leak, they will allow air into the exhaust and fool the oxygen sensors sending them lean, therefore the ECM enriches the mixture. With an exhaust leak the ECM is being tricked by the oxygen sensors. With a vacuum leak the mixture is actually lean and the ECM is enriching the mixture to compensate for the extra air.
The short-term fuel trim is more of a correction of the fuel trim constantly, whereas the long term is more of a learned air/fuel mixture. Yours is compensating so fast because the mixture is changing so rapidly.
The way to test for a cat going bad is to take a back pressure reading in the exhaust before the converter. For example, I would take out the front oxygen sensor and test for positive pressure there. It's a very slim margin. The max back pressure is 1.5PSI, barely anything. If there's more than that, the cat is in trouble. You can also look at the oxygen sensor after the cat. If it is not a stable reading 450-700mv (in that range). If it's swinging like a regular front oxygen sensor from 200-800mv back and forth quickly, that's a sign the converter is not doing its job.
Your long-term can't stable out because of the false air getting into the system, either into the exhaust or leaking into the engine. There's too much variation for it to learn a fuel strategy.

Heeres a couple guides to help. But the car needs to have a bunch of components checked out. You don't want this to get worse. Lean mixtures get the cylinders hot, you can eventually burn valves and things you don't want to see happening.

https://www.2carpros.com/articles/how-to-use-an-engine-vacuum-gauge

https://www.2carpros.com/articles/engine-surges

https://www.2carpros.com/articles/how-an-oxygen-sensor-works
May 10, 2022 at 8:47 PM
Avatar
CHEVYOWNER10
  • MEMBER
  • 93 POSTS
AL, no, it's negative at idle and positive at acceleration.
May 10, 2022 at 9:26 PM
Avatar
CHEVYOWNER10
  • MEMBER
  • 93 POSTS
First, I am going to take care of the exhaust leak because it sounds loud like a motorboat. After that is corrected then I will see if there is still a vacuum leak affecting the RPMs surging at idle after coming to a complete stop. I have seen holes in the catalytic converter, so I am going to ask them to test for back pressure on the catalytic converter.

I was also looking over the article you attached about engine surging. It said MAF sensors can go bad, and you don't even know it because it doesn't set a code. I tried cleaning it before but that didn't improve my lack of acceleration. Maybe I should replace it. The voltage readings could have been false if it's going bad. I had help with that on another post on here. It all tested out in range. But it's very common for the engine to surge and hard gas pedal at acceleration. I had this issue before and when i replaced it, it was better.

Last year, I bought an aftermarket one and it didn't improve the acceleration. I should have bought a GM one. I know they are expensive, but the article says if cleaning it doesn't improve, replace it which always works out best.
May 10, 2022 at 9:36 PM
Avatar
AL514
  • CERTIFIED EXPERT
  • 5,465 POSTS
I would have the shop you're taking to unbolt the front of the cat and have a visual look at it. Thats the best way at this point to see if the front of the honeycomb is starting to melt down. Have them check that before you replace the MAF, because the catalytic converter has been through a lot with everything that's been going on with the car and if it's bad, they can be expensive. That would be my first concern. If it is on its way out and they replace it, you will notice a huge difference in its performance. Once the engine can breathe correctly it will be back up to power. If there's holes in it now, then its already done for. So, concentrate on that and have the evap and intake manifold smoke tested for leaks. After that let's see how it runs. I think you're going to see a big change in how it runs. Don't spend money on extra parts you might not need yet. Save your money for a catalytic converter.
May 11, 2022 at 11:49 AM
Avatar
CHEVYOWNER10
  • MEMBER
  • 93 POSTS
I just got my vehicle back from the shop yesterday. It turned out to be a bad flex pipe. Living in the rust belt they only last 5-6 years so that had to be replaced again.

About the catalytic converter and the code P0443 now. The one mechanic at the shop who knows mostly about my concerns by now from all the directions I given him keeps telling me not to do anything with the catalytic converter yet.

He said if you were getting the Code P0420 it would be a catalyst below efficiency code, and you wouldn’t even be able to drive the vehicle because there would be a lot of air getting inside the catalytic converter causing a lot of vacuum to get into the engine and the car wouldn’t be drivable. He said you couldn’t check the catalytic converter anyhow unless you were to remove it and take it apart to really get a better idea if anything was really going bad inside. Then I asked him if he thought maybe the purge solenoid issue could have made the catalytic converter go bad inside like melt the honeycomb inside. He said there isn’t any idea to tell because like I said, you would need to get that code first. He said as long as there isn’t a code, I wouldn’t worry about that yet.

He said the reason your RPMs where surging was because you had a smell exhaust leak and air was getting inside the engine. The leak wasn’t that bad yet, but it was getting there with the exhaust leak. Also, he mentioned that the code Po443 is just history saying that it set before and hasn’t clear yet. He checked for current codes, and none are current.

After he replaced the flex pipe It was fine. No more noise and it was quiet. But I am still getting the rpm needle surge slowing down or idling. If I can recall, last time my MAF sensor went bad I couldn’t even accelerate the vehicle let alone barley push down on the gas pedal to accelerate the vehicle again. It’s showing these signs again, but I am still able to accelerate smoothly after you get over 40 MPH. Just kind of an effort to accelerate the gas pedal at first when you get moving again.

I read in the article about vacuum leaks you sent when a MAF sensor goes bad it will not show any notices of fails by sending a code because codes don’t set for MAF sensors. You either clean it or usually replacing them fixes the problem and makes it better. The readings were in range testing the sensor. But it doesn’t always give you accurate readings always because the computer is not always accurate measuring the amount of air entering the engine.
May 13, 2022 at 8:18 PM
Avatar
CHEVYOWNER10
  • MEMBER
  • 93 POSTS
I know the catalytic converter is expensive. But I want to be sure the MAF sensor isn’t the problem before going to all that trouble replacing the catalytic converter showing no codes. I don’t know what next step to take. They both are expensive. But the idle and lack of acceleration makes me think of a bad MAF sensor.
May 13, 2022 at 8:30 PM
Avatar
AL514
  • CERTIFIED EXPERT
  • 5,465 POSTS
Are you able to accelerate with full power now, or is it still sluggish? I disagree with the hunting idling issue. The flex pipe is pretty far down the line. And he could have checked the converter by taking out the front oxygen sensor and taking a look with a bore scope. I do it all the time, just because a p0420 or p0430 has set doesn't mean the converter is fine, but if he didn't want to check its condition, that's his call. If you can see the data PID for the MAF on your scan tool, at idle it should read the grams per second (g/s) close to the size of the engine. So, for example, my truck is a 4.0l, so at idle it will read around 4g/s. Thats a rule of thumb for checking a MAF, I just hope the car is running well enough for you, having enough power. With all this that you've been through with this car. Before you change out the MAF again, take a look at the throttle plates, make sure they're clean and no carbon builds up around the edges. I used to live in the rust belt, so I know everything has a half-life up there. How are the fuel trims doing now? Check them at idle and at 2,500 RPMs.
May 13, 2022 at 8:46 PM