Codes p0112, p1425 and p1472

1999 VOLKSWAGEN JETTA
250,000 MILES • 2.0L • 4 CYL • 2WD • MANUAL
Avatar
ADAM COWSERT
  • MEMBER
  • 41 POSTS
I just bought the car listed above and i need help finding out how to fix a p0112, p1425 and a p1472. i think i fixed the four other codes that came up i think. I need help with these last three and would any of these cause my car to stumble on acceleration?
Mar 12, 2021 at 11:39 PM
Advertisement
Avatar
JACOBANDNICKOLAS
  • CERTIFIED EXPERT
  • 110,175 POSTS
Hi,

The P0112 indicates an issue with the air intake temperature sensor. That can cause drivability issues. I attached a pic below showing its location. Check to make sure there are no wiring issues, the connector is tight, and make sure there isn't corrosion in the plug.

Here is a link you may find helpful:

https://www.2carpros.com/articles/how-to-check-wiring

Let me know what you find or if you have other questions.

Take care and God Bless,

Joe
Mar 14, 2021 at 8:22 PM
Avatar
ADAM COWSERT
  • MEMBER
  • 41 POSTS
Now i'm really really upset because i have just replaced my mass airflow sensor, both of the o2 sensors, the fuel filter and my car is still coming up with these codes p1425, p1472, p0102, p0112, p0134, p0135, p0141 and its still stumbling when i accelerate or downshift. when i'm at a stop light it feel like it's lunging forward.
Mar 18, 2021 at 4:06 PM
Advertisement
Avatar
JACOBANDNICKOLAS
  • CERTIFIED EXPERT
  • 110,175 POSTS
Hi,

That is more codes than you listed originally. Have you done anything with the air intake temperature sensor? Does the vehicle run any differently since you did all the work? Did you clear the codes and then have them return?

Joe
Mar 18, 2021 at 5:58 PM
Avatar
ADAM COWSERT
  • MEMBER
  • 41 POSTS
No i haven't done anything with the air intake sensor, i don't even know where that is and yeah it did run better after i replaced all those things for a day or two. yeah, i cleared the codes and they keep popping up.
Mar 18, 2021 at 11:08 PM
Avatar
JACOBANDNICKOLAS
  • CERTIFIED EXPERT
  • 110,175 POSTS
I attached a pic below showing the IAT location. Check to make sure the connector is tight, clean, not corroded, and none of the pins are damaged.

Let me know,

Joe
Mar 19, 2021 at 6:54 PM
Avatar
ADAM COWSERT
  • MEMBER
  • 41 POSTS
My motor doesn't look like that.
Mar 19, 2021 at 11:19 PM
Avatar
JACOBANDNICKOLAS
  • CERTIFIED EXPERT
  • 110,175 POSTS
Hi,

It is a 2.0L, correct? That's the only one that was used.

Do me a favor. Take a pic of yours and upload it for me to see.

Joe
Mar 20, 2021 at 9:17 PM
Avatar
ADAM COWSERT
  • MEMBER
  • 41 POSTS
Okay, my air filter goes the other way.
Mar 20, 2021 at 9:39 PM
Avatar
JACOBANDNICKOLAS
  • CERTIFIED EXPERT
  • 110,175 POSTS
Hi,

Let me know what you find with the sensor.

Take care,
Joe
Mar 20, 2021 at 10:27 PM
Avatar
ADAM COWSERT
  • MEMBER
  • 41 POSTS
Well, now i just have three codes that pop up and they are p1472, p1425 and p0102.
Mar 21, 2021 at 1:32 PM
Avatar
JACOBANDNICKOLAS
  • CERTIFIED EXPERT
  • 110,175 POSTS
Hi Adam.

I attached pics below showing exactly what the new codes mean. Any can cause drivability issues. What I suggest is to first try to find engine vacuum leaks. Here is a link that shows how it's done:

https://www.2carpros.com/articles/how-to-use-an-engine-vacuum-gauge

Below are the definitions for the codes. The reason I'm suggesting checking for a vacuum leak is because that can be causing the MAP code. Two of the codes are likely related to a leak.

Let me know what you find.

Joe

See pics below.
Mar 21, 2021 at 6:17 PM
Avatar
ADAM COWSERT
  • MEMBER
  • 41 POSTS
My motor doesn't look like that?
Mar 22, 2021 at 7:33 PM
Avatar
ADAM COWSERT
  • MEMBER
  • 41 POSTS
Well, i tried using carburetor cleaner and didn't find any leaks.
Mar 22, 2021 at 7:51 PM
Avatar
ADAM COWSERT
  • MEMBER
  • 41 POSTS
And the codes that keep popping up are p1425 tank ventilation valve short to ground, and a p1472 evap control system ldp circuit short tk ground and then a p0102 mass or volume air flow circuit low input. so wouldn't that mean that it's in the wiring?
Mar 22, 2021 at 7:54 PM
Avatar
JACOBANDNICKOLAS
  • CERTIFIED EXPERT
  • 110,175 POSTS
The sensor itself can be bad. If it is related to low input, it could also be a short. As far as the EVAP components, they are certainly indicating a short.

I attached the entire powertrain management schematic below. I had to cut the pics in half to make them readable, but I did overlap them so you can follow them easier.

Here is a link you may find helpful:

https://www.2carpros.com/articles/how-to-check-wiring

I hope this helps. Let me know if you have other questions.

Joe

See pics below.
Mar 22, 2021 at 8:39 PM
Avatar
ADAM COWSERT
  • MEMBER
  • 41 POSTS
I just replaced the mass air flow sensor, twice.
Mar 23, 2021 at 8:48 AM
Avatar
JACOBANDNICKOLAS
  • CERTIFIED EXPERT
  • 110,175 POSTS
The sensor may not be the issue. It could be a connection issue, short, open circuit and so on. Have you checked the wiring and connections?

Joe
Mar 23, 2021 at 5:59 PM
Avatar
ADAM COWSERT
  • MEMBER
  • 41 POSTS
Yes, i have checked all of the connections.
Apr 2, 2021 at 2:35 PM
Avatar
JACOBANDNICKOLAS
  • CERTIFIED EXPERT
  • 110,175 POSTS
Have you checked the wiring for continuity and condition?
Apr 3, 2021 at 8:38 PM
Avatar
ADAM COWSERT
  • MEMBER
  • 41 POSTS
I have replaced everything that was wrong with the car and i have checked all the wiring, my check engine light will turn off but only for a second. i am completely stumped.
Apr 11, 2021 at 7:15 PM
Avatar
ADAM COWSERT
  • MEMBER
  • 41 POSTS
This is really starting to get frustrating. i have my own obd2 code reader and it keeps popping up the same codes even after replacing everything that was previously listed. i am about to ghost ride this car off a cliff.
Apr 11, 2021 at 10:04 PM
Avatar
JACOBANDNICKOLAS
  • CERTIFIED EXPERT
  • 110,175 POSTS
My friend, I completely understand. They can be totally frustrating. Do me a favor. Let me know if it is all the original codes. I will try to get you diagnostics for each individual code. Also, let me know the production date of the vehicle. It should be on a label either on the driver's door or door frame.

Joe
Apr 12, 2021 at 6:27 PM
Avatar
ADAM COWSERT
  • MEMBER
  • 41 POSTS
Okay, here are all the codes: p0102, p0112, p0134, p0135, p0141, p1425 and a p1472. now i have replaced both o2 sensors, the mass air flow sensor and i think the IAC valve, the fuel filter, the evap canister valve and it still wont turn off the check engine light and it hesitates when im pressing the accelerator.
Apr 12, 2021 at 10:44 PM
Avatar
ADAM COWSERT
  • MEMBER
  • 41 POSTS
I haven't looked for the manufacturing date yet.
Apr 12, 2021 at 10:45 PM
Avatar
ADAM COWSERT
  • MEMBER
  • 41 POSTS
Also how to fix each of the problems would be good.
Apr 12, 2021 at 10:47 PM
Avatar
JACOBANDNICKOLAS
  • CERTIFIED EXPERT
  • 110,175 POSTS
Hi,

I think we need to focus on one at a time. If we try to hit all of them, we'll go crazy. So, let's start with the P0102 (mass air flow) code.

If you are certain there are no engine vacuum leaks, follow the directions specific to this in the attachments. The flow chart should point you in the right direction.

Note: I selected the diagnostics to be done with a basic scan tool. If you have access to VAG codes, let me know what they are. I can narrow it down further.

I picked the MAF first simply I feel that if it is fixed, other codes may go away. I realize you replaced the sensor, but there has to be a wiring issue. Following the directions below, you will be confirming power and ground to the maf. I suspect you will find a ground issue.

Let me know what you find.

Joe

See pics below.
Apr 13, 2021 at 6:05 PM
Avatar
ADAM COWSERT
  • MEMBER
  • 41 POSTS
Okay, i have all these codes still popping up, i have a book that tells me what the codes are but i need help on telling me how to fix them.
Apr 23, 2021 at 11:41 PM
Avatar
JACOBANDNICKOLAS
  • CERTIFIED EXPERT
  • 110,175 POSTS
Hi,

If you look at the attachments in my last post, it provides the diagnostics for the MAF issue. I picked that one because I have a feeling if that is fixed, other codes will go away. At least that is what I suspect. We need to do one at a time.

Let me know if you have questions or if there is any other way I can help.

Take care,

Joe
Apr 24, 2021 at 6:56 PM
Avatar
ADAM COWSERT
  • MEMBER
  • 41 POSTS
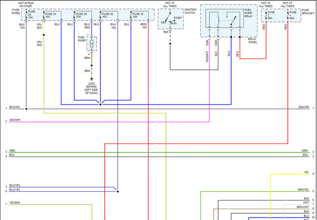
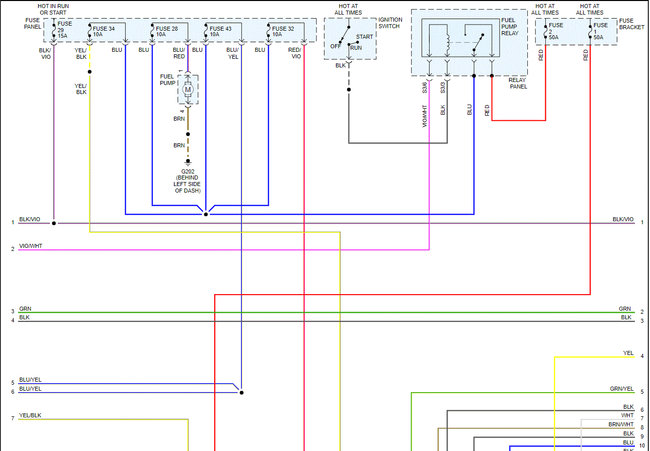
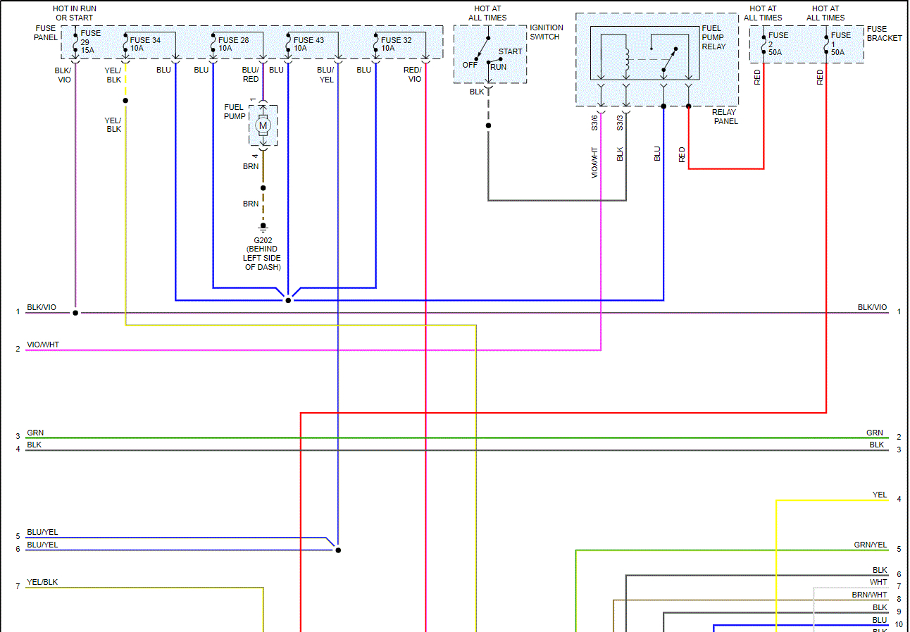
Okay, if the fuse in slot 43 was taken out that would probably make the check engine light come on, huh?
Apr 25, 2021 at 12:52 PM
Avatar
JACOBANDNICKOLAS
  • CERTIFIED EXPERT
  • 110,175 POSTS
Hi,

If you remove fuse 43, it shouldn't run. That powers different engine controls. So, yes, it should turn the check engine light on. It will stop the fuel pump, and power to the fuel injectors.

I attached a pic of the schematic showing the fuse.

Let me know.

Joe
Apr 25, 2021 at 6:31 PM
Avatar
ADAM COWSERT
  • MEMBER
  • 41 POSTS
When i got the car that fuse was not in there, but the car still ran.
Apr 25, 2021 at 7:42 PM
Avatar
JACOBANDNICKOLAS
  • CERTIFIED EXPERT
  • 110,175 POSTS
Then someone must have done something to power that circuit. It powers the fuel pump, injectors, and so on. Does it look like the empty fuse slot was ever used?

Joe
Apr 25, 2021 at 9:22 PM
Avatar
ADAM COWSERT
  • MEMBER
  • 41 POSTS
Yeah, it looks like its been used and in my book it says its for the ECM, so i put in a fuse and it seemed to be working better but when i went to take it for a test drive the check engine light came back on and it was flashing at me and it felt like there was nothing in the gas pedal so i brought it back home, then i hooked my scanner back up and now it said that i had a misfire in cylinder one. so i went and got a spark plug and then i took the fuse back out and drove it a little bit but it was still hesitating.
Apr 26, 2021 at 5:49 PM
Avatar
ADAM COWSERT
  • MEMBER
  • 41 POSTS
And now that i'm back at home i put the fuse back in and it seems to idle fine and even when i push the gas it seems alright. i haven't yet tried driving it down the road.
Apr 26, 2021 at 5:53 PM
Avatar
JACOBANDNICKOLAS
  • CERTIFIED EXPERT
  • 110,175 POSTS
Hi,

Let me know how it runs when you get to drive it tomorrow. I'm interested in knowing. Also, make sure you have the correct amperage fuse in it.

Joe
Apr 26, 2021 at 8:45 PM
Avatar
ADAM COWSERT
  • MEMBER
  • 41 POSTS
Actually, it was hella weird, i took it for a drive earlier and everything seemed to be alright and plus my check engine light is off but knowing my luck it will be back on tomorrow.
Apr 26, 2021 at 11:05 PM
Avatar
JACOBANDNICKOLAS
  • CERTIFIED EXPERT
  • 110,175 POSTS
That is interesting. Let's hope the light stays off. Let me know if things change.

Joe
Apr 27, 2021 at 6:37 PM
Avatar
ADAM COWSERT
  • MEMBER
  • 41 POSTS
Well, after driving it a bit today the check engine light came back on and after hooking it up to my reader it says the air intake temperature sensor has low voltage.
Apr 27, 2021 at 8:40 PM
Avatar
JACOBANDNICKOLAS
  • CERTIFIED EXPERT
  • 110,175 POSTS
Are all connections good, clean, and not corroded?

Joe
Apr 27, 2021 at 9:19 PM
Avatar
ADAM COWSERT
  • MEMBER
  • 41 POSTS
Well, i don't know where that sensor is, if it's the one right next to the mass air flow sensor then yeah it looks like its brand new with no corrosion.
Apr 27, 2021 at 9:26 PM