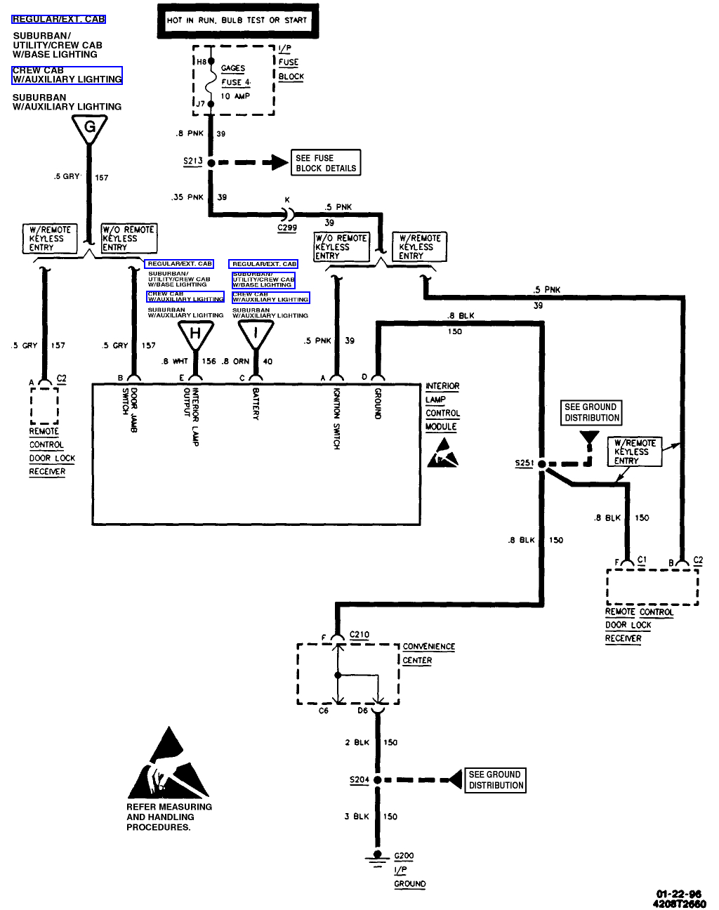
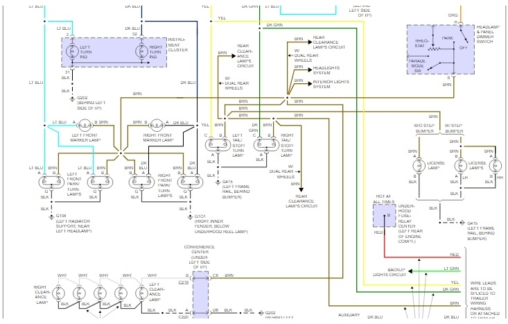
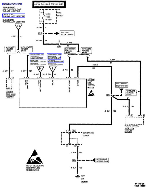
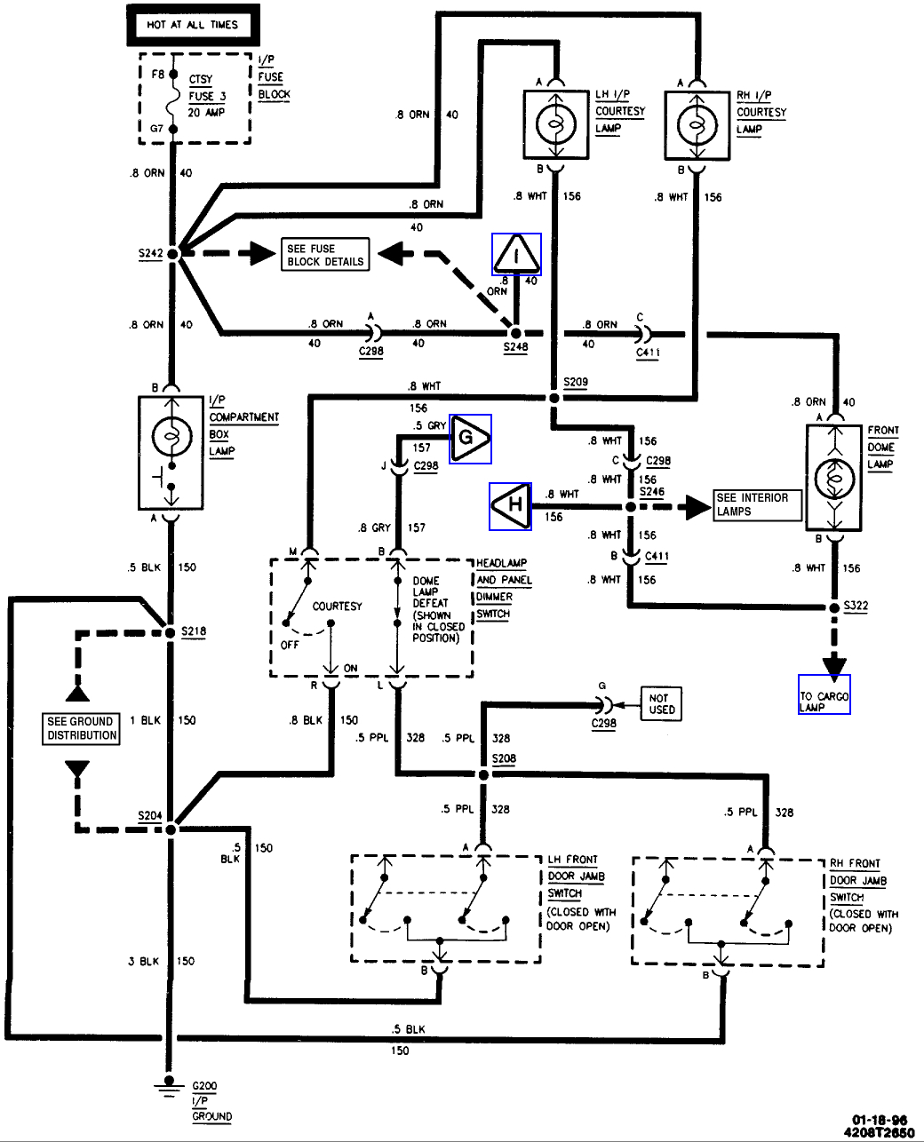
Kinda busy tonight with the wifey.
Takes a while to screenshot stuff and process it thru M.S Paint in order to post it so that it is big enough to read. Beings that they are from "Prodemand", I cannot just copy and paste them.
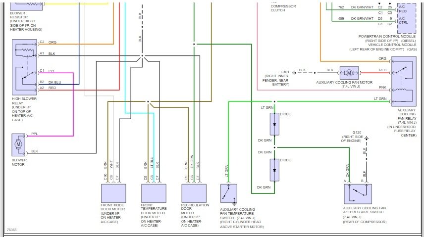
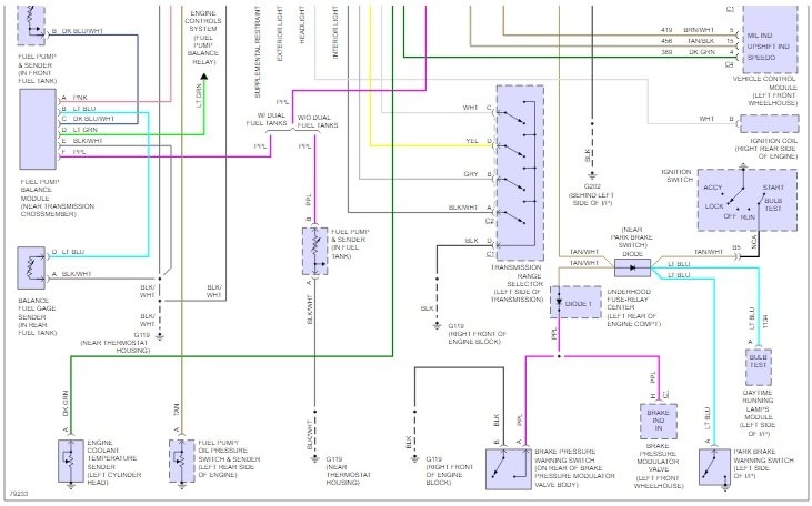
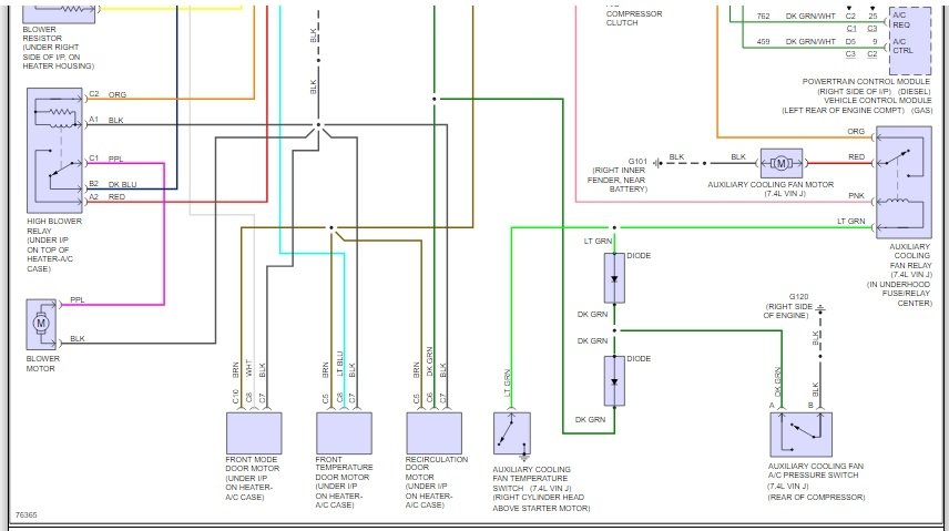
So far I have gotten you the "A/C" and "Heater" diagrams ('cause maybe the wire you described might go to either of the system)
I'll work on the others tomorrow
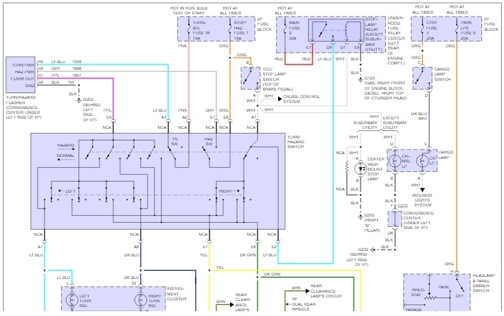
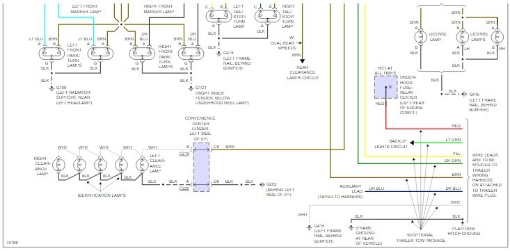
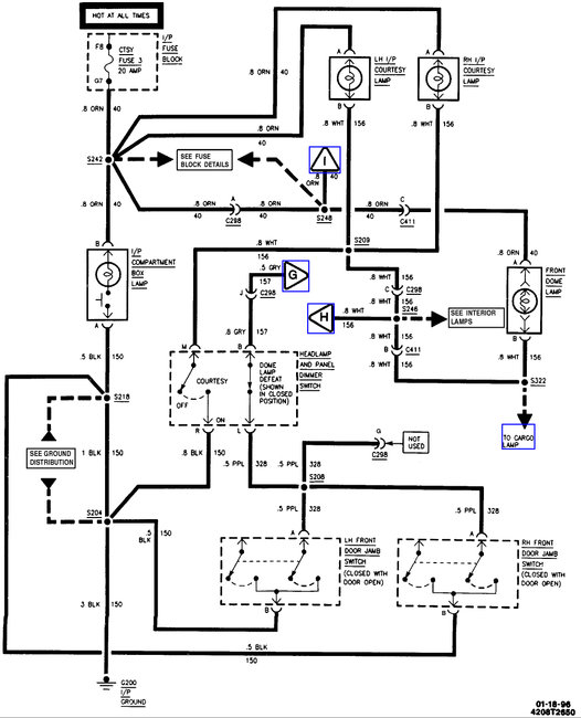
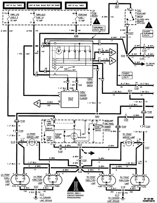
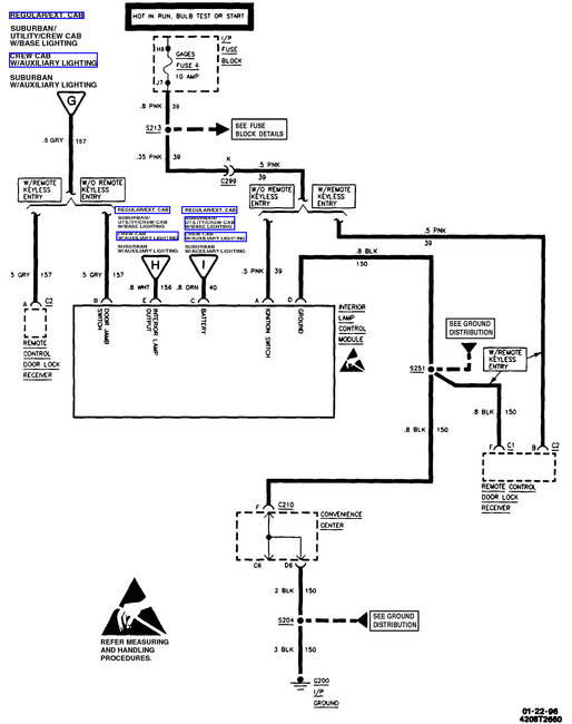
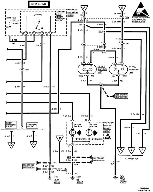
Right now (below) are six shots.
1st three are "A/C" (of one diagram)
2nd three are "Heater" (of one diagram)
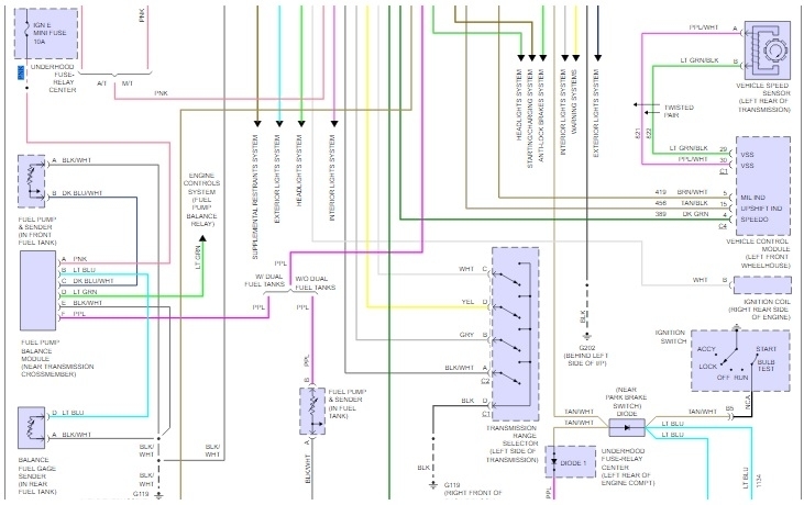
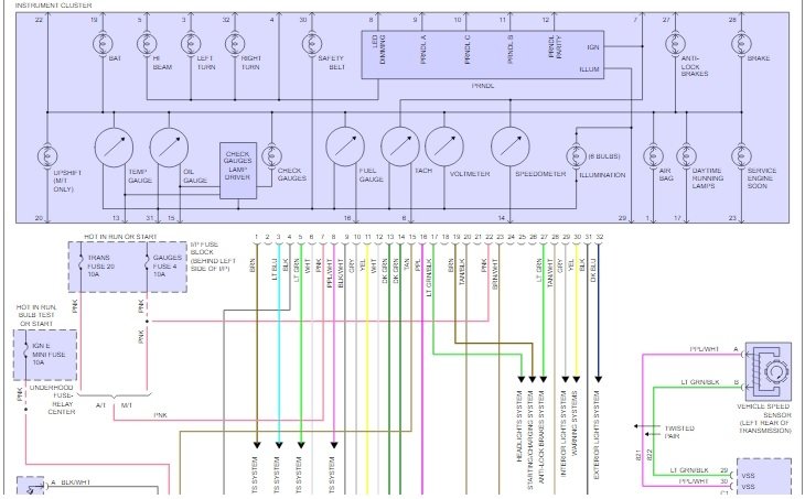
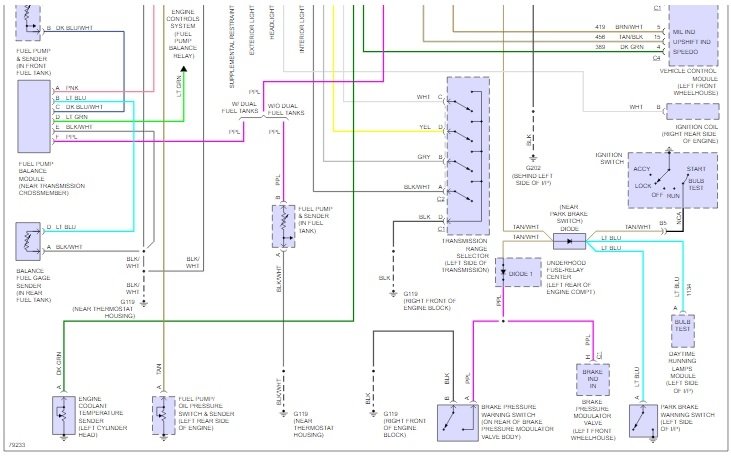
They overlap so no info is missing (if printed, they would slide over each other). 1st three stack on each other, so do the 2nd three (two separate diagrams)
Let me know if these do anything for you, I'll attempt the others tomorrow.
The Medic
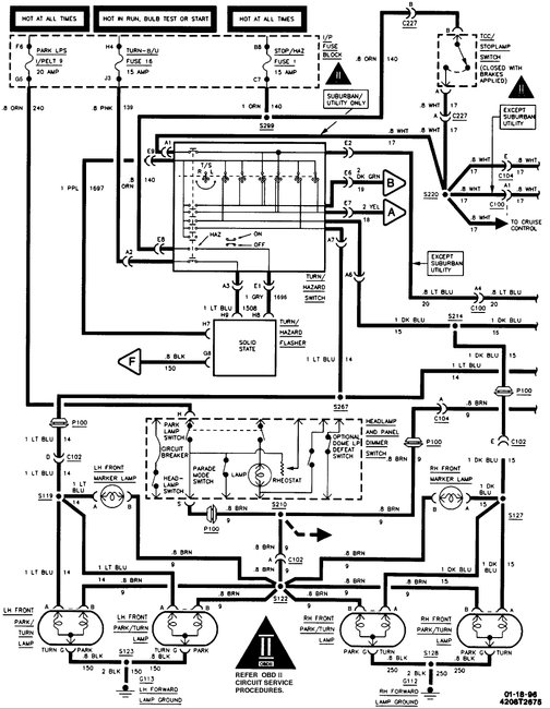
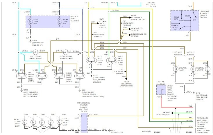
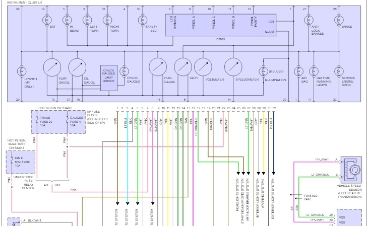
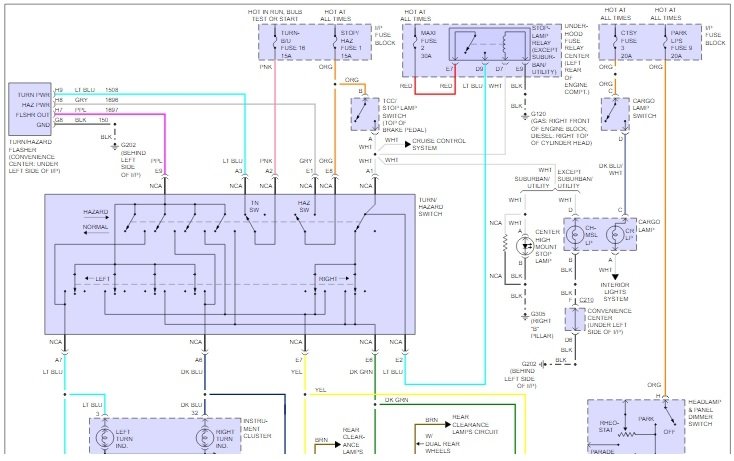
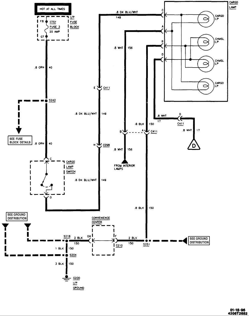
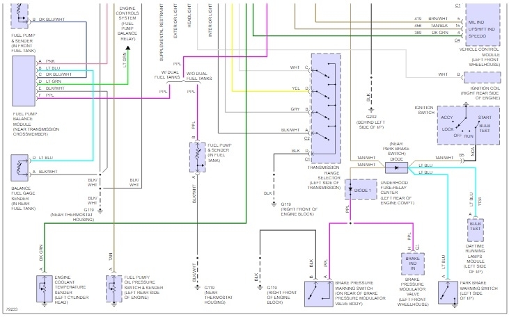
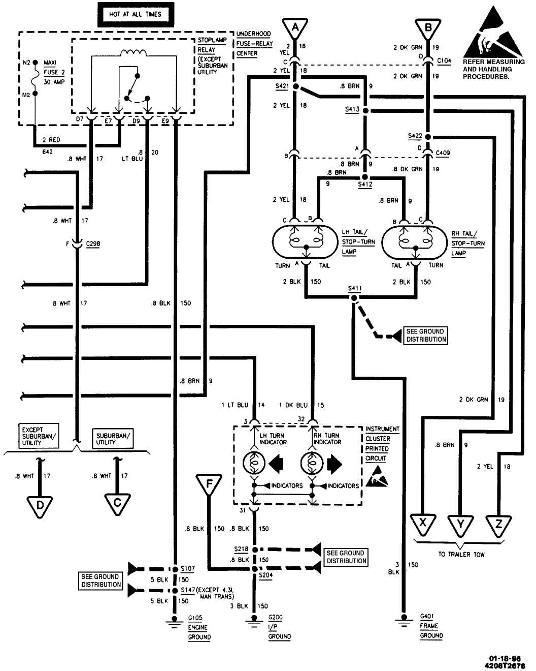
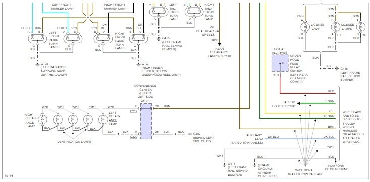
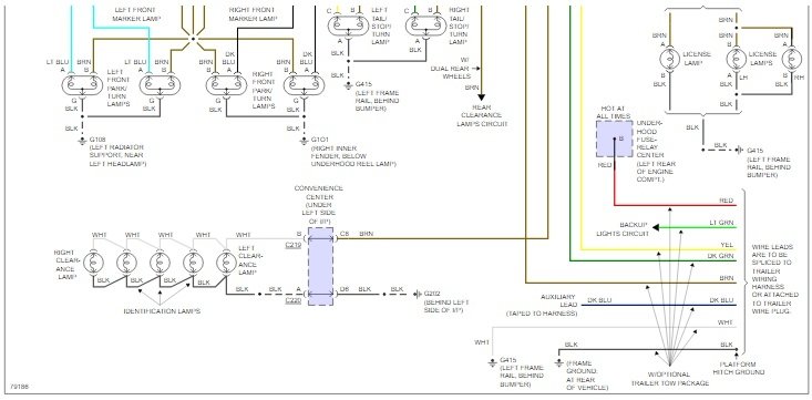
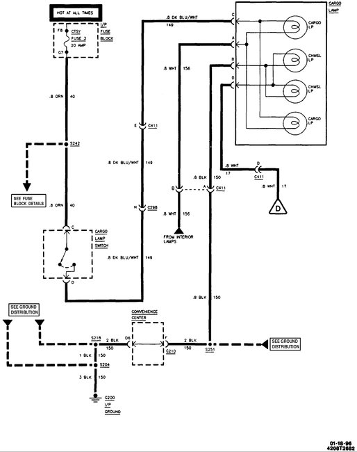
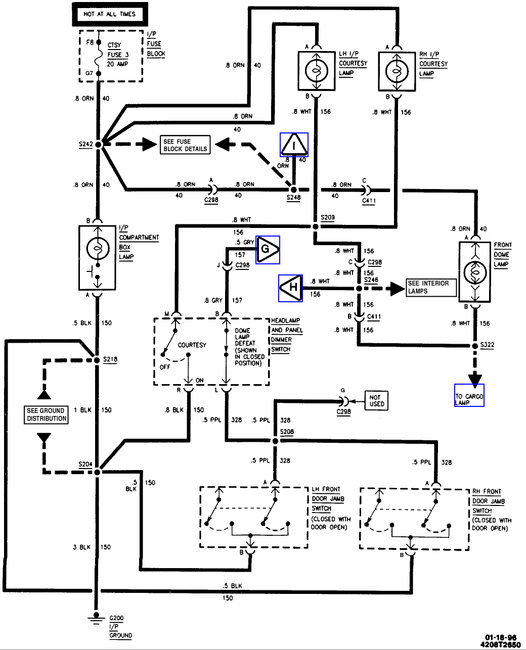
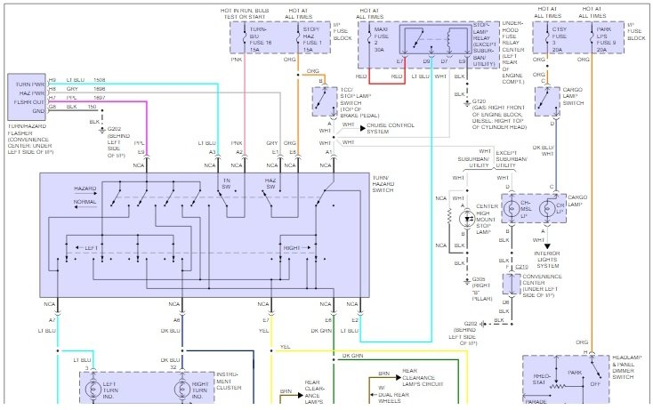
Images (Click to enlarge)
Sep 27, 2017 at 7:46 PM