Intermittent rough engine and misfires both in idle and while driving, codes p0305 and p0300

2007 JEEP COMMANDER
242,000 MILES • 4.7L • V8 • 4WD • AUTOMATIC
Advertisement
Avatar
4DRTOM
  • CERTIFIED EXPERT
  • 467 POSTS
Hey, sorry for the delay.

No, if you did a compression test and it passed all the valves are fine. so if the pressure is good and your having raw or un-burned fuel out the tail pipe then it has got to be the injectors not having a good pattern.
Jul 10, 2020 at 1:19 PM
Avatar
  • MEMBER
  • 96 POSTS
No worries, thanks for all the help so far. I’ll go ahead and order some off eBay and hopefully this cures it.
Jul 10, 2020 at 1:21 PM
Advertisement
Avatar
4DRTOM
  • CERTIFIED EXPERT
  • 467 POSTS
My feeling also is that more than one is partially clogged making it starve and that explains both the smell the water and the warm up then runs worse. You can find a set of new ones online for not as expensive as the local dealer will be.
Please keep me posted on this.
Tom
Jul 10, 2020 at 1:25 PM
Avatar
  • MEMBER
  • 96 POSTS
I sure will. The Jeep has 242,000 miles on it and who knows if they have ever been replaced.
Jul 10, 2020 at 1:27 PM
Avatar
4DRTOM
  • CERTIFIED EXPERT
  • 467 POSTS
Yes, that's a lot of miles and you are probably right it only take one little bit of bad or dirty fuel for it to begin acting up. Even doing something like using mower fuel from a gas tank holding yard work fuel. With Ethanol these days that fuel will start to break down and start to adsorb water into it.
I look forward to seeing how it goes.
Tom
Jul 10, 2020 at 2:53 PM
Avatar
  • MEMBER
  • 96 POSTS
Quick question.
As I’ve stated in the thread it does seem to be noticeable worse when running the A/C. Is this just a coincidence or is it the A/C is causing a heavier load or maybe just creating more heat in the engine? Just wondering is this fits in with the injectors as well?
Jul 10, 2020 at 3:08 PM
Avatar
4DRTOM
  • CERTIFIED EXPERT
  • 467 POSTS
Yes, more load from the compressor will make it worse. if in fact we are looking at a lean mix that's firing with the rest just dropping in to cylinder not atomized.
Jul 10, 2020 at 3:36 PM
Avatar
4DRTOM
  • CERTIFIED EXPERT
  • 467 POSTS
Hello,

No problem, it's our pleasure to be helping out. Warming up and getting worse can also be the injectors expanding with the heat making their performance to degrade.
Tom
Jul 10, 2020 at 3:39 PM
Avatar
  • MEMBER
  • 96 POSTS
Just FYI, I ordered a set of injectors. Hopefully will be here within a week.
Jul 11, 2020 at 3:00 PM
Avatar
KASEKENNY
  • CERTIFIED EXPERT
  • 18,907 POSTS
Sounds great. Thanks for the update. Let us know how it works out.
Jul 12, 2020 at 6:54 PM
Avatar
  • MEMBER
  • 96 POSTS
Okay, so I got the new injectors on. Drove it out to my buddy’s place about 25 miles. Had the typical stumbles on the way after driving for a bit. We let it cool down and swapped them out (pretty easy on this vehicle)
After starting it back up the RPM's were higher than normal at around 1500 and then eventually settled. Seemed to be running pretty smooth. Cranked the A/C and drove it down the road and back, went okay but then felt slight stumbles. Let it idle for a while and the issue started again, even stalled out while idling.
It did throw a couple new codes related to the injectors p0202 and p0205 along with p300. Never had a code from cylinder 2 before.
We checked all the wiring, everything was connected and it kept doing it. He did mention he heard a slight hissing like there might be an air leak around the throttle area so we made sure everything was tightened down good.
I had a bottle of Seafoam intake spray with me and decided to do another treatment. Had some stumbles As we started and holding the RPM's at 2,000 while spraying but it started going away and stayed good. Finished the treatment and let it soak. Once restated I was revving it up pretty good and kept it going. I noticed it would not go above 4,000 RPM's like it was restricted or something. Would stay smooth right up to 4,000 but would not let it go above, almost like it would get pushed back down. My friend thinks maybe a safety feature to restrict the RPM's from getting too high? Not sure.
Anyway after some time being aggressive with the throttle I turned it off and let it cool down for a while. Left to go home and it seemed to hesitate just slightly when I restarted but then it drove home 25-30 miles at 60-70 MPH and it was perfect. No stumbles, no hiccups nothing. To be fair, it was much nicer outside, it’s been really hot here during the day. Humid and in the 90's but it was in the lower 80's when I went home and I did not run the A/C. But this was definitely the best I’ve felt it drive so far and had no pending codes when I got back. Fuel trims seemed better as well. Not sure what’s going to happen after it sits overnight and when it’s hotter again. Weird to get those two injector codes as well.
Jul 18, 2020 at 7:08 PM
Avatar
  • MEMBER
  • 96 POSTS
Okay, day two.

Extremely hot today, dash thermometer showed 102 at one point.
Drove it 20+ miles no issues at all, no stumbles even idled fine. Picked up some groceries and when I restarted it’s started doing the sputtering. It would stop when I got it moving good and would start again when I had to stop. Had some bucking when going again but would smooth out. Got on the highway and was fine, had a few hard stumbles after a little bit but smoothed out. Off the highway cane to a stop a couple of times and no issues and let it idle for a couple minutes at home and it stayed smooth.
A few days ago in the same type of heat I could barley make a 6 mile round trip without it running like crap so I would say this is a step in the right direction. Not sure what else can be happening.. is it possible some heat soak I’ve read about that happens?
Jul 19, 2020 at 2:02 PM
Avatar
KASEKENNY
  • CERTIFIED EXPERT
  • 18,907 POSTS
Without more to go on but these random (getting more rare) occurrences then yes, I would start thinking this is just heat soak. Basically when the engine components and exhaust get so overheated, it can effect the operation. If it were me, I would just drive it until it gets to the point when I know I can replicate the issue so that we can do targeted testing rather then trying to catch something.
Jul 19, 2020 at 7:47 PM
Avatar
  • MEMBER
  • 96 POSTS
The main times it’s occurring is when it has been driven for a while and would be hottest. A/C seems to make it worse. Anyway to test for heat soak?
Jul 19, 2020 at 8:56 PM
Avatar
KASEKENNY
  • CERTIFIED EXPERT
  • 18,907 POSTS
Unfortunately there is no real test for this as it is more of a description of what happens then an actual issue.

Something I just thought of was if we have an issue with a head gasket that only acts up when it is hot. All the issues seem to fit so unfortunately the only way to test this is to get it really hot so that it starts to act up and then run these tests. If you use the chemical check on the cooling when it is hot, it may be the easiest way.

https://www.2carpros.com/articles/head-gasket-blown-test

https://www.2carpros.com/articles/how-to-test-engine-compression

Let me know what happens or questions.
Jul 20, 2020 at 7:16 PM
Avatar
  • MEMBER
  • 96 POSTS
I guess I’ll look into the chemical test. I have not had any leaks, coolant level has been the same. There’s a lot of heat coming from the engine bay but it has not overheated on me. Oil level has stayed the same and is clean.
Jul 20, 2020 at 7:50 PM
Avatar
KASEKENNY
  • CERTIFIED EXPERT
  • 18,907 POSTS
Okay. I just had an older 3.7L that was not loosing any coolant or mixing of any sort and we found it was leaking some compression when it got hot only.

It is worth a try at this point because we need some more leads to narrow this down.
Jul 20, 2020 at 8:23 PM
Avatar
  • MEMBER
  • 96 POSTS
I think we might have a clue. Just had p0202 come back up and p0300 was also triggered with bank 2 open loop-drive on the freeze frame data.
Jul 21, 2020 at 4:05 PM
Avatar
KASEKENNY
  • CERTIFIED EXPERT
  • 18,907 POSTS
Well that is a clue. Here is all the info on this code. If this is a pending code then it may just be the injector. However, we need to run through all the wiring tests just to make sure the wiring is good.
Jul 21, 2020 at 6:21 PM
Avatar
  • MEMBER
  • 96 POSTS
It’s p0204 not 02 sorry. It’s a stored code as well. The p300 is pending. We just replaced all the injectors, not saying it’s not possible it’s still bad but this is actually the third p200 code since the change along with p200 and p205.
Jul 21, 2020 at 6:35 PM
Avatar
KASEKENNY
  • CERTIFIED EXPERT
  • 18,907 POSTS
Okay. Clearly if the code for the injector comes back then we have a circuit issue but this matched with the P0300 would make sense if we have some leaking injectors. So replacing all of them was probably a good call.
Jul 22, 2020 at 5:14 PM
Avatar
  • MEMBER
  • 96 POSTS
Well, all I’m getting is the injector circuit code and p0300 now. Have not had the 305 come back since the change. I start off pretty good, at this point it’s happening when it pretty hot out and after driving for a bit and stopping. I’m guessing I have something shorting when it gets hot but not sure where to start looking.
Jul 22, 2020 at 5:28 PM
Avatar
KASEKENNY
  • CERTIFIED EXPERT
  • 18,907 POSTS
Agreed. If the injector circuit code is back then we need to run through that testing and find it but I would not be surprised if the injector harness is the issue as I have seen that a number of times on 4.7L.
Jul 22, 2020 at 6:40 PM
Avatar
  • MEMBER
  • 96 POSTS
I was thinking about the harness in general since I’ve have the codes on different cylinders. How bad is it to get that done?
Jul 22, 2020 at 6:46 PM
Avatar
KASEKENNY
  • CERTIFIED EXPERT
  • 18,907 POSTS
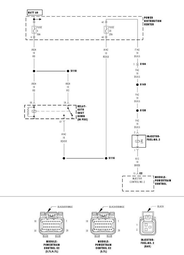
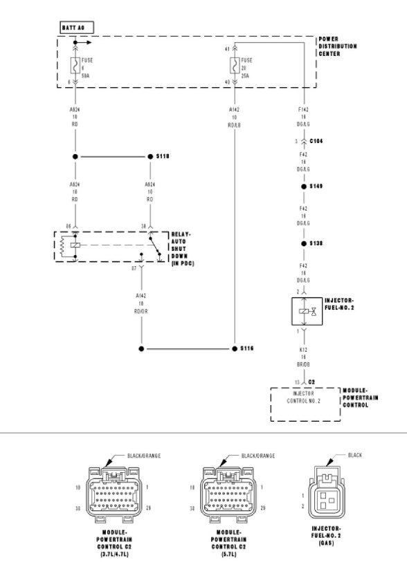
It is not bad. The manuals don't actually list a process for this however I attached the illustration of it. Just follow the harness from the PCM down over the engine to the injectors. Not much has to come off to remove it as it has the wiring cradles that hold it in place.
Jul 22, 2020 at 7:05 PM
Avatar
4DRTOM
  • CERTIFIED EXPERT
  • 467 POSTS
Hi Guys,

So in this issue the most consistent part is heat. The hotter it gets the worse it runs, Maybe we are looking at situation that the car is in fact getting to hot but not enough to cause the normal symptoms like the gauge reading hot, steam blowing out and so forth. Did you change the temperature sensor? Do you have or can you get a laser no touch temperature gauge? The type that you point the laser on a surface and can read its temp at the dot. I don't think there very expensive and AutoZone has a good loaner program. Next time you go out and it hot and you have run it to the point that its acting up take a bunch of readings to what you can get well. We want to know the temperatures at the front and the rear of the heads, the water pump, the block and the intake manifold where it meets the head. It's worth a shot to check.
Tom
Jul 24, 2020 at 10:46 PM
Avatar
  • MEMBER
  • 96 POSTS
I’ll look into it. I have been making efforts to allow the heat to escape the engine bay and as of now I’m only getting it to happen when it’s really hot out and driving for a little and coming to a stop.
Other day it was okay while on the highway, once I got to a start and stop situation (stop signs and lights not traffic) it started getting bad and I pulled over and restarted but it was about 100 out. Same drive back in upper 70's to mid 80's no issues at all. Drove around just a little yesterday in the 80's, made a few stops and no issues.
I think the injectors have made a difference. The ECT sensor seems to running okay when I look at it on the scanner. Seems to be right around air temperature when starting and goes up while driving. I think the highest I have seen the temperature on that reach is 213.
Jul 25, 2020 at 8:22 AM
Avatar
KASEKENNY
  • CERTIFIED EXPERT
  • 18,907 POSTS
Good point Tom.

Sounds good. Keep us posted but if 213 is the highest then that sounds fine.
Jul 26, 2020 at 5:41 AM
Avatar
  • MEMBER
  • 96 POSTS
I’ll keep looking at the ECT sensor but it has been consistent around there when I’ve checked before.
A little bit cooler yesterday, upper 80's mid 90's on the highway. Did quite a bit of start and stop driving most off the afternoon. Didn’t have much issue. No problems at all on the highway. After stopping and restarting not much issue until I started hitting some stop lights but was not awful and was barely doing anything while moving.
I’ve been keeping the hood popped and trying to let heat escape the engine bay. In the evening in the 70’s again it seemed to run perfect.
Jul 26, 2020 at 6:55 AM
Avatar
4DRTOM
  • CERTIFIED EXPERT
  • 467 POSTS
Good Morning,

Where was this 213 temperature reading taken from, the block, the head, etc? We want to see if you have consistency temperature wise around the motor. Checking the inlet and outlet of the radiator is good info to have also. I have seen injectors fail in interesting ways. I had one that the closer to freezing the more they failed. If the temperature outside was 40 degrees it was fine, if the temp outside was 35 degrees one injector would leak, if it got down to 32 degrees 2 of them would leak and below freezing all six would leak. above 45 degrees the car was perfect all summer long. When I brought them into a place that all they did was injectors the guy told me he's never seen anything like it and his feeling was that at one time the car must have gotten so hot that it ruined them and that he was unable to clean or other wise repair them. When I got new ones the entire problem went away, but it was also a temperature sensitive injector failure.
Tom
Jul 26, 2020 at 8:42 AM
Avatar
  • MEMBER
  • 96 POSTS
The 213 was the reading of the ECT sensor on my scan tool. Ordered a thermometer and should have it today. I have already replaced all the injectors.
Jul 26, 2020 at 8:52 AM
Avatar
  • MEMBER
  • 96 POSTS
Okay, picked up my infrared thermometer. Didn’t drive a lot but hotter day and got some
sputtering going. Car was sputtering a little when I parked and let it idle and started taking temperatures all over the engine bay. Hottest temperature reading was about 180 and that was the spot in between the alternator and A/C compressor at the top. The injectors and fuel rail were about 150-175 at various points. Pretty much everywhere I could get close and point the beam around the block and manifold it was 150-180 range. Radiator was 95-100 most places I pointed. PCM area got as high as 120. I will say shortly after opening the hood the sputtering stopped and I would guess the temperatures should be higher with the hood shut.
Jul 26, 2020 at 1:19 PM
Avatar
  • MEMBER
  • 96 POSTS
Okay, so I drove for a bit and really let it idle for a good bit while looking under the hood and taking temperatures. Same readings as yesterday for the most part.
I noticed some smoke coming from the driver side close to the firewall. Was hard to tell but looks like it was coming from a hose or wire that connects to what I believe is the purge valve solenoid. I will post pics. Furthermore I took temperatures from the line on one end to the other and it was about 150-160 except for the area that looks like a connector (will post pic as well). The temperature there was reaching up to 400+ degrees. Seemed like it was spiking when I was getting sputters but not 100% sure.
Jul 27, 2020 at 1:51 PM
Avatar
  • MEMBER
  • 96 POSTS
Right about where that dot is and on that connector is where the temperatures were spiking into the 400's.
Jul 27, 2020 at 1:53 PM
Avatar
  • MEMBER
  • 96 POSTS
This is where it seemed like the smoke was coming from:
Jul 27, 2020 at 1:55 PM
Avatar
  • MEMBER
  • 96 POSTS
That connects to this:
Jul 27, 2020 at 1:55 PM
Avatar
  • MEMBER
  • 96 POSTS
This was the other spot smoke was possibly coming from, but after a looking for a while it looked like the other spot was most likely.
Jul 27, 2020 at 1:57 PM
Avatar
  • MEMBER
  • 96 POSTS
Just got back home. Checked that area again and the temperatures were as high as 560 degrees. Only on that section right before that connector area that connector (if that what it is) itself. Seemed like the temperatures would go up and down. It was as low as 170 at some points and jump right back up. Past the connector and before that small section The temperatures were about 150 range. Also getting p0307 now.
Jul 27, 2020 at 7:26 PM
Avatar
4DRTOM
  • CERTIFIED EXPERT
  • 467 POSTS
Okay, well there is something going on there, 400-500 degrees is pretty hot. Is there any sound like a possible exhaust leak? there might be somewhere in that area an exhaust gas circulating tube that could get that hot, but it would emit enough to make the area hot unless it was leaking. I'm going to see if I can get an image of what I'm talking about. Still though 400-500 degrees is hot. We might be onto something here. From the pic looks like you getting smoke up against the fire wall, Am i seeing that right?
Tom
Jul 27, 2020 at 9:54 PM
Avatar
  • MEMBER
  • 96 POSTS
Could not tell if there was a sound or not. Yes, the smoke was by the firewall? drivers side. It looked like it was coming from that second pic I posted. Those high temperatures see only coming from a small section of that tube.
Jul 27, 2020 at 10:46 PM