Speedometer not working

1998 DODGE DAKOTA
127,000 MILES • 6 CYL • 2WD • AUTOMATIC
Avatar
  • MEMBER
  • 1 POST
The Speedometer doesn't work at all . We change a front and a rear sensor want else can it be.
Mar 2, 2010 at 10:09 AM
Advertisement
Avatar
JACOBANDNICKOLAS
  • CERTIFIED EXPERT
  • 110,175 POSTS
Hello,

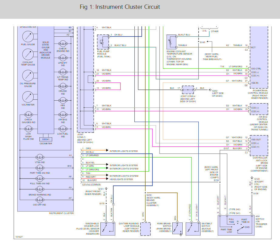
Lets check for power at fuses 11, 1, and 17 here is a guide and the wiring diagrams for the cluster so you can see how the system works and the fuse locations.

https://www.2carpros.com/articles/how-to-check-a-car-fuse

Check out the diagrams (Below). Please let us know what happens.
Mar 5, 2010 at 10:43 PM
Avatar
TURBOJAY
  • MEMBER
  • 2 POSTS
Thanks for this post I had a bad connection at the cluster all i did was unplug the cluster and plug it back in, all fixed!
Feb 20, 2019 at 5:54 PM
Advertisement
Avatar
DON SCH
  • MEMBER
  • 1 POST
my speedometer on my 98 dakota does not work between 0-65mph. It started off not working from 0-25 mph then gradually it was 35, then 45 and now 65 mph. could it be the gear on the cable going into the transmission.
Feb 20, 2019 at 5:55 PM (Merged)
Avatar
JACOBANDNICKOLAS
  • CERTIFIED EXPERT
  • 110,175 POSTS
I believe you have a vehicle speed sensor that is going bad. Has the check engne light come on?
Feb 20, 2019 at 5:55 PM (Merged)
Avatar
TIM88
  • MEMBER
  • 1 POST
Changed speed sensor and speedometer still does not work. Also at the same time both brake lights are on red and amber . All of this happened at the same time.
Feb 20, 2019 at 5:55 PM (Merged)
Avatar
BMRFIXIT
  • CERTIFIED EXPERT
  • 19,053 POSTS
try to get codes that should help
check the ABS and the rear speed sensor
Feb 20, 2019 at 5:55 PM (Merged)
Avatar
KRIDGERD
  • MEMBER
  • 2 POSTS
My speedodometer stopped working and my Haynes book doesnt say anything about the speedo. The tach and shifting seem ok. Originally it wouldnt work under 20 mph and then it just quit altogether.
Feb 20, 2019 at 5:56 PM (Merged)
Avatar
RASMATAZ
  • CERTIFIED EXPERT
  • 75,992 POSTS
Have the vehicle speed sensor checked out before you go behind the dash with the speedometer head-could be a 2nd sensor here.
Feb 20, 2019 at 5:56 PM (Merged)
Avatar
CRHILL
  • MEMBER
  • 1 POST
The speedometer is not working, when I have it tested at AutoZone it comes up as the v.s.s. sensor.. Replaced it and it still doesn't work... Person recommended that I check the wires behind the gauges, it's all electronics, but when I was putting the fuel gauge back in I had left the keys in the on position and when I tried plugging it back in I heard a pop and all the lights went off, no fuse is blown so did I blow out that whole system or........?

Please help, I drive this car late at night and not knowing how fast I'm driving takes me 3 times as long to get anywhere cause without traffic I have to go really slow......
Feb 20, 2019 at 5:56 PM (Merged)
Avatar
HMAC300
  • CERTIFIED EXPERT
  • 48,601 POSTS
check fuses under hood and check bulbs in cluster. then have it scanned for codes for a body module problem. it stil may be a bad dash as well though.
Feb 20, 2019 at 5:56 PM (Merged)
Avatar
JIMMYD820
  • MEMBER
  • 1 POST
I took out the instrument cluster to replace a bulb & when I put it back the speedometer quit working. Every thing else still works. It is pegged at 120.
Feb 20, 2019 at 5:56 PM (Merged)
Avatar
JACOBANDNICKOLAS
  • CERTIFIED EXPERT
  • 110,175 POSTS
You have shorted something. I hate to say it, but you may need to recheck the wiring (plug) that you removed to get the cluster out.
Feb 20, 2019 at 5:56 PM (Merged)
Avatar
JEFF0011
  • MEMBER
  • 2 POSTS
Please help with problem of you can
Feb 20, 2019 at 5:56 PM (Merged)
Avatar
CARADIODOC
  • CERTIFIED EXPERT
  • 34,306 POSTS
Both speed sensors? There's one in the transmission for the speedometer and cruise control, and there's one in the rear differential for rear-wheel-antilock brakes, or that one and two at the front wheels for four-wheel-antilock brakes.
Feb 20, 2019 at 5:56 PM (Merged)
Avatar
JEFF0011
  • MEMBER
  • 2 POSTS
I don't have cruise. But when I am at like60 and let off gas the speedometer moves to right speed then goes back down to zero.
Feb 20, 2019 at 5:56 PM (Merged)
Avatar
CARADIODOC
  • CERTIFIED EXPERT
  • 34,306 POSTS
Where were the sensors you replaced?
Feb 20, 2019 at 5:56 PM (Merged)
Avatar
BIGDOG762
  • MEMBER
  • 1 POST
How do you check if your speedometer does not, where do you chech it
Feb 20, 2019 at 5:56 PM (Merged)
Avatar
JACOBANDNICKOLAS
  • CERTIFIED EXPERT
  • 110,175 POSTS
Check the cable that attaches to the rear of the speedo. Make sure it is connected. If it is, disconnect it and see if you can spin the inner cable with your fingers. If you can, chances are the cable is broken internally. If you can't and it spins when driving, there is a problem with the speedo itself.
Feb 20, 2019 at 5:56 PM (Merged)
Avatar
KEITH.NIFKS
  • MEMBER
  • 2 POSTS
I can't figure out how to get to the speedometer cable to replace it. Is there a video that shows this process?
Feb 20, 2019 at 5:56 PM (Merged)
Avatar
JACOBANDNICKOLAS
  • CERTIFIED EXPERT
  • 110,175 POSTS
We don't have a video for that. Basically, you unscrew the cable from behind the dash and at the transmission. If goes through the firewall.

Let me know if you need further help.
Feb 20, 2019 at 5:56 PM (Merged)
Avatar
MONTANATED
  • MEMBER
  • 1 POST
Engine Performance problem
1999 Dodge Dakota V8 Four Wheel Drive Automatic
----------------------------------------------------------------
Hi: I have a friend who owns a 1999 Dodge Dakota Sport 4X4. There are several problems going on here.

1. The ABS light and also the Emergency Brake Light has come on, and continues to stay on. We both have contacted a local repair shop, and was told that there should still be brakes that are operational. In fact, there is indeed brakes. The lights still stay on though.

2. The check engine light comes on, then goes off - repeatedly. We have tried using different grades of fuel. This helps, but only for a short time. We have also tried the product: Lucas Injector Cleaner. To no avail; the check engine light comes on again.

3. Then just recently, my friend was in an automobile accident, where he rear ended someone. The speedometer was working right afterwards, then all of a sudden - no speedometer. That is until the vehicle reaches about 35 to 40 mph. Is the odometer also directly connected to the speedometer, or what? The odometer has also stopped working. The odometer is a digital readout format. It does light up, just does not advance the accrued mileage.


What is causing these problems? Any and all assistance would be greatly and immensely appreciated.

Thank you in advance,

Ted Lease
Feb 20, 2019 at 5:57 PM (Merged)
Avatar
BMRFIXIT
  • CERTIFIED EXPERT
  • 19,053 POSTS
Sensor more like it
need a help of a scanner
with out codes its all guessing
get the codes and let me know

need manual CHECK IT @
https://www.2carpros.com/kpages/auto_repair_manuals.htm
Feb 20, 2019 at 5:57 PM (Merged)
Avatar
BROWN6218
  • MEMBER
  • 2 POSTS
speedometer doesnt work like its suppose.
Feb 20, 2019 at 5:57 PM (Merged)
Avatar
RASMATAZ
  • CERTIFIED EXPERT
  • 75,992 POSTS
Check and test the vehicle speed sensor
Feb 20, 2019 at 5:57 PM (Merged)
Avatar
BROWN6218
  • MEMBER
  • 2 POSTS
were is the speed sensor at?
Feb 20, 2019 at 5:57 PM (Merged)
Avatar
ANGEL
  • MEMBER
  • 1 POST
My 1987 Dakota truck speedometer is not working and everything else on the cluster works. I checked/traced the cable down to the transmision and everything looks good. Should I buy a used cluster and replace my existing one?
Feb 20, 2019 at 5:57 PM (Merged)
Avatar
KJB
  • MEMBER
  • 4 POSTS
hey there,

thought this idea may help you. i have a 85 ram 150 custom that i am restoring. my speedometer went out as well. it was bouncing and wining really bad. first of all you need to take your cluster panel out so you can geat the cable were in plugs in to your panel through the fire wall.
un plug it and undo the cable hooks under the hood. pull your cable through the fire wall so you can crab it from under the hood. you want to get it as straight as possible for the next step. inside the main cable is a thin wire, with a pair of needle nose pliars pull the thin wire out all the way. you may have to twist it a bit on the other end (transmission end) their is an allen head that locks in. after you have pulled it out, grease it put oil inside the main cable. 10w40,slick 50 or general greese is fine. install in reverse order makek sure you turn the cable back and forth to get it to lock back in
Feb 20, 2019 at 5:57 PM (Merged)
Avatar
CHRISTINAV
  • MEMBER
  • 1 POST
Electrical problem
1992 Dodge Dakota 6 cyl Two Wheel Drive

the speedometer just stopped working and the mileage wont register either
Feb 20, 2019 at 5:57 PM (Merged)
Avatar
JACOBANDNICKOLAS
  • CERTIFIED EXPERT
  • 110,175 POSTS
Check behind the dash and at the trans to make sure the speedo cable is connected. If it is, disconnect it from the speedo and lower the cable so a helper can watch it while you drive. Check to see if the cable is spinning. If it is, the speedo needs repaired or replaced. If it doesn's spin or spins slowly, the cable most likely needs replaced.

Let me know what you find.
Joe
Feb 20, 2019 at 5:57 PM (Merged)
Avatar
BRAXTON42
  • MEMBER
  • 1 POST
i have replace the sensor on the tran, but the speedometer still doesnt work. is there something else i can try
Feb 20, 2019 at 5:57 PM (Merged)
Avatar
JACOBANDNICKOLAS
  • CERTIFIED EXPERT
  • 110,175 POSTS
Are you sure the speedo works from the speed sensor and not a cable on a 95? I'm sorry, but it's been awhile and I just want to confirm that it doesn't have a cable.

Let me know.
Joe
Feb 20, 2019 at 5:57 PM (Merged)
Avatar
JWWHITE2
  • MEMBER
  • 1 POST
My son has a 1990 Dodge Dakota. The speedometer does not work but the odometer does. When you drive, you can hear a clicking in the dash that soned like a cam is hitting the speedometer cable but it will not register the speed.
Feb 20, 2019 at 5:57 PM (Merged)
Avatar
BLUELIGHTNIN6
  • CERTIFIED EXPERT
  • 16,542 POSTS
have you removed the instrument cluster to visually inspect the speedo cable and connection?
Feb 20, 2019 at 5:57 PM (Merged)
Avatar
GAP DREW
  • MEMBER
  • 6 POSTS
My dad just bought a used dodge dakota and the last owner unplugged the speedometer cable. I have looked for that cable and where it plugs in and i can not find it. It may be on the transfer case or the transmission. Where is it?
Feb 20, 2019 at 5:57 PM (Merged)
Avatar
RASMATAZ
  • CERTIFIED EXPERT
  • 75,992 POSTS
On left rear of transfer case
Feb 20, 2019 at 5:57 PM (Merged)
Avatar
CARADIODOC
  • CERTIFIED EXPERT
  • 34,306 POSTS
But it's not a cable. It's a three-wire speed sensor.
Feb 20, 2019 at 5:57 PM (Merged)
Avatar
RASMATAZ
  • CERTIFIED EXPERT
  • 75,992 POSTS
Vehicle speed sensor
Feb 20, 2019 at 5:57 PM (Merged)
Avatar
GAP DREW
  • MEMBER
  • 6 POSTS
thank you all so much i will tell you if i find it
Feb 20, 2019 at 5:57 PM (Merged)
Avatar
KEITH.NIFKS
  • MEMBER
  • 2 POSTS
where is the speedometer senseor on the tranny. I cant find it? Is it on the tranny? My Haynes repair manual doesnt show it at all.
Feb 20, 2019 at 5:57 PM (Merged)
Avatar
TOOOMANYTOYS
  • CERTIFIED EXPERT
  • 513 POSTS
The speed sensor is located on the transmission tail shaft housing on drivers side. Unless its 4 wheel drive then its located on transfer case input. Still on driver side.
Feb 20, 2019 at 5:57 PM (Merged)