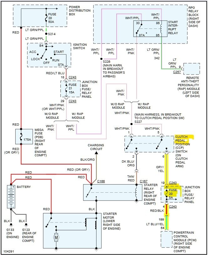
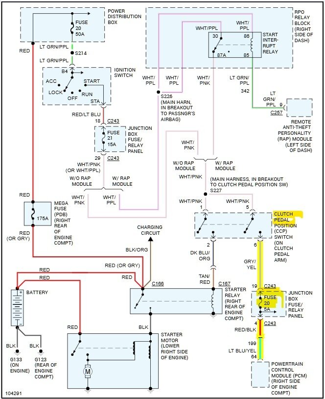
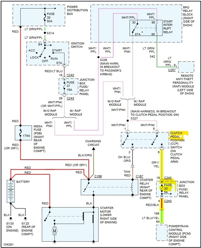
Sorry for the delay, some of the aftermarket diagrams were incorrect, so these are the OEM Ford diagrams. Diagram 1, 2 are the PCM ground locations.
Diagrams 3,4,5 are for the PCM Connector so you can check for power and ground right at the connector, hope fully it's not too confusing, you just need to concentrate on the 6 Grounds and the 3 Power feeds to the PCM. D
Diagram 6 is for the PCM power relay, if you take the relay out of its location, out of the 4 pins where the relay sits, 2 pins should have power at all times, and 1 pin should go directly to ground. So, if you use a multimeter to check for power here, just touch the pins lightly without pushing the meter leads into the pins, that will spread the pins and the relay will not make good contact afterwards.
Something else you should check is the 3 sensors in diagram 7, marked in Green on that sheet as well as the PCM connector sheet. Those 3 sensors use a 5volt Reference, and if one of those sensors shorts out and pulls the 5volts down to ground, it will disable to the PCM and can act the same as if the PCM was not powered up, So if you find power and ground where it should be at the PCM connector, unplug one of these three wire sensors and check for a 5volt feed on one of the wires, the throttle position sensor is the easiest to check, you're just looking for missing voltage here with the key On. If it's missing, unplug the next one. If the 5-volts is not missing when one specific 3 wire sensor is unplugged, check for a Check engine light, you may have to cycle the key.
The trick here is if one sensor is pulling the 5volts to ground, and you unplug it, the issue is no longer there, so not effecting the other two sensors at that point, but plugged back in and the issue is back, this is where you would have to back probe the connector with a pin and see if that specific sensor is bringing down that reference voltage.
It may sound confusing, but the idea is checking the sensor while plugged back in to see if the 5-volts is there or not.
A shorted sensor causing the computer to go down is common but can be difficult to find. Thankfully there are only 3 sensors on this truck that use that 5volt Ref.
The last diagram is the aftermarket PCM connector just in case. Sorry for the long post.
Images (Click to enlarge)
Jul 22, 2025 at 2:38 PM