If I press down more than 1/4 throttle engine stumbles and shuts off

1986 JEEP CJ7
106,000 MILES • 4.2L • 6 CYL • 4WD
Avatar
JDUB80
  • MEMBER
  • 52 POSTS
I've seen/read numerous posts on here about CJ's stumbling, tried most suggestions but can't seem too get mine running right.

Vehicle: 258, with Holley truck avenger 470 carburetor. Nutter bypass. Computer is sitting in the back seat as of an hour ago. (All wires cut by PO, so I pulled it out of the dash today.)

Carburetor details: 37 squirter, currently 10.5 power valve (initially had a 6.5 then tried a 2.5 trying to get something to change to no avail.) can't remember primary/secondary jets but i verified that they are stock. Full manifold vacuum with 18-20in, approx 8* initial advance. (Need to check again. I don't trust my timing light. Think I broke it)

Symptoms.. well really only one starts and runs great, as long as I only use the first 1/4 or so of the throttle. Anything beyond that, at any time, the engine stumbles and will quit running.


I'm sure I'm leaving it details that would help, but I'm not sure what they are yet. Let me know and I'll definitely find out or provide them as soon as I can. I am brand new here, so I don't know how the notifications work yet, but I'll be checking in anyway.

Thanks in advance!

Sorry, currently no engine pics. I'll add some tomorrow though. Advice on what to photograph is welcome.
Jul 5, 2019 at 1:31 PM
Advertisement
Avatar
STEVE W.
  • CERTIFIED EXPERT
  • 15,113 POSTS
Welcome to 2CarPros. Off hand it sounds like it could be timing related. Does it have the computer controlled distributor or one for a carburetor? Does it shut off setting still or only if you're in gear?
Jul 5, 2019 at 3:28 PM
Avatar
JDUB80
  • MEMBER
  • 52 POSTS
It used to be computer controlled carburetor and timing, with vacuum advance. However all of that (carburetor, excess wiring, electronic carburetor controls, extra vacuum ports - still has vacuum advance at distributor) has been removed or bypassed (nutter bypass). PO cut the wiring harness and I pulled it and the computer out of the dash today.
I probably should've said this is a 5 speed, I'm just not sure which transmission it is yet

It sat and idled over an hour a few days ago. Only dies if I give it more than 1/4 throttle and don't let off. Otherwise I can drive it, with no power or speed. Highest speed I've been able to go I'd 56 mph, downhill.

Also, I noticed that I misspoke in my original post. Timing is at at 8*btdc (I said 8* advance)
Jul 5, 2019 at 5:28 PM
Advertisement
Avatar
STEVE W.
  • CERTIFIED EXPERT
  • 15,113 POSTS
Okay, I would first look at the distributor and be sure it has the vacuum advance connected to ported vacuum. Next connect a timing light and watch to see if the timing actually changes with engine rpm/vacuum change. If it is not changing the advance diaphragm could be bad.
Did it run okay and then this started happening or was it like this when you first got it?
Next would be to determine if it's running rich or lean. If it will shut off just from the throttle then see if putting your hand over the intake to cut the air down changes it's behavior. If it suddenly runs better at 1/4 throttle it's running lean. I'm thinking it won't and is actually too rich as it comes off the idle circuit.
Jul 6, 2019 at 7:24 AM
Avatar
JDUB80
  • MEMBER
  • 52 POSTS
I'm just waking up, but here's a partial answer. More, plus pictures shortly.

It's connected to manifold vacuum now due to several posts I've seen here saying to use it.
Vacuum advance is operational. I've even applied suction the vacuum line to watch it move
If I hold the choke plate nearly closed with my hand it won't shut off and seems to run great. made me think it was extremely lean, so I increased squirter from 35 to 37.

With that said, I just remembered I didn't change the idle adjust gaskets when I cleaned the bowls and metering blocks. Could that be my problem? (Air coming in there.)

Anyway, I'm going to grab some breakfast and coffee then head outside for pictures and such.


I haven't said it yet but thank you for your help!
Jul 6, 2019 at 8:52 AM
Avatar
JDUB80
  • MEMBER
  • 52 POSTS
A few pictures under the hood. seems like I read I'll only be able to upload three at a time... so here goes nothing.
Jul 6, 2019 at 10:34 AM
Avatar
JDUB80
  • MEMBER
  • 52 POSTS
Round 2
2 this time, 2 next.
Jul 6, 2019 at 10:36 AM
Avatar
JDUB80
  • MEMBER
  • 52 POSTS
That's all I got for now.. going to check timing with a borrowed light that I think is better than mine.
Jul 6, 2019 at 10:39 AM
Avatar
JDUB80
  • MEMBER
  • 52 POSTS
Here's a new development. using my father in laws timing light I can't see the mark on the balance.
Def starting to look like a timing issue. Agree? Or other thoughts?

I think I'm going to pull the clean the idle seats and replace the gaskets (not sure I'm calling them the right thing).

Just realized I never answered one of your questions.
The jeep has acted like this since I got it. The guy I bought it from bought it the same way. He couldn't remember what he'd tried to do to try fix it.
I think that was easier for him to tell me, but it seemed like too good of a deal to pass up. So I bought it.
Jul 6, 2019 at 10:50 AM
Avatar
STEVE W.
  • CERTIFIED EXPERT
  • 15,113 POSTS
Okay, as it was this way when bought I would go back to the beginning. Bring the engine up to TDC on cylinder one and verify the timing mark lines up, pull the cap and be sure the rotor is on cylinder 1. If you had a bad balancer the timing could be anywhere. Next you should use ported vacuum so the timing tracks the carburetor but not a big deal at the moment. If enriching it stops the stumble then it could be the carburetor needs to be gone through and returned to stock, then tune from there. Or find a replacement off a running engine and use it to test.
Jul 6, 2019 at 3:25 PM
Avatar
JDUB80
  • MEMBER
  • 52 POSTS
Hopefully, I can get out and try that later. raining off and on here now.

I've set to TDC once before, but it couldn't hurt to try again. I usually disconnect and plug the vacuum ports (ported and manifold) to adjust timing. (This is correct, right?)

Any tips for setting TDC? I shined a flash light into the spark plug opening until it was close, then held a screwdriver (lightly gripped) until I felt the piston back off and brought it back until it made contact with the screwdriver again. planning to take a paint pen to the balancer this time hoping to make it easier to see.

How would I know if my balancer is bad?

Unfortunately, I don't know anyone with a carburetor, much less a 4 barrel, and definitely not a truck avenger, so I don't know that swapping with a "good" one is an option.
If you want it the carburetor part number is: 90470-1. Not sure if it'll help anything, but there it is.
Jul 6, 2019 at 5:02 PM
Avatar
STEVE W.
  • CERTIFIED EXPERT
  • 15,113 POSTS
That will work to find TDC, the main reason is to see if the marks line up, if the balancer is failing the TDC marks will not line up. How is the carb attached? Factory manifold with an adapter or an actual 4 barrel manifold? If it's using an adapter you could hunt up an older carb from a stock 258 to try. Basically trying to eliminate one variable at a time, especially as you don't know who did what to the engine before you owned it. Is the engine itself stock as far as camshaft and compression? Just had the electronics stripped off?
Jul 6, 2019 at 8:55 PM
Avatar
JDUB80
  • MEMBER
  • 52 POSTS
As far as I can tell engine internals haven't been tinkered with, but i don't know 100%. The fuel pump has been replaced with an electric (near the tank), exhaust looks new (no cat), and I noticed the return fuel line isn't being used (doesn't look like it'd work either.) Other than the electrical and intake, everything else seems to be stock.

I read a post last night (CJMEDEVAC) and he was stressing the importance of the return fuel line and 3 port filter. Made me start thinking maybe I needed to repair mine... temperatures under hood stay a consistent 110* plus (depending where I checked)
Maybe slight vapor lock??

Thanks again and hopefully you've got lots of patience! This is starting to look like it'll take a while.
Jul 7, 2019 at 7:17 AM
Avatar
JDUB80
  • MEMBER
  • 52 POSTS
Okay, apparently if I rotate my phone my unsubmitted responses are erased. Here goes a fourth attempt.

My carburetor is sitting on an Offenhauser 4 barrel intake. (Kinda important since I commented that everything not mentioned appeared to be stock)

Had that in my first response, forgot it in the second and rotated my phone to erase it moments ago.
Jul 7, 2019 at 9:06 AM
Avatar
STEVE W.
  • CERTIFIED EXPERT
  • 15,113 POSTS
The return line and filter are a very good idea as carbs can vapor lock. However I don't think that is your issue as it wouldn't keep running like it is, it would run just fine until it got warm, then it would start to sputter and shut down. Once it cooled off it would start to run good again.
Jul 7, 2019 at 2:02 PM
Avatar
JDUB80
  • MEMBER
  • 52 POSTS
Okay, well I figured it couldn't hurt anything so I ordered them earlier today.
I can eliminate that as the issue now though. Thanks
Jul 7, 2019 at 2:04 PM
Avatar
JDUB80
  • MEMBER
  • 52 POSTS
Double checked tdc set it to 8*btdc. It's a lil too late to take a test drive, but I will when I get home tomorrow evening. (One rear park light out, I'll check that out later.)
If it's still stumbling I'll pull the carburetor and start resetting to factory specs, as soon as I can.. should be able to tomorrow, but I've been ignoring the honey-do list for a while now.
Happy wife. Happy life.
Jul 7, 2019 at 8:23 PM
Avatar
JDUB80
  • MEMBER
  • 52 POSTS
Well, got the jeep up to operating temperature last night and went for a little test drive.
Does great as long as I keep my foot out of it, but as soon I try to give it a lil bit (again more than 1/4ish throttle) it bogs and stumbles...

Looks like I'm rebuilding the carburetor soon.

I'll let you know as soon as I'm able to get that done. Thanks for sticking with me through all of this.
Jul 9, 2019 at 11:04 AM
Avatar
STEVE W.
  • CERTIFIED EXPERT
  • 15,113 POSTS
Be sure to get some of the household chores done. You don't want the Jeep to be the only thing you can cuddle up to. We will be here when you get to it. I would also see if you can find a Jeep forum where someone is running that carburetor, they might have an idea about what it needs if stock isn't it.
Jul 9, 2019 at 12:53 PM
Avatar
JDUB80
  • MEMBER
  • 52 POSTS
Definitely gonna keep moms happy!

Thought about joining another forum, just didn't wanna have too many cooks in the kitchen.

Took care of a couple things last night, may have earned back some play time. Lol
Jul 9, 2019 at 12:57 PM
Avatar
STEVE W.
  • CERTIFIED EXPERT
  • 15,113 POSTS
No need to join unless you wanted too. You could try googling- Jeep 258 with Holley 470 4 barrel - there are a few interesting posts about that carb on Jeeps.
Jul 9, 2019 at 5:15 PM
Avatar
JDUB80
  • MEMBER
  • 52 POSTS
I wish I could get the results these guys are having... however the guy that used to work for Holley makes me worry... then again, there's so many people happy with their TA470 on 258ci or other 6 cylinder, I tend to think I can get this kind of response from mine (not just the idle response, but when he's giving it half or more. )

https://www.google.com/url?sa=t&source=web&rct=j&url=https://m.youtube.com/watch%3Fv%3DdEskfIcoyxY&ved=2ahUKEwjIrvycjqnjAhXLKs0KHeMuDxEQtwIwAXoECAYQAQ&usg=AOvVaw1mMlkq-HdoeKIxXTNJ_6Pr


Not sure if I can send links or not... about to find out. Lol

About to start reassembling my carburetor now. Cross your fingers for me!
Jul 9, 2019 at 6:00 PM
Avatar
STEVE W.
  • CERTIFIED EXPERT
  • 15,113 POSTS
Good luck. I'm hoping that by going back to a baseline "stock" carb it will run a bit better, then you can tweak the secondaries and jets to fine tune it.
Jul 9, 2019 at 7:24 PM
Avatar
JDUB80
  • MEMBER
  • 52 POSTS
All that took realize my main jet isn't squirting. pretty sure it hasn't been now that I'm thinking of it.
I made sure every passage was clear in the main body and metering blocks. a bit frustrated right now. Would love to know why they aren't squirting.
Jul 9, 2019 at 7:54 PM
Avatar
STEVE W.
  • CERTIFIED EXPERT
  • 15,113 POSTS
The main jets don't work unless you have engine vacuum pulling air through the venturies. The common reason for them not doing much would be if the bowl vents were blocked, or they are plugged internally. Holley has a good tech line (or did when I used carbs) you could call them and see if they have any known issues with that carburetor or a suggestion on jetting per the application.
Jul 10, 2019 at 11:55 AM
Avatar
CJ MEDEVAC
  • CERTIFIED EXPERT
  • 11,004 POSTS
Hey feller!

Have 1977 CJ5 w/ 258.

Now upgraded like a '79 with Motorcraft ignition instead of Prestocrap (lite).

Running Holley 390 (08007) 4 barrel on an Offenhauser Intake.

Currently running 52 jets (may be a bit rich) Will probably drop back to the originals, 51s ( I thought it was 51.5, really looks to be an "S"!)

My 52's run great.

Going to review some of Steve W's stuff. I'm guessing that you are not up on some of the lingo, That's okay, we can work through stuff!

Squirt? You mean the accelerator pump shooter shooting into the carburetor throat?

Just to keep the "know it alls" away, the distributor you have is just fine (it may have problems- or not) Let's not change it to something different, the original type will work fine.

We will also test/inspect the distributor to insure both advances are working.

Where is the distributor vacuum advance getting vacuum?

What kind of fuel pump do you have? (Mine is still the original mechanical).

I will explain the fuel possibilities later if need be.

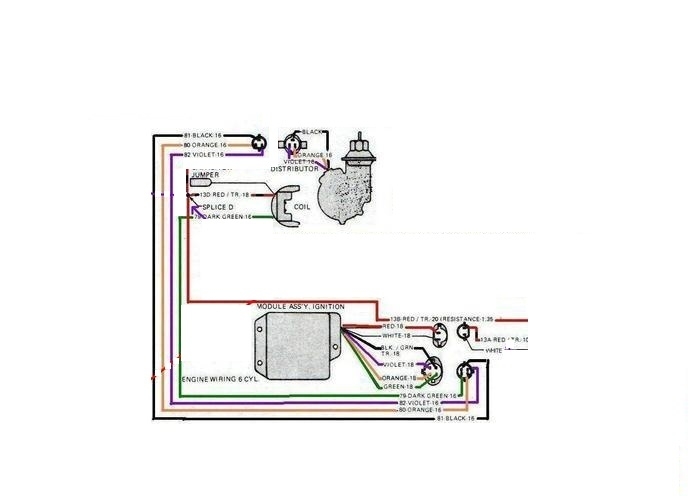
This is a 1979 ignition (There was no computer back then) The wires all go to the right places. Your wires may be tapped in differently being a 1986 with a nutter. The end result of your nutter is the 1979 set up when/ if everything is hooked right. All wires will start and end at the same destinations, however they get there!

Mainly we are looking at the 4 wires from the module to the distributor and coil.

The Medic



Jul 10, 2019 at 4:10 PM
Avatar
JDUB80
  • MEMBER
  • 52 POSTS
I'm Jeff, jeeps Carl

I'll try to a answer all questions, but I'm not home so. you know how it is. i promise I won't just abandon you once I get a good result. You know about it too!

I already know a lot about mr. Jeep and willy from several of your posts/responses to others.

Even I said the carburetor isn't squirting I was referring to the venturi booster on the primary side of the carburetor.. the squirter, shooter, nozzle. Whatever you wanna call it in the accelerator circuit is functioning. Properly? I dunno. Was thinking today I should drop it from a 35 to a 28 or so. Still undecided. Thoughts? (I know you wanna check several things first. No problem.)

After reading through some of the link you sent, I think I may have my timing 180 off.

Distribute vacuum was ported, until reading your posts. I've been using full manifold since. Unhooked and plugged during any adjustments or setting timing.
Vacuum advance is working... I used the good old "milkshake" method (if ya catch my drift) and it moved easily. The central... no idea how to test it.

I have an electric fuel pump on frame near tank... noticed a small kink in lines but I don't think it'll effect flow (fingers crossed, but I'll get a pic later. )
The mechanical is still mounted to the block, untested.
Currently only have a 2 port fuel filter and return line is dangling (& in BAD shape) new 3 port filter and return line should be here Saturday.

As far as the "nutter" I'll uncover the wires and get you some pics of them too.

I think I've answered all your questions, but I do everything from my phone, so scrolling back up is a bit of a pain. Feel free to point out anything I missed and I'll get it answered.

You usually ask about some tools... I don't have a dwell meter, I have a tach gauge that I hook up under the hood, until he's good, then I'll put in the dash. Have a non adjustable timing light, leads on my multi-meter recently broke ( cheapy Harbor Freight one) have most other basic hand tools and not afraid to use them and get my hands dirty... why would I be here otherwise! Hahaha

Lastly, don't worry about your country-fied language.. I'm an okie. If, by some off chance I don't understand I'll tell ya. Besides, I usually have a lot of typos.. feel free to point them out if it's hard to read.


Thanks, Jeff
Jul 10, 2019 at 5:16 PM
Avatar
JDUB80
  • MEMBER
  • 52 POSTS
Pictures as promised.

While I was unwrapping wires from the distributor, I noticed a black wire that was disconnected. It turned out to be a piece that was spliced into the purple wire. The orange, black, and green (from coil) all go into the ignition module. Also there was a single wire with a butt connector coming from the ignition module. It appeared to be either dark blue or purple, couldn't really tell nor could I get a decent picture without removing stuff.

I guess my question is: should I reconnect these two wires? The diagrams I found weren't clear enough for me to determine and I don't wanna mess anything up.

Also, I noticed a section of orange wire that appears to have touched the exhaust manifold. I believe it's visible in the pic with several butt connectors. I'll get that repaired and fix up the connections. (Need to get a soldering iron.)

Is there anything else jumping out at you that needs attention or any additional pics needed?

Carl and I will be here once you're able to reply.
Jul 11, 2019 at 6:42 PM
Avatar
CJ MEDEVAC
  • CERTIFIED EXPERT
  • 11,004 POSTS
Let's go back to ported vacuum while we try to figure this out.

Let's go into the top of the distributor.

Dig on down till you get to the "weights" at a standstill they should have springs sucking them inward.

Spring broke? (or weights unable to move)

They will permanently be thrown outward.

If this be the case, somewhere in the past the timing was, let's say 8 degrees.

Spring broke at some point, timing suddenly went to (maybe) 18 degrees.

It got discovered that the timing was off at some point and time.

It was reset t 8 degrees.

All seems good now?

Nopey Opey!

We have lost "mechanical advance" completely when Mr. Spring broke!

It will not climb into the RPMs, it will act like it's holding back when it's accelerated.

Watching the timing light on the marks might also verify that the balancer mark is not moving (as the weights should be thrusting outward, the mark will move) when the throttle is throttled up a bit.

Maybe that makes sense!

The main thing here is mine is working fine! LOL!

Your turn,

The Medic



Jul 11, 2019 at 7:45 PM
Avatar
JDUB80
  • MEMBER
  • 52 POSTS
I took the distributor apart a week or so ago. Decided I didn't know what to do, so I reassembled it. Nothing appeared broken, but I didn't know what I was looking for.
I'll pull it apart again tomorrow evening for pics. (Too dark to do anything right now.)

Glad yours is working fine! & by glad I mean jealous. Lol!

By the way, how are my pics working for you? Any tips or anything I can do to improve them?
Jul 11, 2019 at 8:00 PM
Avatar
CJ MEDEVAC
  • CERTIFIED EXPERT
  • 11,004 POSTS
Fuel pressure to carburetor?

Voltage at positive side of coil with key on? (trying to find out if you are hooked to the resistance wire or not).

If hooked to resistance wire, is your coil designed to be used with external resistance as was the OEM coil. See picture 1.

Wire colors are really irrelevant, The main thing is do they start and finish like in picture 2.

The Medic

Jul 11, 2019 at 8:33 PM
Avatar
CJ MEDEVAC
  • CERTIFIED EXPERT
  • 11,004 POSTS
Pictures are good! Thanks for sending decent ones!

The Medic
Jul 11, 2019 at 8:35 PM
Avatar
STEVE W.
  • CERTIFIED EXPERT
  • 15,113 POSTS
Great to see you here Medic.
Jul 11, 2019 at 10:08 PM
Avatar
JDUB80
  • MEMBER
  • 52 POSTS
Glad to hear the pictures are doing their job.

Steve! If it wasn't for you I'd already have Carl at a mechanic and would've have found out so many things about my jeep. Can't thank you enough man!

The guys on this site are awesome. The more posts I read the more I can see that.


I'll check the coil itself to see if it has that statement on it, while checking the other items tomorrow. In the meantime...

Here's the coil I have on right now:
https://shop.advanceautoparts.com/p/accel-super-stock-coil-8140/5024269-P?navigationPath=L1*14923%7CL2*15034%7CL3*16064
Jul 11, 2019 at 10:27 PM
Avatar
CJ MEDEVAC
  • CERTIFIED EXPERT
  • 11,004 POSTS
Lower down in your link, I found text saying it must use an external resistor.

So what is the voltage at the positive pole of the coil with the key on?

This will let us know if you are tied into the original resistance wire

or

If you are tied into a regular ole wire and need a ballast resistor installed in the system.

The Medic
Jul 12, 2019 at 3:19 PM
Avatar
JDUB80
  • MEMBER
  • 52 POSTS
Today, I rewired the 3 wires from the distributor to the ignition module, keeping as much of the old wires as possible. I removed the melted places and previous connectors. Started him up, brought up to temp. No changes. That's ok, it's beer thirty.

Now on to the requested testing:

Voltage at coil on positive side is 7v. Is this lower than it should be? (I know it shouldn't be the full 12v)
Btw, negative battery cable disconnected, gave a 12.8v reading. Random test while I had the meter handy.

Fuel pressure at carb with ignition key on was 9-10lbs (with a slight leak at my meter)
I'm guessing I should get a regular with the new return line installed?

Attached are a couple pics of the mechanical advance, looks fine to me... but again I dunno what it should look like. Thoughts?
Last pic is my pickup coil plug/ connection. Could this be causing an issue or is it something to cleanup later?

Your turn, my friends
Jul 12, 2019 at 6:42 PM
Avatar
CJ MEDEVAC
  • CERTIFIED EXPERT
  • 11,004 POSTS
Go back to the idle mix screws.

Just for giggles,

Be real observant,

Ease one screw in and count the turns or increments it take to gently touch bottom.

Now do the same with the other screw.

Do you have equal number of turns?

If not, find a decent starting point for the screws, crank him up and either use a vacuum gauge or a dwell/ tach to max out your RPMs while making equal adjustments to both idle screws.

Did this help?

We're going to explore the fuel system next.

The Medic
Jul 14, 2019 at 6:31 PM
Avatar
JDUB80
  • MEMBER
  • 52 POSTS
1 1/4 turns in, each side. Backed them out to the same position.

Regulator installed, currently at 6 psi at idle. (I know it's a little low, factory setup and I haven't adjusted yet).

Everything still acts like it has.
Jul 14, 2019 at 7:08 PM
Avatar
JDUB80
  • MEMBER
  • 52 POSTS
Oh, I also pulled my fuel cap to make sure I didn't have a vacuum on the tank. Looks like my vent (or the open return line) is working... no, I haven't got the return installed yet... honey-do's...

You responded while I was under the hood. Lol
Jul 14, 2019 at 7:11 PM
Avatar
CJ MEDEVAC
  • CERTIFIED EXPERT
  • 11,004 POSTS
What about page 11 in this, are you adjusted right?

https://documents.holley.com/199r10268-4rev2.pdf

The Medic
Jul 15, 2019 at 3:19 PM
Avatar
JDUB80
  • MEMBER
  • 52 POSTS
Lol, I have that download to my phone, for that exact reason. However it never hurts to double check, so i will.

Quick question... am i supposed to use teflon tape or something on the regulator connections? (They're screw in connections. I'll try to find a link to the part, so you know what I've installed.)
Jul 15, 2019 at 4:25 PM