My engine will not crank over but I did everything

2007 CHEVROLET IMPALA
140,000 MILES
Avatar
LILDIPPER513
  • MEMBER
  • 8 POSTS
I drove home from work and the next morning went to leave for work and my car wouldn’t start. I can hear the starter click when I turn the key but nothing happens. I put a new battery in it and also new fuse for relay.. the dash lights and everything work but my locks don’t work and trunk won’t open.
Oct 25, 2020 at 10:24 PM
Advertisement
Avatar
JACOBANDNICKOLAS
  • CERTIFIED EXPERT
  • 110,175 POSTS
Hi,

Are the lock issues something that started at the same time as the other issue?

As far as the no start, if the starter is just giving you a click and the battery is new (terminals are clean and tight), then there is a good chance the starter has failed.

Take a look through this link and let me know if it helps:

https://www.2carpros.com/articles/starter-not-working-repair

Since you hear the starter click, reconfirm that all connections are clean and tight. If they are, I would remove the starter and have it bench tested at a parts store. Most will do it for free. If it is determined the starter is bad, here is a link that explains in general how one is replaced. If you provide the engine size, I can get you the directions specific to your vehicle.

https://www.2carpros.com/articles/how-to-replace-a-starter-motor

Let me know if this helps or if you have other questions.

Take care,
Joe

Oct 26, 2020 at 11:55 AM
Avatar
LILDIPPER513
  • MEMBER
  • 8 POSTS
Thanks for your reply, yes the issue with the locks and windows started at the same time.. I will try to get the starter tested soon as possible and I’ll post the engine size soon. Also not sure if it would matter but I forgot to mention the starter was replaced last year not sure how long they usually last.
Oct 27, 2020 at 8:19 PM
Advertisement
Avatar
LILDIPPER513
  • MEMBER
  • 8 POSTS
Had someone come and look at it, they tried to start it from the fuse box and the engine was trying to start but when I try to start it with the key it does nothing.
Oct 28, 2020 at 7:31 AM
Avatar
JACOBANDNICKOLAS
  • CERTIFIED EXPERT
  • 110,175 POSTS
Hi,

It sounds like they were jumping it at the starter relay. If the starter engaged, then the starter itself is good. Chances are the relay is bad or there even could be a blown fuse.

Let me know the engine size. It will either be a 3.5L, a 3.9L, or a 5.3L V8.

If you look at the pic I attached, it is for the 3.5L V6. I highlighted the starter fuse and relay. Now, if he jumped the red and purple wire in the relay connector, then the fuse is good. That leaves the relay or a signal issue from the ECM or a bad ground for the relay.

If you look at pic 2, it shows the under hood fuse box. I highlighted the fuse and the relay. If you find the engine is a 3.5L, check that fuse. If it is good, remove the relay and switch it with a different one in the box that has the same part number. Or, here is a link that shows how to check a relay:

https://www.2carpros.com/articles/how-to-check-an-electrical-relay-and-wiring-control-circuit

Also, when checking the fuse, confirm power to it and out from it. Here is a link showing how that is done:

https://www.2carpros.com/articles/how-to-check-a-car-fuse

Let me know what you find.

Joe

Oct 28, 2020 at 6:48 PM
Avatar
LILDIPPER513
  • MEMBER
  • 8 POSTS
Thanks for your reply. I will check the fuses and try to get a video of what it’s doing as soon as possible. 3.6L v6 engine.
Nov 3, 2020 at 2:38 AM
Avatar
JACOBANDNICKOLAS
  • CERTIFIED EXPERT
  • 110,175 POSTS
Hi,

Sounds like a plan. However, I am not showing a 3.6L as an option for this vehicle. See the attached.

Let me know.
Joe
Nov 3, 2020 at 6:48 PM
Avatar
LILDIPPER513
  • MEMBER
  • 8 POSTS
3.5L v6 I apologize about that.
Nov 5, 2020 at 5:55 AM
Avatar
LILDIPPER513
  • MEMBER
  • 8 POSTS
Just uploaded 2 videos of what it does when I try using the key to start it and then videos of me trying to start it from the fuse box.
Nov 5, 2020 at 6:40 AM
Avatar
JACOBANDNICKOLAS
  • CERTIFIED EXPERT
  • 110,175 POSTS
Were you able to check the fuse and relay?

Joe
Nov 5, 2020 at 3:42 PM
Avatar
LILDIPPER513
  • MEMBER
  • 8 POSTS
I put a new relay fuse in, but still same issue.
Nov 8, 2020 at 6:59 AM
Avatar
JACOBANDNICKOLAS
  • CERTIFIED EXPERT
  • 110,175 POSTS
Okay, I have a feeling either the ignition switch is bad or the body control module. Take a look at the pic below. I need you to locate the body control module under the dash (left side). I need you to check for a voltage signal from the switch to the BCM (white wire).

Let me know.

Joe
Nov 8, 2020 at 4:26 PM
Avatar
LILDIPPER513
  • MEMBER
  • 8 POSTS
Sorry for the delay but I finally figured it out.. it was the module. Thanks for the help and I appreciate your time.
Feb 3, 2021 at 8:15 AM
Avatar
JACOBANDNICKOLAS
  • CERTIFIED EXPERT
  • 110,175 POSTS
Hi,

You are very welcome. Please feel free to come back anytime in the future if you need help.

Take care and God Bless,

Joe
Feb 3, 2021 at 3:59 PM
Avatar
SHPSAMUELS
  • MEMBER
  • 1 POST
Will not crank when key is turned all electrical work and there is no sign of power drain
Mar 6, 2021 at 5:53 PM (Merged)
Avatar
STRAILER
  • CERTIFIED EXPERT
  • 53,854 POSTS
Hello,

It sounds like you have a starter that is out and needs to be replaced or you have a security light flashing?

https://www.2carpros.com/articles/how-to-reset-a-security-system

If not here is a guide that will help you see how to confirm the failure by testing the trigger side of the starter. Have a helper turn the key to the start position while you check for power to the smaller wire on the starter. You should have 12+ volts. If you do, have the starter checked. If there isn't that much power, check the starter relay, and the ignition switch.

https://www.2carpros.com/articles/how-to-replace-a-starter-motor

Check the starter relay as well. Here is how to change the starter on your car.

https://www.2carpros.com/articles/how-to-check-an-electrical-relay-and-wiring-control-circuit

Check out the diagrams (Below) Please let us know what happens.

Cheers, Ken
Mar 6, 2021 at 5:53 PM (Merged)
Avatar
JDTURNER75
  • MEMBER
  • 2 POSTS
Ok when I picked up the car battery was dead took charge n wouldnt start or shift into Neutral I replaced the transmission its not starting took apart shifter n manually got it to shift into neutral but wont start starter is working outside the transmission took it out and used jumper cables and it done what its supposed to but still isnt starting any suggestions?
Mar 6, 2021 at 5:53 PM (Merged)
Avatar
JACOBANDNICKOLAS
  • CERTIFIED EXPERT
  • 110,175 POSTS
Have you checked to see if there is power to the solenoid when the key is in the start position?
Mar 6, 2021 at 5:53 PM (Merged)
Avatar
JDTURNER75
  • MEMBER
  • 2 POSTS
Yes it has power going to the solenoid it even sparks trying to cross out starter it clicks but won't start
Mar 6, 2021 at 5:53 PM (Merged)
Avatar
JACOBANDNICKOLAS
  • CERTIFIED EXPERT
  • 110,175 POSTS
I need to make sure you understood my question. By jumping the starter with a screwdriver or something like that, you are transferring power from the larger wire (direct from the battery) to the solenoid. So it will appear that it has power. The solenoid wire, the smaller one, shouldn't have power until the key is in the start position. If that is what you found, the starter should engage unless there is a bad connection at the battery, at which point, you will hear a click and nothing more.

Again, if the larger wire from the battery is clean, tight, and in good condition, and the smaller wire to the solenoid only gets power when the key is in the start position, it should work unless the starter itself is bad.

Mar 6, 2021 at 5:53 PM (Merged)
Avatar
GRANTTOFTE
  • MEMBER
  • 2 POSTS
I tried jumping it with no luck. What to do? I am not getting any power whatsoever in my car. I tightened the terminals because they were loose and tried to start it, I got power and it sounded like it was about to start but it just clicked once then everything went dead and my key is stuck in the ignition as well. I heard and felt a clicking noise in my fuse box, on the pwr trn/etc fuse. i am told this is a relay problem. I have also had problems with a knocking noise under my glove box, which i have found out is an actuator. It knocks at any time, even when the car is off. And it is doing it a lot more lately. Its an Impala ss if that helps.
Mar 6, 2021 at 5:53 PM (Merged)
Avatar
JACOBANDNICKOLAS
  • CERTIFIED EXPERT
  • 110,175 POSTS
I have to be honest, what you described sounds like a bad connection at the battery. When you have one click and you loose everything, that is usually the cause. Remove the battery terminals and retighten them. If it doesn't change, check fuses in the main fuse block under the hood.
Mar 6, 2021 at 5:53 PM (Merged)
Avatar
GRANTTOFTE
  • MEMBER
  • 2 POSTS
Thank you. I readjusted and tightened the terminals, and checked the fuses. I did get power again but I tried to start it and the same thing happened. There is no power and my keys are still locked in the ignition. What fuses or relays would maybe cause this to happen?
Mar 6, 2021 at 5:54 PM (Merged)
Avatar
JACOBANDNICKOLAS
  • CERTIFIED EXPERT
  • 110,175 POSTS
If it was a fuse or relay, it wouldn't give you a click. Something is loose. Check the ground on the engine block. Make sure the connections at the starter are tight.
Mar 6, 2021 at 5:54 PM (Merged)
Avatar
AEISHA DAWN
  • MEMBER
  • 1 POST
Lights and radio come on but car will not crank. Changed the starter and fuses checked ground wire and car still will not start.
Mar 6, 2021 at 5:54 PM (Merged)
Avatar
STRAILER
  • CERTIFIED EXPERT
  • 53,854 POSTS
Can I ask if the security light is flashing? If so this guide will help you reset the system.

https://www.2carpros.com/articles/how-to-reset-a-security-system

Please run down this guide and report back.

Cheers, Ken
Mar 6, 2021 at 5:54 PM (Merged)
Avatar
CLIFF CONNER
  • MEMBER
  • 4 POSTS
Changed ignition switch,changed battery,checked starter it's good. put test light on fuse box and about 5 fuses are not getting power in box. please help.
Mar 6, 2021 at 5:54 PM (Merged)
Avatar
JACOBANDNICKOLAS
  • CERTIFIED EXPERT
  • 110,175 POSTS
Hi,

I attached two pics. The first is the under hood box and the second is in the vehicle. I highlighted two that I believe you are referring to in pic one, and circled one in pic 2. Are these the fuses?

Joe
Mar 6, 2021 at 5:54 PM (Merged)
Avatar
CLIFF CONNER
  • MEMBER
  • 4 POSTS
Yes they are.
Mar 6, 2021 at 5:54 PM (Merged)
Avatar
JACOBANDNICKOLAS
  • CERTIFIED EXPERT
  • 110,175 POSTS
I want you to switch the fuel pump relay with another relay in the box that has the same part number to see if you then have power to the fuse. According to the schematic, power is fused after the relay. See pic 1.

Let me know.

Joe
Mar 6, 2021 at 5:54 PM (Merged)
Avatar
CLIFF CONNER
  • MEMBER
  • 4 POSTS
Did it, still no power. I also have a 2005 impala that I have been switching fusing and relays with trying to duplicate the problem,when I remove the bcm fuse from the 05 it has the very same no start condition.problem is the 05 bcm crank is in the cars cabin..
Mar 6, 2021 at 5:54 PM (Merged)
Avatar
JACOBANDNICKOLAS
  • CERTIFIED EXPERT
  • 110,175 POSTS
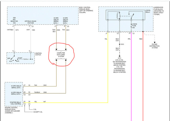
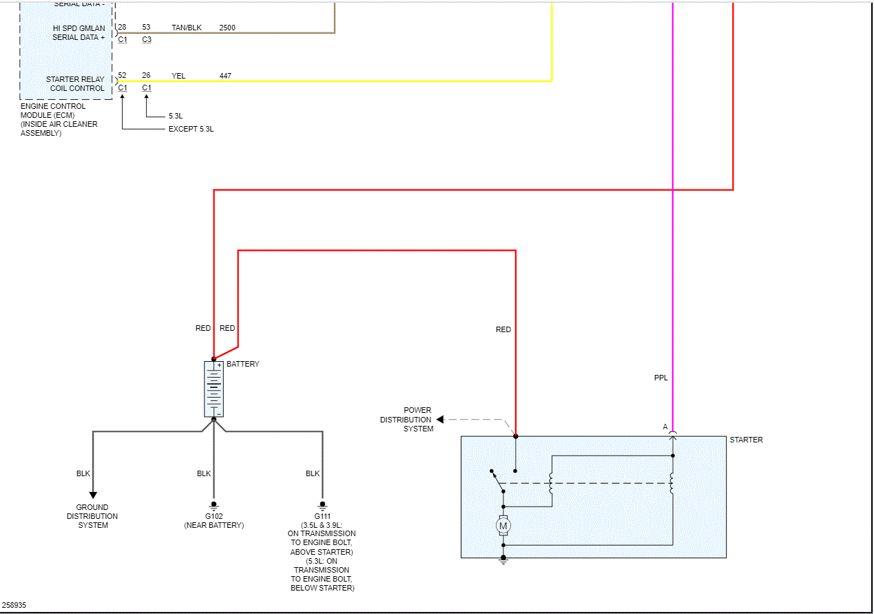
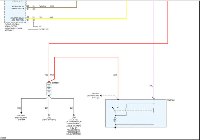
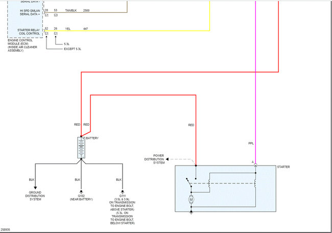
It could be a body control module issue. Here are the wiring schematics for the entire starting system. Note that I circled the data lines. That is a part of the vehicle's CAN bus system. CAN stands for computer area network. You may want to get your hands on a scan too that can check all modules to see if there is a break down. Here is a video that shows how it's done and why:

https://youtu.be/InIlnsjOVFA

See if the schematics are helpful. I overlapped the two when I copied them so you could follow them easier.

Let me know.
Joe
Mar 6, 2021 at 5:54 PM (Merged)
Avatar
CLIFF CONNER
  • MEMBER
  • 4 POSTS
Thanks for all the help. I disconnected my air conditioner and it was burned in the back harness,once disconnected the car started right up.
Mar 6, 2021 at 5:54 PM (Merged)
Avatar
JACOBANDNICKOLAS
  • CERTIFIED EXPERT
  • 110,175 POSTS
Happy to hear that you found the issue, and you are very welcome. Please feel free to come back anytime in the future if you have questions.

Take care,
Joe
Mar 6, 2021 at 5:54 PM (Merged)
Avatar
GOOBER62
  • MEMBER
  • 5 POSTS
starter remains on after engine start, when engine is shut down, starter will continue to crank for few seconds then stop, as soon as ignition is turned on, engine startscranking, will also start cranking with ignition in acc. position. this will even occur with starter relays removed. starter and ignition switch both repaced new, problem still exists
Mar 6, 2021 at 5:54 PM (Merged)
Avatar
HMAC300
  • CERTIFIED EXPERT
  • 48,601 POSTS
if the starter drive is not hanging up then recheck install as one wire may be touching main battery wire. If that is not the problem have a mechanic scan for codes as it will need to be physically looked at.
Mar 6, 2021 at 5:54 PM (Merged)
Avatar
GOOBER62
  • MEMBER
  • 5 POSTS
no, that is not it, for some reason, the ignition wire to the solenoid is maintaining twelve volt with the ignition switch in the run position, even with the start relay and ignition fuse removed. i am thinking a possible short in wiring harness or fuse block.
Mar 6, 2021 at 5:54 PM (Merged)
Avatar
GOOBER62
  • MEMBER
  • 5 POSTS
found the problem, the wiring harness from the fuse block had been rubbed through by it laying against the idler pulley, causing five wires to be shorted together, we removed the wrap from the wires and repaired them, everything was back to normal after that.
Mar 6, 2021 at 5:54 PM (Merged)
Avatar
STRAILER
  • CERTIFIED EXPERT
  • 53,854 POSTS
Glad you could get it fixed please use 2CarPros.com anytime we are here to help

Best, Ken
Mar 6, 2021 at 5:54 PM (Merged)
Avatar
THATONEGIZMOGUY
  • MEMBER
  • 1 POST
Hi there. I have the car listed above with a no crank condition. I had reason to believe that it was the starter due to the fact that when i would turn the key nothing would happen and you would just hear a humming like sound from the starter. Upon further inspection I would see smoke coming right from the post at the connection where the battery cable bolts on. Any ideas as to what would've cause this? It also seemed to happen out of nowhere as one moment it was working fine.

Thank you guys in advance.
Mar 6, 2021 at 5:54 PM (Merged)
Avatar
SCGRANTURISMO
  • CERTIFIED EXPERT
  • 4,897 POSTS
Hello,

I would check the ground wire coming the engine block to the frame and the ground wires from the frame to the negative battery terminal. If the cranking amperage from the battery has no path back to the battery it would cause this condition, as well a melting whatever smaller wire it finds a path through. If the ground wires check out okay, then I would recommend replacing the starter motor. Here is a helpful link for you to go to:

https://www.2carpros.com/articles/starter-not-working-repair

If this is what you decide to do here is a link describing how to do this below:

https://www.2carpros.com/articles/how-to-replace-a-starter-motor

Please check the ground wires and get back to us with what you decide to do and how it turns out.

Thanks,
Alex
2CarPros

Mar 6, 2021 at 5:54 PM (Merged)