Car overheating fans not kicking on

1997 CHEVROLET CAMARO
156,000 MILES • 3.8L • V6 • 2WD • MANUAL
Advertisement
Avatar
IGENIUS92
  • MEMBER
  • 205 POSTS
How can I properly wire a toggle switch for my dual cooling fans through the cooling fans relay? There are three relays total in the fuse box underneath the hood. Which relay from one to three should I use? What color wires do I need to look for or just how can I hope this up so my fans come on? Please help!
Jul 22, 2018 at 11:54 AM (Merged)
Avatar
STEVE W.
  • CERTIFIED EXPERT
  • 15,113 POSTS
Okay, then it is a real issue not just the gauge. You say the fans are not turning on. As the gauge is going up it seems the ECT is okay. You say the fans work but only come on when AC is selected. In that case it is either a bad relay or an issue with the wiring.
For testing you need a test light and a two short pieces of heavy wire. (12 gauge stranded is good)

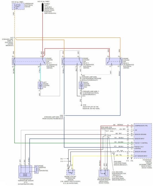
The way the system should work is simple. As soon as the coolant hits the first set point in the PCM it activates the fan one relay. That should turn on both fans at low speed. It gets low speed because in this mode battery voltage runs through both fans in series using the normally closed contacts in fan relay 3. The power goes to ground through the black wire on fan 2.

As the coolant heats up farther the PCM will switch the fans to high speed. When this happens relays 1, 2 and 3 are all activated. Relay 1 now powers only the left fan and relay 2 powers only the right fan. Relay 3 breaks the series connection between the fans and now they run in parallel. This is because each fan is now grounded on it's own.

You say that the right fan comes on when the AC is on. That means that some of the items in the schematic are good and do not need to be tested. You also said that you have run battery voltage to each fan and they worked.

Test 1 - Remove relay 1 and use the test light connected to ground to verify that you have battery voltage at terminal D5 (orange wire) and D1 (red wire). You should as the fuse and fuse link are used to power both fans but it is possible there is a bad contact.

Test 2 - Unplug the coolant temperature sensor. This should cause the PCM to activate the fans. Connect the test light to battery positive and check to see if terminal D2 (dark green wire) is now showing it is grounded.

If test 1 and two show things are good, plug the temperature sender back in. Now use a short jumper wire to bridge from terminals D1 (red wire) and D4 (light blue wire)
If the fans come on, relay 1 is bad, either the coil or contacts are bad as you just activated the same circuit as the PCM. Remove the jumper wire. The fans should stop. Replace the bad relay.

I will assume the fans did not come on to further test the system.

Test 3 - Remove fan relay 3. Replace the jumper across terminals D1 (red wire) and D4 (light blue wire) to simulate fan relay 1 being closed. Use the test light connected to ground to check for battery voltage on terminals J5 (orange wire) and J4 (gray wire)

If you have battery power to terminal J4 (gray wire). Install another jumper between it and terminal J3 (white wire). When that jumper touches it should activate both fans on low speed. If it does then fan relay 3 has a bad connection between those two pins or a bad coil and needs to be replaced.

Test 4 - use the jumper to bridge between fan relay 3 terminals J4 (gray wire) and terminal J2 (black wire/ground) With the jumpers in place the left cooling fan should run at full speed. If it does then this verifies that fan relay 3 has a bad coil and is not switching or it is not receiving a control signal.

For the last test, remove the jumper wires, then connect the test light to power and turn the AC on with the engine running. Touch the test light tip to terminal J2 (dark blue wire) With the AC on this pin should show a ground. If it does not the wire is broken/damaged between it and the S166 splice.

The right side fan should have also come on in the last test as selecting AC should have activated fan relay 2 as it gets the same signal as fan relay 3 to turn on.

Post back with what you find.
Jul 22, 2018 at 11:54 AM (Merged)
Advertisement