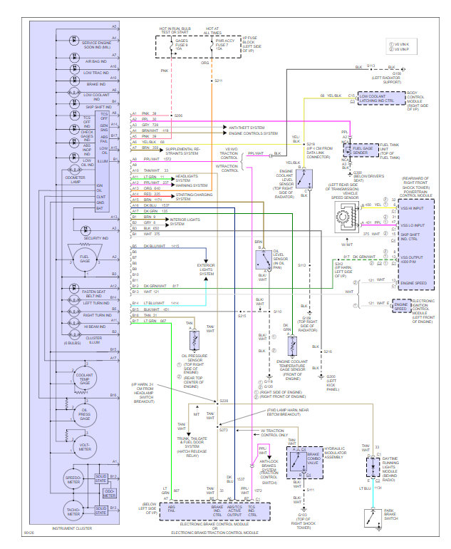
Hello, I have a 3800 series engine noticed the temperature gauge rising up past halfway mark indicating the car is getting hot after a few minutes, bought a nee thermostat problem remained, bought a new coolant temperature sensor aftermarket from O'Riley problem remained. I noticed my fans not coming on unless I cut my AC on, tested the fans and they are working. Checked my relays they are working as well. So I bled the system I took the radiator cap off and let the car idle until it almost reached the halfway mark took about ten minutes or so. Added coolant and it did have a few bubble that needed to get out, but here is the thing; I noticed in a blog one person took their plug off their coolant temperature sensor and the fans came on, so I did the same I took the plug off the sensor fans did not come on. However, once I plugged I back it the fans kicked on!
So I am thinking it is the sensor that is maybe bad even though it is brand new or I have to go for the OEM ACdelco coolant temperature sensor because aftermarket will not work. Just like the MAF sensor I bought last year aftermarket would not work until I got the OEM one. What are anyone's thoughts on this?
So I am thinking it is the sensor that is maybe bad even though it is brand new or I have to go for the OEM ACdelco coolant temperature sensor because aftermarket will not work. Just like the MAF sensor I bought last year aftermarket would not work until I got the OEM one. What are anyone's thoughts on this?
Jul 19, 2018 at 12:09 PM





