Engine stalls/not fuel problem

2003 BUICK CENTURY
97,000 MILES
Avatar
RENE1981
  • MEMBER
  • 36 POSTS
Car will cut off while driving, the big wiring harness that goes across the top of the engine has something to do with it. if i touch it (not a constant pattern to where i touch it and not every time i touch it) will make the car cut off. Also, the box with the fuses in it makes a popping noise. Does anyone know what this means?
Apr 23, 2018 at 9:38 AM
Advertisement
Avatar
PATENTED_REPAIR_PRO
  • CERTIFIED EXPERT
  • 1,853 POSTS
There is a short circuit or short to ground or an intermittent open in whatever it is that is popping and what you touch.
Post a photo and I will see if I can identify it and maybe give you a link to the harness to purchase.
Although, if you want to look up the harness your self, these are two good sources for OEM GM parts.
https://www.tonkinonlineparts.com/
and
https://www.wholesalegmpartsonline.com/
Apr 23, 2018 at 9:58 AM
Avatar
RENE1981
  • MEMBER
  • 36 POSTS
The big wire in this picture, but the car cuts off even when it is not touched or moved.
Apr 23, 2018 at 10:08 AM
Advertisement
Avatar
PATENTED_REPAIR_PRO
  • CERTIFIED EXPERT
  • 1,853 POSTS
Is this a 3.1 or 3.8 engine?
Apr 23, 2018 at 10:36 AM
Avatar
RENE1981
  • MEMBER
  • 36 POSTS
3100.
Apr 23, 2018 at 10:44 AM
Avatar
RENE1981
  • MEMBER
  • 36 POSTS
And sometimes i can touch and move the wires and it does not cut off, and sometimes it makes the fuse box make a popping noise.
Apr 23, 2018 at 10:45 AM
Avatar
PATENTED_REPAIR_PRO
  • CERTIFIED EXPERT
  • 1,853 POSTS
Avatar
RENE1981
  • MEMBER
  • 36 POSTS
Is there a possibility that it is something other than the actual harness? I had someone suggest it is a possible fuse box or connector.
Apr 23, 2018 at 11:02 AM
Avatar
PATENTED_REPAIR_PRO
  • CERTIFIED EXPERT
  • 1,853 POSTS
Split that harness cover open and give me the color of the wires. Maybe I can tell by the wiring diagram.
Apr 23, 2018 at 11:37 AM
Avatar
RENE1981
  • MEMBER
  • 36 POSTS
I took my car to the dealer because when it comes to electrical. i do not feel comfortable, they charged me $354.00 for the diagnostic fee and are saying it is the ignition module, how big is this job? And they say the part is almost $400.00 which I am not seeing that price for the ones online. I need advice!
Apr 26, 2018 at 3:27 PM
Avatar
PATENTED_REPAIR_PRO
  • CERTIFIED EXPERT
  • 1,853 POSTS
Of course the dealer is going to mark up the price as much as 100% which is twice as much. I see both summit racing and rockauto has ignition control modules for just over $100.00, even an ACDelco for $142.00 and $175.00. I also see a standard motor product one at rockauto for $54.00, you would save a lot more either purchasing your own and installing it or ask them to install the one you purchase. I see the labor time should be 0.8 hours so even if they charge $100.00 an hour, that is $80.00 labor.
Here are the instructions:
IGNITION CONTROL MODULE > REMOVAL & INSTALLATION (3.1L)
Disconnect all the electrical connectors at the Ignition Control Module (ICM). Note the position of the spark plug wires for installation and disconnect the spark plug wires from the ignition coils. Remove the screws securing the coil assemblies to the ignition control module.
Disconnect the coils from the ignition control module. Remove the fasteners securing the ignition control module assembly to the engine. Remove the coils and the ignition control module from the bracket.
To install, reverse removal procedure. Tighten the ignition coil screws to specification. See TORQUE SPECIFICATIONS . Connect the spark plug wires to the ignition coils. See Figure
Apr 26, 2018 at 3:38 PM
Avatar
RENE1981
  • MEMBER
  • 36 POSTS
They said an hour and a half on labor so $181.00.
Apr 26, 2018 at 3:40 PM
Avatar
PATENTED_REPAIR_PRO
  • CERTIFIED EXPERT
  • 1,853 POSTS
No, that is too high, should be 0.8 hours.
Apr 26, 2018 at 3:42 PM
Avatar
RENE1981
  • MEMBER
  • 36 POSTS
We replaced the ignition module and the coil packs, it drove fine for three days now it is cutting off again. What could be causing to one cut off again and/or cause the ignition control module to short out in the first place?
May 8, 2018 at 4:58 PM
Avatar
PATENTED_REPAIR_PRO
  • CERTIFIED EXPERT
  • 1,853 POSTS
The only thing I can think of it getting too much voltage maybe from an over charging by the alternator. Remove the alternator, take it into an auto-parts store and have them bench test it for free.
May 8, 2018 at 5:40 PM
Avatar
RENE1981
  • MEMBER
  • 36 POSTS
What about the crank shaft sensor, people has been talking about that could possibly be the problem as well. How do that sound to you?
May 8, 2018 at 5:44 PM
Avatar
PATENTED_REPAIR_PRO
  • CERTIFIED EXPERT
  • 1,853 POSTS
I think it all depends on if it is the ignition control module again that went bad and if so and if before it failed because it overheated or burnt up. If so, I do not see how the crank sensor would cause that, but I could see too much voltage causing something to overheat and burn up.
I cannot even think of why a bad crank sensor would cause an ignition control module to fail.
May 8, 2018 at 6:04 PM
Avatar
RENE1981
  • MEMBER
  • 36 POSTS
Thank you for your help, we took the alternator and had it tested, it is good and is putting out the correct voltage as, the check engine light is not on, however the car registered some codes one for the purge solenoid, another thing the guy at the parts store said was the air flow box is missing a clip and not popped together all the way. One thing weird is when the car stalls sometimes it cuts back on without restarting it, it will cut off then back on, sometimes it just cuts off.
May 9, 2018 at 3:22 PM
Avatar
PATENTED_REPAIR_PRO
  • CERTIFIED EXPERT
  • 1,853 POSTS
Check the ground G111 located at the right side of engine on the ignition control module bracket for being loose. twist the connection real hard by hand and if it moves any at all, it is too loose.

May 9, 2018 at 3:26 PM
Avatar
RENE1981
  • MEMBER
  • 36 POSTS
How would I tighten it? Or would it need to be replaced ?
May 9, 2018 at 3:31 PM
Avatar
PATENTED_REPAIR_PRO
  • CERTIFIED EXPERT
  • 1,853 POSTS
First just check if it is loose.
If it is not loose, do not worry about it.
There has got to be a code or codes stored in that computer memory, can you have the codes retrieved again? Or tell me the codes you did not mention last time because you said "the car registered some codes one for the purge solenoid" but you never said what the other codes were.
May 9, 2018 at 3:41 PM
Avatar
RENE1981
  • MEMBER
  • 36 POSTS
I apologize it has taken me a while to respond, I currently do not have the paperwork in front of me from AutoZone, the codes were the purge solenoid and the throttle position sensor and mass air flow sensor. My Husband is going to cover all bases this evening and replace the purge solenoid, the throttle position sensor and the mass air flow sensor as well as check that G111 as well, we tried to look last night but I guess I am unsure of what it looks like and the exact location, is there a diagram? Thank you so much for your help again.
May 16, 2018 at 11:16 AM
Avatar
RENE1981
  • MEMBER
  • 36 POSTS
I do not know what to do now! We replaced all that stuff and it still is acting up! I have not checked that wire the G111 is there a diagram to show me what bracket I am suppose to check?
May 17, 2018 at 3:58 PM
Avatar
PATENTED_REPAIR_PRO
  • CERTIFIED EXPERT
  • 1,853 POSTS
Actually I am reading now that G111 that was located at the right side of engine on the ignition control module bracket was for the 3.8l engine, because this is the 3.1l engine G111 is located at lower left front of engine on transaxle stud, left of starter but sorry I have no diagram.
May 18, 2018 at 3:57 PM
Avatar
RENE1981
  • MEMBER
  • 36 POSTS
Thank you that makes sense, I was looking all around and thinking I was missing it. Thank you so much for your help, because my husband is about to loose his cool (lol) with changing parts and it still not acting right.
May 18, 2018 at 4:00 PM
Avatar
RENE1981
  • MEMBER
  • 36 POSTS
Do we check it the same way? By trying to twist it?
May 18, 2018 at 4:37 PM
Avatar
PATENTED_REPAIR_PRO
  • CERTIFIED EXPERT
  • 1,853 POSTS
Yes.
May 18, 2018 at 4:43 PM
Avatar
RENE1981
  • MEMBER
  • 36 POSTS
Update, My husband did not check that wore you recommended he took it to another mechanic and they are telling him it is the computer, I am still not convinced. I read somewhere else about that ground wire by the trans-axle causing a similar problem and to me I sounds more like it could be loose.
May 23, 2018 at 6:45 AM
Avatar
PATENTED_REPAIR_PRO
  • CERTIFIED EXPERT
  • 1,853 POSTS
It cannot hurt to check the ground G111 located at lower left front of engine on trans-axle stud, left of starter.
May 23, 2018 at 7:06 AM
Avatar
RENE1981
  • MEMBER
  • 36 POSTS
Sorry it took so long, but the G111 is got a bare spot as in I see the copper wiring through the black coating. So do we tape it with electrical tape? The wire is not loose it is just bare.
Jun 19, 2018 at 5:55 PM
Avatar
RENE1981
  • MEMBER
  • 36 POSTS
So we wrapped the bare wire in electrical tape, we are driving it to see if fixed. Also, I want to note something; I did not know was the door/trunk indicator light stays on, could that be related or a separate issue,because there is/gas something causing the battery to drain since we purchased it?
Jun 20, 2018 at 4:20 AM
Avatar
RENE1981
  • MEMBER
  • 36 POSTS
When you get a chance can you tell me if I did the correct thing with fixing the bare exposed wire, and if the possible dash light for the door/trunk is the a possible connected issued or a separate issue? I am not positive that the dash light was on when we originally purchased it. Thank you guys so much ya'll have been awesome.
Jun 20, 2018 at 6:38 AM
Avatar
RENE1981
  • MEMBER
  • 36 POSTS
The car is still stalling once it is hot. We still need help.
Jun 20, 2018 at 11:20 AM
Avatar
STRAILER
  • CERTIFIED EXPERT
  • 53,854 POSTS
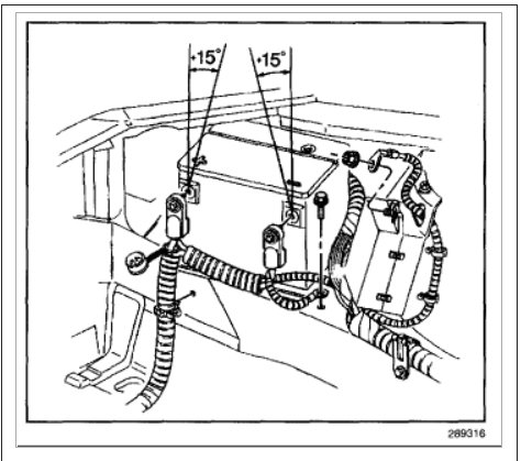
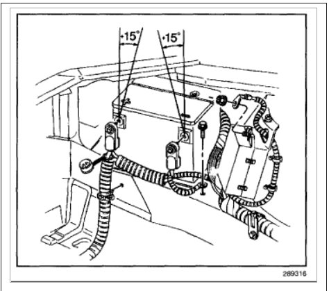
Any exposed wires should be repaired for sure. Are all problems fixed except for the stalling? Is the check engine light on? Also, I have seen on these cars the the positive battery cable shorts out causing the problem you are having.

Here is a guide to help you replace it.

Check out the diagrams (below). Please run this test and get back to us.

Cheers, Ken
Jun 23, 2018 at 12:39 PM
Avatar
RENE1981
  • MEMBER
  • 36 POSTS
The only thing is the stalling after driving for an hour or so, we put electrical tape over the exposed wire. There is no check engine light, the door/trunk light is on and I am not sure what that is on for. When stalling it stalls while driving, stopped, or parked, and it is after an hour of driving. I have read about it could a camshaft sensor, but I also had heard of replacing the battery cord as well.
Jun 23, 2018 at 12:57 PM
Avatar
RENE1981
  • MEMBER
  • 36 POSTS
Thank you for responding. It has been a headache.
Jun 23, 2018 at 1:22 PM
Avatar
RENE1981
  • MEMBER
  • 36 POSTS
Does it still. Sounds like a positive battery cable problem?
Jun 24, 2018 at 7:03 AM
Avatar
PATENTED_REPAIR_PRO
  • CERTIFIED EXPERT
  • 1,853 POSTS
The engine should be warm after five minutes of driving, so I do not think the stalling is temperature related at all or even time related, probably just coincidence.
The best thing to do is hook up as many of these things as possible and take a test drive until it stalls and then immediately look to see if any testers have shown anything wrong but you have even have to catch it just before it stalls so having someone else in the passenger seat to watch all these tools, a tachometer, fuel pressure tester, scan tool with live scanning perhaps the fuel injector voltage, an ignition timing light to watch if spark is lost, a vacuum gauge to check if a sudden loss of engine vacuum is the culprit, which I doubt, a voltmeter to check if maybe the alternator stops working and the battery goes dead, but I doubt that too because if it cranks the starter over after the engine stalls it would not be that, but still you should hook up as many testers as you can get your hands on. You could also move the voltmeter over to any suspected circuits, such as that TPS and MAF and keep an eye on them to see if maybe their is a problem with the power circuit, cause sometime it is not a bad sensor, maybe a wire. If the code is still there or came back for the TPS and/or the MAF, check the ground circuit as well, it should read almost 0 volts hooked to the ground wire and the negative battery post to make sure the engine block and/or that G111 ground is okay. If the voltmeter reads anything over 0.2 volts, that is the amount of voltage you are loosing on the ground circuit. 12 volts on the ground circuit would mean the ground wire is not even hooked up, and let's say the ground voltage read 3 volts, that would mean perhaps the ground cable or ground wire might have broken copper wire strands under the insulation or the ground bolt is loose or the connection rusted, etc.
Here are some: https://goo.gl/QE3hXh
Jun 24, 2018 at 7:30 AM
Avatar
RENE1981
  • MEMBER
  • 36 POSTS
The ground wire, G111 we found with exposed copper wire showing, it is not loose at the trans-axle stud bolt, it just had exposed wire showing about a half inch to inch from where it is secured under bolt on trans axle-stud. We only covered the exposed wire with electrical tape, is that the correct way to repair it? Or should we have done something else?
Jun 24, 2018 at 7:36 AM
Avatar
RENE1981
  • MEMBER
  • 36 POSTS
We have replaced so far:
Ignition control module.
Ignition coil packs.
Mass air flow sensor (and everything else in or around that area).
We had it in the dealer and spent $400.00 for them to tell us it was the ignition control module and once we replaced it, that did not fix the problem. It then had codes for mass air flow sensory and three other sensors which we replaced all of those and everything in that area.
Jun 24, 2018 at 7:40 AM
Avatar
PATENTED_REPAIR_PRO
  • CERTIFIED EXPERT
  • 1,853 POSTS
Did you see any rust on the copper wire strands? If so, that is rust, rust turns copper wire to a greenish color and if so that rust will eventually run the entire length of that wire/cable so if any greenish color is on any expose copper wire strands, replace the entire cable/wire.
Jun 24, 2018 at 7:54 AM