alternator wiring diagram?

1998 DODGE CARAVAN
310,000 MILES • 3.3L • 6 CYL • 2WD • AUTOMATIC
Advertisement
Avatar
ASEMASTER6371
  • CERTIFIED EXPERT
  • 52,796 POSTS
That area is what you said you tapped and the van worked. There is a problem with that connection as it looks like the reason for your issues.

It needs to be checked to see what is failing.

Roy
Sep 21, 2020 at 7:15 PM (Merged)
Avatar
DODGEPODGE
  • MEMBER
  • 111 POSTS
Okay,how about this Roy ? would you have a pin diagram with the pin numbers of the ECM or whatever it is called with the internal regulator ? or is there a procedure to test the voltage regulator with say an ohm meter ?
Sep 21, 2020 at 7:15 PM (Merged)
Advertisement
Avatar
STRAILER
  • CERTIFIED EXPERT
  • 53,854 POSTS
The wiring diagrams show the circuit are the connections melted or what is the problem?
Sep 21, 2020 at 7:15 PM (Merged)
Avatar
DODGEPODGE
  • MEMBER
  • 111 POSTS
well I replaced the black box thing near the alternator with another one. when I removed it. there was a broken tab that connects to the alternator. thought that would fix the problem and it didn't. can the alternator be tested on the vehicle with a volt meter then there must be a way to test the voltage regulator with an ohm meter within the ecm ? but what pins ? if the brushes are totally worn in the alternator would it not throw a charge ? thanks
Sep 21, 2020 at 7:15 PM (Merged)
Avatar
ASEMASTER6371
  • CERTIFIED EXPERT
  • 52,796 POSTS
Okay, start the engine and put the voltmeter on the battery and tell me what the voltage reading is on the Dc scale.

Lets start there.

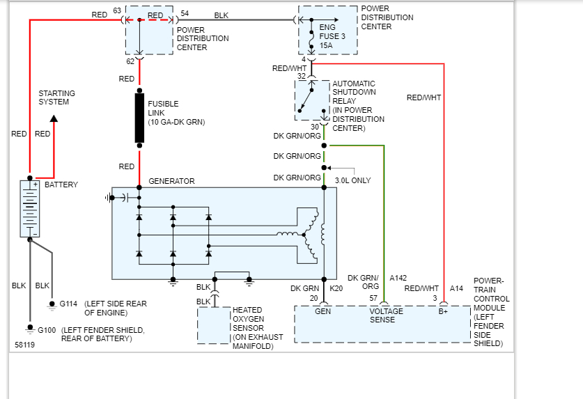
I attached a diagram for you to view. You will use a voltmeter as well to test the ECM control of the regulator.



Roy
Sep 21, 2020 at 7:15 PM (Merged)
Avatar
DODGEPODGE
  • MEMBER
  • 111 POSTS
Okay, i did that. it read 15 volts before starting and the 14. while running. but my voltmeter on the dash is only reading about 12 volts ? whats next? Can you give me a couple tests to run? I don't have my own computer to take out there.
Sep 21, 2020 at 7:15 PM (Merged)
Avatar
ASEMASTER6371
  • CERTIFIED EXPERT
  • 52,796 POSTS
Do you mean 15 volts without the engine running? If you do, then your battery is bad. It should read 12.6 volts. 15 indicates a shorted battery.

Roy

Sep 21, 2020 at 7:15 PM (Merged)
Avatar
DODGEPODGE
  • MEMBER
  • 111 POSTS
I will check it again without the cables hooked up. Could my meter be reading wrong?
Sep 21, 2020 at 7:15 PM (Merged)
Avatar
ASEMASTER6371
  • CERTIFIED EXPERT
  • 52,796 POSTS
No, you check it with the cables attached, engine off. It should be 12.4 to 12.6 volts. If you have more than 13 volts, the battery is shorted.

Roy
Sep 21, 2020 at 7:15 PM (Merged)
Avatar
DODGEPODGE
  • MEMBER
  • 111 POSTS
Okay, i rechecked the battery reads ok. my meter is reading high. don't know why ? i don't know if it can be calibrated ? so can we proceed?
Sep 21, 2020 at 7:15 PM (Merged)
Avatar
ASEMASTER6371
  • CERTIFIED EXPERT
  • 52,796 POSTS
What is the reading? I need the reading?

Roy
Sep 21, 2020 at 7:15 PM (Merged)
Avatar
DODGEPODGE
  • MEMBER
  • 111 POSTS
Well, if my volt meter is 3 volts higher for what ever reason. i calculate 15 minus 3 equals 12... 12 it is. so what do i check next?
Sep 21, 2020 at 7:15 PM (Merged)
Avatar
ASEMASTER6371
  • CERTIFIED EXPERT
  • 52,796 POSTS
You need to get another voltmeter that is accurate.

12.1 volts is a dead battery.

Roy
Sep 21, 2020 at 7:15 PM (Merged)
Avatar
DODGEPODGE
  • MEMBER
  • 111 POSTS
My birthday is coming up.why don't you buy me a new one ? if it was a dead battery? it would not start the car! what is the next step?
Sep 21, 2020 at 7:15 PM (Merged)
Avatar
ASEMASTER6371
  • CERTIFIED EXPERT
  • 52,796 POSTS
You need a good voltmeter to give me accurate readings.

Then we can continue with accurate information.

Roy
Sep 21, 2020 at 7:15 PM (Merged)
Avatar
DODGEPODGE
  • MEMBER
  • 111 POSTS
Sometimes approximate is good enough Roy. We are not talking rocket science here! ya know?
Sep 21, 2020 at 7:15 PM (Merged)
Avatar
ASEMASTER6371
  • CERTIFIED EXPERT
  • 52,796 POSTS
No, I am sorry. Approximate is never good with voltage. Tenths of a volt mean a huge difference in readings.

No we are not but we are talking technical and need exact information in order to help.

Sorry you disagree and think this is easy and simple but that is not the correct way to diagnose properly by getting approximate readings instead of exact readings.

Roy
Sep 21, 2020 at 7:15 PM (Merged)
Avatar
DODGEPODGE
  • MEMBER
  • 111 POSTS
Well Roy, me and my dis-functional meter fixed it. what do you think about that? i have learned to live with dis-function. here is one for ya. have you ever heard the expression "live and learn " ? or how about ? "a friend in need is a friend in deed" so that is that.
Sep 21, 2020 at 7:15 PM (Merged)
Avatar
ASEMASTER6371
  • CERTIFIED EXPERT
  • 52,796 POSTS
Glad you fixed it.

Have a good day.

Roy
Sep 21, 2020 at 7:15 PM (Merged)