Dec 28, 2018 at 6:33 AM
Air conditioner not working
2005 TOYOTA COROLLA
Advertisement
Sounds like a plan.
Yes a plan thank you Roy...
Dec 28, 2018 at 7:52 AM
Advertisement
be careful with degreaser. it is caustic and may actually corrode terminals over time.
Dec 28, 2018 at 7:54 AM
So I put them in the plug holes? Also, can I bring a heater in the car while I work underneath the wheel? Really cold in the garage. I don't want to short out anything if I bring the heater?
Dec 28, 2018 at 11:22 AM
yes, bring the heater and make yourself warm.
yes, in the plug holes
Roy
yes, in the plug holes
Roy
Dec 28, 2018 at 11:36 AM
Roy, thank you again!
Dec 28, 2018 at 1:20 PM
You are welcome.
Roy
Roy
Dec 28, 2018 at 1:22 PM
Update for Roy: Still at it . I was only able to get to only two of the plugs. The middle one of the fuse box is giving me a hard time because of the way I am angled down to the steering wheel, with my head near the pedal. I am still at it! I am thinking it needs a new fuse box, but still at the method of deduction with dielectric greasing those connectors before I reach the conclusion. Meanwhile found some boxes on Ebay , that were cheap. Not going that way yet? It could happen!
Dec 30, 2018 at 9:01 AM
Good. Keep me updated and let me know your progress.
Roy
Roy
Dec 30, 2018 at 9:13 AM
Good news on the blower. i tested the old blower and it work with my probe. I remember what you said about wiggling wires for the fuse box. i had a feeling i should of wiggled the wire to the blower and i did it, but put the old blower back, it worked!
Thank you Roy and 2CarPros. Thanks for telling me about wiggling technique. it is not the fuse. i have hot and cold air now! Thanks for your service! I will ask again for my next project. Thanks Roy.
Thank you Roy and 2CarPros. Thanks for telling me about wiggling technique. it is not the fuse. i have hot and cold air now! Thanks for your service! I will ask again for my next project. Thanks Roy.
Jan 13, 2019 at 11:27 AM
You are very welcome.
We are always glad to help.
Roy
We are always glad to help.
Roy
Jan 13, 2019 at 11:44 AM
Good and bad. Just went out to start the car and the air didn't come on. I know it is that wiring now. I will put some of that grease in the plugs to see what happens. I am sure there is no strong connection between that plug and the blower. We are on it! Feel it!
Jan 13, 2019 at 12:23 PM
Use some dielectric grease for the connections.
Works very well for good connections.
Roy
Works very well for good connections.
Roy
Jan 13, 2019 at 12:34 PM
Do I disconnect the battery terminal again?
Jan 13, 2019 at 1:01 PM
To be safe, yes.
Roy
Roy
Jan 13, 2019 at 2:06 PM
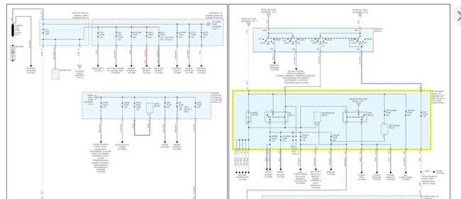
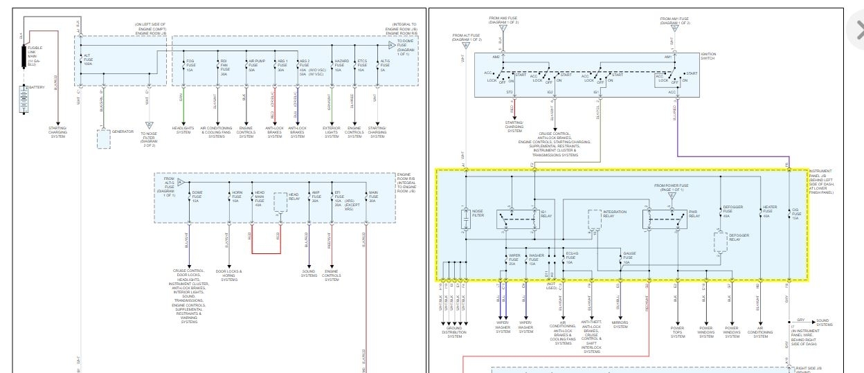
I know it is those plugs now, but I am thinking of new plugs if that is the next scenario. pig plugs connectors. I am wondering if there is a diagram for that. I think we are very close since touching those wires seem to be the case and the old blower worked? I have a power probe that helped power the blowers. I might use it to see which plug is weak? Would you detect that with the car off? Thanks a lot. I feel a lot better now. Close, so close.
Jan 13, 2019 at 4:05 PM
No luck with the de-grease on the pigtails to the blower. It did not show any signs. I was excited when I put back my old one and wiggled the wires and it came on like brand new. It felt good but now back to square one again.
Jan 14, 2019 at 5:02 PM
Is the connector at the fuse block or the blower motor connector?
Roy
Roy
Jan 14, 2019 at 7:50 PM
The connector is at the blower motor. I wiggled that the first time and it worked then after it didn't and today I greased it and no go. Nothing. I have two blowers and they both work, when I put power to them . I don't believe it is the blowers. Something with that line to the blower and plug. I keep thinking fuses again . I could recheck them . Still in limbo. I believe it is that line though? Trying to figure out how I could see more to that line? Thank you Roy
Jan 14, 2019 at 9:02 PM
Check the connector at the blower. It may be the connector itself.
Roy
Roy
Jan 14, 2019 at 9:06 PM
That is what I thought! Actually the plug itself looked a little smashed, not burnt. I was thinking of getting plugs and cutting the part up to the plug and using electrical tape ? I want to test that wire before I make that decision. If that wire is good, that to me would be the plug? What do you think? Also having difficulty buying those plugs. Which types. I might have to take a picture and bring it in to the store or go online. Thank you Roy
Jan 15, 2019 at 7:43 AM
Okay, rule the story of buying correct plugs out! I found connectors that actually fit two of the blowers. If I test the wire and see if it has power , I will cut the plug off and put these two connectors which do work , because I tested them out of the car to the blowers. So now I have to just test that wire. Confused about how to go about testing the wire. Car on or off again! Which device to use? I have a power Probe for continuity. We are getting there. Thank you Roy again.
Jan 15, 2019 at 9:04 AM
Sure, give it a try and see if it works.
Roy
Roy
Jan 15, 2019 at 4:19 PM
I had to rethink my plan for that. Since the blower works, I put power to it , I have a new resister put in, I am thinking , this might be a blower switch problem since the light to the AC is not on? All the others are on. Fuses check out fine but I could redo checking them. I keep thinking blower switch? Thanks Rob.
Jan 20, 2019 at 12:10 PM
If you wiggle the wiring at the motor, what makes you think it is the switch?
Roy
Roy
Jan 20, 2019 at 12:18 PM
I will wiggle it again just to make sure. Car on or car off again when wiggling. I see too many videos with with guys not disabling the terminal. I will disable the terminal and wiggle. If this doesn't work. I am trying to figure out the next step? Thanks Roy
Jan 20, 2019 at 12:30 PM
You will need a voltmeter to verify power. That is the next step.
Roy
Roy
Jan 20, 2019 at 12:36 PM
Have a PowerProbe 3....
Jan 20, 2019 at 12:37 PM
Be careful that you do not power a ground with that or you will burn out modules.
Roy
Roy
Jan 20, 2019 at 12:48 PM
I won't touch the switch power. I also have the screamer with no power switch.
Jan 20, 2019 at 12:52 PM
Then do your test and let me know.
Roy
Roy
Jan 20, 2019 at 12:58 PM
I will get back to you soon! Could you use a test light? I forgot we need to see voltage. Maybe the multi-meter could be the way to go? I have so many tools.
Jan 20, 2019 at 1:01 PM
Yes, a voltmeter would be perfect.
Roy
Roy
Jan 20, 2019 at 1:16 PM



