stuck on defrost why?

2014 CHEVROLET SILVERADO
118,500 MILES • 0.5L • V8 • 4WD • AUTOMATIC
Avatar
DOMENIC FRANCONI
  • MEMBER
  • 1 POST
My truck will not switch from defrost. Do I need to replace the actuator? If so, where is it and what is the part number?
Sep 30, 2019 at 7:11 PM
Advertisement
Avatar
KASEKENNY
  • CERTIFIED EXPERT
  • 18,907 POSTS
Yes. This is a default position for when the mode door fails. This happens because it could be a safety issue if you can't get the defrost on so if this actuator fails there is a spring that will bring it back to the defrost position so that you always have that so the windows fog up.

https://www.2carpros.com/articles/air-vents-stay-in-the-defrost-position

I attached the process for replacement plus the re-calibration process. Let us know what questions you have. Thanks
Nov 30, 2020 at 6:59 PM
Avatar
RICK81
  • MEMBER
  • 1 POST
Well my A/C is stuck on defrost. The high and low are working, the cold and hot is working. But the mode doesn't work. It's stuck on defrost. So I try resetting the fuses and still nothing. so I replaced the mode actuator under the driver's steering wheel. And its still not working. So I left the new one in. I ran some errand and all of a sudden it started to work. Air came out good for the rest of the day. So I woke up the next morning to go to work and it's not working anymore. It's stuck on defrost. Do you think I might have a short? Or is it the climate control?
Apr 30, 2021 at 11:22 AM (Merged)
Advertisement
Avatar
STRAILER
  • CERTIFIED EXPERT
  • 53,854 POSTS
Hello,

It sounds like the HVAC controller is out. here are instructions in the diagrams below to help you replace the unit:

Without Rear Defrost Without ATC Dash Control Unit 25869947 $303.70.

HVAC Control Module Programming and Setup

Each of the following service procedures may require programming or setup procedures to be performed on the HVAC control module or HVAC actuators.

HVAC Control Module Replacement

If the HVAC control module is replaced it must be programmed with the latest operating software and vehicle calibrations. Refer to Service Programming System (SPS). See: Vehicle > Programming and Relearning

HVAC Control Module Reprogramming

Do not reprogram the HVAC control module, unless directed by a service procedure, or a service bulletin.

Reprogram HVAC Control Module-Refer to Service Programming System (SPS). See: Vehicle > Programming and Relearning
Actuator Replacement

If an actuator is replaced, the following procedure must be performed:

* Re-Calibrating Actuators-Refer to Actuator Re-calibration for the manual system. See: Vehicle > Programming and Relearning
* Re-Calibrating Actuators-Refer to Actuator Re-calibration for the automatic system. See: Vehicle > Programming and Relearning

Check out the diagrams (below). Please let us know what happens.
Apr 30, 2021 at 11:22 AM (Merged)
Avatar
BENNY CRIPPEN
  • MEMBER
  • 1 POST
Changed the blend door actuator under the glove box, but the air will still only blow out the defrost. What else would cause this?
Apr 30, 2021 at 11:23 AM (Merged)
Avatar
STEVE W.
  • CERTIFIED EXPERT
  • 15,113 POSTS
Blend door actuator controls air temperature. The mode doors control where the air goes. To get to the mode door actuator you need to remove the drivers side floor duct, the center console, then the center console duct and now you should be able to see the mode door actuator up on the side of the duct box. Remove the electrical connector and the screws, pay attention to the large cam and its position, then remove it.
Install the mode actuator with the actuator cam. Be sure to line up the heater/defroster door and the AC door levers with the slot in the actuator cam as well. This guide can help

https://www.2carpros.com/articles/replace-blend-door-motor

Check out the diagrams (Below). Please let us know if you need anything else to get the problem fixed.
Apr 30, 2021 at 11:23 AM (Merged)
Avatar
CHARLES EAKRIGHT
  • MEMBER
  • 1 POST
I have the truck listed above 1500 LS. On my heat/AC control switch it will not switch out of defrost to any other mode. It is stuck in defrost. I just replaced that whole module for $150.00 so I know it's not the module. Any advice would help. Thanks!
Apr 30, 2021 at 11:24 AM (Merged)
Avatar
ASEMASTER6371
  • CERTIFIED EXPERT
  • 52,796 POSTS
Good afternoon,

I attached the procedure for the mode door actuator for you. That is the most common failure for this issue.

https://www.2carpros.com/articles/replace-blend-door-motor

Roy

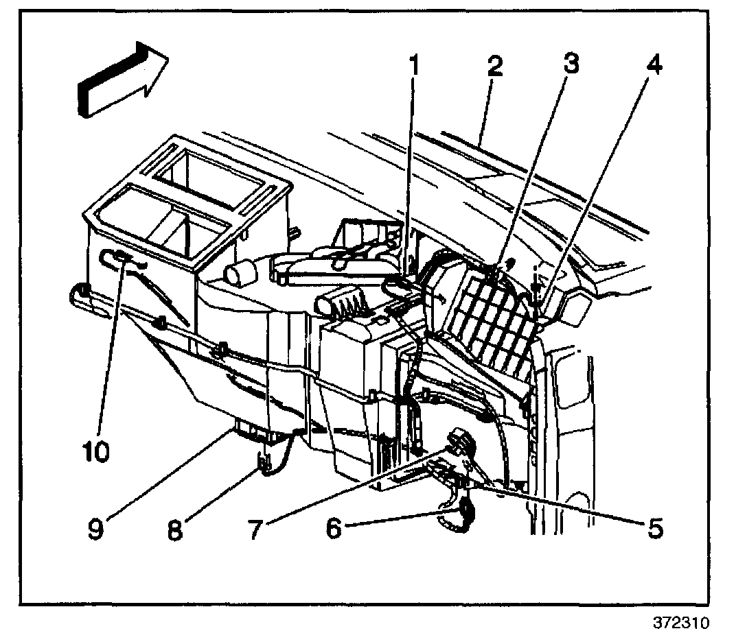
Mode actuator replacement (w/ d07)

Removal procedure



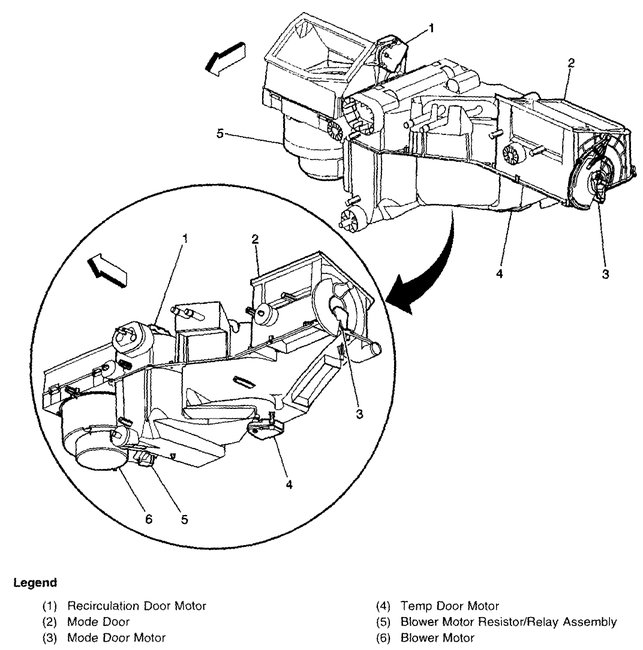
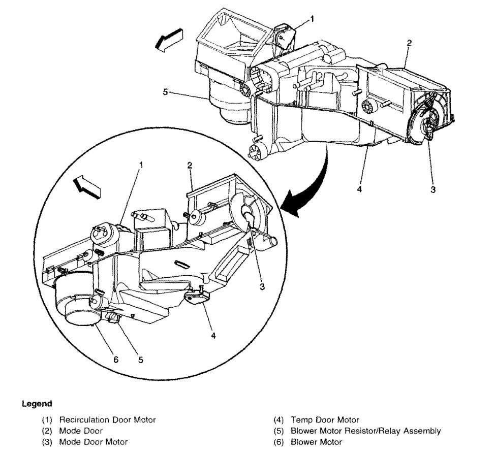
imageOpen In New TabZoom/Print

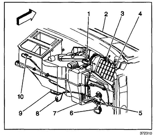
1. Remove the floor air outlet duct extension (1) from the floor duct (2).
2. Remove the center console.
3. Remove the screws from the center console duct.
4. Remove the center console duct.


imageOpen In New TabZoom/Print

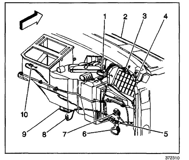
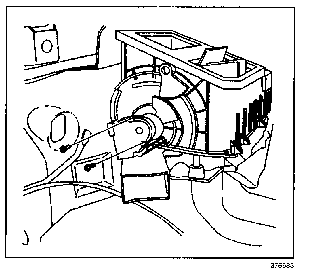
5. Disconnect the electrical connection from the mode actuator (10).


imageOpen In New TabZoom/Print

6. Remove the mode actuator mounting screws from the HVAC module.
7. Remove the mode actuator as an assembly with the actuator cam.
Apr 30, 2021 at 11:24 AM (Merged)
Avatar
MATOEMIS
  • MEMBER
  • 5 POSTS
New actuator new control unit truck still stuck on defrost.
Apr 30, 2021 at 11:25 AM (Merged)
Avatar
JACOBANDNICKOLAS
  • CERTIFIED EXPERT
  • 110,175 POSTS
Welcome to 2CarPros.

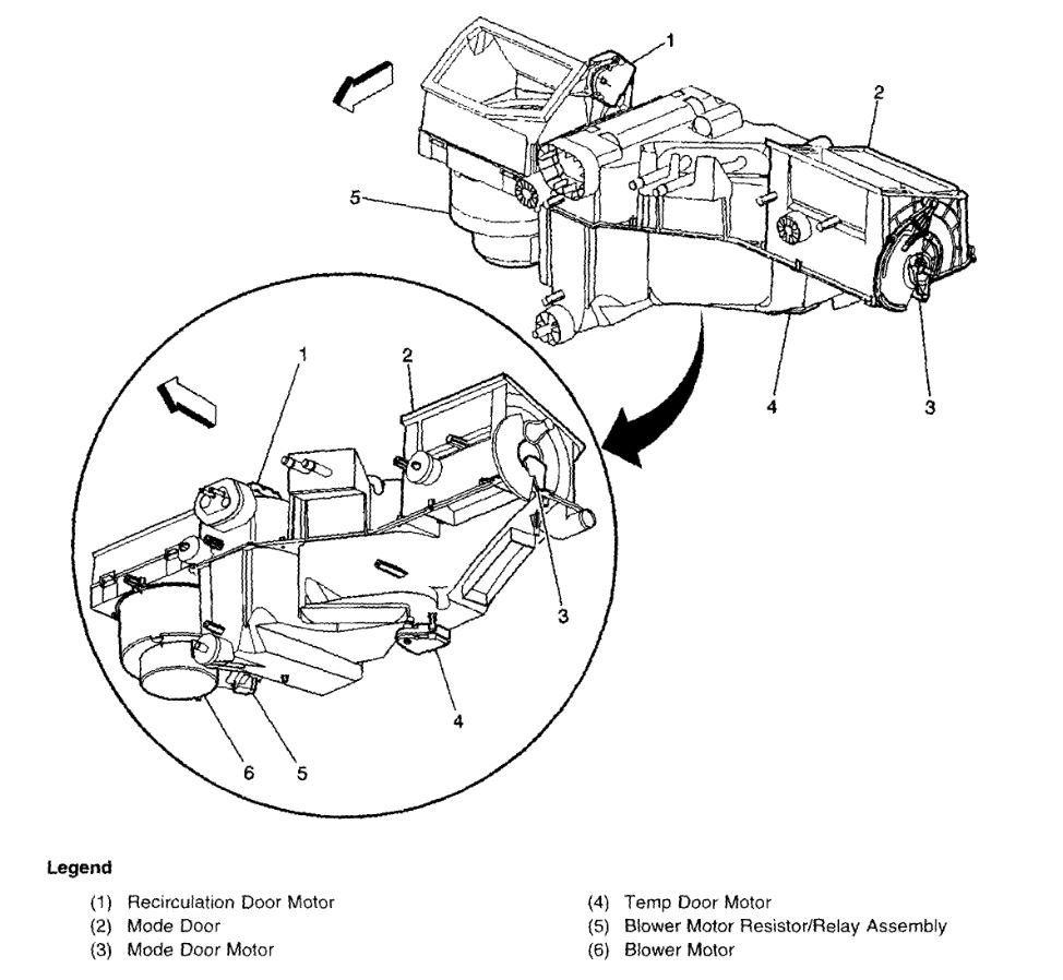
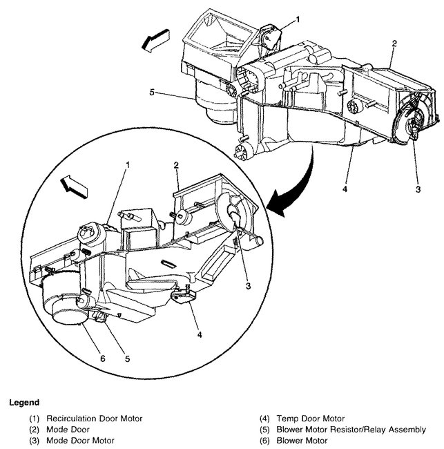
Was it the mode door actuator that was replaced? Now, often times people end up in error replacing the blend air door actuator or even the recirculation door actuator. I attached a picture of the mode actuator which is where the problem lies. Please confirm this is the part you replaced. It is part 10 in picture 1.

I will also need to know if this has automatic climate control or manual.

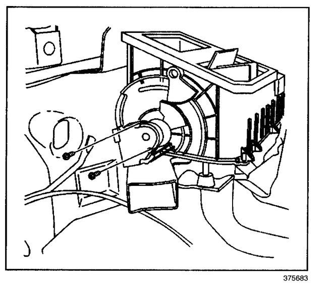
If you replaced the correct one, I need you to look at pic 2. Check the pins indicated in the picture to confirm there is power and ground. Pin allocations are common for both manual and automatic climate control.

If there is no power, next confirm that fuse 2 is good in the left instrument panel fuse box. See picture 3.

I don't know if you need them, but here are a few links you may find helpful:

https://www.2carpros.com/articles/how-to-check-a-car-fuse

Check out the diagrams (Below). Please let us know what happens.

Apr 30, 2021 at 11:25 AM (Merged)
Avatar
MATOEMIS
  • MEMBER
  • 5 POSTS
Replaced #10 driver side. It has power and ground. manual climate controls. A while back It started working fine again for about a week then went back to defrost.
Apr 30, 2021 at 11:25 AM (Merged)
Avatar
MATOEMIS
  • MEMBER
  • 5 POSTS
Pluging my test light in to the ground on that clip i can get it to light on one other wire.
Apr 30, 2021 at 11:25 AM (Merged)
Avatar
JACOBANDNICKOLAS
  • CERTIFIED EXPERT
  • 110,175 POSTS
Welcome back:

It sounds like a connection issue. Which wire does it light on? You should see low voltage from a few wires.

Joe
Apr 30, 2021 at 11:25 AM (Merged)
Avatar
CHRISTINE BROOKS
  • MEMBER
  • 2 POSTS
Heat and cold air only coming out of defrost only no matter what setting it’s on.
Apr 30, 2021 at 11:25 AM (Merged)
Avatar
SCGRANTURISMO
  • CERTIFIED EXPERT
  • 4,897 POSTS
Hello,

This sounds like it could be an actuator that has gone bad. I have included a link for you down below to go to.

https://www.2carpros.com/articles/air-vents-stay-in-the-defrost-position

Please go through this guide to fix your vehicle's problem and get back to us with what you find out.

Thanks,
Alex
2CarPros
Apr 30, 2021 at 11:25 AM (Merged)
Avatar
DERRTYD33
  • MEMBER
  • 1 POST
Hello, i replaced the compressor. the A/C turns on but only blows out of the defrost area not out of the vents. can you help me with this problem?
Apr 30, 2021 at 11:26 AM (Merged)
Avatar
KASEKENNY
  • CERTIFIED EXPERT
  • 18,907 POSTS
This is a different issue then the compressor. This is due to the mode door actuator not operating. The defrost is a safety default so that the windows don't fog up and you can't see.

Here is a guide that covers this issue in more detail:

https://www.2carpros.com/articles/air-vents-stay-in-the-defrost-position

Here is a video on how to replace the blend door actuator on your truck. It is a difference actuator then the mode door but the process is the same.

https://www.youtube.com/watch?v=tY6M92fA2ug

Lastly I attached the location of the mode door actuator for your review so that you can replace it. Let us know if you need more info. Thanks
Apr 30, 2021 at 11:26 AM (Merged)
Avatar
JOSEPHRAM5
  • MEMBER
  • 1 POST
When you turn the A/C on and switch it to blow towards you it does not work, but when you put it to blow for the windshield it works.
Apr 30, 2021 at 11:26 AM (Merged)
Avatar
JACOBANDNICKOLAS
  • CERTIFIED EXPERT
  • 110,175 POSTS
Welcome to 2CarPros.

It sounds like the mode door actuator is bad. Take a look through this link:

https://www.2carpros.com/articles/air-vents-stay-in-the-defrost-position

Here are the directions specific to your vehicle. Picture 1 shows the location of the actuator. I circled it in the pic. Yes, it's up under the dash.

_______________________________________

MODE ACTUATOR REPLACEMENT (W/ D07)
REMOVAL PROCEDURE


pic 2

1. Remove the floor air outlet duct extension (1) from the floor duct (2).
2. Remove the center console.
3. Remove the screws from the center console duct.
4. Remove the center console duct.

pic 3

5. Disconnect the electrical connection from the mode actuator (10).


pic 4

6. Remove the mode actuator mounting screws from the HVAC module.
7. Remove the mode actuator as an assembly with the actuator cam.

INSTALLATION PROCEDURE


pic 5

1. Install the mode actuator as an assembly with the actuator cam.
- Line up the heater/defroster valve lever with the mode actuator cam slot.
- Line up the A/C valve lever with the mode actuator cam.

NOTE: Refer to Fastener Notice in Service Precautions.

2. Install the mode actuator mounting screw to the HVAC module.

Tighten
Tighten the screw to 1.6 N.m (14 lb in).


pic 6

3. Connect the electrical connection at the mode actuator (10).

4. Install the center console duct.
5. Install the screws from the center console duct.

Tighten
Tighten the screw to 1.6 Nm (14 lb in).

6. Install the center console.
7. Install the floor air outlet dud extension (1) to the floor air duct (2).

_________________________________________________

Let me know if this helps or if you have other questions.

Take care,
Joe

Apr 30, 2021 at 11:26 AM (Merged)
Avatar
BARLYPOP65
  • MEMBER
  • 3 POSTS
My A/C only blows out of defrost vents.
Apr 30, 2021 at 11:26 AM (Merged)
Avatar
HMAC300
  • CERTIFIED EXPERT
  • 48,601 POSTS
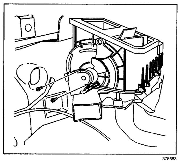
You may have to pull a panel to see it, but look above gas pedal as it is on the heater. See picture item 1 is the floor duct, but try pulling HVAC fuse inside truck first like I said in first reply.
Apr 30, 2021 at 11:26 AM (Merged)
Avatar
BARLYPOP65
  • MEMBER
  • 3 POSTS
I tried pulling the fuse as you stated but A/C continues to blow from A/C defrost vents.
Apr 30, 2021 at 11:26 AM (Merged)
Avatar
HMAC300
  • CERTIFIED EXPERT
  • 48,601 POSTS
Then the actuator is not getting power or the control head has gone bad.
Apr 30, 2021 at 11:26 AM (Merged)
Avatar
BARLYPOP65
  • MEMBER
  • 3 POSTS
Are you talking about the A/C heater control panel?
Apr 30, 2021 at 11:26 AM (Merged)
Avatar
HMAC300
  • CERTIFIED EXPERT
  • 48,601 POSTS
Yes, but it will need to be scanned to see if it is that and giving a code. An auto parts scanner will not get these codes so a mechanic needs to do it.
Apr 30, 2021 at 11:26 AM (Merged)
Avatar
JOSEPH N
  • MEMBER
  • 1 POST
My windshield will not defrost at the top 3- 4 inches despite having the fan on high, however if i crack the window open, it will then defrost. Why????
Apr 30, 2021 at 11:26 AM (Merged)
Avatar
FIXITMR
  • CERTIFIED EXPERT
  • 9,990 POSTS
It sounds like the mode actuator is not working but to be sure check out this guide.

https://www.2carpros.com/articles/replace-blend-door-motor

Please run down this guide and report back.
Apr 30, 2021 at 11:26 AM (Merged)
Avatar
ALEXANDERKERN
  • MEMBER
  • 0 POST
My actuator was stuck on defrost i had to get a new one and it was a little weird to replace but the guide helped. thanks


Apr 30, 2021 at 11:26 AM (Merged)
Avatar
SRUIZ11
  • MEMBER
  • 1 POST
my truck blows air (cold and hot) thought the defroster only
Apr 30, 2021 at 11:26 AM (Merged)
Avatar
WRENCHTECH
  • CERTIFIED EXPERT
  • 20,761 POSTS
There is a series of doors that control air direction. The doors are operated by and electronic actuator that can be bad or the doors can be jammed. You can usually access the actuator and mechanism from under the dash on the driver;s side. http://i1198.photobucket.com/albums/aa448/Wrenchtech/89331532.gif https://www.2carpros.com/images/external/91360057.gif
Apr 30, 2021 at 11:26 AM (Merged)
Avatar
TIM LIPP
  • MEMBER
  • 1 POST
No mater what position I put selector in the heat only comes out of defrost vents. When I switch selector I can hear it trying to switch but air still only comes out of defrost vents.
Apr 30, 2021 at 11:26 AM (Merged)
Avatar
STEVE W.
  • CERTIFIED EXPERT
  • 15,113 POSTS
Welcome to 2CarPros.

Your description sounds like you have either a bad mode cam or the door itself has failed. If you can hear it most likely the actuator itself is working, it just isn't moving the door.
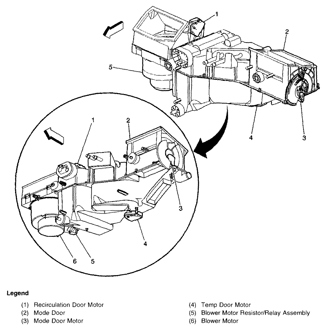
The mode door actuator is on the end of the HVAC unit on the drivers side right above the transmission tunnel. Item 3 in the image. To get to it you remove the floor air duct that blows into the drivers foot well, then look above the outlet for that duct and you will see the actuator and the cams and linkage that move the mode doors for defrost/vent/floor. There is an electrical connector and two screws that secure it. Reach up and change through the modes and see which parts are not moving. The plastic parts get brittle and fail or simply fall apart loose. You can get the complete assembly as shown in the last picture from Rock Auto or a dealer. It includes the cam that tends to break. Sometimes you can glue them back together as well.
Apr 30, 2021 at 11:26 AM (Merged)
Avatar
LISA SCHEY
  • MEMBER
  • 2 POSTS
The defrost is not working. When it is on defrost it blows out the dash vents. I just replaced the blower resister. so all settings are working.
Apr 30, 2021 at 11:27 AM (Merged)
Avatar
STEVE W.
  • CERTIFIED EXPERT
  • 15,113 POSTS
That sounds like a bad mode actuator and cam. The mode actuator is on the drivers end of the HVAC case just above the plastic floor duct over your feet. You remove the duct and the actuator is there. Be sure to line up the heater/defroster valve lever with the mode actuator cam slot and to line up the A/C lever with the mode actuator cam. when you install the replacement part. The plastic piece you see on the last picture is the cam. When the motor moves that moves the various doors to send air to the floor, dash, defrost. I have seen them break open and the door pins come loose from the cam.
Apr 30, 2021 at 11:27 AM (Merged)
Avatar
LISA SCHEY
  • MEMBER
  • 2 POSTS
So I need the cam and the mode actuator both. So is it called a blend door actuator? Are both the same? The one on the drivers side and the one under the glove box? Finally someone who knows what is wrong. Thank you. Your answer makes perfect sense.
Apr 30, 2021 at 11:27 AM (Merged)
Avatar
STEVE W.
  • CERTIFIED EXPERT
  • 15,113 POSTS
The mode door actuator will have the cam on it like the last picture.

The blend door controls the temperature of the air by controlling how much goes through the heater core and is a different part in a different spot.

The part you need to look at is # 3 in the first picture. It is very possible the actuator itself is OK but the levers that connect to the cams are unhooked. If you use a light and look up above the drivers foot well you should be able to see it and watch it move.

Apr 30, 2021 at 11:27 AM (Merged)
Avatar
DEBBIE ELSEN
  • MEMBER
  • 3 POSTS
The vent control fails to change direction of air flow. It is stuck in the defrost vents. Until yesterday the air was ice cold but now blows only hot air no matter where the thermostat is set. Also it started leaking the condensation from the condenser onto the passenger side floorboard as of yesterday. From what I have been reading it says it could be caused by a malfunctioning blend door actuator. How do I know which actuator is malfunctioning and where would it be located? I have found the one on the passenger side by the compressor but have failed to find any others. Not sure where to go from here. Please help! Thank you, Debbie
Apr 30, 2021 at 11:27 AM (Merged)
Avatar
HMAC300
  • CERTIFIED EXPERT
  • 48,601 POSTS
try pulling fuse for HVAC inside truck for sixty seconds with key on that resets actuators. the wet floor board can be a plugged drain which is under truck and can be cleaned by using a coat hanger into it to clear it. I am assuming A/C pipe gets cold under hood. the mode controls direction and blend controls temperature. See picture.
Apr 30, 2021 at 11:27 AM (Merged)
Avatar
DEBBIE ELSEN
  • MEMBER
  • 3 POSTS
I pulled the fuse and the air was still warm but not nearly as warm as it was blowing. After about ten minutes it went back to the same hot air and still has not moved from the defrost vent.
Apr 30, 2021 at 11:27 AM (Merged)
Avatar
HMAC300
  • CERTIFIED EXPERT
  • 48,601 POSTS
Then the mode actuator in picture that I sent earlier is probably bad. It can be reached from drivers side by gas pedal. Also, when you run the A/C feel the large pipe and it should be cool/cold to the touch and maybe dripping water if not then the A/C should be checked for pressure as it may have a leak or low.
Apr 30, 2021 at 11:27 AM (Merged)
Avatar
DEBBIE ELSEN
  • MEMBER
  • 3 POSTS
Okay, thank you very much.
Apr 30, 2021 at 11:27 AM (Merged)