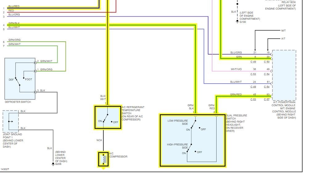
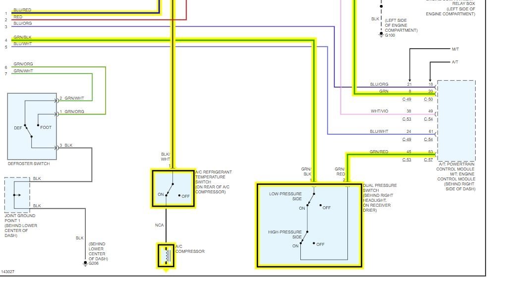
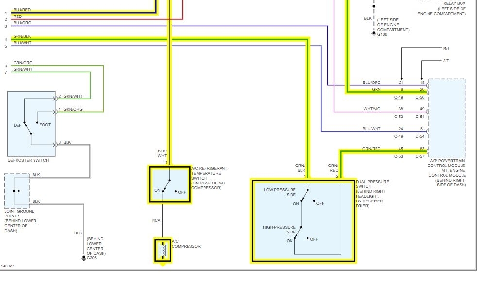
Well, it seems my car problems aren't over just yet. Today on a fairly long drive I noticed my A/C wasn't blowing any colder than the fan. This was strange because it wasn't particularly warm out, probably 75-80 degrees Fahrenheit. It's late and dark so I haven't had a chance to check to see if the compressor is spinning at all. But I noticed that when I turn the A/C or defogger on, there does not appear to be an extra load on the engine and the RPM's don't raise from the IAC. The RPM's just hold steady. At first I figured I just needed more refrigerant since the car is 20 years old and has never been recharged with R-134A. But now that I notice the RPM's no longer adjusting while idling and turning on the A/C, I suspect the A/C compressor or clutch. What do you guys think?
BTW I've been having a very slight overheating issue cropping up while idling or slow moving driving with lots of stops and starts. The thermostat will hover slightly above halfway, then go back down eventually as the fan kicks on I guess. After this happened, the gauge is now filling up a lot more in these circumstances to more like 75%, then coming back down eventually. My question is, does my A/C compressor pulley also run my water pump, and thus the issues could be related? My experience here is I had an A/C compressor go out on my old Saturn years ago (which had lots of noise when the A/C compressor was on BTW, which my current car doesn't have). When it finally stopped working completely, I lost power steering and my car started overheating because the A/C compressor belt ran the power steering and water pump. So I'm curious if they're connected in my car as well.
I'll reiterate here that there are no loud noises, it seems now that the A/C compressor is not engaging at all. I will have to check it and report back tomorrow whether it's spinning or not.
BTW I've been having a very slight overheating issue cropping up while idling or slow moving driving with lots of stops and starts. The thermostat will hover slightly above halfway, then go back down eventually as the fan kicks on I guess. After this happened, the gauge is now filling up a lot more in these circumstances to more like 75%, then coming back down eventually. My question is, does my A/C compressor pulley also run my water pump, and thus the issues could be related? My experience here is I had an A/C compressor go out on my old Saturn years ago (which had lots of noise when the A/C compressor was on BTW, which my current car doesn't have). When it finally stopped working completely, I lost power steering and my car started overheating because the A/C compressor belt ran the power steering and water pump. So I'm curious if they're connected in my car as well.
I'll reiterate here that there are no loud noises, it seems now that the A/C compressor is not engaging at all. I will have to check it and report back tomorrow whether it's spinning or not.
May 30, 2020 at 11:02 PM















