gauge cluster not working?

2008 DODGE RAM
292,301 MILES
Advertisement
Avatar
STRAILER
  • CERTIFIED EXPERT
  • 53,854 POSTS
Hey TERRY,

I found a wiring diagram for you, please test for twelve volts at the fuses and check for the power output at the ignition switch.

Here is a guide and diagram to help you get the problem fixed.

https://www.2carpros.com/articles/how-to-use-a-test-light-circuit-tester


Please run some tests and get back to us so we can continue helping you.

Best, Ken
Jun 23, 2020 at 2:34 PM (Merged)
Avatar
BIGGBLUE95
  • MEMBER
  • 1 POST
I have the 1500 model and the instrument cluster gauges do not work. it does not light up, only when I turn the headlights on the headlight indicator lights up on the cluster. All the fuses are good except the illumination fuse, it has no power on either side but the fuse is good. The truck does start and run. Tries the cluster test and it does not do anything.
Jun 23, 2020 at 2:34 PM (Merged)
Advertisement
Avatar
STRAILER
  • CERTIFIED EXPERT
  • 53,854 POSTS
Hello,

It sounds like a bad connection at the cluster, remove the unit and unplug it, then plug it back in again, this should clean the connection.

Please let us know what happens.

Cheers, Ken
Jun 23, 2020 at 2:34 PM (Merged)
Avatar
DAVEYSTICK
  • MEMBER
  • 1 POST
My gauges are not wotrking and the od, reads No Bus. Truck runs fine, power windows,radio, blower motor all works. Fuses are good. There were no code to read. What do you think?
Jun 23, 2020 at 2:34 PM (Merged)
Avatar
JACOBANDNICKOLAS
  • CERTIFIED EXPERT
  • 110,175 POSTS
the "no bus" indicates there is no signal coming from the computer to the dash. There must be a bad connection ora broken wire.
Jun 23, 2020 at 2:34 PM (Merged)
Avatar
CAMEL66
  • MEMBER
  • 2 POSTS
2000 Dodge Ram 3500 Quad cab dually 2wd, automatic with 204000 miles on it and the instrument cluster quits working and the odometer reading indicates "no bus" this has happened before and dodge told me the contacts where dirty and just needed cleaned. Since then I have tried to fix this problem myself but not sure why it isn't working for me. Any suggestions as to what this is and how to fix it instead of putting a band-aid on it?
Jun 23, 2020 at 2:34 PM (Merged)
Avatar
E40WATER12
  • CERTIFIED EXPERT
  • 522 POSTS
Sounds to me youre speedo cluster has failed, I would try the local wrecking yard if they have one, It will be alot cheaper then the dealer.
Jun 23, 2020 at 2:34 PM (Merged)
Avatar
CAMEL66
  • MEMBER
  • 2 POSTS
would that take care of all the problems with all gauges not working including my center console on ceiling not wanting to work also it shows me a CCD on the digital readout and none of the other gauges work either?
Jun 23, 2020 at 2:34 PM (Merged)
Avatar
RAMMAN98
  • MEMBER
  • 2 POSTS
I just changed the left head (driver side) and now my truck won't start. It has great ground. The gauges will not work and my fuel pump won't kick on. I checked the fuses and they are good. Rechecked that I hooked everything up to the engine and I did. Can you help me?
Jun 23, 2020 at 2:34 PM (Merged)
Avatar
CARADIODOC
  • CERTIFIED EXPERT
  • 34,306 POSTS
At what point are you expecting the fuel pump to run? What are you doing and how are you determining the pump isn't running? Have you checked for spark?
Jun 23, 2020 at 2:34 PM (Merged)
Avatar
RAMMAN98
  • MEMBER
  • 2 POSTS
The pump should turn on for about 20 seconds when the key is turned on. I have not checked for spark. There is power going to the coil packs though.
Jun 23, 2020 at 2:34 PM (Merged)
Avatar
CARADIODOC
  • CERTIFIED EXPERT
  • 34,306 POSTS
You have the right idea but 20 seconds is way too long. The automatic shutdown (ASD) relay turns on for just one second after turning the ignition switch on, then again during engine rotation, (cranking or running).

The ignition coil(s), injectors, alternator field, oxygen sensor heaters, and fuel pump or pump relay are powered from that relay. Often you can hear the fuel pump run for that one second but it can be easier to monitor the voltage at the ignition coil. Use a test light if you have one because most digital voltmeters don't respond fast enough.

What's important is if that voltage comes back during cranking. If it does, you have a spark or a fuel supply problem. Most commonly it doesn't come back. The usual cause is a missing signal from the crankshaft position sensor or the camshaft position sensor. You didn't say which engine you have but since you mentioned coil packs you don't have a camshaft position sensor in a distributor. Given the recent service I'd be looking at the wires and connector to the crank sensor. It's right behind the right head in the transmission bell housing.

Be aware too that if you have spark and fuel pressure, you can have a failure to start simply from disconnecting the battery. The Engine Computer has to relearn "minimum throttle" before it will know when to be in control of idle speed. Until then you may need to hold the accelerator down 1/4".
Jun 23, 2020 at 2:35 PM (Merged)
Avatar
DOUGININDIANA
  • MEMBER
  • 2 POSTS
I have a 1992 Dodge D250 pickup. The previous owner told me that the instrument cluster and cruise went out when he hit a bump. If there was one wire that would cause the entire instrument cluster to go out, what would that wire be? How would that wire be color coded? I have additional computers to try if that one is bad.

Where can I go for mechanical gauges and instructions on how to install them? How can I make my cruise control work?
Jun 23, 2020 at 2:35 PM (Merged)
Avatar
JDL
  • CERTIFIED EXPERT
  • 16,098 POSTS
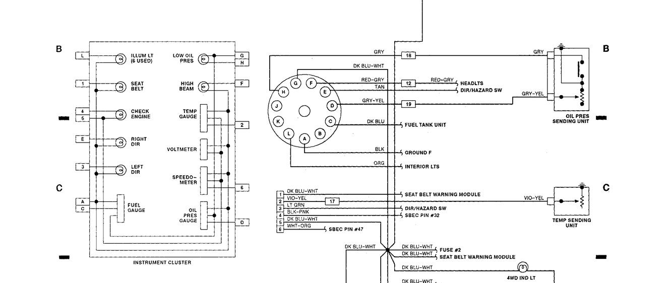
At the instrument cluster connector, check voltage and ground. Wiring info below. In the diagram, the circle has letters for cluster pins. Below that, vertical numbers 1 through 6. Any circuit that says fuse, check for voltage. The circuit that says ground, check for a good ground.
Jun 23, 2020 at 2:36 PM (Merged)
Avatar
DOUGININDIANA
  • MEMBER
  • 2 POSTS
Thank you very much. I will pass this along. The guy working on it hasn't got a computer signal yet. I do have an ammeter, but an outside voltage regulator has been installed. Still don't have speedometer, temp, cruise, or odometer. If it was a computer problem, what else would not work? I've heard that the heater controls and transmission are computer controlled too. I think mechanical gauges are the way to go. Know of anyone that has a complete conversion kit?
Thanks again,
Doug in Indiana
Jun 23, 2020 at 2:36 PM (Merged)
Avatar
JDL
  • CERTIFIED EXPERT
  • 16,098 POSTS
The instrument cluster isn't controled by the computer.

You may have to check voltage and grounds at the computer? Some of your sensors use a ref voltage about 5 volts, The ref voltage comes from computer. An example, key on, check for ref voltage at the throttle position sensor. If nothing there check voltage and ground at computer. Don't know about a conversion kit?
Jun 23, 2020 at 2:36 PM (Merged)