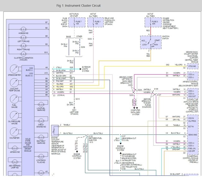
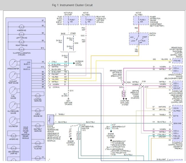
My gauge cluster doesn't work. It lights up and i have my tach and thats it. No other gauges work. Ive been chasing wires with wiring diagrams so find broken wires and i haven't found any. Im thinking the ECM (the one on the driver side of the block might be the culprit but im not positive and do not want to spend a bunch more money without finding out for sure
Sep 27, 2012 at 6:25 PM



