Will not start

2004 PONTIAC GRAND PRIX
77,000 MILES • 6 CYL • 4WD • AUTOMATIC
Avatar
DESIGRIMES123
  • MEMBER
  • 6 POSTS
Battery is good, headlights work, radio plays but car will not start. Took battery off and had it checked and was good. sometimes before this happened when i would normally start the car i would have to give it gas to start it but then it would normally work with no problem.
Jan 6, 2011 at 3:49 PM
Advertisement
Avatar
JDL
  • CERTIFIED EXPERT
  • 16,098 POSTS
Are you saying it cranks good but will not start or it will not even crank? What about your security system? When you try to start, is there a message on your driver information center?
Jan 6, 2011 at 5:37 PM
Avatar
DESIGRIMES123
  • MEMBER
  • 6 POSTS
Will not start, will not crank.
Jan 6, 2011 at 9:18 PM
Advertisement
Avatar
JDL
  • CERTIFIED EXPERT
  • 16,098 POSTS
You need to figure some way to rule out your security system. I can crank it for you, but, if security issue, it still will not start. Repeating the issue, does not help anything, you need to work with me.
Jan 6, 2011 at 9:40 PM
Avatar
DESIGRIMES123
  • MEMBER
  • 6 POSTS
I can hear a clicking noise when you start it up.
Jan 7, 2011 at 3:19 PM
Avatar
JDL
  • CERTIFIED EXPERT
  • 16,098 POSTS
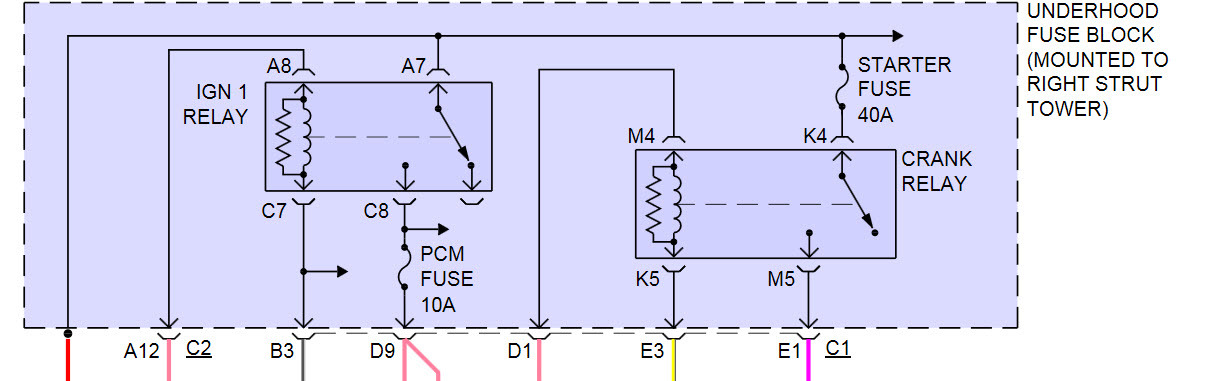
Remove the starter relay, under-hood fuse box. Make sure the transmission is in park or neutral and the e-brake is set. Use a jumper wire between terminals K4 and M5 in the diagram. The starter should crank. If it cranks but will not start, it may be the security system. I cannot diagnose the security system from here.
Jan 7, 2011 at 4:03 PM
Avatar
DESIGRIMES123
  • MEMBER
  • 6 POSTS
okay, will try. are you talking using jumper cable between k4 and m5?
Jan 7, 2011 at 5:47 PM
Avatar
JDL
  • CERTIFIED EXPERT
  • 16,098 POSTS
No not jumper cables, a 14 gage automotive wire should work fine, small piece.
Jan 7, 2011 at 7:27 PM
Avatar
DESIGRIMES123
  • MEMBER
  • 6 POSTS
I guess that i can buy that wire at AutoZone.
Jan 7, 2011 at 8:31 PM
Avatar
JDL
  • CERTIFIED EXPERT
  • 16,098 POSTS
You do not have a small piece laying around? Walmart, AutoZone, any of those places should have it.
Jan 7, 2011 at 8:55 PM
Avatar
WILLIAMS1633351
  • MEMBER
  • 3 POSTS
Jumper wire k4 to m5, starter clicks no crank.
Dec 10, 2015 at 2:45 PM
Avatar
KGGGKD
  • MEMBER
  • 1 POST
Hello, I have a 2004 Grand Prix that I am having problems with. I will try to tell you every problem that I know so maybe I can narrow it down or try not to leave out anything out. The car will not start or hit a lick. I put the key in the ignition and the motor will not crank or anything. The lights come on the dash when key is turn to ACC or On position. And the gauges will go all the way forward and then go back to normal spot when you turn the key to try to start it. I have check the battery which is fine. I tried a different battery actually and still no luck. I crossed wired the starter and it appears to be fine. I see no Security Light flashing as a common problem with the Grand Prix from what I read. So any ideas to try would be great.Thanks in advanced!

Apr 29, 2019 at 7:52 PM (Merged)
Avatar
HMAC300
  • CERTIFIED EXPERT
  • 48,601 POSTS
try resetting security system first then check fuses under hood and starter relay see pic. This guide can help as well

https://www.2carpros.com/articles/car-cranks-but-wont-start


and

https://www.2carpros.com/articles/how-to-reset-a-security-system


Please run down these guides and report back.


Apr 29, 2019 at 7:52 PM (Merged)
Avatar
REY-GTS
  • MEMBER
  • 1 POST
I had this problem and had to get a new fuel pump cost me 143.00 for the part! all fixed
Apr 29, 2019 at 7:52 PM (Merged)
Avatar
KORITADAVIS
  • MEMBER
  • 1 POST
Electrical problem
2004 Pontiac Grand Prix 6 cyl Automatic 95k miles

I recently replaced the starter on my 2004 grand prix and i had the battery and alternator checked and they were both good but my car still won't turn over. What else could it be?
Apr 29, 2019 at 7:52 PM (Merged)
Avatar
RASMATAZ
  • CERTIFIED EXPERT
  • 75,992 POSTS
but my car still won't turn over,Dunno if its cranking over and w/n start or just plain nothing when you hit the key

Get a helper disconnect a sparkplug wire or 2 and ground it to the engine at least 3/16 away from ground -have helper crank engine over-do you have a snapping blue spark? If so-you have a fuel related problem, check the fuel pressure to rule out the fuel filter/fuel pump/pressure regulator and listen to the injector/s are they pulsing or hook up a noid light. No snapping blue spark continue to troubleshoot the ignition system-power input to the coil/coil packs,coil's resistances,distributor pick-up coil, ignition control module, cam and crank sensors and computer Note: If it doesn't apply disregard it.

No crank at all/nothing/nada:

Could be the starter, starter relay, park and neutral switch/clutch switch and ignition switch assuming the battery and connections are good
Apr 29, 2019 at 7:52 PM (Merged)
Avatar
DESIGRIMES123
  • MEMBER
  • 6 POSTS
my car wont do anything when you try to start it. the headlights and radio works, the battery is good but the car wont start or crank. could it be my starter that needs to be replaced. usually i would have to pump the gas in order to start the car first thing in the morning but now it is doing anything.
Apr 29, 2019 at 7:52 PM (Merged)
Avatar
JDL
  • CERTIFIED EXPERT
  • 16,098 POSTS
It can be the starter here is a guide to confirm.

https://www.2carpros.com/articles/starter-not-working-repair

Please run down this guide and report back.
Apr 29, 2019 at 7:52 PM (Merged)
Avatar
JONNIED25
  • MEMBER
  • 1 POST
car wont start when starting cold? could it be spark plugs they are original? and i have a p0455 emission leak and losing gas when driving according to gauge? car is a 2004 pontiac grand prix gt2
Apr 29, 2019 at 7:52 PM (Merged)
Avatar
RASMATAZ
  • CERTIFIED EXPERT
  • 75,992 POSTS
https://www.2carpros.com/articles/car-cranks-but-wont-start

Get a helper disconnect a sparkplug wire or 2 and ground it to the engine atleast 3/16 away from ground-have helper crank engine over-do you have a snapping blue spark? If so-you have a fuel related problem, Do you hear the fuel pump come On when you turn key on? If not check fuel pump fuse and fuel pump relay if okay-check the fuel pressure to rule out the fuel filter/fuel pump/pressure regulator and listen to the injector/s are they pulsing or hook up a noid light. No snapping blue spark continue to troubleshoot the ignition system-power input to the coil/coil packs,coil's resistances,cap and rotor,distributor pick-up coil, ignition control module, cam and crank sensors and computer Note: If it doesn't apply disregard it and keep testing
Apr 29, 2019 at 7:52 PM (Merged)
Avatar
DMHOLLAND06
  • MEMBER
  • 4 POSTS
I just got my car a week ago and already it is causing me problems. The car will usually start up in the morning with no problems, but if I drive it and then park it and let it sit for about 30 minutes, it takes a couple pumps of the gas pedal to get it started. The engine turns over fine. I was thinking maybe it was the fuel injectors because it seems to hesitate everytime I start it. I did have a drain on the battery but that has been taken car of I am not sure what is going on now.
Apr 29, 2019 at 7:52 PM (Merged)
Avatar
ISLAND_PRIDE71
  • MEMBER
  • 62 POSTS
Check your fuel pressure make sure it's within specs and comeback and give me the readings.
Apr 29, 2019 at 7:52 PM (Merged)
Avatar
RTERSTEGGE
  • MEMBER
  • 2 POSTS
This question was prev. asked by someone else. I have the same problem. Prev. answer said to check fuel pressure & get back to him. How do I check the fuel pressure?
Apr 29, 2019 at 7:52 PM (Merged)
Avatar
ISLAND_PRIDE71
  • MEMBER
  • 62 POSTS
You need a fuel pressure tester, hook it up on the fuel rail test port turn key to run and record pressure then start car record the running pressure
Apr 29, 2019 at 7:52 PM (Merged)
Avatar
WILLIAMS1633351
  • MEMBER
  • 3 POSTS
2004 Grand Prix was running fine until one day no crank no start just click.I check the battery, battery was good 12.4 volts I went out a few days later to mess with the car and it fired right up so I shut it down try it again same thing no crank no start. so I figured it was the starter pulled the starter checked it with a set of jumper cables appendix would pop out but no spin so i replaced the starter same thing no crank no start just click. so at this point I removed the crank relay and put a jumper wire from K4 to m5. Same thing no crank no start just click
Apr 29, 2019 at 7:52 PM (Merged)
Avatar
DMHOLLAND06
  • MEMBER
  • 4 POSTS
I previously asked this question, and I tackled the project my self and looked up on the internet how to clean your throttle body in your car and honestly it is very simple even for someone like me who had no idea a throttle body even existed, just look it up (I used the Mobil directions). I cleaned it out and now my car runs like brand new. I hope this works for you. Also if it does work I suggest using the STP GumOut additive to your gas tank to prevent build up again in the engine.
Apr 29, 2019 at 7:52 PM (Merged)
Avatar
MIKE H R
  • CERTIFIED EXPERT
  • 3,094 POSTS
check the battery cables, so9metimes they can look ok but not making a good connection. If one has some corrosion on it the best thing is to clean both of them
Apr 29, 2019 at 7:52 PM (Merged)
Avatar
WILLIAMS1633351
  • MEMBER
  • 3 POSTS
Clean them up and snuged them back down did the same thing I left the key on this time in the car's computer read charging system failure any ideas on what this could be? ? the ground clamp terminal is a funky set up and doesn't look like its getting a good connection so I put some vice grips on it tightened it back down same thing...
Apr 29, 2019 at 7:52 PM (Merged)
Avatar
MIKE H R
  • CERTIFIED EXPERT
  • 3,094 POSTS
I have seen even new parts be bad. Bench test the starter. Check the battery wire even though it might get 12 volts there may be a break or deterated wire that would let limited voltage through the wire.
Apr 29, 2019 at 7:52 PM (Merged)
Avatar
LDAO1
  • MEMBER
  • 1 POST
Electrical problem
2004 Pontiac Grand Prix 6 cyl Two Wheel Drive Automatic

I have a 2004 pontiac grand prix. The problem started 2 days ago. It started after I had coolant put into my car because the coolant light was getting coming on and the car was starting to run hotter than usual. Afterwards as I was driving home I hit a big puddle, due to excessive rain. Since then I have been having trouble starting up the car. The battery is fully charged and has been checked. But when i get in the car and insert the key into the ignition the power system seems fine, but when I go to crank the car up everything dies on me. I'm not sure what could be causing this issue.
Apr 29, 2019 at 7:52 PM (Merged)
Avatar
2CARPRO JACK
  • CERTIFIED EXPERT
  • 11,533 POSTS
If the whole car goes dead, check the connections at the battery and starter to be sure they are clean and tight
Apr 29, 2019 at 7:52 PM (Merged)
Avatar
ANGIEDJ82
  • MEMBER
  • 1 POST
My car is locking on its own...lights going on etc. And when i start it it idles hard and when i step on the gas it takes a while for it to kick in..like fuels not getting to it properly? lags when i first start up and when i step on the gas. Could this be fuel pump or computer since its messing with electrical things as well?
Apr 29, 2019 at 7:52 PM (Merged)
Avatar
MMPRINCE4000
  • CERTIFIED EXPERT
  • 8,548 POSTS
Have the battery tested at most autoparts stores, voltage may be low and doors are locking because of it.

If you do not have a check engine light, jave fuel pressure tested with mechanical gauge.
Apr 29, 2019 at 7:52 PM (Merged)
Avatar
OUHOGFAN
  • MEMBER
  • 1 POST
I have a 2004 Grand Prix GT 3.8 V6 auto trans. First thing in the morning it starts fine. I can drive across town shut it off and try to restart it immediately and it wont start. All electronics on dash and radio will all come on but when I turn the ignition its like there is no connection at all. No clicking of the starter or anything. After it sits for 2 or 3 hrs I can go out and it will turn over but wont start right away. After I try to start it a couple of times I can stop for a couple of minutes and then it will start right up. I can drive it back home, park it and go through the exact same thing again. It is very consistant and will do the same thing every time. Have not tried anything yet except jumper cables just to make sure it wasnt battery problem. Any ideas will help.
Apr 29, 2019 at 7:52 PM (Merged)
Avatar
BMRFIXIT
  • CERTIFIED EXPERT
  • 19,053 POSTS
Check for a security light
if on and blinking
and if so its the ignition switch




Apr 29, 2019 at 7:52 PM (Merged)
Avatar
ALXERA
  • MEMBER
  • 4 POSTS
hi there im new to this website and i would like to know what i am doing wrong. I have found the 12V constant for the push button and i also found the starter wire but when i wire it all up and put the key in on position and push the button the car does not start. however when i turn the key hold it there while pressing the button the car starts. what can i do to just be able to push the button which is what i bought it for. pls respond any solutions thank you vry much- alxer
Apr 29, 2019 at 7:52 PM (Merged)
Avatar
RASMATAZ
  • CERTIFIED EXPERT
  • 75,992 POSTS
Wire it direct from the positive post of the battery run it thru the push button and straight to the small terminal that has the purple wire on the starter solenoid
Apr 29, 2019 at 7:52 PM (Merged)
Avatar
ALXERA
  • MEMBER
  • 4 POSTS
where is the location of the starter solenoid on a 2004 grand prix
Apr 29, 2019 at 7:52 PM (Merged)
Avatar
RASMATAZ
  • CERTIFIED EXPERT
  • 75,992 POSTS
If you follow the battery positive cable you'll run right into it
Apr 29, 2019 at 7:52 PM (Merged)
Avatar
ALXERA
  • MEMBER
  • 4 POSTS
i would also like to add that my grand prix has a pass-key 3 system will ur solution still work?
Apr 29, 2019 at 7:52 PM (Merged)
Avatar
CHANC2286
  • MEMBER
  • 1 POST
When I attempt to start my vehicle it seems to start fine but then immediatley idles all the way down and dies. If I press the accelerator while starting I can "fight through" the reduction in RPM and the vehicle runs great from then on. Never stalls or misses once it's running.
Apr 29, 2019 at 7:52 PM (Merged)