My air conditioner is not working?

2003 CHEVROLET SILVERADO
123,000 MILES
Advertisement
Avatar
ASEMASTER6371
  • CERTIFIED EXPERT
  • 52,796 POSTS
Pin 30 is constant 12 volts.

Pin 86 for the control side of the relay has power with the key on.

Roy
Apr 30, 2021 at 1:32 PM (Merged)
Avatar
OLDGUYMECHANIC65
  • MEMBER
  • 17 POSTS
I checked the fuses and the relay for power. Both fuses are good. Relay is getting constant 12v power with key off. With key on its getting voltage but not quite 12 volts. Low pressure switch is still not getting power. Here's a picture of voltage with the key on. I checked all fuses just to be safe. All checks out good.
Apr 30, 2021 at 1:32 PM (Merged)
Advertisement
Avatar
ASEMASTER6371
  • CERTIFIED EXPERT
  • 52,796 POSTS
Your battery is just about done. I would charge the battery.

https://www.2carpros.com/articles/how-to-charge-your-car-battery

You should have 2 terminals with battery voltage with the key on.

Can you confirm?

Roy

Apr 30, 2021 at 1:32 PM (Merged)
Avatar
OLDGUYMECHANIC65
  • MEMBER
  • 17 POSTS
Would that stop A/C from working? Charging system reaches 14 5 volts with nothing on and 13.6 with everything on. So charging system is working.
Apr 30, 2021 at 1:32 PM (Merged)
Avatar
OLDGUYMECHANIC65
  • MEMBER
  • 17 POSTS
I replaced the compressor relay that fixed it thank you.
Apr 30, 2021 at 1:32 PM (Merged)
Avatar
WILLSHANE50
  • MEMBER
  • 2 POSTS
so my a/c compressor has not been able to engage. it has a great amount of refrigerant but when i pass current and stick a piece of wire on this plastic it starts to engage for about a minute until the a/c fuse burns out. do you think i need a new one of these plastic things? it looks fried up in my opinion. if so would the issue be an electrical issue or a compressor issue.
Apr 30, 2021 at 1:32 PM (Merged)
Avatar
WRENCHTECH
  • CERTIFIED EXPERT
  • 20,761 POSTS
If the compressor is blowing the fuse, then you need a new compressor.

Check out this guide

https://www.2carpros.com/articles/car-air-conditioner-not-working-or-is-weak

Please run down this guide and report back.
Apr 30, 2021 at 1:32 PM (Merged)
Avatar
WILLSHANE50
  • MEMBER
  • 2 POSTS
hmm, even if the wiring is not that great, i wish i could take a pic of the wiring under the hood, its messed up some wires are exposed and have a direct current.
Apr 30, 2021 at 1:32 PM (Merged)
Avatar
WRENCHTECH
  • CERTIFIED EXPERT
  • 20,761 POSTS
Obviously, if you have bare wires, that has to be resolved first.
Apr 30, 2021 at 1:32 PM (Merged)
Avatar
RCUPS
  • MEMBER
  • 2 POSTS
stopped blowing cool air when using the AC. It just blows warm air that has not been cooled . I noticed the AC compressor does not appear to be engaging when the AC is switched on. I have checked all the fuses and they appear to be good. What could be going on here? Sould like an electrical problem of some sort.
Apr 30, 2021 at 1:33 PM (Merged)
Avatar
JACOBANDNICKOLAS
  • CERTIFIED EXPERT
  • 110,175 POSTS
It could be a few electrical components, AC clutch, cycle switch... It could also have lost freon. If it is too low, the compressor won't turn on. What I would start with is this. Start the engine and turn the AC on. Disconnect the wire going to the compressor clutch and see if there is any power to it. If there is, the clutch is bad. If there is no power, then I recommend having the freon pressure tested.

Let me know what you find.

Joe
Apr 30, 2021 at 1:33 PM (Merged)
Avatar
RCUPS
  • MEMBER
  • 2 POSTS
Joe, Thanks for the advice. I tested the wires going the the compressor clutch and sure enough there was no juice getting that far. Just as I was getting ready to take it to a shop, I looked under the hood and discovered that the switch connection back by the condensor(against the firewall) was disconnected I plugged it back in and the AC cranked right up when I turned it on. It was weird how this connector could have come off because no one had been under the hood to loosen it and it has a little click style keeper to keep it attached. At least it is working now. Thanks again, Rodger.
Apr 30, 2021 at 1:33 PM (Merged)
Avatar
JACOBANDNICKOLAS
  • CERTIFIED EXPERT
  • 110,175 POSTS
Great! I'm glad it's fixed. A shop would have charged you at least a hundred dollars and not found the problem. Good job!

In the future, let us know if you have questions, and thanks for using 2carpros.com.

Joe
Apr 30, 2021 at 1:33 PM (Merged)
Avatar
1REDTRUCK
  • MEMBER
  • 1 POST
I can not get power to the a/c compressor clutch. unit has plenty of freon , I changed the cycling switch,but can not find the a/c compressor clutch relay to check to see if it is getting power. Does anyone have an ideal? it is not on the firewall.
Apr 30, 2021 at 1:33 PM (Merged)
Avatar
STRAILER
  • CERTIFIED EXPERT
  • 53,854 POSTS
Hello,

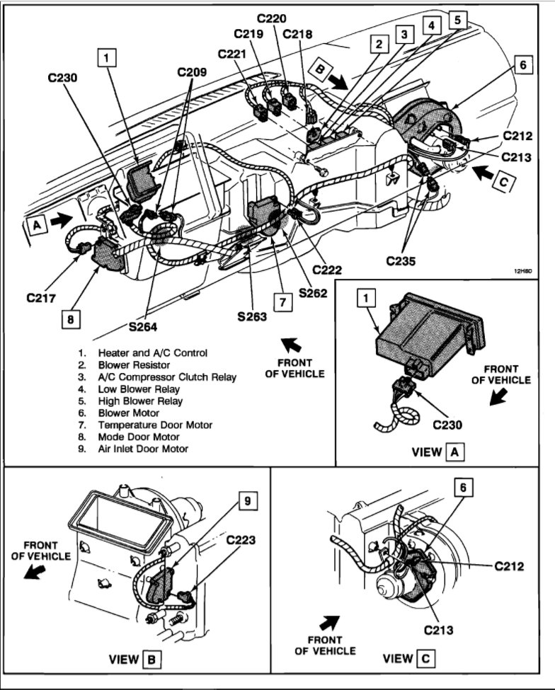
You need to test the ac power from the relay, you are on the right trail. Here is a guide and a wiring diagram with the air conditioner relay location (below) so you can get the problem fixed.

https://www.2carpros.com/articles/how-to-use-a-test-light-circuit-tester

and

https://www.2carpros.com/articles/how-to-check-an-electrical-relay-and-wiring-control-circuit

Please let us know what you find.

Cheers, Ken
Apr 30, 2021 at 1:33 PM (Merged)
Avatar
JACECIL
  • MEMBER
  • 1 POST
My AC will work when it is not to hot, below 85*, the compressor clutch will engage. But when it is really hot outside and I really need the AC, the clutch does not engage and I do not get any cooling. I do not have any leaks, and have about 40 psi on the low side. Thank you for your help. John
Apr 30, 2021 at 1:33 PM (Merged)
Avatar
KHLOW2008
  • CERTIFIED EXPERT
  • 41,814 POSTS
Hi John,

40 psi is on the high side, normal operations should be aroubnd the range of 30 psi. If you had refilled the freon, most likely it is overfilled causing the compressor to disengage.

This guide will help fix it

https://www.2carpros.com/articles/car-air-conditioner-not-working-or-is-weak

Let me know the high side so we can confirm if it is due to excessive freon.
Apr 30, 2021 at 1:33 PM (Merged)
Avatar
BRYANW966
  • MEMBER
  • 1 POST
My truck has an air conditioner problem. When I turn it on the compressor kicks on for a few seconds then kicks right back off. It does this continually until the air conditioner is shut off. It is fully charged with Freon, and I have replaced the air conditioner compressor switch. I did pull the air conditioner compressor switch plug in off and ran a wire (shaped like a U) to each side of the ports on the plug. The compressor works with no problems when I do this, however it is not good to leave this like this, so I always plug it back into the air conditioner compressor switch. I am looking for some help or guidance. Any ideas?Thanks!
Apr 30, 2021 at 1:33 PM (Merged)
Avatar
STRAILER
  • CERTIFIED EXPERT
  • 53,854 POSTS
Hello,

It seems like the system could be plugged, bleed the system off and open up the high side line to the evaporator core to locate the orifice tube. It should be clean if not use carb spray and clean it, also this could be an indication of a compressor going bad, here is a couple of guides that can help you.

https://www.2carpros.com/articles/re-charge-an-air-conditioner-system

and

https://www.2carpros.com/articles/replace-air-conditioner-compressor

Let us know what you find.

Best, Ken

Apr 30, 2021 at 1:33 PM (Merged)
Avatar
S_G
  • MEMBER
  • 1 POST
Everything under the hood works fine. Plenty of Freon. Clutch works fine. AC compressor is new. When I turned on the AC switch, it shows on, but compressor does not engage. Replaced relay. Compressor still will not engage. When I install my test manual relay and flip the switch on, AC compressor comes on and AC works perfect. Also, when I connect my scanner and request permission to activate AC, permission is granted and AC works perfect. Why is it that new relays will not make compressor activate but when using the test manual relay with the switch turned on, then it activates?
Apr 30, 2021 at 4:24 PM (Merged)
Avatar
ASEMASTER6371
  • CERTIFIED EXPERT
  • 52,796 POSTS
Good morning.

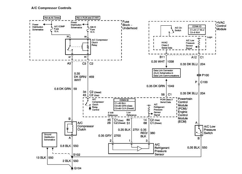
The AC compressor is commanded on by the PCM. It grounds the control side of the relay when it sees the signal from the low and high pressure switches.
Have you checked the pressure switches?

Roy

https://www.2carpros.com/articles/car-air-conditioner-not-working-or-is-weak
Apr 30, 2021 at 4:24 PM (Merged)
Avatar
SGPON
  • MEMBER
  • 8 POSTS
I just bought a 1998 Silverado 2500 and the AC is not working. Fuses and relay tested to be fine. When I jump pins 30 & 87 the compressor engages. There was 0 pressure on the low port, so I added 2 cans and got it to 20 psi (still low, I know, but I only had 2 cans nearby). It's still not working without jumping. High & Low pressure switches both light a test light but voltage on each will hit 11.3 and then drop to nothing (but still enough to light the LED test light) (using a snap on test light with built in voltmeter).

Maybe it still needs more refrigerant to trigger the switches? Or is there a bigger problem with those switches not seeing voltage?
May 3, 2021 at 8:41 AM
Avatar
STEVE W.
  • CERTIFIED EXPERT
  • 15,113 POSTS
20 PSI would still be a low charge. That system should hold between 32 and 38 ounces depending on the cab. You put in 24oz if the cans were full. You should be able to use a set of gauges and add in the rest and then see if the system cycles. However with the system pressure at 0 you should start by pulling a full vacuum on the system and see if you can find the leak, or with the last can use one that has dye in it. That way you could find the leak instead of just needing to keep adding R134a.
May 3, 2021 at 9:12 AM
Avatar
SGPON
  • MEMBER
  • 8 POSTS
I don't have the tools to pull a vacuum of the system so I am either trying the dye or taking it to a shop? I think the low port might be leaking a little because when I remove the cap I hear a little bit of a hiss. It doesn't look like I can easily replace to port. The R134a I added is supposed to have stop leak in it. Thanks for the quick reply.
May 3, 2021 at 9:20 AM
Avatar
STEVE W.
  • CERTIFIED EXPERT
  • 15,113 POSTS
The core in the port is replaceable if it's leaking. Mo9st parts stores have those in stock. You can usually get a vacuum pump and gauge set as a loaner tool as well. That would let you pull it down and see if it has any leaks as well. If you want to opt for the dye it works as long as you can get to the area that leaks, normally that is a fitting or on that truck it could be a bad condenser core as they are known for cracking. For a UV light you can get a low cost one in stores like Walmart. They work pretty good.
May 3, 2021 at 2:54 PM
Avatar
SGPON
  • MEMBER
  • 8 POSTS
Update: I got another can of 134a with dye. It is now at 40 PSI. The Schrader valve is leaking slightly still with the cap off, but seems to be holding pressure with the cap on and held 20 PSI for 2 days. Now that it is at 40 PSI it still doesn't engage the compressor with the real back in. It's blowing cold when jumped though. I re-tested both the high and low pressure switches and no voltage on either. With the system running and with or without the relay jumped. I am guessing this is pointing towards electronic at this point?

Where do I start testing that? I have found some schematics on this site, but am not sure where these controllers reside. Thanks!
May 5, 2021 at 1:58 PM
Avatar
STEVE W.
  • CERTIFIED EXPERT
  • 15,113 POSTS
Which engine and cab do you have? I can look up the correct diagram for it and see what is in the system.
May 5, 2021 at 3:33 PM
Avatar
SGPON
  • MEMBER
  • 8 POSTS
1998 Chevrolet 2500 4wd, 454 Vortec, 4L80E, loaded but no audio climate control.
May 5, 2021 at 9:44 PM
Avatar
STEVE W.
  • CERTIFIED EXPERT
  • 15,113 POSTS
Those switches are a pull to ground system so one side should be ground and the other side should have battery voltage. However that voltage comes out of the PCM after being turned on by the control module. To test the switches all you need to do is jumper them. The high switch is supposed to open at high pressure while the low side closes if there is enough pressure. If you jumper them and still have nothing then check that Fuse 12 in the IP fuse block and the 10 amp compressor fuse in the underhood block are both good.
May 5, 2021 at 11:24 PM
Avatar
SGPON
  • MEMBER
  • 8 POSTS
Nothing happened when I jump the pressure switches, still no compressor clutch engagement. Fuses are good. Might be the PCM? I noticed last night that I have no lights in the climate control panel. Maybe something in there is not connected beyond lights? The dials and buttons do work and the lights come on for AC and recirc though.
May 6, 2021 at 10:56 AM
Avatar
STEVE W.
  • CERTIFIED EXPERT
  • 15,113 POSTS
If it's the backlighting it shouldn't be the issue, but as the entire thing is all one board it's possible that the board is corroded and that is causing the issue. I doubt it's PCM related as that is normally only connected to control the engine as the AC cycles, so when the compressor engages the PCM sees the extra load and kicks the rpms up a bit and increases the alternator output to compensate for the load on the electrical system, In your case the loads are not switching on. If jumping the switches made no difference then there is a control issue. Likely in the control module in the dash.
May 6, 2021 at 11:12 AM
Avatar
SGPON
  • MEMBER
  • 8 POSTS
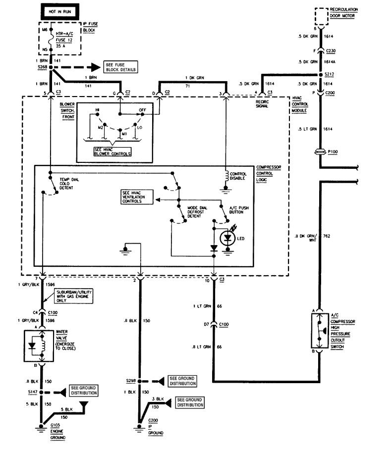
I finally pulled the dash out and tested the A/C control module. The light green wire does get power when I flip the A/C on as expected. So it seems that this module is working. The white wire lights q test light but shows no voltage (it shows real which at 12v and then drops to 0). This is the same behavior as the high and low pressure switches as I mentioned before.

I am stumped again now as to what to try next.
May 17, 2021 at 5:24 PM
Avatar
STEVE W.
  • CERTIFIED EXPERT
  • 15,113 POSTS
Okay, from here you are going to need a scan tool that can watch the PCM signals to see if the data signal from the control head to the PCM is working. Then go to the PCM up front in the engine compartment and see if it is triggering the ground control circuit at pin 43 in connector 2 (Dark green wire with white stripe). If that is going to ground in response to the dash controls but the relay isn't switching that wire has an issue between the PCM and the relay. If the control signal shows on with the scan tool but the pin at the PCM isn't grounding then the PCM is faulty.
May 18, 2021 at 11:39 AM
Avatar
SGPON
  • MEMBER
  • 8 POSTS
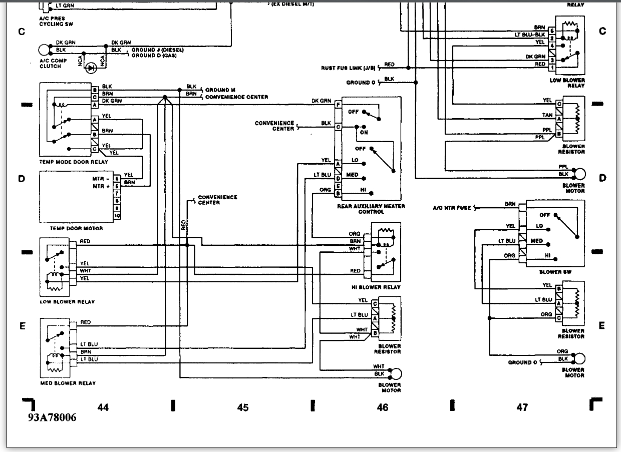
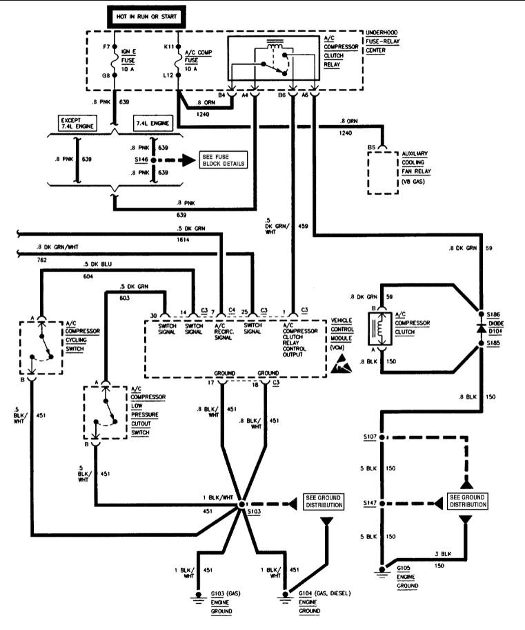
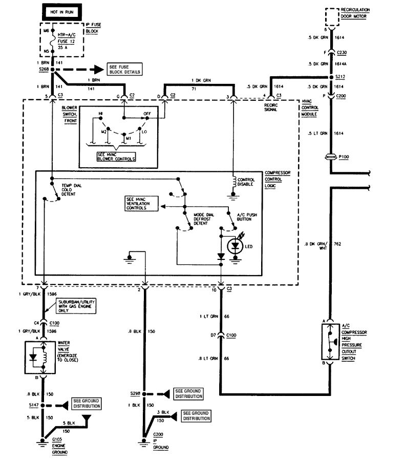
Looking at the relay diagram you attached. Pin 87 is hot with the key on and 86 is hot with the key on. If I jump either to pin 30 the compressor engages. Pin 85 does not become hot or ground when I engage the AC switch. It seems this is the one that should go to ground?

For the PCM testing, which is C2? My PCM has 4 color labeled connectors and seems to have 40 pins each.

Thanks again for all your help.

May 19, 2021 at 4:03 PM
Avatar
STEVE W.
  • CERTIFIED EXPERT
  • 15,113 POSTS
85 should go to ground when the A/C is on. As it isn't you need to get to C2 and see if the wire does go to ground there. Using a jumper to ground at that end would tell you if it's a wiring issue or if there is something in the PCM causing an issue. This is when you need a scan tool that can see the inputs and use the bi-directional controls to turn the output on and off. If you get nothing then the PCM is the problem.
May 19, 2021 at 4:26 PM
Avatar
CPERRY54
  • MEMBER
  • 35 POSTS
I jump the low press swt,and A/C clutch starting working,but wouldn't take any Freon. Put new pressure switch in and the pump wouldn't engage,jump it and it worked,but it wouldn't take Freon.
Jun 8, 2021 at 10:35 AM (Merged)
Avatar
JACOBANDNICKOLAS
  • CERTIFIED EXPERT
  • 110,175 POSTS
Hi,

If the system won't take freon and only works by jumping the low-pressure switch, check the Schrader valve on the low-pressure side to see if it is stuck. For it to work when jumping that switch, it has to be low on Freon.

They make replacement Schrader valves for the vehicle, but you will need to vacuum and recharge the system. You will need an A/C manifold gauge set to do it. Also, when you connect the gauges to the low-pressure side, you will know if that is the problem. It won't show any pressure. The only thing that will cause that is if there is no freon in the system or the valve is stuck.

Here is a link you may find helpful:

https://www.2carpros.com/articles/re-charge-an-air-conditioner-system

Let me know if you have other questions.

Take care,

Joe
Jun 8, 2021 at 10:35 AM (Merged)
Avatar
CPERRY54
  • MEMBER
  • 35 POSTS
Very helpful. thank you so very much.
Jun 8, 2021 at 10:35 AM (Merged)
Avatar
JACOBANDNICKOLAS
  • CERTIFIED EXPERT
  • 110,175 POSTS
You are very welcome. If possible, let me know what you find or if you have other questions.

Take care,
Joe
Jun 8, 2021 at 10:35 AM (Merged)