My air conditioner is not working?

2003 CHEVROLET SILVERADO
123,000 MILES
Avatar
BONES99
  • MEMBER
  • 1 POST
Has no power to compressor has ground, new relay, fuse is good and also has no power to pressure switch, but has power to cycling switch. I have checked all of GM tech bulletins. Have installed new dual climate control panel. My panel has a red slash mark through the A/C snow flake symbol on control panel.
Jul 23, 2013 at 8:45 AM
Advertisement
Avatar
FREEMBA
  • CERTIFIED EXPERT
  • 1,152 POSTS
Check the ignition E fuse (10A).

Are you cetain that the system has enough refrigerant in it?

There is also a low pressure switch on the line going into the evaporator. If it is faulty or senses low presssure the compressor will not be allowed to come on.

That little snowflake that has the cross in it to show when the A/C has been turned off. The replacement control heads snowflake does not have the cross in it and actually needs to be lit up now to show that the A/C has been turned on. I think the only year for the snowflake with the red slash was 2003.

Also,

Testing compressor clutch/wiring:
Key on engine off, Jump the A/C clutch relay from pin 30 to pin 87, Compressor clutch should "click". If no click, check for power at the green wire at the compressor. Check the black wire for ground.

Testing low pressure switch:
With the truck running, A/C turned on. Check the dark blue wire at the low pressure switch for five volts with the switch Disconnected. Check for ground on the black wire. With the switch plugged in both wires should show ground. If the blue wire still shows five volts. Your low on Freon or the low pressure switch is bad.

Testing high pressure switch
1. With key on, disconnect the A/C pressure sensor and check for five volts on the gray wire. Check for ground on the black wire.

2. If missing either circuit, check a few inches back from the connector and see if voltage or ground is present there.

3. If the above checks are okay, then plug the sensor back in and probe the red/black wire of the sensor and see what voltage is coming from the sensor. With static A/C pressure voltage should be 0.8-1.0 volts.

Information:

On 2003 model year vehicles, a snowflake with a slash through it is shown on the display when the A/C has been turned off (by a press of the A/C button). The A/C can be turned on by pressing the "auto" button or pressing the A/C button again. This will remove the indicator from the display.


Owners of 2003's may comment about poor A/C performance after they have pressed the A/C button and see what appears to be the snowflake illuminated on the display. What has actually happened, though, is that they have disabled the operation of the A/C compressor and the snowflake symbol, upon closer inspection, has a slash through it.

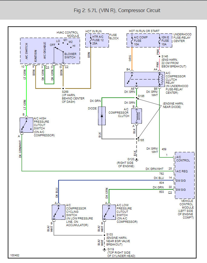
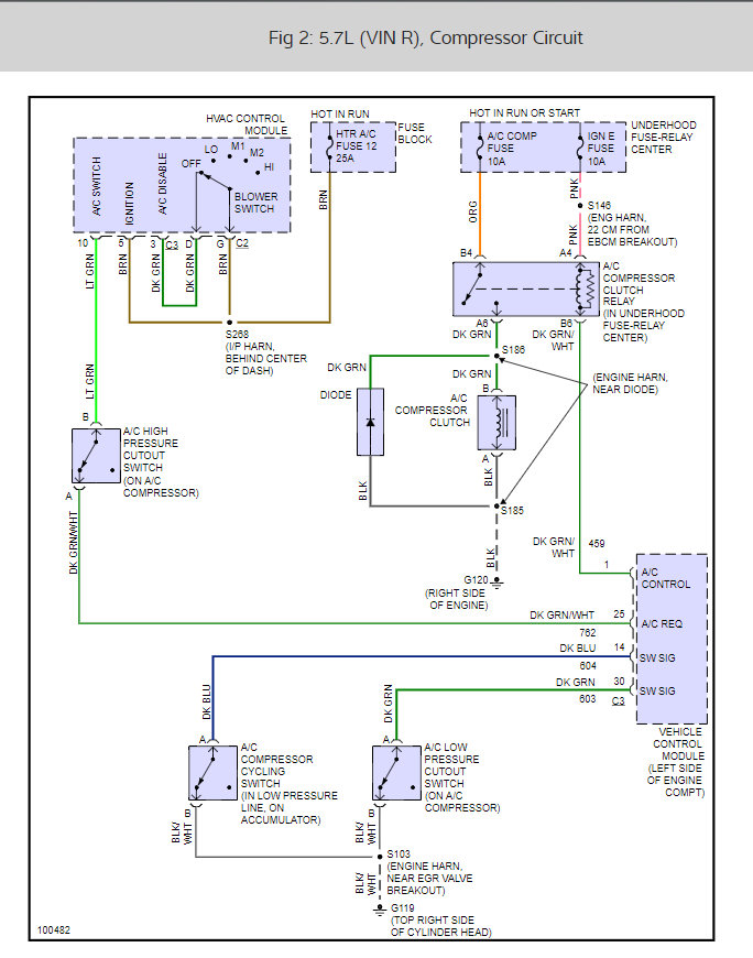
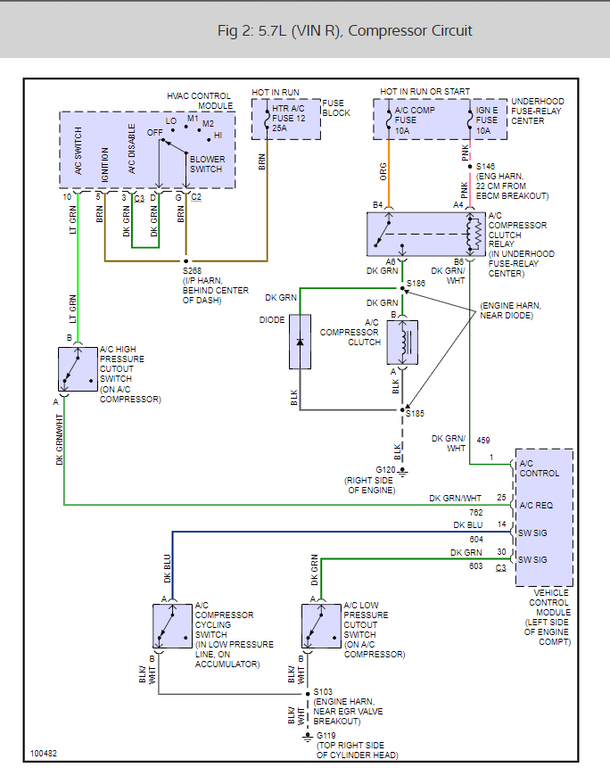
Here is the AC and compression wiring diagrams so you can see how the system works with a guide to help you test the circuits.


https://www.2carpros.com/articles/how-to-check-wiring

Check out the diagrams (Below). Please let us know what you find. We are interested to see what it is.
Jul 23, 2013 at 9:59 AM
Avatar
ADAMDELLACROCE
  • MEMBER
  • 1 POST
How can I add Freon if the compressor will not come on when I am jumping with the paperclip on 2003,1500.
May 12, 2016 at 2:50 PM
Advertisement
Avatar
STRAILER
  • CERTIFIED EXPERT
  • 53,854 POSTS
Here is a guide to help you recharge the system:

https://www.2carpros.com/articles/air-conditioner-how-to-add-freon

Please run down this guide and report back.
Mar 12, 2019 at 12:50 PM
Avatar
THEON Q. KENT
  • MEMBER
  • 1 POST
I have a 1996 Chevy Silverado. The compressor is good and the pressure switches are new. They A/C works if I connect a hot wire to it but it constantly kills my battery. The problem with my A/C is that the control panel keeps burning out I put a new control panel in there and it’s like the Air works for a split second it then smells like something is burning and then the air goes out and nothing works. I bought 3 controls panels and this happened back to back basically I wasted nearly $300 and the problem is not fixed.
Dec 22, 2019 at 9:09 PM
Avatar
STEVE W.
  • CERTIFIED EXPERT
  • 15,113 POSTS
That sounds like you have a short in the wiring if it is burning out the control panel. However to tell where the short is you would need to do some testing inside the control panel to see what is burning out and what it controls. Does it work OK for heat, blower, until you select AC or does it burn out regardless? Which engine do you have, that might eliminate some of the possibilities? I attached the wiring diagram but it may not help much as it has a few extras depending on the engine. Your description sounds like a short in the wiring to the compressor control relay but without knowing what is burning out on the controller it's a stab in the dark.
Dec 25, 2019 at 5:21 AM
Avatar
ROBBY MCLAIN
  • MEMBER
  • 1 POST
I replaced everything on my air conditioner except the inside the truck part. The condenser, evaporator-dryer, and orifice tube, and compressor have all been replaced. It is making a clicking noise and it is not cold like it should be. The pressure is also running high on the gauge that the mechanic had and the hose that you use to refill the Freon with. Just is not properly cooling. I have spent about $800.00 so far, it is killing me. My guy is a certified Chevrolet mechanic. Just do not know if he is super sharp on air conditioner systems.
Apr 30, 2021 at 1:27 PM (Merged)
Avatar
WRENCHTECH
  • CERTIFIED EXPERT
  • 20,761 POSTS
This sounds like the compressor has gone out or the system is low on charge or a fuse is bad, these videos and guides can help us fix the problem with diagrams below to show you how on your car. I have included (below) the air conditioner wiring diagrams as well so you can see how the system works.

https://youtu.be/4UjfQKvrB6Y not working

and

https://youtu.be/uZrQCGwXfek recharge

and

https://youtu.be/yrhWKlQEPWw leak detection

and

https://youtu.be/4EqdrBVb0sY vacuum and recharge

and

https://www.2carpros.com/articles/car-air-conditioner-not-working-or-is-weak

Let us know what happens and please upload pictures or videos of the problem.
Apr 30, 2021 at 1:27 PM (Merged)
Avatar
JIMPIBURN
  • MEMBER
  • 1 POST
Thinking I had lost refrigerant, I attached an A/C recharge canister to the low pressure side to recharge. The gauge went clear to half way into the red. There seems to be too much pressure on the low side. I have never heard of that. I lost cooling a week ago. Stopped at A/C garage, they somehow lowered the pressure on the low side, added some refrigerant ($50.00 worth) and worked okay for three days. Then hot air again. What do I do now?
Apr 30, 2021 at 1:27 PM (Merged)
Avatar
STRAILER
  • CERTIFIED EXPERT
  • 53,854 POSTS
It sounds like you have a leak, the reason the gauge was in the red I believe is because the car was not running? Check by the A/C compressor clutch that is where they like to leak.

Here is a guide that will help you find the leak, engine off:

https://www.2carpros.com/articles/air-conditioner-leak-detection

If you find the compressor is leaking here is a guide for you to change it out.

https://www.2carpros.com/articles/replace-air-conditioner-compressor

and

https://www.2carpros.com/articles/re-charge-an-air-conditioner-system

Here is a new Denso compressor on Amazon for $188.00:

https://www.amazon.com/gp/product/B000CJ71ZG/ref=as_li_qf_sp_asin_il_tl?ie=UTF8&tag=2carprcom-20&camp=1789&creative=9325&linkCode=as2&creativeASIN=B000CJ71ZG&linkId=01795696ee9c7ef98f6d8feb5b8d33df

Below are diagram of your car.

Please let us know what happens.

Cheers, Ken
Apr 30, 2021 at 1:27 PM (Merged)
Avatar
JBARRETT01238
  • MEMBER
  • 1 POST
After running the A/C in hot weather, when the truck is shut off for a short period of time the A/C will not blow cold air. If the truck is off for an extended period of time it will work again. It appears that during the short shut off period the clutch on the compressor does not engage when the engine is restarted. Is there some sort of thermo cut off in compressor clutch that heats up while it sits for a short time (with the engine hot)? Or some other issue?
Apr 30, 2021 at 1:27 PM (Merged)
Avatar
IMPALASS
  • CERTIFIED EXPERT
  • 3,112 POSTS
Hello

I think I know what the problem is but need just a little more info. Lord willing it is simple. I do need more info on the truck model. Is it a 1500, 2500 or what?

Please run down this guide and report back.

https://www.2carpros.com/articles/car-air-conditioner-not-working-or-is-weak


Right off without the above information it sounds like your condenser cooling fan isn’t moving. But again, I need to know your exact vehicle to let you know.

Also, please go to Auto Zone or O’Reilly’s and for free they can pull the codes to the car. Most important. Once they check your codes, if they find something and you don’t get it fixed and need to get back with us, please make sure you tell us exactly what the code was, number and all. Example, if the code was E0568 O2 Sensor bad. Then make sure you give us all of that. While there for free also they can bring their tester out and check your battery, alternator and starter just because it is free and you are there.

Please get back with me with the above information so we can do a couple of quick checks.

Thanks
Apr 30, 2021 at 1:27 PM (Merged)
Avatar
ZDAILY
  • MEMBER
  • 26 POSTS
AC system is charged, but I don't have any power or ground to high pressure switch or clutch.
Apr 30, 2021 at 1:28 PM (Merged)
Avatar
ASEMASTER6371
  • CERTIFIED EXPERT
  • 52,796 POSTS
Good evening,

The compressor relay is grounded by the PCM. The module will ground it to turn on the clutch when it sees the signals from the switches.

I attached a diagram for you to view. The power for the high pressure switch comes from the control head for the AC. You need to check the light blue wire for power coming out of the control head.

Roy
Apr 30, 2021 at 1:28 PM (Merged)
Avatar
ZDAILY
  • MEMBER
  • 26 POSTS
Alright Roy, it has been a while but I pulled the controller out and have power on the light blue. but the high pressure switch attached to the accumulator does not have that power. and the PCM is still sending 7.9 volts from pin 17.
Apr 30, 2021 at 1:28 PM (Merged)
Avatar
ZDAILY
  • MEMBER
  • 26 POSTS
I have also been able to power on the clutch manually but cannot do so while running. when running it pops the HVAC fuse. without the vehicle running the the clutch engages. I have also been checking power everywhere else and don't seem to have a common issue. I am a little lost now.
Apr 30, 2021 at 1:28 PM (Merged)
Avatar
ASEMASTER6371
  • CERTIFIED EXPERT
  • 52,796 POSTS
If the light blue wire has power, you should have it at the high pressure switch on both sides with it hooked up.

The low pressure switch gets power from the ECM.

Did you verify power at the high pressure switch?

Roy
Apr 30, 2021 at 1:28 PM (Merged)
Avatar
LARRY WARRICK
  • MEMBER
  • 1 POST
Ac blows cold, until it don't. And then it is back to blowing cold. I believe the compressor is disengaging. Usually if not always does it when idling. Sounds electrical?
Apr 30, 2021 at 1:28 PM (Merged)
Avatar
JACOBANDNICKOLAS
  • CERTIFIED EXPERT
  • 110,175 POSTS
Welcome to 2CarPros.

By design, the compressor is designed to cycle. What I think may be wrong is it is low on Freon. If you haven't tried to recharge the system, that is where I would start.

Here are a few links you may find helpful:

https://www.2carpros.com/articles/car-air-conditioner-not-working-or-is-weak

https://www.2carpros.com/articles/air-conditioner-how-to-add-freon

If you already tried this and it didn't help, let me know.

Take care,
Joe

Apr 30, 2021 at 1:28 PM (Merged)
Avatar
BTUGGLE
  • MEMBER
  • 5 POSTS
About a month ago, my compressor went out. I had it and the accumulator replaced. It cooled for a couple of weeks and now it will only cool for about five minutes. The compressor seams to not be turning on. I thought it was the clutch cycling switch on the accumulator, because I could remove the wiring harness and install a jumper and it would kick on. So I replaced the switch and now the compressor will not switch on. Once again, I tried the jumper, still nothing. I have a low pressure gauge and it is showing a reading of 65. Any answers would be greatly appreciated
Apr 30, 2021 at 1:28 PM (Merged)
Avatar
HMAC300
  • CERTIFIED EXPERT
  • 48,601 POSTS
take it back to where you had it repaired as it's not been a long time. it sounds as if they didn't do something right like didn't evacuate the system like it should have been and your unit is freezing up. It cools then warms then if you continue will cool again. Or there is a blockage in the orfice due to compressor failure, which means theys should have done a freon cleansing before replacing the part as little particles get int eh system and block the orfice.

This guide can help fix it

https://www.2carpros.com/articles/car-air-conditioner-not-working-or-is-weak

Apr 30, 2021 at 1:28 PM (Merged)
Avatar
BTUGGLE
  • MEMBER
  • 5 POSTS
They say they flushed the system out, but I will take it back to them. One thing I did notice yesterday when the compressor was kicking on and off, the gauge readings went from 35 to 65+ as it would kick on and off. When it quit working, the pressure reading remained at about 65.

Thanks for your help.
Apr 30, 2021 at 1:28 PM (Merged)
Avatar
HMAC300
  • CERTIFIED EXPERT
  • 48,601 POSTS
35 is abotu right on the low side depending on the temperature outside when the compressor is on. But it still shouldn't stop cooling like you've said. There is definitely something wrong with it. I still thinkit's got a freezing up condition but that would take evacuate and recharge on the system and probably change the acumalator to keep it dry..
Apr 30, 2021 at 1:28 PM (Merged)
Avatar
BTUGGLE
  • MEMBER
  • 5 POSTS
I will not be able to take it back to the repair shop where I had the compressor and dryer replaced till next week. However, when I got home from work yesterday I decided I would evealuate it some more and discovered what felt like air blowing from evaporator tube where it connects at the entry to the cab. could this leak be the possible problem?
Apr 30, 2021 at 1:28 PM (Merged)
Avatar
HMAC300
  • CERTIFIED EXPERT
  • 48,601 POSTS
sorry about being late with this as i've been away. the air blowing out is just air and unless it is a quite a bit which i doubt, it isn't causing the problem. that can be taken care of with what mechanics call dum-dum. From what you describe it still seems to me to be "freezing up" I have to beleive that it's the orfice is being blocked once in a while causing t eh problem. You migh tmention this to them, but hard telling what they will say. the orfice has a filter on it and it may be plugging then breaking loose and blocking again. I would take a look at it anyhow then try a pump down then a freon sweep and pump down again before refilling the system. that way the moisture that may have built up in the system should all be gone....
Apr 30, 2021 at 1:28 PM (Merged)
Avatar
BTUGGLE
  • MEMBER
  • 5 POSTS
Sorry, I know it has been a while since I have been on here. I finally took my truck back to the shop that replaced the compressor. System was full of freon and everything checked out except that non of the switches (high or low pressure) are getting any power to the them. The mechanic told me that it could be the circuit board in the dash. He is supposed to find a wiring diagram so tha we can check it out. o you have any ideas of what it could be? Thanks!
Apr 30, 2021 at 1:28 PM (Merged)
Avatar
HMAC300
  • CERTIFIED EXPERT
  • 48,601 POSTS
I am taking it that this is a 5.3L and you have the basic a/c. In the underhood bec there are fuses and a relay that go to the compressor. these could be a blown fuse, a relay not working or not getting a good connection there as well as the computer.... i'm sending the basic wire diagram along on here. I think you should be able to enlarge it , if not print it for sure and then enlarge it...


https://www.2carpros.com/forum/automotive_pictures/406719_ac_1999_1.jpg

Apr 30, 2021 at 1:28 PM (Merged)
Avatar
BTUGGLE
  • MEMBER
  • 5 POSTS
Thank you so much, will check out this weekend.
Apr 30, 2021 at 1:28 PM (Merged)
Avatar
A.B. DICKERSON
  • MEMBER
  • 2 POSTS
I have replaced the HVAC control assembly 4 times, when I turn on the a/c switch the assembly shorts out. Only blows on the floor and the temperature control works. No a/c, cabin circulation or directional control. I have replaced compressor, blend motor, blower, blower relay, heater resistor, relay under the hood. Any suggestions?
Respectfully,
A.B.
Apr 30, 2021 at 1:29 PM (Merged)
Avatar
ASEMASTER6371
  • CERTIFIED EXPERT
  • 52,796 POSTS
Good morning,

Please explain what you mean by shorting out?

https://www.2carpros.com/articles/car-air-conditioner-not-working-or-is-weak

Do you have manual or automatic climate control?

Roy
Apr 30, 2021 at 1:29 PM (Merged)
Avatar
A.B. DICKERSON
  • MEMBER
  • 2 POSTS
When I push the a/c button on the hvac control assembly stops working for a/c, cabin air button and direction control knob. There is an electrical burnt smell and the transistor under the directional control knob on the board is burnt.Respectfully
Apr 30, 2021 at 1:29 PM (Merged)
Avatar
ASEMASTER6371
  • CERTIFIED EXPERT
  • 52,796 POSTS
Okay, I attached a diagram for the unit.

It sounds like you have a short in the wiring somewhere. Check the powers and grounds with the unit.

Roy
Apr 30, 2021 at 1:29 PM (Merged)
Avatar
ROBERT S
  • MEMBER
  • 3 POSTS
When I hook up the gauges low was 95 and high was 75. I jumped the compressor to the battery, engaged the compressor, and the low went to 30 and high went to 150. So, I started checking the electrical. The relay does not engage. So, I jumped 87 to 30 connector and the compressor engaged. So, I checked 86 and 85 connectors no power on either. I jumped the pressure switch on the accumulator and nothing. So, I tried to jump the other switch on high side of the compressor still no luck. I cannot find a electrical diagram (even in the Haynes book). Oh, I checked all fuses as well. Help, what powers the relay to close? Does the pressure seem right. The low is double when the compressor is not on and then balances out correctly when the compressor is running?
Apr 30, 2021 at 1:29 PM (Merged)
Avatar
MASTERTECHTIM
  • CERTIFIED EXPERT
  • 4,750 POSTS
Here are the complete wiring diagrams for the air conditioner and a couple of guides to help you do some testing. https://www.2carpros.com/articles/how-to-check-an-electrical-relay-and-wiring-control-circuit and https://www.2carpros.com/articles/how-to-check-a-car-fuse and https://www.2carpros.com/articles/car-air-conditioner-not-working-or-is-weak


https://www.2carpros.com/forum/automotive_pictures/139033_ac_1.jpg

Check out the diagrams (below) Cheers,
Apr 30, 2021 at 1:29 PM (Merged)
Avatar
ROBERT S
  • MEMBER
  • 3 POSTS
Thank you for the diagram. I will check them. Does the system pressures usually works this way?
Apr 30, 2021 at 1:29 PM (Merged)
Avatar
MASTERTECHTIM
  • CERTIFIED EXPERT
  • 4,750 POSTS
They seem a little low to me, was it super cold outside? I would try putting a little in to see what happens.

https://www.2carpros.com/articles/air-conditioner-how-to-add-freon

Apr 30, 2021 at 1:29 PM (Merged)
Avatar
ROBERT S
  • MEMBER
  • 3 POSTS
Thanks, for the wiring diagram. Found the issue the clutch cycling switch was out I changed it and BAM! all fixed.

Thanks, for everything this site rocks water back
Apr 30, 2021 at 1:29 PM (Merged)
Avatar
MIKEM1837
  • MEMBER
  • 1 POST
I had the same problem. Just and added a little Freon and the system works perfect thanks you guys!
Apr 30, 2021 at 1:29 PM (Merged)
Avatar
SWEETIE1965
  • MEMBER
  • 180 POSTS
I purchased this truck about a week ago. The A/C does work only when the relay is jumped using a jumper wire. The low pressure switch is not getting power to it at all unless the relay is jumped. I tested relay for A/C. It has proper resistance. I swapped relays with one like it in the fuse box under hood. Still not working. Fuse is good, compressor works when relay is jumped or when using a power probe. What do you think the problem may be?
Apr 30, 2021 at 1:32 PM (Merged)
Avatar
ASEMASTER6371
  • CERTIFIED EXPERT
  • 52,796 POSTS
Good evening,

I attached the wiring diagram of the system for you. We need to do voltage checks at the relay with the key on.

https://www.2carpros.com/articles/how-to-check-an-electrical-relay-and-wiring-control-circuit

https://www.2carpros.com/articles/how-to-check-wiring

Check the 2 fuses I circled for power on both sides.

https://www.2carpros.com/articles/how-to-check-a-car-fuse

I attached the location of the relay as well.

Roy

Apr 30, 2021 at 1:32 PM (Merged)
Avatar
OLDGUYMECHANIC65
  • MEMBER
  • 17 POSTS
Would the ignition 10 amp fuse gave power with key on or does engine need to be started?
Apr 30, 2021 at 1:32 PM (Merged)