Engine will not crank over?

2002 CHEVROLET SILVERADO
365,000 MILES • 6.0L • V8 • 2WD • AUTOMATIC
Avatar
KKINTYLE
  • MEMBER
  • 5 POSTS
I've checked all relays and fuses all are good. Changed the neutral safety switch, starter, and ignition switch. Still nothing. All dash lights come on, but it still won't
crank.


Truck listed above is a 2500hd.
Apr 5, 2020 at 10:44 AM
Advertisement
Avatar
ASEMASTER6371
  • CERTIFIED EXPERT
  • 52,796 POSTS
Good afternoon,

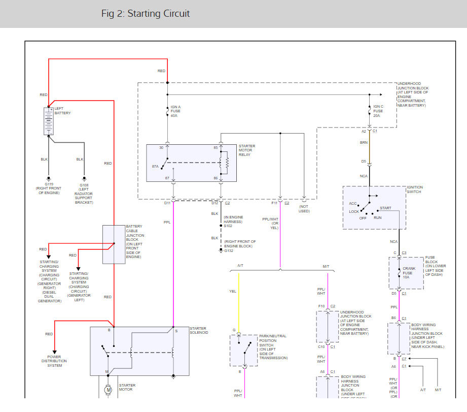
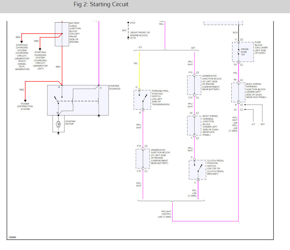
I attached a wiring diagram for you to view.

We need to do some voltage checks to find the failure.

https://www.2carpros.com/articles/how-to-check-wiring

Do you have a volt meter or test light for some testing?

https://www.2carpros.com/articles/how-to-use-a-test-light-circuit-tester

Roy
Jul 21, 2020 at 2:50 PM
Avatar
KKINTYLE
  • MEMBER
  • 5 POSTS
Yes, both.
Jul 21, 2020 at 2:50 PM
Advertisement
Avatar
ASEMASTER6371
  • CERTIFIED EXPERT
  • 52,796 POSTS
Okay, go to the fuse called crank on the lower left side of the dash and check for power to the fuse with the key in the start position.

Roy
Jul 21, 2020 at 2:50 PM
Avatar
KKINTYLE
  • MEMBER
  • 5 POSTS
I've checked all of the related fuses and relays. On the starter relay I have power to pin 30 but when I crank it I get no power to pin 85. The relay is good.
Jul 21, 2020 at 2:50 PM
Avatar
ASEMASTER6371
  • CERTIFIED EXPERT
  • 52,796 POSTS
Please stop.

Do you have power to the fuse I listed. Let us take one step at a time.

The power for 85 starts at this fuse. Please just answer each question so we find why there is no power.

This is a power test with a test light or voltmeter in the start position.

Roy

Jul 21, 2020 at 2:50 PM
Avatar
KKINTYLE
  • MEMBER
  • 5 POSTS
Yes.
Jul 21, 2020 at 2:50 PM
Avatar
ASEMASTER6371
  • CERTIFIED EXPERT
  • 52,796 POSTS
Okay, go to the park/neutral switch on the side of the transmission.

With the key in the start position, check the purple/white wire for power in and also check the yellow wire for output. the yellow wire goes to pin 85 at the relay.

Roy
Jul 21, 2020 at 2:50 PM
Avatar
KKINTYLE
  • MEMBER
  • 5 POSTS
The yellow wire was broken at the plug. All is good now. Thank you for your help, time, and patience.
Jul 21, 2020 at 2:50 PM
Avatar
ASEMASTER6371
  • CERTIFIED EXPERT
  • 52,796 POSTS
Good find.

You are welcome.

Always glad to help.

Roy
Jul 21, 2020 at 2:50 PM
Avatar
JM STEPHANI
  • MEMBER
  • 1 POST
Truck is not consistent in starting. Acted like there was a bad spot on the starter. Replaced the starter with new one which was tested. Replaced neutral stop switch with a new one. Now starter will not even click.
Put battery charger on battery in start position, still nothing.
Any ideas on what to check next?
Sep 3, 2020 at 4:50 PM (Merged)
Avatar
JDL
  • CERTIFIED EXPERT
  • 16,098 POSTS
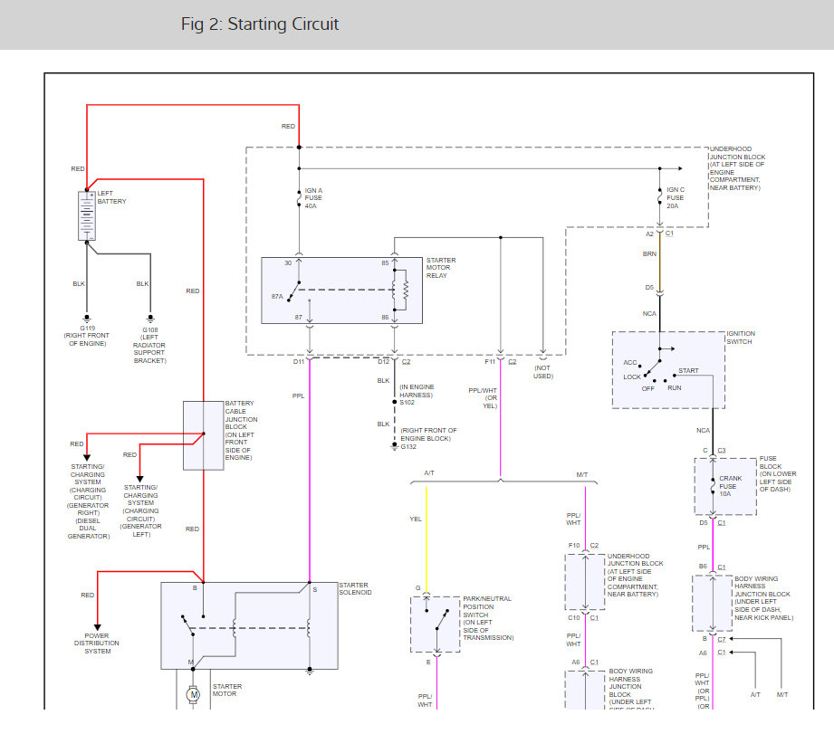
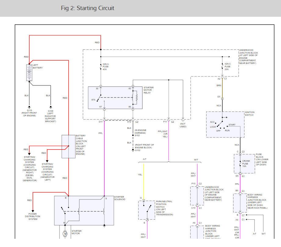
I'd have to make sure the battery has a full charge and the connections on both ends are ok. Check the applicable fuses, use a testlite, so you can check for voltage on the fuse circuit. There is a crank fuse, left side, instrument panel, fuse block. Not only check the fuse, check for voltage on the circuit. The circuit goes hot with the key in the crank position. You can also check circuits at the starter relay. https://www.2carpros.com/articles/starter-not-working-repair


https://www.2carpros.com/forum/automotive_pictures/170934_silverado_starter_circuit_1.jpg

Sep 3, 2020 at 4:50 PM (Merged)
Avatar
BABYJAY531
  • MEMBER
  • 89 POSTS
I went to go start my truck and this is what i ran into. all it does is whine from the starter. please help!
Sep 3, 2020 at 4:50 PM (Merged)
Avatar
DANNY L
  • CERTIFIED EXPERT
  • 5,648 POSTS
Hello, I'm Danny.

It sounds/looks like the starter solenoid actuator is weak/on its way out. In your first video you could hear it not engaging. In second video you could see it bouncing around. You starter should engage once and that's it.I would suggest replacing the starter motor. Hope this helps and thanks for using 2CarPros.

Danny-
Sep 3, 2020 at 4:50 PM (Merged)
Avatar
BABYJAY531
  • MEMBER
  • 89 POSTS
Here is a picture of the starter teeth i think they are rounded. this is the original starter.
Sep 3, 2020 at 4:50 PM (Merged)
Avatar
DANNY L
  • CERTIFIED EXPERT
  • 5,648 POSTS
Hello again.

Yes, sounds like time for a new starter. If you have replaced since posting this question hope your truck is back on the road.Thanks again for using 2CarPros.

Danny-
Sep 3, 2020 at 4:50 PM (Merged)
Avatar
GMCTRUCK59
  • MEMBER
  • 1 POST
To begin it would fire but not stay running, thought was security problem. so did a wire bypass, decided I was going to take to shop and put wires back together. after that there is no cranking and a clicking noise like from a relay. not the starter clicking. any help on where to start would be greatly welcomed.
Sep 3, 2020 at 4:50 PM (Merged)
Avatar
KASEKENNY
  • CERTIFIED EXPERT
  • 18,907 POSTS
Hi,

If you hear the clicking noise, then you are correct that this would be a relay. Problem is, there is no way to know which one it is without touching each one while you hear it. You will feel it clicking and once you know which one it is, we will be able to better ID the issue.

I attached the breakout of the under-hood block. Let me know what you find but I suspect you will find the starter or ignition relay clicking.
Sep 3, 2020 at 4:50 PM (Merged)
Avatar
DON TIMM
  • MEMBER
  • 1 POST
I have the truck listed above LS...4WD non HD with a 5.3L located in Northwest Washington State. 3 weeks ago I went to start truck and it worked fine. Last weekend I went to start it and it would not even crank.....dash lights, radio, headlights all fine. Replaced the battery anyway because it was getting old. Truck still would not even turn over. Took the starter and had it bench tested...it passed and I am also getting power to the solenoid. I checked all my fuses and relays associated with starting or ignition. All were good. I am figuring at this point it is the ignition switch. I have a Haynes Repair Manual so started looking at the wiring schematic. Tore my dash apart to get to the ignition switch in the steering column but before I just replaced the ign switch I ran a few electrical tests. When key turned to the start position it supplies power directly to a 10A crank fuse located in the left hand side bussed electrical center. The test light lights up when the key is in the start position then goes out when in the run position, lock or accessory position. So as far as I can tell the ignition switch closes the circuit and allows power when trying to start. Following the wiring diagram further it goes to a Park/Neutral Position Switch which ultimately leads to the starter relay in the under the hood bussed elec center. I am baffled at this point. Anybody any thoughts?
Sep 3, 2020 at 4:50 PM (Merged)
Avatar
STRAILER
  • CERTIFIED EXPERT
  • 53,855 POSTS
You said you had power to the starter solenoid. Are you referring to the battery voltage that is always at the large battery cable connection or the smaller solenoid wire that gets 12 volts from the starter relay? If voltage is showing up from the starter relay, you should be hearing a single, rather loud clunk from the starter each time you turn the ignition switch to "crank".

Here is a guide that will help you test it.

https://www.2carpros.com/articles/how-to-replace-a-starter-motor

Most starter circuits can be broken down into four parts, and each one has a test point at the starter relay socket. GM's circuit complicates that just a little, but you already started down that path. The "crank" voltage you found at the fuse goes to the neutral safety switch next, then to the relay. Check for voltage at the relay socket terminals. You should find 12 volts on one of them all the time. The other terminal on the same side will have 12 volts in the "crank" position. If it does not, suspect the neutral safety switch, or more commonly, a broken wire near it or the gear shift is out of adjustment.

To double-check the other two terminals in the socket, move the ground clip of your test light to the battery positive terminal, then probe the two remaining terminals in the relay socket. It should light up on both of them. One is the ground wire for the coil inside the relay and the other one will read to ground through the starter solenoid coil. The clue there is whether or not you hear or feel the relay click when you try to crank the engine.

Be very careful when you poke your test light into the relay socket terminals. GM didn't waste any money there on quality. The slightest poking with a probe or pushing on the relay will stretch those terminals resulting in an intermittent no-crank condition when there is no other problem in the system.

Please let me know how it goes,

Best, Ken
Sep 3, 2020 at 4:50 PM (Merged)
Avatar
SKHOKIE22
  • MEMBER
  • 1 POST
I am not sure how long ago this topic was posted. But I am having an issue that sounds like yours. Except for when I rapidly attempt to turn the key over to the crank position and then off and then on and then off rotating quickly one of those times the motor will start turning over and fire like normal. The weird part is I have owned my 2002 Silverado since 2009 and I've had no issues with it. About 3 weeks ago I purchased a 2005 Chevrolet Expres. The next morning I went to turn it on and it had that issue. The issue with my 2002 Silverado appears to be the same exact issue but the problem began two weeks after I bought the Chevy Express. That sounds like some kind of crazy coincidence to me but both of them have the same symptoms and they both turn on when I rapidly turn the key from ignition to off back and forth multiple times.
Sep 3, 2020 at 4:50 PM (Merged)
Avatar
CARADIODOC
  • CERTIFIED EXPERT
  • 34,306 POSTS
GM redesigned their starters and generators for the '87 model year. The field coils are gone in the starters. They use permanent magnets now that are glued to the housing.

When you hear a single, rather loud clunk from the starter each time you turn the ignition switch to "crank", the real common cause on other brands of starter are burned copper contacts in the solenoid. This always starts out as an intermittent problem and gets progressively worse over weeks and months. The starter will eventually crank after cycling the ignition switch repeatedly. GM solenoids are not known for that problem, but two other things commonly happen. One is the solenoid housing warps, then the metal plunger can't move far enough for the contacts to turn on for the motor. A potential clue to this, if you can keep the starter from engaging, is to connect a wheel-type battery charger on a mid-level charge rate, THEN try to start the engine. If that works consistently, it's because the higher voltage makes the solenoid's magnetic field stronger, so the plunger can slide through the warped area easier. That also instantly proves all the rest of the circuit is working.

A second problem can occur when the starter is hit with a hammer, like we used to do to get an intermittent one working. That is very likely to break the bond on the magnets. If a magnet sticks to the armature, it may try to spin but it will crank too slowly and with excessive noise.
Sep 3, 2020 at 4:50 PM (Merged)
Avatar
ARIANE CHACON
  • MEMBER
  • 2 POSTS
I have a 2001 Chevy Silverado and for the last 6 months I would get intermittent no start issues I found out that when I would move the steering column a few times and then jiggle my key in and out a few times and then it would start and then it would work great for a while then it would go back to the no start issue so a lot of times I could jump my truck and it would start right away then the last two weeks would not start at all no start no crank I would just hear a loud click from the starter when i turn the key well nothing worked tried to jump it it wouldn't work finally I pulled and jiggled the shifter and as I held it up and turn the key it started so that work for a couple days got a brand new battery and well prior to getting a new battery the truck went back to no start no crank got a new battery because it would not start or crank with the old battery even while it was being charged with the new battery it's still will not start no start no crank yesterday I tried for about 50 minutes and finally I got it to where it almost started but then stopped before it completely engaged and all I hear is a click no matter what I do it will not start now I've tried to jump it it still won't start I'm at a loss of what to do at this point my starter is good so I'm not sure if it's the solenoid or if it's ignition switch could somebody help me out thanks
Sep 3, 2020 at 4:50 PM (Merged)
Avatar
STRAILER
  • CERTIFIED EXPERT
  • 53,855 POSTS
Hello,

It sounds like the starter motor is going bad. To be sure this guide will help you change for power at the start solenoid to confirm the failure. There is also a starter relay that needs to checked as well.

https://www.2carpros.com/articles/starter-not-working-repair

and

https://www.2carpros.com/articles/how-to-check-an-electrical-relay-and-wiring-control-circuit

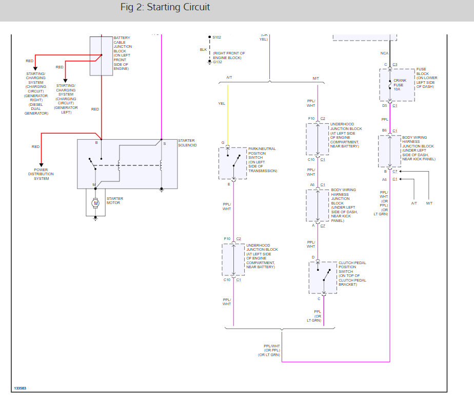
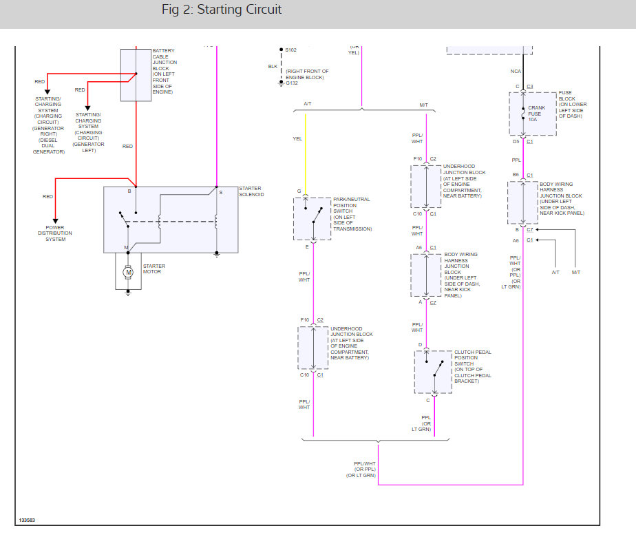
Here is the starter wiring diagrams and the relay location so you can see how the system works. Check out the diagrams (below). Please let us know what happens.
Sep 3, 2020 at 4:50 PM (Merged)
Avatar
CREASOR29
  • MEMBER
  • 1 POST
I am having a similar issue with my 04 Avalanche, but I have more details. The truck will have issues starting when it is very hot outside or the truck has run for a while. If I turn the key, nothing happens. If you let the truck cool for a while, it will start. Alternatively, with the key in the on position, I can remove the starter relay and manually 'jump' (30 to 87) using a wire and the truck will start. The truck has a new ignition cylinder, new starter and new battery. Also, after having the initial problem, research showed it could be the magnetic sensor for the passlock 2, so I performed a passlock bypass and reprogrammed the computer to recognize the bypass. This made the issue less frequent, but it still happens when the truck is hot. Based on the ability to jump the relay with the key in the on position, I am lead to believe either there is an issue in the wiring from the ignition switch to the start relay, an issue in the starter relay pins or an issue with the ECU or PCM when hot, but I am at a loss as to how to check these items.
Sep 3, 2020 at 4:50 PM (Merged)
Avatar
DMS3412
  • MEMBER
  • 5 POSTS
Electrical problem
2002 Chevy Silverado V8 Four Wheel Drive Automatic

I replaced my starter a couple of years ago, but now I am having an issue periodically. Sometimes when I go to start it, I turn the key and all power goes off. Then I get my dashboard lights flicker, and there is a clicking sound, then the power comes back on. I just need to know what the diagnoses is.
Sep 3, 2020 at 4:50 PM (Merged)
Avatar
JACOBANDNICKOLAS
  • CERTIFIED EXPERT
  • 110,175 POSTS
I think I know what the problem is, and it is very simple. Remove the battery terminals and properly clean them. When you replace them, make sure they are clean and tight. Also, make sure the neg terminal from the battery to the engine block is clean and tight too.

This may sound too simple to be correct, but it is the most common cause of what you described.

Try it and let me know what you find.

Joe
Sep 3, 2020 at 4:50 PM (Merged)
Avatar
CARADIODOC
  • CERTIFIED EXPERT
  • 34,306 POSTS
My first suspicion is an intermittent neutral safety switch that fails based on its temperature. To check that, remove the starter relay from its socket, then use a test light to see if 12 volts shows up on one of the terminals in the socket when the ignition switch is turned to "crank". If you can't find that 12 volts, try again after shifting between "park" and "neutral" a few times.

Another problem GM had with their redesigned starters was the coil of wire inside the starter's solenoid housing would warp, then the plunger would drag and fail to move far enough to turn on the high-current contact. A potential clue is sometimes the starter will work when you jump the battery with a battery charger or from another vehicle with its engine running. The higher voltage gives the solenoid a little more strength to overcome the dragging plunger. That warped coil gets worse when it is hot. That's what leads to the failure to crank when the engine is hot.
Sep 3, 2020 at 4:50 PM (Merged)
Avatar
HUMBERTO
  • MEMBER
  • 1 POST
the truck would not crank,
I replace the starer thinking I could solve my problem fast and resulted in a nightmare.

when conecting the battery cables back , it stared cranking by it self.

went to check the ignition switch and seems in good condition.

looking for answers on line and there is a security sistem triped problem that I don't have much knowledeged about. If thats my problem is it somthing I can fix
or I would need tecnical assistance.
Sep 3, 2020 at 4:50 PM (Merged)
Avatar
RASMATAZ
  • CERTIFIED EXPERT
  • 75,992 POSTS
The objective of the security system is to prevent theft. Do you see all the lights that normally should come on. If so start checking the ignition switch and starter solenoid.
Sep 3, 2020 at 4:50 PM (Merged)
Avatar
FRANKIEMCBEE
  • MEMBER
  • 2 POSTS
Starter solenoid..changed solenoid last night truck started and test drove fine..this morning would not start..no clickin or nothing...would truck of started the first time if connected wrong...and if connected right what could it be...tried jump starting truck..
Sep 3, 2020 at 4:50 PM (Merged)
Avatar
JACOBANDNICKOLAS
  • CERTIFIED EXPERT
  • 110,175 POSTS
Are you getting power to the starter?
Sep 3, 2020 at 4:50 PM (Merged)
Avatar
FRANKIEMCBEE
  • MEMBER
  • 2 POSTS
It started last night when i put it in..then wouldnt start this morning
Sep 3, 2020 at 4:50 PM (Merged)
Avatar
JACOBANDNICKOLAS
  • CERTIFIED EXPERT
  • 110,175 POSTS
Check to see if there is power to it. If there is, something is still wrong with the starter. If there is no power, then we need to work backwards.
Sep 3, 2020 at 4:50 PM (Merged)
Avatar
JEREMIAH MOORE
  • MEMBER
  • 1 POST
Electrical problem
2002 Chevy Silverado V8 Automatic 200,00 miles

just put a brand new starter into my truck because the other one was acting up. The old one all i had to do was get down and tap it to work. I have the new one in. Drove it away from the mechanic who fixed it and it worked just fine. I turned my car off for no less than 2 minutes and came back wouldnt start. The lights came on and radio. I got down to tap the starter wouldnt work. I dont know what the problem is. I need this car to go off to college.
Sep 3, 2020 at 4:50 PM (Merged)
Avatar
HMAC300
  • CERTIFIED EXPERT
  • 48,601 POSTS
one of the wires may have burnt as it was recently changed. Or there may have been a fusicle link that screwed up. i'm sure the guy who put it in guarantees his work if he is reputable and will fix it at no charge.
Sep 3, 2020 at 4:50 PM (Merged)
Avatar
TENNEESSEE
  • MEMBER
  • 1 POST
i have a 1500 silverado some times when i turn the key the engin wont turn over. the first time it done this i pulled it into netural it started, second time that didnt work so i just kept turning the kek rapidly, it started. it starts fine any other time, no starter drag. relays seem to be working. what else should i check?
Sep 3, 2020 at 4:50 PM (Merged)
Avatar
HMAC300
  • CERTIFIED EXPERT
  • 48,601 POSTS
check to see if the starter gets full power when this happens. it may be a bad starter or a relay. but checking will tell you either way. Mine did the same thing and it turned out to be starter.
Sep 3, 2020 at 4:50 PM (Merged)
Avatar
RTGLOVER
  • MEMBER
  • 1 POST
I washed my motor yesterday. It sarted once but will not start now. I have power in my cab but it will not turn the starter. What should I check?
Sep 3, 2020 at 4:51 PM (Merged)
Avatar
JDL
  • CERTIFIED EXPERT
  • 16,098 POSTS
Hello, I'd look at the starter relay, power distribution center under the hood, check for voltage. Two of those terminals should be hot, with the key in the crank position.
Sep 3, 2020 at 4:51 PM (Merged)
Avatar
JRCRAZYX2
  • MEMBER
  • 2 POSTS
Two weeks ago, my wife went to crank my truck to take my son to school, and it would not start. When I got home later that day, it started right up. About 3 days later, she drove the truck up to the school, walked our son in, but when she got in the truck to leave, it would not start again. Once again when I got to the truck a few hours later, I turned the key several times and it finally started.I noticed the "service engine soon light" came on briefly, then went off. After a week if driving to and from work, I went to warm my truck up two mornings ago and it started fine. I turned it off long enough to grab something out of my wifes car before leaving, but when I got back into my truck it would not start and has been dead since then. The radio, a/c, lights, and "dinging" noise all work when you turn the key on. But when you try to start, there is nothing. No clicking, no trying to turn over, just dead, but power is fine everywhere. Also, when the key is in the turned to the on position, I can hear the fuel pump making a kind of vacuum pumping noise like it is pumping fuel. that last a few seconds and thats is. Please let me know if any other info. is needed as any suggestions are greatly appreciated. Thanks so much for your time.....Jason
Sep 3, 2020 at 4:51 PM (Merged)