Jan 5, 2020 at 7:23 PM
(Merged)
remote keyless entry
1997 JEEP GRAND CHEROKEE
Advertisement
The courtesy lights are on and I cant get them off. I unplugged all of the door jam switches and it dint help. Only way to get them off is to pull the fuse.
Try unplugging the anti-theft control module to see if the courtesy lights goes off.
Jan 5, 2020 at 7:23 PM
(Merged)
Advertisement
Ok, I will certainly try unplugging that. Is that module under the dash do you know?
along with courtesy lights staying on there is a relay under glove box clicking.
along with courtesy lights staying on there is a relay under glove box clicking.
Jan 5, 2020 at 7:23 PM
(Merged)
I think I found it, Behind the lower dash panel to the left of the glove box. still digging.
Jan 5, 2020 at 7:23 PM
(Merged)
Let me now what relay it is. Try unplugging the relay to see what happens.
You could have a bad ground circuit nearby.
You could have a bad ground circuit nearby.
Jan 5, 2020 at 7:23 PM
(Merged)
I think the PCM is bad. the temperature is really cold here and the delay time for the fuel pump coming on is increasing went from 15sec to 30sec to 45sec, now in 0 degree temperature its about a minuet and a half delay.
If I put heat on the PCM with a blow dryer and warm it up, The fuel pump comes on right away as soon as the key hits the run position.
starts right up with no security light.
I think I'm going to replace the PCM/computer and see what happens.
If I put heat on the PCM with a blow dryer and warm it up, The fuel pump comes on right away as soon as the key hits the run position.
starts right up with no security light.
I think I'm going to replace the PCM/computer and see what happens.
Jan 5, 2020 at 7:23 PM
(Merged)
Remove the PCM and check for bad soldered joints. Resoldering these joints works.
The other possible cause would be failed capicators. You can replace them easily.
The other possible cause would be failed capicators. You can replace them easily.
Jan 5, 2020 at 7:23 PM
(Merged)
Ok, I will check for cracked joints, and re-solder if I need to, but how can you tell If a capacitor is bad?
Jan 5, 2020 at 7:23 PM
(Merged)
Look for signs of contaminations. When capacitors goes bad, they would leak fluids and contaminate joints.
Jan 5, 2020 at 7:23 PM
(Merged)
There are three capacitors and replaced them all so far it seems like it is working. I will check it again tonight when it is colder.
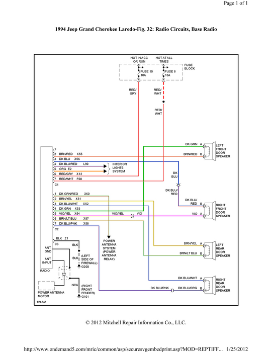
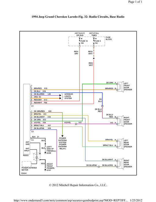
In the mean time I am trying to get the speaker wires hooked up on the radio and It seems like none of them work. Do you have a wiring diagram for the stock wiring? 94 jeep grand cherokee. Thanks
In the mean time I am trying to get the speaker wires hooked up on the radio and It seems like none of them work. Do you have a wiring diagram for the stock wiring? 94 jeep grand cherokee. Thanks
Jan 5, 2020 at 7:23 PM
(Merged)
The problem was the capacitors
I went out and tested it again and it worked fine.
Fuel pump came on right away.
The capacitors I took out were 25v 220 micro ferrads. I replaced them with 35v 220 micro ferrads, recommended by a certified professional.
The computer that I put these on had been replaced before so this must be a common problem. Now that I think of it the only other computer I replaced was on a regular cherokee a year ago.
Main thing to remember when replacing capacitors is to mark the negative position when pulling them out of the board. I just pulled on them when I put heat on the back side with the soldering iron.
cheap fix, It cost me $10 otherwise I would have paid $150 for a computer.
thanks for your support!
I went out and tested it again and it worked fine.
Fuel pump came on right away.
The capacitors I took out were 25v 220 micro ferrads. I replaced them with 35v 220 micro ferrads, recommended by a certified professional.
The computer that I put these on had been replaced before so this must be a common problem. Now that I think of it the only other computer I replaced was on a regular cherokee a year ago.
Main thing to remember when replacing capacitors is to mark the negative position when pulling them out of the board. I just pulled on them when I put heat on the back side with the soldering iron.
cheap fix, It cost me $10 otherwise I would have paid $150 for a computer.
thanks for your support!
Jan 5, 2020 at 7:23 PM
(Merged)
Glad to know you have fixed the problem.
Thanks Mike, was away for the past few days. We are still celebrating the Lunar New Year.
Have a great day.
Thanks Mike, was away for the past few days. We are still celebrating the Lunar New Year.
Have a great day.
Jan 5, 2020 at 7:23 PM
(Merged)
Gung Hai Fat Chow (hopefully my spelling was close enough to be understood) heheh
I aim to please.
I aim to please.
Jan 5, 2020 at 7:23 PM
(Merged)
Thanks Mike.
That is the Cantonese version and can be understood.
:)
That is the Cantonese version and can be understood.
:)
Jan 5, 2020 at 7:23 PM
(Merged)
heheh. My pleasure. Good to have you back, bro. :)
Jan 5, 2020 at 7:23 PM
(Merged)

