I'm asking on my father's behalf
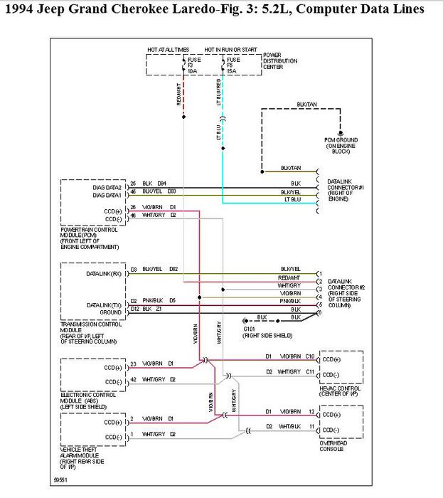
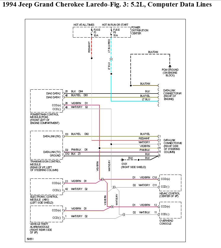
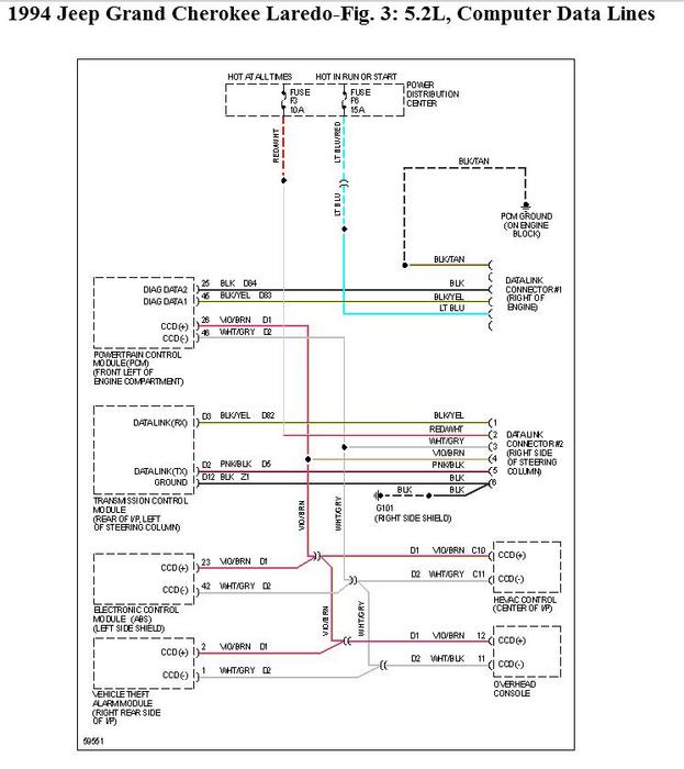
The jeep is currently off the road.awaiting mechanical repair (front anti roll bar bushes) and had developed a serious prob. Battery went flat due to standing so was fully recharged and locked/unlocked & started np's on Wed, but today (Fri) keyless entry and starting was not possible? New batteries in remote fob but still not unlock/lock and so no start due to immobilizer. Is there any way to test remote functionality as it has no visible indicators, no little red led lights on it nor is there a clear led (like on a tv remote that pokes out the front)?
I have tried to re-sync the remote but as it appears dead I have no way to check if it is synching?
I've seen the remote fobs on ebay if I buy one do I simply sync the New one or does it have to go the dealers? I don't have local dealer anymore
The jeep is currently off the road.awaiting mechanical repair (front anti roll bar bushes) and had developed a serious prob. Battery went flat due to standing so was fully recharged and locked/unlocked & started np's on Wed, but today (Fri) keyless entry and starting was not possible? New batteries in remote fob but still not unlock/lock and so no start due to immobilizer. Is there any way to test remote functionality as it has no visible indicators, no little red led lights on it nor is there a clear led (like on a tv remote that pokes out the front)?
I have tried to re-sync the remote but as it appears dead I have no way to check if it is synching?
I've seen the remote fobs on ebay if I buy one do I simply sync the New one or does it have to go the dealers? I don't have local dealer anymore
Jan 31, 2014 at 11:56 AM






