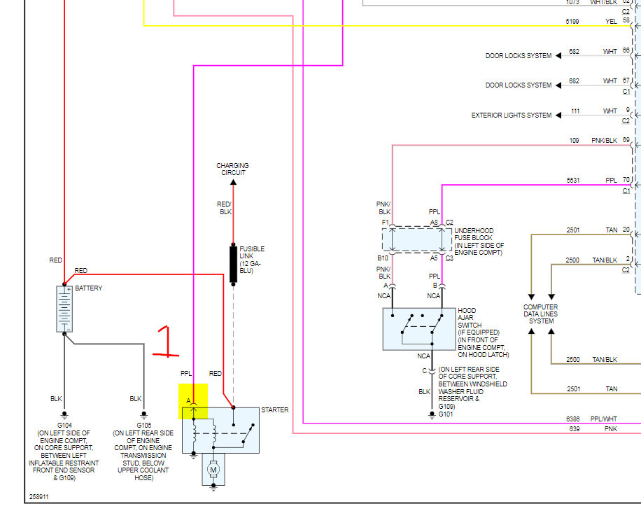
GT model. My car starts and runs fine on initial start of the day. I can drive it however far turn it off and it will start again. Now after that once it is turned off it can take as long as two hours to start again and then it runs fine until turned off. This is the scenario everyday for weeks now.
Battery, alternator, coil pack, relays, fuses, crankshaft position senor, new spark plugs, theft system reset etc. Car itself does not overheat.
When I turn the key to start it lights on dashboard, headlights flash on. All accessories etc., work fine. No sound at all when trying to start.
Battery, alternator, coil pack, relays, fuses, crankshaft position senor, new spark plugs, theft system reset etc. Car itself does not overheat.
When I turn the key to start it lights on dashboard, headlights flash on. All accessories etc., work fine. No sound at all when trying to start.
Aug 21, 2018 at 11:06 PM








