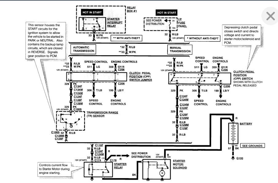
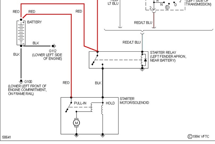
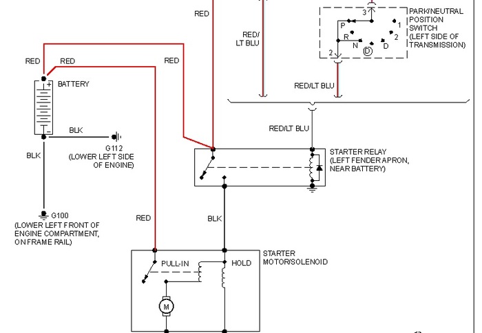
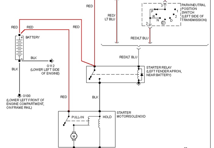
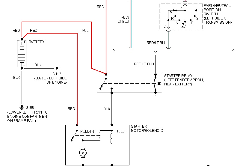
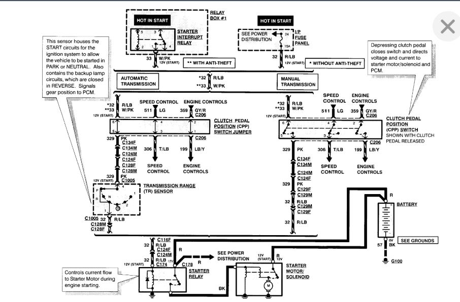
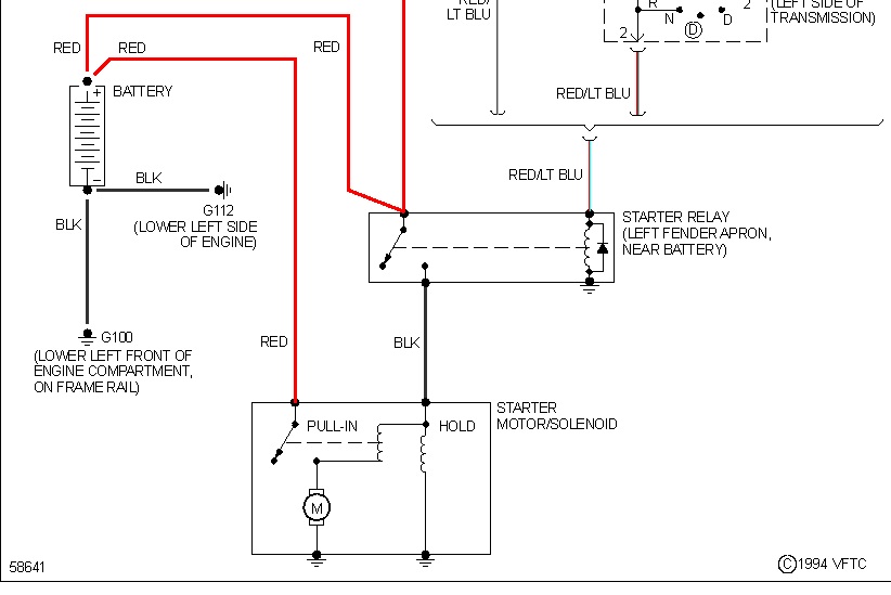
A pink and black wire coming from the positive side of battery at the starter solenoid and comes out in drivers kick panel by drivers door just to the left of brake pedal, goes under dash. it came disconnected and now my truck will not start. I turn key and get all my lights on dash, radio, bells and dings, outside lights, but no start. no nothing. Help me please I am a single woman and need my truck to work. Thank you
Sep 6, 2017 at 7:08 AM









