My transmission is not shifting why?

2013 DODGE CARAVAN
78,000 MILES • 3.6L • 6 CYL • 2WD • AUTOMATIC
Avatar
PSJ011777
  • MEMBER
  • 34 POSTS
Van not shifting after third gear, it stays rev'd high and will not shift out of third gear.
Dec 26, 2018 at 9:44 AM
Advertisement
Avatar
STRAILER
  • CERTIFIED EXPERT
  • 53,854 POSTS
Hello,

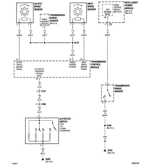
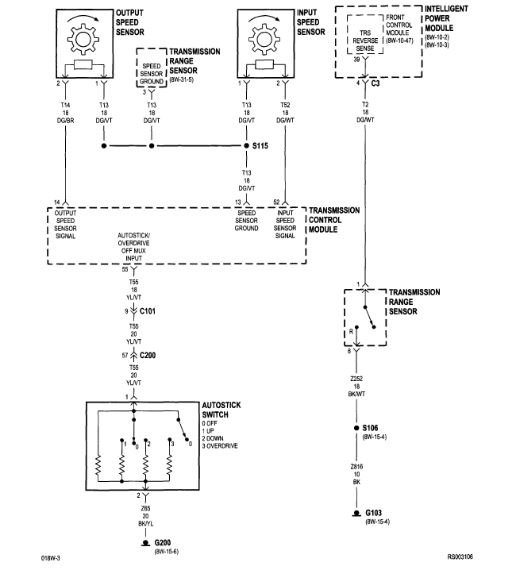
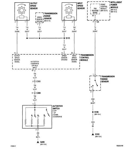
It sounds like you have a turbine shaft speed sensor that is not working right which may or may not trigger a trouble code. Here is a guide to help us run the codes and the location of the sensor below:

https://www.2carpros.com/articles/checking-a-service-engine-soon-or-check-engine-light-on-or-flashing

Check out the diagrams (below). Please let us know what you find. We are interested to see what it is.
Dec 27, 2018 at 6:07 PM
Avatar
PSJ011777
  • MEMBER
  • 34 POSTS
Did not show any codes when nbn I checked this morning, but I disconnected the battery and reconnected it after twenty minutes and it has ran fine all day. If it happens again I'll update.
Dec 27, 2018 at 7:21 PM
Advertisement
Avatar
STRAILER
  • CERTIFIED EXPERT
  • 53,854 POSTS
Okay it sounds like the TIPM could be going out here it its location so you can check it out. If you need to replace it the unit self initializes so no programming is necessary. Use 2CarPros anytime, we are here to help. Please tell a friend.
Dec 28, 2018 at 9:27 AM
Avatar
PSJ011777
  • MEMBER
  • 34 POSTS
It just happened again and this time it shows a code of P0845.
Feb 1, 2019 at 7:05 AM
Avatar
STRAILER
  • CERTIFIED EXPERT
  • 53,854 POSTS
P0845 Transmission Fluid Pressure Sensor/Switch B Circuit is the code which will make the transmission not shift. here is the location of the sensor so you can check it out in the diagrams below check the electrical connector at he sensor as well. Check out the diagrams (below). Please let us know what you find. We are interested to see what it is.
Feb 2, 2019 at 1:13 PM
Avatar
PSJ011777
  • MEMBER
  • 34 POSTS
So I checked the sensor/relay and the switch plugged into the transmission which that was a pain to get off. They both looked fine, cleaned both, ohmed out the relay and it ohmed out to 63ohms. Battery was pretty bad so I cleaned that too.
Feb 2, 2019 at 3:11 PM
Avatar
PSJ011777
  • MEMBER
  • 34 POSTS
New symptom, if you drive it and hit the brakes hard the whole car shuts off like it stalls out.
Feb 2, 2019 at 3:18 PM
Avatar
STRAILER
  • CERTIFIED EXPERT
  • 53,854 POSTS
Does it do it every time? after a long drive? Now it sounds like the TCC is not releasing or being held on. Here are the wiring diagrams to help see how the system works. You can see that the solenoid pressure switch assembly can be causing these issues. Here are diagrams so you can swap the unit out to see what happens.
We can scan the CAN to see what comes up as well here is a video showing the job being done.

https://youtu.be/InIlnsjOVFA

Check out the diagrams (below). Please let us know what you find. We are interested to see what it is.
Feb 3, 2019 at 12:02 PM
Avatar
VJBUCK007
  • MEMBER
  • 1 POST
P0882 code is saying, the ECM has detected less than 3 volts at the transmission control relay output circuit.
May 20, 2021 at 3:57 PM (Merged)
Avatar
KASEKENNY
  • CERTIFIED EXPERT
  • 18,907 POSTS
Hi VJBuck007,

More than likely you have a wiring issue. Assuming this is your only code, I would suspect the T15 circuit is shorted. I attached the test you need to follow to figure it out. It also has a theory of operation that gives a pretty good idea what is happening.

Let me know if you need more assistance.
May 20, 2021 at 3:57 PM (Merged)
Avatar
BAHAMA_KATE
  • MEMBER
  • 2 POSTS
Replaced speed sensor and the throttle position control sensor. Fluid good. Just changed oil/filter. When I crank the van all the box lights around the parking reverse etc light up and stay lit. Even when I put it in gear but the speedometer doesn't work and while driving it seems like its not shifting. I had the engine light checked and the error code "P0891" came up. I don't know what to do but this is my only vehicle.
May 20, 2021 at 3:57 PM (Merged)
Avatar
CARADIODOC
  • CERTIFIED EXPERT
  • 34,306 POSTS
There are separate diagnostic fault codes in the Transmission Computer. You need a scanner to read them. When the computer detects a problem it defaults to "limp" mode which keeps it in second gear to allow you to drive slowly to a repair shop without needing a tow truck.

In this case the cause of it going into limp mode is going to be electrical, (vs. slippage in one of the clutch packs), because all of the shift indicator lights are lit up. The fault code(s) will indicate the circuit or system that needs further diagnosis.
May 20, 2021 at 3:57 PM (Merged)
Avatar
BAHAMA_KATE
  • MEMBER
  • 2 POSTS
The error code P0891 is: TCM power relay sense circuit high.

Also...is limp mode bad for my van? Will it do damage if driven in limp mode? If need be(financial restrictions) how long could it be driven in limp mode?

Why does it not always go into limp mode? Sometimes I've cranked it and everything is normal light wise (engine light still on) but it shifts when rpms are too high (3-4 rpms) and its a hard shift. Like someone learning to drive a stick for the first time.

Thank you so much for your help so far!!!
May 20, 2021 at 3:57 PM (Merged)
Avatar
CARADIODOC
  • CERTIFIED EXPERT
  • 34,306 POSTS
You will not hurt the transmission by driving in limp mode but you will destroy the engine. Limp mode was designed in so you could drive slowly to a repair shop without needing a tow truck. A safe speed is up to 20 or 25 miles per hour. How long do you want to drive that slowly?

I have read about people who didn't understand what was happening and they tried to drive 65 mph in second gear, then were angry with Chrysler when the engine flew apart. No passenger car engine is designed to go that fast. Race car engines can go that fast with the hope they will hold up for 500 miles.

The reason the transmission works sometimes is you get it out of limp mode by turning off the ignition switch and restarting the engine. When it goes into limp mode again intermittently, either there is an intermittent electrical problem, usually a corroded splice or loose terminal in a connector, or there is slippage taking place in one of the clutch packs. Years ago, before Chrysler was the first to introduce this design in 1989, transmissions would give you a year or two of warning that the clutch plates were wearing out. Shifts were mushy instead of crisp and solid, and "engine runaway" was common. That's were the engine would speed up during an up-shift until the next gear finally locked up.

With this design, those clutch plates still wear out at the same rate, and the transmission still will need to be rebuilt at about the same mileage, but you don't get that year or two of warning. The Transmission Computer watches the volume of fluid it takes to apply each clutch pack for the various gears. When it sees one is taking more fluid, meaning the plates are worn down, it will engage the next higher gear during an up-shift, like normal, but it will delay releasing the previous gear for a fraction of a second. That produces a solid shift that feels like when the car was new, . . . until the day it can't update any further. That's when some slippage takes place and is detected, and it goes to limp mode.

At the mileage you listed, you're way overdue for a transmission rebuild, but given the age of the van I'm guessing it sees a lot of highway driving. There isn't much shifting going on so there won't be a lot of clutch plate wear. Regardless, the fault code you listed refers to an electrical problem and it could be as simple as a relay with bad contacts, or I suppose as serious as a computer that isn't recognizing the change taking place in a signal voltage. Your mechanic will have a diagnostic manual that will spell out the troubleshooting steps. If you take it to a transmission specialty shop, they will have seen this before and will need relatively little diagnostic time to come up with a repair estimate.

Be aware there are some shops that will automatically want to sell you a transmission rebuild because that is what they do, and given the mileage they may be able to justify their recommendation, but there is another test they can do if they have legitimate concerns. Chrysler built in some diagnostic software into the Transmission Computers. What you're interested in for this is called the "clutch volume index", (CVI). That is a set of four numbers corresponding to the number of ccs of fluid it takes to apply each of the four clutch packs. As the plates wear down, it takes more and more fluid to fill in behind them to apply each pack. An experienced transmission mechanic can tell by those numbers how much life is left in them. If they're close to being used up, he will recommend a rebuild along with diagnosing and solving the electrical problem. If you decline the rebuild, you are very likely to find the transmission will work perfectly fine after the electrical problem is fixed. That would incline you to think the mechanic was trying to rip you off by pushing the rebuild. In fact, he is typically looking out for your best interest in the long run. He knows that for most people that slippage I talked about is going to start to occur real soon. If you haven't had any transmission trouble up to now, that is proof your case is different due to lots of highway driving. It's entirely possible you may get another year or two or three out of it before a rebuild is needed.
May 20, 2021 at 3:57 PM (Merged)
Avatar
NEW_TO_DODGE
  • MEMBER
  • 35 POSTS
Today while coming home my check engine light came on and seemed to run okay until I got into the driveway. I pulled the negative battery lead to clear the code and it didn't come back. An hour later I went to the store and the light came back and the van will not leave first gear. There is no slipping I can feel and going into reverse is pretty good. I checked the tranny fluid at the dipstick and it is pink, no burning smell and didn't see any metal. It did have a bunch of little air bubbles in it, but I assume that is from driving it 5 miles home in 1st gear making it hot. I haven't had a chance to read the code(s) yet. Any ideas would be appreciated to get me started. Thanks.
May 20, 2021 at 3:58 PM (Merged)
Avatar
BMRFIXIT
  • CERTIFIED EXPERT
  • 19,053 POSTS
most likely its the tranny solenoid pack need to get the codes cycle key on off on off on read trouble codes in the odometer area and let me know what you have


https://www.2carpros.com/forum/automotive_pictures/99387_Graphic9_24.jpg

May 20, 2021 at 3:58 PM (Merged)
Avatar
NEW_TO_DODGE
  • MEMBER
  • 35 POSTS
I read the code from the odometer area and it is giving me a P0700 and nothing else. What does that refer to? Thanks.
May 20, 2021 at 3:58 PM (Merged)
Avatar
BMRFIXIT
  • CERTIFIED EXPERT
  • 19,053 POSTS
P0700 is a general code for tranny it just saying that you have an issue in the tranny and the TCM have codes have to get the TCM scanned for codes you need the help of a scanner here good luck let me know this guide will help.

https://www.2carpros.com/articles/checking-a-service-engine-soon-or-check-engine-light-on-or-flashing
May 20, 2021 at 3:58 PM (Merged)
Avatar
NEW_TO_DODGE
  • MEMBER
  • 35 POSTS
I got the van back from the shop today and the wire harness underneath the fuse block and battery had corroded causing my problem. The wires from the transmission control relay had broken causing the non shift problem. All is well now.
May 20, 2021 at 3:58 PM (Merged)
Avatar
MR RANDY
  • MEMBER
  • 2 POSTS
a engine light come on , had it checked out and they said to change the input and output sensors . I did this and engine light is still on and the transmission is stuck in like first gear . HELP !!!
May 20, 2021 at 3:58 PM (Merged)
Avatar
BMRFIXIT
  • CERTIFIED EXPERT
  • 19,053 POSTS
Check and replace solenoid pack on the side of the tranny Does your selector show what gear you are in P R N D when you move it let me know


https://www.2carpros.com/forum/automotive_pictures/99387_caravan_tranny_1.jpg

May 20, 2021 at 3:58 PM (Merged)
Avatar
MR RANDY
  • MEMBER
  • 2 POSTS
Yes, all indicator lights work when shifting from p r n d . I was reading in the owners manual about the tranny going into a safe mode to prevent damage to the tranny when it senses a problem . Hope this helps . Thanks for keepin on this with me . I appreciate it .
May 20, 2021 at 3:58 PM (Merged)
Avatar
MASTERTECHTIM
  • CERTIFIED EXPERT
  • 4,750 POSTS
i just remembered one i had not too long back. the wiring harness was chafed against the trans pan and cut through a wire. take a close look at the wire harness and see if it touches metal anywhere then look real close at those wires.
May 20, 2021 at 3:58 PM (Merged)
Avatar
EASTERN ONTARIO PAUL
  • MEMBER
  • 2 POSTS
As I am driving the engine is not changing gears, it is like driving in low gear. And then when putting into drive or reverse there is a banging sound. Any help is appreciated. Please & thanks
May 20, 2021 at 3:58 PM (Merged)
Avatar
BMRFIXIT
  • CERTIFIED EXPERT
  • 19,053 POSTS
suspect tranny solenoids pack need to have it scanned for codes or cycle the ignition key on off on off on read P0000 codes in the odometer area


https://www.2carpros.com/forum/automotive_pictures/99387_Graphic9_13.jpg

May 20, 2021 at 3:58 PM (Merged)
Avatar
EASTERN ONTARIO PAUL
  • MEMBER
  • 2 POSTS
BMRFIXIT .... Thanks for the response. I tried the ignition on-off for a code but got nothing, just odomiter reading. I tried a couple of times. I did contact a transmission place, they said it could be an electrical problem, and it could be in a protection mode. Anyway, will be going to dealership tomorow to find out, will mention solenoid pack and what tranny place said.Will post what they say,so as to maybee help someone else in future. Thanks again
May 20, 2021 at 3:58 PM (Merged)
Avatar
BUBBA_GOT_YOU
  • MEMBER
  • 2 POSTS
Hi, my van transmission is having a problem it will shift fine one moment then it wont shift out of 1st. guy at advance auto said it was a transmission control module malfunction. Any idea what that is supposed to mean
May 20, 2021 at 3:59 PM (Merged)
Avatar
BMRFIXIT
  • CERTIFIED EXPERT
  • 19,053 POSTS


https://www.2carpros.com/forum/automotive_pictures/99387_Graphic9_38.jpg

Do you have check engine light on scan TCM for codes most common is speed sensors and or tranny solenoid packs should have it scanned for codes
May 20, 2021 at 3:59 PM (Merged)
Avatar
THENNING3129
  • MEMBER
  • 1 POST
When driving my van, and slowly accepting, I have to typically let off the gas for it to shift into third and/or fourth gear sometimes, and my rpm's are higher than normal. I checked codes, and I have P1684 code and P0720 code that came up. The P0720 code is the output speed sensor. I have the check engine light on, as well as the brake and ABS light. Is the problem my output/input speed sensors, or is it something else? Transmission fluid level is good and looks good too. Any help, thanks
May 20, 2021 at 3:59 PM (Merged)
Avatar
ASEMASTER6371
  • CERTIFIED EXPERT
  • 52,796 POSTS
Good afternoon,

I attached a list of issues below for this. From the looks of the code, it is an electrical issue, not a component issue.

Do you have a scan tool that can read the transmission and a voltmeter to do some checks?

Roy

P0720 - OUTPUT SPEED SENSOR ERROR

When Monitored and Set Condition:
P0720 - OUTPUT SPEED SENSOR ERROR

When Monitored: The transmission gear ratio is monitored continuously while the transmission is in gear.

Set Condition: If there is an excessive change in output RPM in any gear.

Possible Causes:

Intermittent wiring and connectors
Output speed sensor signal circuit open
Speed sensor ground circuit open
Output speed sensor signal circuit short to ground
Output speed sensor signal circuit short to voltage
Speed sensor ground circuit short to voltage
Output speed sensor error
TCM - output speed sensor
May 20, 2021 at 3:59 PM (Merged)
Avatar
PALMERFAMLYFIVE
  • MEMBER
  • 1 POST
My van will not shift out of 2nd Gear, the RPM's get high... up to 4,000, the Transmission fluid is clear, the error message we got was "Transmission Control System". Any Ideas?
May 20, 2021 at 3:59 PM (Merged)
Avatar
BMRFIXIT
  • CERTIFIED EXPERT
  • 19,053 POSTS
The very common is tranny solenoid mounted on the side of the tranny 2nd is the speed sensors by scanning the tranny module for codes you can identify the issue


https://www.2carpros.com/forum/automotive_pictures/99387_caravan_tranny_8.jpg


https://www.2carpros.com/forum/automotive_pictures/99387_caravan_tranny_05_1.jpg

good luck
May 20, 2021 at 3:59 PM (Merged)
Avatar
SLATER80801
  • MEMBER
  • 3 POSTS
The car drives nicely and will shift into 1st and 2nd gear but wont shift into 3rd gear, please help me! Its a 2000 dodge caravan and I bought the car, the owner said that the transmission needs replacement, I think its a shift seliniod, can you answer my problem?
May 20, 2021 at 4:00 PM (Merged)
Avatar
JACOBANDNICKOLAS
  • CERTIFIED EXPERT
  • 110,175 POSTS
Hi:
A shift solenoid should have turned on the check engine light. Has that happened?
May 20, 2021 at 4:00 PM (Merged)
Avatar
SLATER80801
  • MEMBER
  • 3 POSTS
Yes the check engine light is on so can you tell me what that means please?
May 20, 2021 at 4:00 PM (Merged)
Avatar
JACOBANDNICKOLAS
  • CERTIFIED EXPERT
  • 110,175 POSTS
Your vehicle has an OBD2 computer. OBD stands for On Board Diagnostics. If the light is on, that mean there are Trouble Codes stored in the computer. When the computer is scanned, it will identify which codes are stored and from that, you can tell where the problem is coming from, or at least aprox where the problem is.

What you need to do is have the computer scanned to identify what codes are stored. Hopefully, there will be transmission codes that will point us in the right direction. I'm not sure where you are located, but most parts stores will scan the computer for free with hopes to sell you parts. lol If you can, take the vehicle to a nationally recognized parts store, tell them your check engine light is on, and ask if they would scan it for you and tell you the codes. Once you do that, let me know what you find and it will help me to determine possible causes.

May 20, 2021 at 4:00 PM (Merged)
Avatar
SLATER80801
  • MEMBER
  • 3 POSTS
Thank you Jacobandnickolas so much for leading me in the right direction, Im on social security diaibilty and have a fixed income so anything you can do to help me Im greatfull for, I will get back to you when I get the codes, and let you know what thay say, hope you have a blessed day and God Bless, Rick
May 20, 2021 at 4:00 PM (Merged)
Avatar
JACOBANDNICKOLAS
  • CERTIFIED EXPERT
  • 110,175 POSTS
I'm glad to help. Keep in touch so I know what you find.

Joe
May 20, 2021 at 4:00 PM (Merged)
Avatar
STEVEN81
  • MEMBER
  • 1 POST
It starts fine but when i put it in drive it moves normal but wont pick up speed.seeks like its not going in the next gear.The speedometer gave out the same time.Does anyone have any idea what's going on here????
May 20, 2021 at 4:00 PM (Merged)
Avatar
CARADIODOC
  • CERTIFIED EXPERT
  • 34,306 POSTS
Staying in second gear is "limp-in" mode that lets you drive slowly to a repair shop without the need for a tow truck. The most common cause of limp-in is slippage in one of the clutch packs, however, if the speedometer quit too, suspect a problem with the input speed sensor or output speed sensor. Also, clutch slippage will generally send it into limp-in during or right after an upshift while a sensor problem will often make it start out in limp-in right away as soon as the vehicle starts to move.

Your mechanic will connect a scanner that can access the transmission computer to read the diagnostic fault codes. Those codes will lead him to the circuit or system with the problem, not necessarily the specific defective part.

caradiodoc
May 20, 2021 at 4:00 PM (Merged)