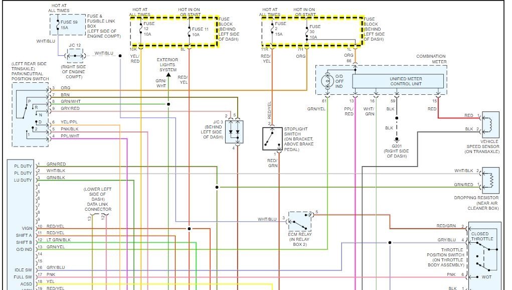
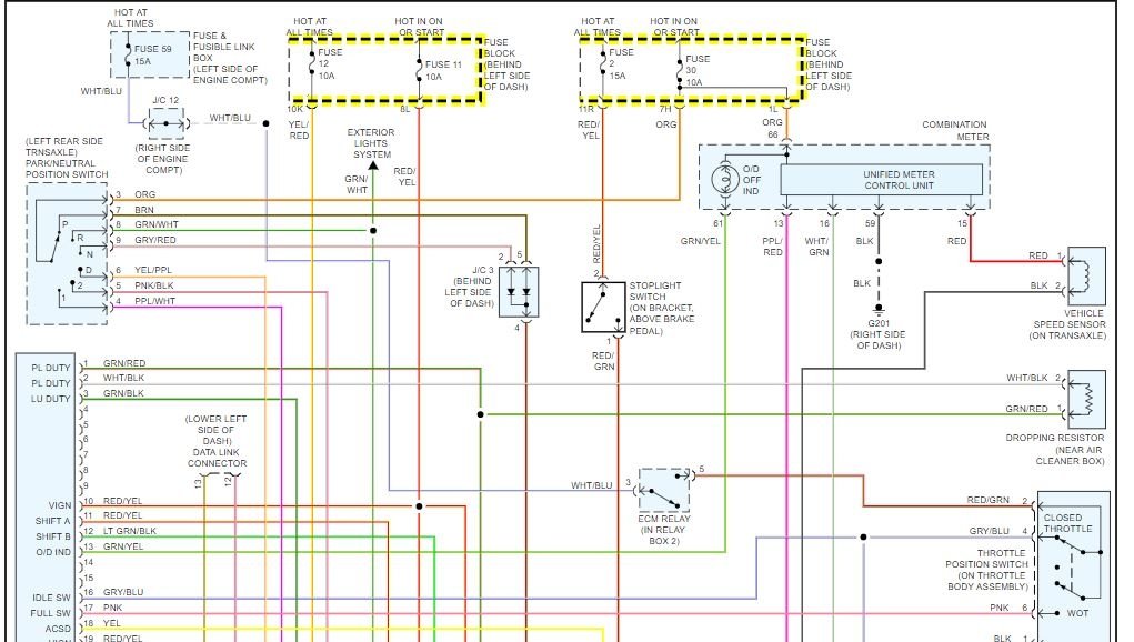
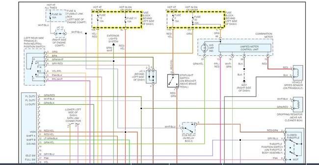
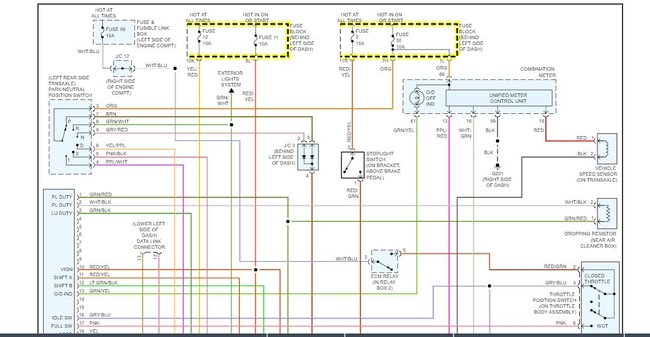
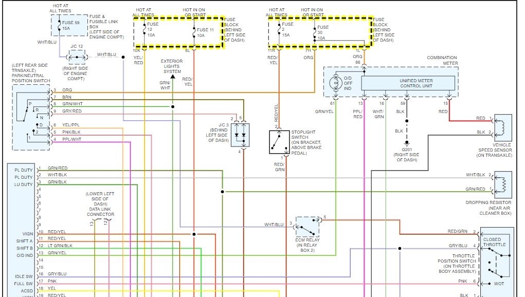
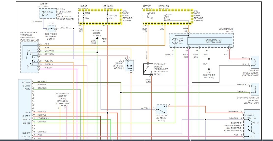
It is a CVT transmission meaning a automatic and manual.
The first day I started having the problem my car would not crank the first time I turn it over it would crank the second time. I had a guy tell me after he tried to boost my car off that he thought it was my starter, so my son change the starter and when he took it down the road after taking the battery completely out the car was bucking and would not come out of first gear. sometimes the motor will not book, but they are rpm's or run really really high still will not change out of first. could someone please help?
The first day I started having the problem my car would not crank the first time I turn it over it would crank the second time. I had a guy tell me after he tried to boost my car off that he thought it was my starter, so my son change the starter and when he took it down the road after taking the battery completely out the car was bucking and would not come out of first gear. sometimes the motor will not book, but they are rpm's or run really really high still will not change out of first. could someone please help?
Nov 30, 2017 at 8:40 PM












