Alarm system problems?

1999 TOYOTA CAMRY
Avatar
DNSPARKS
  • MEMBER
  • 2 POSTS
Is there any way to disconnect the alarm system! it goes off all by itself day or night!
Feb 3, 2009 at 12:25 PM
Advertisement
Avatar
ZACKMAN
  • CERTIFIED EXPERT
  • 4,202 POSTS
Is it factory or aftermarket alarm? If an aftermarket alarm has been installed cut it out and reconnect the wires the way the factory had it, if its a factory alarm it could have a door switch that is not adjusted. With the alarm set try to pull on each door it see if the alarm goes off. This would be the door that's needs a new latch.


This guide can help reset the system

https://www.2carpros.com/articles/how-to-reset-a-security-system

Here are some guides and diagrams (below) so you can do some checking and get the problem fixed.Please let us know what happens so we can keep helping you.
Feb 3, 2009 at 3:34 PM
Avatar
DNSPARKS
  • MEMBER
  • 2 POSTS
it is factory installed, model is ( le ) and it is a 4 cyl. can the alarm system be permanently uninstalled?


denise

Feb 4, 2009 at 8:09 AM
Advertisement
Avatar
ZACKMAN
  • CERTIFIED EXPERT
  • 4,202 POSTS
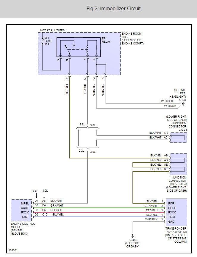
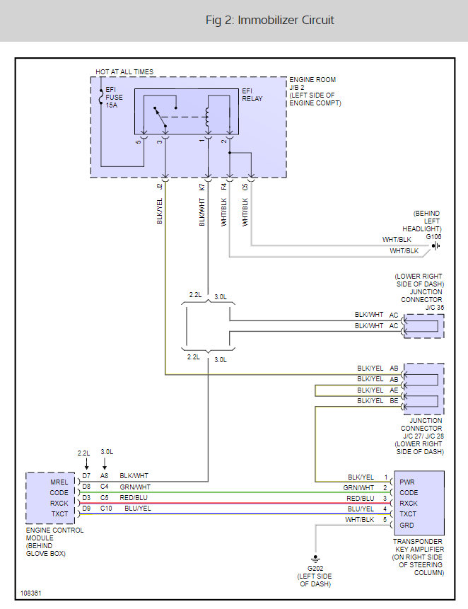
After reading the wiring diagrams for the anti-theft, power door lock, power windows, and keyless entry system, it is inadvisable that you unplug the anti-theft ECU. I believe all operations I have mentioned go through the ECU to work. The diagnostic in the TSB suggests that you check the anti-theft horn (#4l) and its fuse (#1) in the picture. Here is the caveat. You may either pull the fuse or unplug the horn wiring harness. That will be safer than unplugging the ECU.


https://www.2carpros.com/forum/automotive_pictures/55316_99camryalarm1_1.jpg

The alarm ECU and its wiring harnesses.


https://www.2carpros.com/forum/automotive_pictures/55316_99camryalarm_1.jpg


https://www.2carpros.com/forum/automotive_pictures/55316_99camryalarm_2.jpg

Feb 4, 2009 at 11:24 AM
Avatar
STRAILER
  • CERTIFIED EXPERT
  • 53,854 POSTS
Hey DNSPARKS,

It is usually an aftermarket alarm that go off on there own, does it have a security light that flashes in the instrument cluster?

Best, Ken
Jan 27, 2017 at 1:51 AM
Avatar
BIGJIM412
  • MEMBER
  • 1 POST
Im having problems with my 1999 Toyota Camery LE.My problem seems to be in the electrical system I think.I put my battery charger on it and the battery read ok 12volts.When I hook up the battery charger and start the car up the security alarm lights up and the alarm goes off if I turn the car off it won,t start up again unless I use the battery charger.Is it some were in my electrical system ? some were my power is being drained could you help me thank Jim Mc
Jul 27, 2020 at 1:24 PM (Merged)
Avatar
KHLOW2008
  • CERTIFIED EXPERT
  • 41,814 POSTS
How old is the battery?
Battery has to have at least 12.4 volts and must be more than 11 volts when ignition is turned to START.

I believe you have a bad battery or loose connections.


Jul 27, 2020 at 1:25 PM (Merged)
Avatar
NEESIE
  • MEMBER
  • 1 POST
One of my remotes to open my car and turn off the alarm broke. The other one had problems in the past. Now my alarm goes off any time I get near my Camry or jiggle the remote. Sometimes just lightly tapping the bottom of the remote will stop the alarm. The car will start locking and unlocking by itself over and over, which will set the alarm off. I don't have hundreds of dollars to fix this. Could I just need a new remote or is it the computer? The dealer charges 3 times as much as anyone else to fix anything. Help.
Jul 27, 2020 at 1:25 PM (Merged)
Avatar
HMAC300
  • CERTIFIED EXPERT
  • 48,601 POSTS
try a new remote an dsetting it up like it's supposed to be. any car alarm company should be able to help you out.
Jul 27, 2020 at 1:25 PM (Merged)
Avatar
BENJAMIN.ALLEN
  • MEMBER
  • 4 POSTS
My camry came with an alarm that if it goes off then it emobilizes the engine and you have to stick the key in and hit the little res relay swich on the left side of the dash. This time the alrm went off and I stuck the key in and hit the relay switch and everything died no power to anything. The car sat for a while and then I went to try it again I charged the battery hooked it back up the alarm went off I stuck the key in and hit the relay switch and the same thing happened how do I find out what the problem is when this happens I'm not able to get any power to the car for a while I have to take the battery off for a while then hook it up to get power, but the when i stick the key in and hit the relay it starts all over again
Jul 27, 2020 at 1:25 PM (Merged)
Avatar
CARADIODOC
  • CERTIFIED EXPERT
  • 34,306 POSTS
It sounds llike you might just have a weak or dead battery. Are the headlights bright before you try to start the engine? I assume this is an aftermarket alarm system since factory systems don't use reset switches.

The battery cables could also be loose or dirty. If jump-starting doesn't help, grab a cheap digital voltmeter and measure battery voltage. I can walk you through that if you need help.

caradiodoc
Jul 27, 2020 at 1:25 PM (Merged)
Avatar
BENJAMIN.ALLEN
  • MEMBER
  • 4 POSTS
I have checked the battery already the battery is fine.
Jul 27, 2020 at 1:25 PM (Merged)
Avatar
CARADIODOC
  • CERTIFIED EXPERT
  • 34,306 POSTS
Dandy.

When you said, "I'm not able to get any power to the car for a while I have to take the battery off for a while then hook it up to get power", do you mean no power to the starter, or does that include headlights, dome lights, and stuff like that?

caradiodoc
Jul 27, 2020 at 1:25 PM (Merged)
Avatar
BENJAMIN.ALLEN
  • MEMBER
  • 4 POSTS
eveything looses power
Jul 27, 2020 at 1:25 PM (Merged)
Avatar
BENJAMIN.ALLEN
  • MEMBER
  • 4 POSTS
everything shuts off
Jul 27, 2020 at 1:25 PM (Merged)
Avatar
CARADIODOC
  • CERTIFIED EXPERT
  • 34,306 POSTS
Ok. Do you have a digital voltmeter or test light that you can take some measurements with?

Start on the two battery posts. You should see near 12.6 volts if the battery is fully charged. Turn the headlight switch on. We want to make these measurements when everything is dead, but to be safe, leave the headlight switch turned on. By the way, if you bump or wiggle something and the lights come on, look very closely where you're working. Tiny sparks too will be a clue.

If the battery voltage is low, say around 10 - 11 volts, the battery has a dead cell and must be replaced or it is discharged and must be recharged before continuing. If the voltage is around 12.6 volts, move the probes, one at a time, from the battery post to the cable clamp on each post. Both times when you move a probe, you must see the same voltage. If the reading drops when you measure on one of the clamps, that clamp is loose or has corrosion in the connection.

Start with those measurements. If you always read 12 volts, we will need to keep moving the meter probes down the cables to more test points until we find where the voltage drops.

caradiodoc
Jul 27, 2020 at 1:25 PM (Merged)
Avatar
WARRENT
  • MEMBER
  • 1 POST
I installed a new battery in my sister's Camry - she bought it used - as above. As soon as I connected it - the horn started. And the starter will not work. How can I turn off alarm. She has three keys - two are marked the same, one has an extra.
Jul 27, 2020 at 1:26 PM (Merged)
Avatar
2CARPRO JACK
  • CERTIFIED EXPERT
  • 11,533 POSTS
Hello,

DIsconnect the battery for 1 hour then connect it with the key on this should disarm the security system.

This guide can help as well

https://www.2carpros.com/articles/how-to-reset-a-security-system

Please run down this guide and report back.
Jul 27, 2020 at 1:26 PM (Merged)
Avatar
EJSTADLER
  • MEMBER
  • 0 POST
Thank you for this post worked perfect!
Jul 27, 2020 at 1:26 PM (Merged)
Avatar
TIFFANYMORENO
  • MEMBER
  • 2 POSTS
My car died at the store, got someone to jump start it and the alarm activated itself. I havent used it in over 6 months because of the key pad. How can I disconnect or turn off the alarm to start the car?
Jul 27, 2020 at 1:27 PM (Merged)
Avatar
2CARPRO JACK
  • CERTIFIED EXPERT
  • 11,533 POSTS
Ifit is a factory alarm, locking and unlocking either th edrivers door or thetrunk will reset it.If aftermarket, you may need to have it removed/by passed, it is a fairly simple job.
Jul 27, 2020 at 1:27 PM (Merged)
Avatar
TIFFANYMORENO
  • MEMBER
  • 2 POSTS
Electrical problem
1997 Toyota Camry 6 cyl Two Wheel Drive Automatic

I recently asked for assistance with my alarm that was preventing me from starting my car. I had broke my alarm pad months ago and never used the alarm since, my battery died at walmart 3 days ago *thank god it was still there today!* Well, I would like to let you guys know where the "kill" button is for a 1997 Toyota Camry because you would have to be psychic to figure it out, or be irritated (like I was) and just start pushing stuff. It is the LED LIGHT! The actual red bulb! It pushes in and bam! there you go, you have power! Thanks
Jul 27, 2020 at 1:27 PM (Merged)
Avatar
2CARPRO JACK
  • CERTIFIED EXPERT
  • 11,533 POSTS
That is an aftermarket alarm, not all of them have it, but thanks for the heads up
Jul 27, 2020 at 1:27 PM (Merged)
Avatar
EGGTUCKER
  • MEMBER
  • 1 POST
Ever since I had the computer rebuilt my alarm goes off at random times. I have however been in the parking lot and when someone close sets or unsets their alarm and it will set my alarm to sound. And they can hit their alarm button again and cut it off. Other times it just seems to sound for no reason
Jul 27, 2020 at 1:27 PM (Merged)
Avatar
SATURNTECH9
  • CERTIFIED EXPERT
  • 30,869 POSTS
Is this a aftermarket alarm or factory alarm?
Jul 27, 2020 at 1:27 PM (Merged)
Avatar
GLEN WATSON
  • MEMBER
  • 2 POSTS
Electrical problem
1996 Toyota Camry 4 cyl Two Wheel Drive Automatic

TRYING TO DISCONNECT THE ALARM SYSTEM.
CLICKER WILL NOT TURN OFF OR ON.
HOW CAN I DISARM THIS THING SO I CAN DRIVE THE DAMN THING?
Jul 27, 2020 at 1:27 PM (Merged)
Avatar
2CARPRO JACK
  • CERTIFIED EXPERT
  • 11,533 POSTS
Is this a factory or aftermarket alarm? With aftermarket alarms, you will need to access thewiring and remove it all, being sure to reconnect any wires that were interrupted with the alarm.Most of the time the installers use a clamp on splice (scotch-locks) that you can just unplug, but if any were interrupted you will need to reconnect them by matching the wire colors
Jul 27, 2020 at 1:27 PM (Merged)
Avatar
GLEN WATSON
  • MEMBER
  • 2 POSTS
mine if factory installed--info on my clinker:
fcc id: kdraps81

doc/mdc: 1723 k899

model: apsbt

rostra



glen watson
Jul 27, 2020 at 1:27 PM (Merged)
Avatar
2CARPRO JACK
  • CERTIFIED EXPERT
  • 11,533 POSTS
My software doesnt show anything about a factory alarm in a 96 Camry.it may be an aftermarket alarm installed by the dealer.If this is the case, you should be able to locate the controller under the dash near the steering column and remove it as described before
Jul 27, 2020 at 1:27 PM (Merged)
Avatar
EHLIN
  • MEMBER
  • 30 POSTS
I have the exact same problem, it's been going on for month. I've fixed it before, but now I've scanned the manual cover and cover and can't find any information on the situation.
Jul 27, 2020 at 1:27 PM (Merged)
Avatar
ANDOO
  • MEMBER
  • 1 POST
Electrical problem 6 cyl Automatic 195K miles
----------------------------------------------------------------
Help! My Car alarm wont go off unless I disconnect the battery. There is a switch just above the pedals that doesn't do anything (looks like a kill switch). This problem began when the car wouldn't turn over. The alarm quickly sounded for about three muinutes, then it stopped, only to begin again when I opened the car door to get out. Again, the only way I can disable the alarm at this point is to disconnect the battery ( I got a new one, thinking an old battery mght be contributing to the problem). Do I need to pull out a fuse, and if so, which one? My owner's guide/manual has absolutely nothing about an alarm system, or a key to which fuses go with what. Any advice would be really helpful. Thanks!

Ande
Jul 27, 2020 at 1:28 PM (Merged)
Avatar
EHLIN
  • MEMBER
  • 30 POSTS
Mine is acting the exact same way...did you find a fix for it???

Thanks!
Jul 27, 2020 at 1:28 PM (Merged)
Avatar
LINDA72
  • MEMBER
  • 1 POST
Mine does the same thing-- the alarm goes off at random times-- VERY annoying.
I discovered that the following sequence will
turn it off:

1. use the key to open the door
2 start the car
3 turn car off
4 start the car again.

Also, my husband discovered that he could pull the fuse for the horn, and then the alarm connot go off (but then you can't use the horn)
Jul 27, 2020 at 1:28 PM (Merged)
Avatar
MARVINHORTON
  • MEMBER
  • 1 POST
I just figured mine out. This is what I did.
1. If the alarm is going off, unhook the battery.
2. Put the key in the switch.
3. Reconnect the battery.
5. Turn the key to the battery on position.
6. the alarm light should go solid. If not, flip it back the other way.
That's it!
Jul 27, 2020 at 1:28 PM (Merged)
Avatar
STRAILER
  • CERTIFIED EXPERT
  • 53,854 POSTS
Hello,

The reason the alarm goes of is becasue one of the door latch switches is going out. To find out which one lock the car and then try to open each one of the doors by pulling on it a little. The door will move a little when the alarm goes off that is the door that needs a new latch.

To reset the alarm remove the battery cable for 30 minutes and then reconnect. Then unlock the drivers door with the key and it should be reset.

Here is a guide that will help you as well.

https://www.2carpros.com/articles/how-to-reset-a-security-system

Please let us know what happens.

Cheers, Ken
Jul 27, 2020 at 1:28 PM (Merged)
Avatar
SCSMITH
  • MEMBER
  • 3 POSTS
I bought the car from a friend and she had a car alarm installed a couple of years back. Last night I went to get in my car and could not disable the alarm with the switch. I thought maybe the battery had died so I went to go buy a new one and that did not work. Can my mechanic just disable it for me?
Jul 27, 2020 at 1:28 PM (Merged)
Avatar
ERJOE2004
  • MEMBER
  • 7 POSTS
Hello scsmith, I actually don't have a solution, but I do share the same problem, with the same car even ha! We bought the car used with a keyless entry system, I'm thinking it has a kill switch on it also. Because when I go to start it. It will click. I'll keep turning the key then it will kick right over. But there are days that I'd have to try for almost 30 min at the turn key. I tried following the wires tested the starter but all are good. I'm afraid to take it to the shop, due took the expensive diagnostic fee that they will charge. I think taking it to a Car Audio place will be less expensive for you. Or maybe purchase another system and have them take that exsisting one out for you. Sorry didn't have a difinitive answer for you. Thought it would help to know that someone else is experiencing same problem. ha!
Jul 27, 2020 at 1:28 PM (Merged)
Avatar
SCSMITH
  • MEMBER
  • 3 POSTS
Why thank you erjoe2004. Well the mechanic got it to work and at no charge. Of course when he opened the door the alarm started going off. He popped opened the hood and disconnected the left cord connected to my car battery. He then put it back on and the was able to turn off the alarm with my controller. its been working fine every since then. maybe you should try that with yours.
Jul 27, 2020 at 1:28 PM (Merged)
Avatar
ERJOE2004
  • MEMBER
  • 7 POSTS
Yaah! glad you got your car going. Hmm... I think I may have a different problem then. ha! Oh well, I'm gonna try the car audio place. and if they can't help I'm gonna burn it! ha... nah, I'm gonna have to follow from the ignition wiring to somewhere...
Jul 27, 2020 at 1:28 PM (Merged)
Avatar
DFARRELL1219
  • MEMBER
  • 1 POST
I just bought a 94 Camry that has an aftermarket alarm. The battery ran down and when I jumped it the alarm went nuts and I couldn't start the car until I disabled it.

Anyway, the fob barely works and I'd like to disable the alarm permanently so i don't have to deal with this again.

Can you tell me how I do this?

Thanks!
Jul 27, 2020 at 1:30 PM (Merged)
Avatar
JEFTFIELDS
  • MEMBER
  • 74 POSTS
most of the time when a aftermarket alarm is put in they try to put them in under the dash on the drivers side,you should be able to look under the dash and find it.it should have 2-3 wire harneses comeing out of it and might be a black box,about4-5 inches long 2-3 inches wide 1 inch thick.should be able to unplug the harneses and remove the box and that should take care of the alarm.
Jul 27, 2020 at 1:30 PM (Merged)