rear left side power window stopped working

1996 TOYOTA CAMRY
140,000 MILES • 4 CYL • FWD • AUTOMATIC
Avatar
MRAHMAN
  • MEMBER
  • 1 POST
Couple of years ago rear left side power window stopped working. Since it was fully closed I didn't bother much. Now the rear right side stopped working, and window won't roll up! Thanks.
Apr 4, 2010 at 8:56 PM
Advertisement
Avatar
BLUELIGHTNIN6
  • CERTIFIED EXPERT
  • 16,542 POSTS
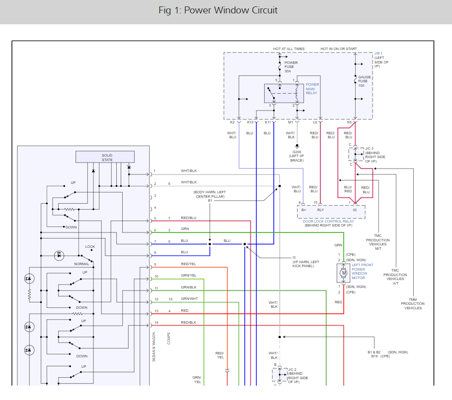
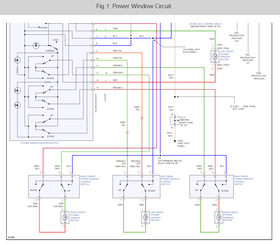
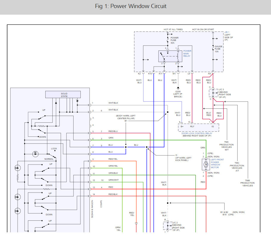
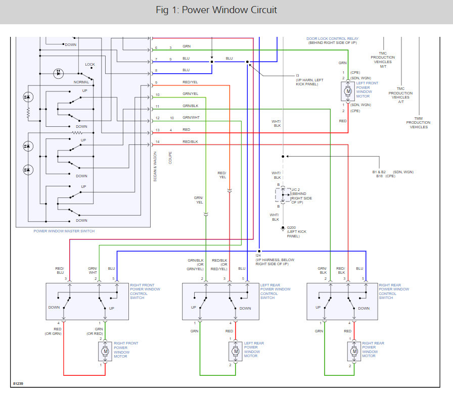
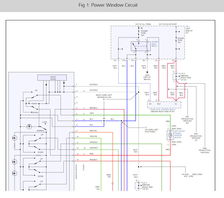
can you hear the window motor trying to run when hitting switch? if not they are probably failing one by one.. if so then remove door panel and inspect the window to see what's it's doing when motor is engaged. Lets check the fuses and power relay here are guides to help us fix it. Here are the window wiring diagrams so you can see how the system works.

https://www.2carpros.com/articles/how-to-check-a-car-fuse

and

https://www.2carpros.com/articles/how-to-check-an-electrical-relay-and-wiring-control-circuit

and

https://www.2carpros.com/articles/electric-window-repair


Check out the diagrams (Below). Please let us know what you find. We are interested to see what it is.
May 30, 2020 at 12:01 PM
Avatar
1KIKOPOWER
  • MEMBER
  • 2 POSTS
my passenger window isn't going up it when down but didn't go up (replaced the motor and passenger switch still wont go up)does anybody now why and what it is i need to do the driver worked fine i couldn't control the passenger from the master switch up or down when i made it worse was when i had a 4 door master switch lying around so i plugged it in and now my locks and windows dont work(everything else works fine) any body now wat i did i checked all the fuses in the dash and under the hood is it a relay i need to replace if so which and were wat did i damage
Feb 19, 2021 at 7:03 PM (Merged)
Advertisement
Avatar
MPJ111
  • MEMBER
  • 20 POSTS
Did you connect all wires correctly, may be it is not properly inserted.
Try unplug and plug it back,
Feb 19, 2021 at 7:03 PM (Merged)
Avatar
1KIKOPOWER
  • MEMBER
  • 2 POSTS
yea i did unplug it i damaged something some were but i checked all the fuses so i dont now were to look there no power going to them the light on the inside of the swicth the one that lights up auto doesnt even light up got any clue wat i damaged is there a window and lock relay or hidden fuse ?
Feb 19, 2021 at 7:03 PM (Merged)
Avatar
EDH
  • MEMBER
  • 5 POSTS
It seems highly impossible with such a newer car but I have a 90 Camry and had problems with my electric windows and door locks and found broken wires between the door and the body. Worth a try!
Feb 19, 2021 at 7:03 PM (Merged)
Avatar
ERWIN_LEON2000
  • MEMBER
  • 5 POSTS
no you got a bad fuse some were. theres not only fuses under the hood and behinde the tray there fuses behinde the panel were the tray is on under the steering wheel remove that paner under the steering weel you see the fuses then remove the black tube were the ac airs goes threw you wont need to remove an screws for that just pull down hard on it you wont brake it it comes right out that way you can get to the fuses behind it you see the 30 a fuse (the bigger kind with the little glass its pink) youll find that that fuse is blown check them all to be sure there good


dum place to put that fuse you dont even now about it youd think theyd put it with the regular ones you can see but then a gain that was a pretty stupid thing you did

thats definatly your problem with out a doubt
Feb 19, 2021 at 7:03 PM (Merged)
Avatar
ANDREW H.
  • MEMBER
  • 1 POST
So i have a 95 Camry 4cyl LE and the passenger side window does not work, all the other windows work just fine. Now, here is the strange part, when i keep pressing on the passenger side switch eventually its like it will catch and the window will move whichever direction i was pushing the switch however; the switch on the driver side does not work at all for it, only on the passenger side will it move as long as i click the switch many times. Could it be the wires are corroded so it doesn't have a good enough connection?
Feb 19, 2021 at 7:03 PM (Merged)
Avatar
IMPALASS
  • CERTIFIED EXPERT
  • 3,112 POSTS
Hello

With the miles you have on the vehicle I would think it is the window regulator/motor. The best way to verify is to remove the door panel and disconnect the connector to the motor and then apply 12v to it. If you connect to one way the window will go up and swap them and this moves the window down. If it moves really slowly or not at all, then it is bad and needs replacing. Auto Zone and O’Reilly’s carries these parts.
Feb 19, 2021 at 7:03 PM (Merged)
Avatar
ALEX1991
  • MEMBER
  • 7 POSTS
i have a 95 camry, but only one window works. which is a rear right window. i changed the main driver side switch and i still have the same problem. i have ruled out a relay or fuse since one of the window is working. the motors are also good. i am getting voltage at the connector of the driver side switch. i am thinking it would be shortage in the wire, but i think it is too coincidental that the other 3 windows has that same problem. thank you...
Feb 19, 2021 at 7:03 PM (Merged)
Avatar
PROTECH1980
  • MEMBER
  • 901 POSTS
Suspect broken wires in door jamb (inside black dust boot) common problem from years of opening wires become brittle and break, check there.
Feb 19, 2021 at 7:03 PM (Merged)
Avatar
ALEX1991
  • MEMBER
  • 7 POSTS
thank you, but how do i remove the wiring?
Feb 19, 2021 at 7:03 PM (Merged)
Avatar
PROTECH1980
  • MEMBER
  • 901 POSTS
You dont want to remove the wiring, just the boot to inspect for broken wires, dont cut it, just feed one end of the boot inside the door exposing wires, then inspect for any broken wires, Also if you have knowledge of auto circuitry and are able to read wire diagrams and know/have a meter i could post a diagram for you, to aid in diagnosing problem
Feb 19, 2021 at 7:03 PM (Merged)
Avatar
ALEX1991
  • MEMBER
  • 7 POSTS
that would be perfect if you could post the diagram. thanks
Feb 19, 2021 at 7:03 PM (Merged)
Avatar
PROTECH1980
  • MEMBER
  • 901 POSTS
See below
Feb 19, 2021 at 7:03 PM (Merged)
Avatar
ALEX1991
  • MEMBER
  • 7 POSTS
in the same camry, is the window regulator the same on the front and back? i wanted to change the window motor from back to front, but is the regulator the same, even though it is on the same side of the car.
Feb 19, 2021 at 7:03 PM (Merged)
Avatar
MATT5208
  • MEMBER
  • 1 POST
windows wont go up or down. door locks wont work and sun roof wont work
Feb 19, 2021 at 7:04 PM (Merged)
Avatar
ERNEST CLARK
  • CERTIFIED EXPERT
  • 1,730 POSTS
First check the fuses for each circuit. Also, you didn't say if they won't work at all, or just when you try to control them with the driver's controls. (do the switches on the other doors work)

Because if the other switches work, then it's probably your door switch is bad, or the wiring that runs through the door to the switch has a break in it.
Feb 19, 2021 at 7:04 PM (Merged)
Avatar
CRAST
  • MEMBER
  • 1 POST
my back right window wont roll up and the other 4 including the sunroof wont work either. is it a fuse that has gone bad? it is a year 1995
Feb 19, 2021 at 7:04 PM (Merged)
Avatar
KHLOW2008
  • CERTIFIED EXPERT
  • 41,814 POSTS
Hi crast,

Problem could be due to a bad fuse, ( POWER FUSE 30 A) or power main relay, both located at relay box on left side of instrument panel.

Other possible causes would be a faulty master switch or wiring circuit.

Check the fuse and relay first.
Feb 19, 2021 at 7:04 PM (Merged)
Avatar
LFUL2441
  • MEMBER
  • 2 POSTS
Seem like I am not getting power to none of my window they will not go up or go down,I throught it was the master switch ,i got another one but it did the same thing,window still wouldnt go up or down,need your help please,oh i check the fuses but didnt see a fuses say windows2
Feb 19, 2021 at 7:04 PM (Merged)
Avatar
RASMATAZ
  • CERTIFIED EXPERT
  • 75,992 POSTS
Check and test the power fuse 30amp and power main relay
Feb 19, 2021 at 7:04 PM (Merged)
Avatar
LFUL2441
  • MEMBER
  • 2 POSTS
we here is that 30amp fuse an the power rely located at on the car.
Feb 19, 2021 at 7:04 PM (Merged)
Avatar
RASMATAZ
  • CERTIFIED EXPERT
  • 75,992 POSTS
Its inside junction block no.1 left side of instrument panel. Also check main ground at master switch white and black wire and ground point G200 left kick panel
Feb 19, 2021 at 7:04 PM (Merged)
Avatar
NORRIS GILES
  • MEMBER
  • 1 POST
my driver side window went down and would not go back up,all the others worked my son in law tried to hot wire it to get the window up,which was unsuccesfull now that i bought the main switch and plug it in nothing works windows or door locks im thinking he blowed or shorted something out.i have checked fuses under hood and dash what can i do?
Feb 19, 2021 at 7:04 PM (Merged)
Avatar
MHPAUTOS
  • CERTIFIED EXPERT
  • 31,937 POSTS
Hi there,

Unplug the window motor and check for power with button pushed in, as it only has 2 wires the power switches from one to the other for up and down, so to power the motor, attach power to one wire and earth the other if it goes the wrong way swap around, if nothing happens the motor has failed.

mark (mhpautos)
Feb 19, 2021 at 7:04 PM (Merged)
Avatar
WASME
  • MEMBER
  • 2 POSTS
I have a 1990 toyota camry automatic with 159000 and one night all of the sudden the windows quit rolling up and down and the door locks quit working i'm assuming that it is a fuse but don't know where the fuse might be I checked all of the fuses in the kick panel and all of them are good what else could the problem be?
Feb 19, 2021 at 7:06 PM (Merged)
Avatar
FISHERMAN
  • CERTIFIED EXPERT
  • 937 POSTS
Check the main fuses that are locted under the hood on top of the fender There is a box with relays (the main fuses are right there)
check those and let us know.
Feb 19, 2021 at 7:06 PM (Merged)
Avatar
WASME
  • MEMBER
  • 2 POSTS
I looked through those fuses and none of them are blown what else could it be I read onhere about some master switch could that be it and if so where would that be located [quote:f5587ce337="fisherman"]Check the main fuses that are locted under the hood on top of the fender There is a box with relays (the main fuses are right there)
check those and let us know.[/quote:f5587ce337]
Feb 19, 2021 at 7:06 PM (Merged)
Avatar
BUZZSAW
  • CERTIFIED EXPERT
  • 1,198 POSTS
[quote:26e792ba0b="wasme"]I looked through those fuses and none of them are blown what else could it be I read onhere about some master switch could that be it and if so where would that be located [quote:26e792ba0b="fisherman"]Check the main fuses that are locted under the hood on top of the fender There is a box with relays (the main fuses are right there)
check those and let us know.[/quote:26e792ba0b][/quote:26e792ba0b]

there is a campange on this at toyota dont remember if it applies to your car (89 modle year) but it needs relays replaced behind glove box with a kit call toyota and give them the vin# see if it has been done
Feb 19, 2021 at 7:06 PM (Merged)
Avatar
MSANTILLAN
  • MEMBER
  • 1 POST
hi my name is manuel santillan im a proud owner of my first car a 1989 toyota camry le . well my question is my moonroof and doorlocks and power windows dont work i checked all my fuses and relays and i even replaced them with new relays n fuses but no their dont work please give me an advise what could be the probelm i dont want to sale my first car cause i didnt know how to fix it please help me thank you very much
Feb 19, 2021 at 7:07 PM (Merged)
Avatar
BMRFIXIT
  • CERTIFIED EXPERT
  • 19,053 POSTS


https://www.2carpros.com/forum/automotive_pictures/99387_Graphic1_611.jpg


https://www.2carpros.com/forum/automotive_pictures/99387_Graphic2_291.jpg

Feb 19, 2021 at 7:07 PM (Merged)
Avatar
LEFTHANDER1234
  • MEMBER
  • 5 POSTS
MY window on passenger side front will only go up.but if i run run jumper wire from battery to motor ,i can make it go down.Switch only make it go up not down..also switch on drivers side does not work at all for pasenger side ..all other switches work fine.
Feb 19, 2021 at 7:07 PM (Merged)
Avatar
MERLIN2021
  • CERTIFIED EXPERT
  • 17,250 POSTS
A car this old, usually turns out a few wires in the harness that runs from the door to the inside of the car break from bending all these years, if nothing found, if windows work at other switches, switch is probably faulty. Test switch continuity as shown.


https://www.2carpros.com/forum/automotive_pictures/62217_cama_1.jpg


https://www.2carpros.com/forum/automotive_pictures/62217_camb_1.jpg

Feb 19, 2021 at 7:07 PM (Merged)
Avatar
LEFTHANDER1234
  • MEMBER
  • 5 POSTS
I need more information on how to trouble shoot it and also how to use the wire guide you sent me ..can i use a jumper wire to make window go down>???
Feb 19, 2021 at 7:07 PM (Merged)
Avatar
MERLIN2021
  • CERTIFIED EXPERT
  • 17,250 POSTS
Test the motor like this, it should operate both ways by reversing the leads. POWER WINDOW MOTOR Circuit Breaker Operation Inspect the window in the full closed position, hold the power window switch in "UP" position and check that there is a circuit breaker operation noise within 4 to 40 seconds. With the window in full closed position, hold the switch in the "DOWN" position and check that the window begins to descend within 60 seconds. If operation is not as specified, replace the motor. Window Motor Operation Inspect the motor operation. Connect the positive (+) lead from the battery to terminal 1 and negative (-) lead to terminal 2. See Fig. 12 . Check that the motor turns. Connect the positive (+) lead to terminal 2 and negative (-) lead to terminal 1. Check that the motor turns the opposite way. If operation is not as specified, replace the motor.


https://www.2carpros.com/forum/automotive_pictures/62217_cammotor_1.jpg

Feb 19, 2021 at 7:07 PM (Merged)
Avatar
MLEEHB
  • MEMBER
  • 3 POSTS
The front and back driver side windows are both stuck down. Since the passenger side windows still work do you think it could be the fuse(s) and not the motor? Where are the fuses located and how do I check if they're good/bad? Thanks
Feb 19, 2021 at 7:07 PM (Merged)
Avatar
BERYLDAVIES
  • MEMBER
  • 1 POST
I think the problem is the relay not the fuse. Be sure to check fuses and relays of your power box. If it’s still not working, then take the interior door panel off. Unplug the motor and check if you’re getting voltage at the plug. You could now move the switch up/down to see if the voltage is being sent. If you are getting voltage at the plug then probably the problem is your motor. Hope this helps.
Feb 19, 2021 at 7:07 PM (Merged)
Avatar
JONATHANHERRERA
  • MEMBER
  • 2 POSTS
recently the front passenger window decided to stop going up, it went down fine, but wont go up. I removed the panel, replaced the motor with new one, and it still will not go up. goes down fine, wont go up. I had put it down because it was a hot day and when i went to raise it, nothing happened, no sound, no click, no anything. Then, 3 days later as i was leaving for the mechanics with my trash bag window, i experimentally tried to raise it and it came up halfway. then we put in the new motor and it goes down fine but wont come up. also the front driver window will go up, but only about halfway. then i have to wait and wait and then try again to get it the rest of the way. please help
Feb 19, 2021 at 7:07 PM (Merged)
Avatar
KRYPTONITEFUSION
  • MEMBER
  • 15 POSTS
Did you check the switch for the window? does the window work with the master switch?
Feb 19, 2021 at 7:07 PM (Merged)
Avatar
JONATHANHERRERA
  • MEMBER
  • 2 POSTS
if master switch you mean the driver's controls then no it did not go up with those when it did go up, nor did it go down using those. the passenger switch itself is fine since it worked to move it down, but it will not go up. unless there is some switch problem where they only work one way, the passenger one is fine to my knowledge
Feb 19, 2021 at 7:07 PM (Merged)