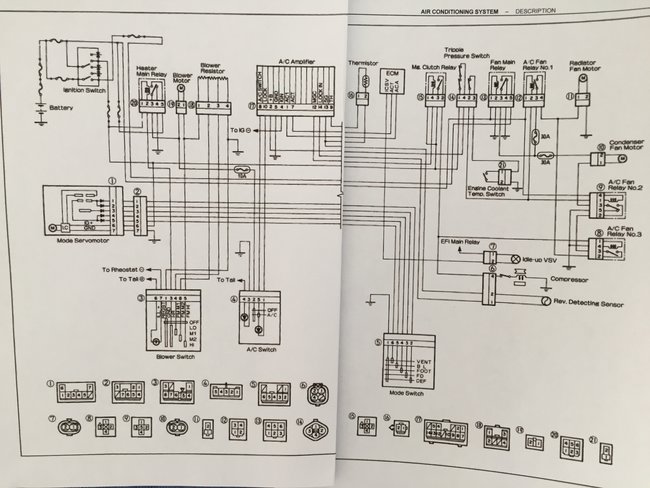
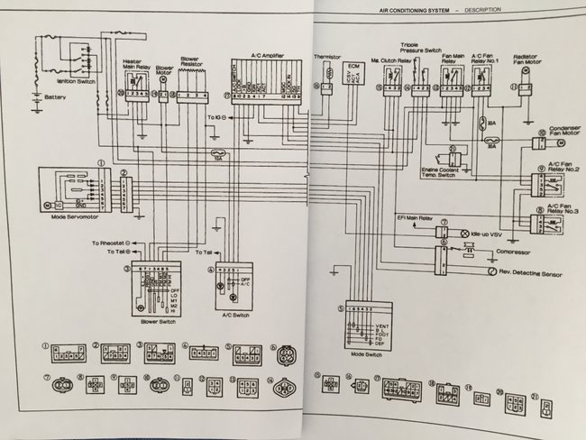
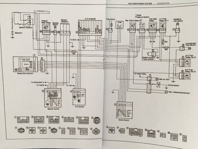
when we put ac on it blows cold air for about 5 mins or less then turns warm. i put gauge on to check freon and it shows full? it happens all the times on real hot days? on cooler 70 degree days it stays colder a little longer?
Jul 29, 2010 at 8:48 AM


















