Timing belt replacement instructions

2007 TOYOTA HIGHLANDER
53,000 MILES
Avatar
DMASONCT
  • MEMBER
  • 1 POST
dealer recommending changing timing belt. I can't find this in Toyota's recommended scheduled maintenance. Is this required?
Apr 18, 2013 at 7:36 AM
Advertisement
Avatar
DANNY L
  • CERTIFIED EXPERT
  • 5,648 POSTS
Hello, I'm Danny.

Here is the information you requested. For your information Toyota doesn't suggest replacing the timing belt until 90,000 miles. Here is a tutorial showing the function of a timing belt:

https://www.2carpros.com/articles/how-a-timing-belt-works

I've attached picture steps below for the procedure to replace the timing belt on your vehicle. Hope this helps and thanks for using 2CarPros.
Feb 5, 2021 at 12:40 PM
Avatar
SKIWALKER
  • MEMBER
  • 1 POST
The Owners Manual calls for replacement of timing belt at 90,000 miles. It is at 90,000 miles and I intend to keep the car another 30,000 miles. Is this replacement necessary and if I don't what are my risks?
Feb 6, 2021 at 9:52 AM (Merged)
Advertisement
Avatar
BLUELIGHTNIN6
  • CERTIFIED EXPERT
  • 16,542 POSTS
It is a regularly maintenanced item and should be replaced at the manufacturer's suggested intervals. Not doing so can cause timing belt failure, which in turn may damage internal parts of the motor such as bending valves etc.. If you're only keeping it another 30k miles then it is up to you if you want to risk it or not. If you was keeping it for unknown amount of time then definitely replace it.
Feb 6, 2021 at 9:52 AM (Merged)
Avatar
RJJL
  • MEMBER
  • 26 POSTS
I changed timing belt/water pump. I did not remove the cam sprockets for this job. Last belt/pump change at 112,000 (by dealer, pre-purchase).
Prior to starting, there was a substantial noise coming from the vicinity of the water pump and accessories, and I could not diagnose the source of the noise. Due to the mileage, I decided to do the belt/pump change and figured I'd come across the source of the noise in the course of the job.

After removing the accessory belts, I started the engine as a check to see if the noise was still present, to check if it was an accessory. The noise was still present.

After removing the pulley's and tensioner and water pump, none of them appear to have failed enough to make the noise reported above, but who knows, at high speed one of them could have been the culprit.

After belt install, I rotated crank by hand 2 times to check for interference. Tried with starter, no start. I did not keep trying.

When I re-inspected crank and cam timing marks again, I discovered that the rear cam had moved counter-clockwise (relative to facing the engine) from when I took the old belt off, so the belt was initially installed out of time. To be more specific, the crank and front cam were in proper alignment, the rear cam was off counter clockwise ~60-80*) I have subsequently learned that that cam was not in a resting "unsprung" position in the aligned TDC state. [Neither of the two video tutorials I consulted mentioned this, but I have since watched others that warned about it]

I disassembled, re-set the tensioner, then re-installed the belt with both cam sprockets in proper alignment with the crankshaft. Again, I turned crank times by hand. Then I tried to start the car, and still no start.

- I have verified spark at the front left plug.
- Ground straps did not need to be removed.
- I have made sure there is no crud where the crank sensor is.
- I smell fuel, that's the extent of my fuel check.
- There are no fault codes in my reader.

The engine turns over with the starter normally, nothing seems odd. Hand turning still encounters compression.
It does not even hint of wanting to start.

I realize it is possible I bent one of more valves on the rear cylinder bank with the initial install. I don't think so because I did a hand crank 2x with no resistance (except compression). However, I assume that even if one bank has valve-train issues, the car should still try to start, and if there where issues, it would show up in other symptoms.
Q1: Is this a correct assumption?

Q2: What diagnostics can I do to track down to figure out what's preventing the car from starting?
Feb 6, 2021 at 9:52 AM (Merged)
Avatar
ASEMASTER6371
  • CERTIFIED EXPERT
  • 52,796 POSTS
Good evening,

Start with a compression test on the front and back cylinders.

https://www.2carpros.com/articles/how-to-test-engine-compression

That will tell you if there is an internal issue. Look for about 140 pounds.

https://www.2carpros.com/articles/how-a-timing-belt-works

Let us start there.

Roy
Feb 6, 2021 at 9:52 AM (Merged)
Avatar
RJJL
  • MEMBER
  • 26 POSTS
Thanks for the reply Roy.

I don't have a compression tester (at least not the one that reaches down into the plug hole on the Highlander), and I think the intake manifold and throttle body would have to be removed to test the rear cylinder bank on the Highlander (V6). Isn't that an awful lot of labor for a starting diagnostic, with all due respect? Even if compression is compromised on one bank, I think the ignition should try to start the engine. I had asked the question above to see if that can be confirmed.

Is there an ignition and/or fuel diagnostic test you could recommend?
Feb 6, 2021 at 9:52 AM (Merged)
Avatar
ASEMASTER6371
  • CERTIFIED EXPERT
  • 52,796 POSTS
Yes, it would be hard to do the test but that is the diagnostic to confirm if the belt is one correct and if there is no damage internally causing it not to start.

Do you have a scan tool to look at live data such as the crank sensor?

Roy
Feb 6, 2021 at 9:52 AM (Merged)
Avatar
RJJL
  • MEMBER
  • 26 POSTS
Ah ha. I've never used it to scan live data, but turns out it does, and I can select which parameters.
I don't know what the advance numbers should be, but it looks like the fuel system has OL. I was thinking that was no power, but just read that it means open loop. Inconclusive to me.

What do you think?
Feb 6, 2021 at 9:52 AM (Merged)
Avatar
ASEMASTER6371
  • CERTIFIED EXPERT
  • 52,796 POSTS
The first picture, there was no RPM reading. Was that taken while cranking?

Roy
Feb 6, 2021 at 9:52 AM (Merged)
Avatar
G. MARTIN
  • MEMBER
  • 1 POST
If the timing belt breaks in the 3 litre V6 does any engine part damage result?
Feb 6, 2021 at 9:52 AM (Merged)
Avatar
RJJL
  • MEMBER
  • 26 POSTS
Sorry about that... first picture was with key at ignition, second pic was while cranking the starter.
Feb 6, 2021 at 9:53 AM (Merged)
Avatar
KASEKENNY
  • CERTIFIED EXPERT
  • 18,907 POSTS
The V6 is a non interference engine so if it breaks it will not damage the engine.

I am attaching the process below on how to replace this. Please let us know if you need more info. Thanks
Feb 6, 2021 at 9:53 AM (Merged)
Avatar
ASEMASTER6371
  • CERTIFIED EXPERT
  • 52,796 POSTS
Okay, the crank sensor is sending a signal to the ECM.

https://www.2carpros.com/articles/car-cranks-but-wont-start

Do you hear the fuel pump run?

Roy
Feb 6, 2021 at 9:53 AM (Merged)
Avatar
RJJL
  • MEMBER
  • 26 POSTS
I can't say I can hear the fuel pump, but I don't know what to listen for.
What would it sound like? I assume this would be prior to cranking?
Feb 6, 2021 at 9:53 AM (Merged)
Avatar
ASEMASTER6371
  • CERTIFIED EXPERT
  • 52,796 POSTS
It is a small electric motor in the tank. It should run for 2 seconds with the key on. then run all the time cranking.

Roy
Feb 6, 2021 at 9:53 AM (Merged)
Avatar
RJJL
  • MEMBER
  • 26 POSTS
I hear a click from the rear when the key turns to ignition position. There is about 1-1.5s between the key turn and the click.
Feb 6, 2021 at 9:53 AM (Merged)
Avatar
ASEMASTER6371
  • CERTIFIED EXPERT
  • 52,796 POSTS
It is a motor, not a relay.

Roy
Feb 6, 2021 at 9:53 AM (Merged)
Avatar
RJJL
  • MEMBER
  • 26 POSTS
So I asked what it would sound like and you didn’t say. whining or whirring? I thought maybe the click was the pump going off, but there’s no electric motor sound that I can hear. I’m going to have my wife turn the key while l listen at the back.
Feb 6, 2021 at 9:53 AM (Merged)
Avatar
DAVE144
  • MEMBER
  • 1 POST
2001 Toyota Highlander, V6 3Liter, I am changing the timing belt & water pump as part of a major service. Following the manuals instructions step by step I removed everything in the way and had access to the belt.

The crank shaft mark was on “O”, both cam shaft marks were lined up with the marks on the their heads.

The instructions then said to rotate the crankshaft counter clockwise 60 degrees, then release the tensioner pulley, and remove the belt in a set sequence.

When I removed the belt from the cam shaft on the front of the motor, it spun about 30 degrees.

First instinct was to put all parts in box, have car taken to garage – let them
fix it !

I have done 5 or 6 timing belts before, but never had anything move when I removed the timing belt before.

Still willing to try and do this myself if I can do so without ruining motor.

If I go ahead and install the new water pump, without disturbing any of the shafts, then move each shaft back to its timing mark, install the new belt, then rotate the motor numerous times – as long as each time the crankshaft mark is on “O”, both cam shafts line up with their marks, then:

1. best case, all is well, car will run as designed.

2. “worst” case, car will not run – BUT neither of the heads will be smashing valves on pistons because the marks mean that at TDC the valve will always be in an ok position relevant to their pistons.

I appreciate any advice to get me successfully out of this situation !
Feb 6, 2021 at 9:53 AM (Merged)
Avatar
MHPAUTOS
  • CERTIFIED EXPERT
  • 31,937 POSTS
Hi there,

Yes this is scary when it happens, what has happened is that one of the cams have be up against valve spring tension and when the belt tension has been released the cam has kicked back, you can safely re position this cam back to its timing mark, you may need an extra pair of hands to hold the cam still while you set up the belt and tensioner, what i do is i use a small section of the old belt and use this as a cushion to protect the new belt, set the cams up and softly clamp the belt with either heavy bulldog clips or very light pressure with small vice grips, just to hold the cams in place, try this....Mark
Feb 6, 2021 at 9:53 AM (Merged)
Avatar
RJJL
  • MEMBER
  • 26 POSTS
Okay, here’s the update: The click is actually on the firewall in a relay box, not down by the fuel tank.
Feb 6, 2021 at 9:53 AM (Merged)
Avatar
RJJL
  • MEMBER
  • 26 POSTS
It is coming from here.
Feb 6, 2021 at 9:53 AM (Merged)
Avatar
ASEMASTER6371
  • CERTIFIED EXPERT
  • 52,796 POSTS
It will have a slight whining noise from the fuel tank if it is working.

If you spray some carburetor cleaner or starter fluid into the air filter, see if it starts and stalls.

Roy
Feb 6, 2021 at 9:53 AM (Merged)
Avatar
RJJL
  • MEMBER
  • 26 POSTS
The pic is the ABS relay, so disregard that. I’ve removed the back seat to get at the pump and sender, and disconnected the harness. There is only voltage on one pin, and only 9v I bought a relay for the ECM and swapped with existing, and checked ECM fuse. Manual says if no voltage at pump could be PCM and to take to dealer.
Feb 6, 2021 at 9:53 AM (Merged)
Avatar
ASEMASTER6371
  • CERTIFIED EXPERT
  • 52,796 POSTS
There will be the voltage at the pump for 2 seconds with the key in the on position. Full voltage when you are cranking.

Did you check it that way?

Did you spray starter fluid in the air filter and see if it starts and stalls?

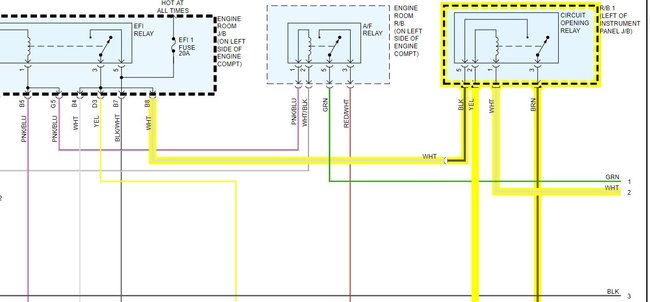
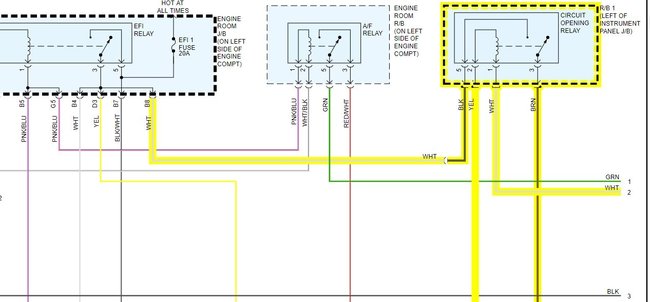
I attached a diagram and the fuel relay for you to view. It is under the dash. We need to do some testing. The brown wire at the pump needs to have voltage.

https://www.2carpros.com/articles/how-to-check-wiring

https://www.2carpros.com/articles/how-to-check-an-electrical-relay-and-wiring-control-circuit

Roy
Feb 6, 2021 at 9:53 AM (Merged)
Avatar
RJJL
  • MEMBER
  • 26 POSTS
Great to have the diagrams.
I located the circuit open relay. First tried just replacing with a replacement relay, and this did nothing.Confirmed continuity form bottom relay socket to brown wire at pump there are 12v at two of the relay sockets (one parallel to the brown wire socket, one perpendicular).The other socket gets 9v when key is turned (not going off after delay) and during starter crank.The starter fluid did not have any effect. Maybe it didn't get past he throttle body, it's quite a long way. I did already verify spark at the front plug.
Feb 6, 2021 at 9:53 AM (Merged)
Avatar
ASEMASTER6371
  • CERTIFIED EXPERT
  • 52,796 POSTS
Do you have power on the white wire with the key on?

That is the supply power for the load side or the fuel pump when the relay closes.

I have no idea what you mean with the last portion of your post.

Roy
Feb 6, 2021 at 9:53 AM (Merged)
Avatar
RJJL
  • MEMBER
  • 26 POSTS
No voltage to either brown or white/black, ever.
9V on pink, which is not in the diagram.
I don't understand the blue. Wiring diagram shows brown becoming blue??

I think disregard my prior claim to have tested the relay sockets. Pretty sure it was not the correct relay. The first picture is the panel under the dash. Based on your 3rd image above, I thought the bottom one in the pic was it. However, looking around, that is a standard relay and the pics I've seen of Toyota Open Circuit relay's are different. The second pic for example.

On the other thing you said: "Did you spray starter fluid in the air filter and see if it starts and stalls?" The answer is yes I tried it, and no, nothing happened when I tried that.

Toyota parts department told me the relay is in the engine bay. I'm going to look now to see if I can find it.
Feb 6, 2021 at 9:53 AM (Merged)
Avatar
ASEMASTER6371
  • CERTIFIED EXPERT
  • 52,796 POSTS
Okay, brown goes to the pump itself.

The black wire, which change from white is the power from the EFI relay.

That is the power for the circuit relay.

No, the relay is where I posted it and it is marked. It is inside the car.

Roy
Feb 6, 2021 at 9:53 AM (Merged)
Avatar
RJJL
  • MEMBER
  • 26 POSTS
I just noticed that a seat heater relay is identified in the third diagram, but this Highlander has no heated seats.
Do you think the pic I uploaded with 3 relays corresponds to your third diagram?
I’m thinking the open circuit relay is quite a bit bigger than the little blue ones.
Feb 6, 2021 at 9:53 AM (Merged)
Avatar
ASEMASTER6371
  • CERTIFIED EXPERT
  • 52,796 POSTS
The upper part of the picture you posted showed a blue relay. Is there other slots next to it?

Roy
Feb 6, 2021 at 9:53 AM (Merged)
Avatar
RJJL
  • MEMBER
  • 26 POSTS
That seems to be it, as the positions are the same and the seat heat relay is missing.

I was able to pop it out and bring it down where I could get a probe on it.

I’ve got 12v on black and on white, nothing on brown or yellow with key on or starter engaged.
Feb 6, 2021 at 9:53 AM (Merged)
Avatar
RJJL
  • MEMBER
  • 26 POSTS
If I’m reading this right, voltage on yellow will cause the relay to connect black to brown.
Can you find out where yellow is coming from?
Feb 6, 2021 at 9:53 AM (Merged)
Avatar
ASEMASTER6371
  • CERTIFIED EXPERT
  • 52,796 POSTS
That goes to the ECM. It grounds a signal to the control side of the relay. When it does, it closes the relay and sends power to the pump.

I attached the picture and there is a fuse that controls power to the relay. Test that fuse for power on both sides.

Roy
Feb 6, 2021 at 9:53 AM (Merged)
Avatar
RJJL
  • MEMBER
  • 26 POSTS
Yes, fuse has power to both sides, which confirms power to black in the relay.
I used my probe to apply voltage to brown and the pump runs.
So yellow is not getting the grounding signal to close the relay.
Feb 6, 2021 at 9:53 AM (Merged)
Avatar
ASEMASTER6371
  • CERTIFIED EXPERT
  • 52,796 POSTS
Yes, and that comes from the ECM.

Roy
Feb 6, 2021 at 9:53 AM (Merged)
Avatar
RJJL
  • MEMBER
  • 26 POSTS
Is that a dead end then? New or used ECM?
Or else find a key on 12v wire to splice into and replace yellow with that.
Feb 6, 2021 at 9:53 AM (Merged)
Avatar
ASEMASTER6371
  • CERTIFIED EXPERT
  • 52,796 POSTS
It is coming to that, yes.

Never a used ECM. Most of the time they will not program to another VIN number.

I am not one for hot wiring. You could do that but I like things that work the way they should.

Roy
Feb 6, 2021 at 9:53 AM (Merged)
Avatar
RJJL
  • MEMBER
  • 26 POSTS
I hear ya. Is the ECM supposed to ground yellow for the relay to work?

What do you suppose triggers something like this? All I can imagine that involved electrical is the battery disconnect before doing the timing belt and reconnect after.
Feb 6, 2021 at 9:53 AM (Merged)
Avatar
ASEMASTER6371
  • CERTIFIED EXPERT
  • 52,796 POSTS
It grounds the wire based on strategy in the programming.

That is not something that is adjustable.

Roy
Feb 6, 2021 at 9:53 AM (Merged)