I had a neighbor come over last week and tell me "I know you like to work on cars. My wife wants this car out of the driveway. I'll sell it to you for $200.00. It runs fine but the brakes are a mess". So, okay, a $200. Car listed above convertible that runs. Never wrecked. He promises he did regular oil changes. I'm in.
So first we spent 8 hours detailing it. Turned out pretty nice. (see pictures)
So I went to work on the brakes and threw in a new battery. Brakes were the worst I've ever seen. But did hoses/rotors/calipers/pads all around.
I was having trouble getting them to firm up so i went ahead and replaced the master cylinder yesterday. Then bled the heck out of them and went to start the car to test. then car won't start.
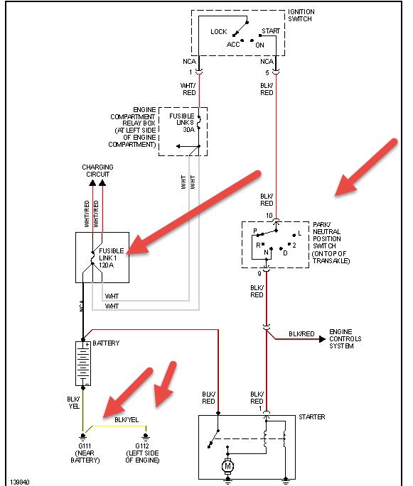
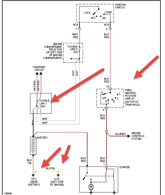
So now here's where I'm at. Nothing happens when I turn the key to start. No luck jump starting. Turning the key to accessory works - bells, lights, and dash lights up. Besides not starting, I have no radio, windshield wipers, power windows, or gas gauge and convertible top button does nothing. Headlights/tail lights work, AC works, windows work, power mirrors work, odometer and display seem normal. No codes are reporting.
I'm assuming that in reconnecting the master cylinder level sensor, I fried the ECM? I went through all the fuses today and swapped some relays around but no love. Found no blown fuses. Battery is sitting at 12.4 volts.
I did test the EATX relay. I get no power at fuse 25 when the wife turns the key for me.
I appreciate any advice. I see where I can buy an ECM out of a wreck for about $40.00 to $50.00.
So first we spent 8 hours detailing it. Turned out pretty nice. (see pictures)
So I went to work on the brakes and threw in a new battery. Brakes were the worst I've ever seen. But did hoses/rotors/calipers/pads all around.
I was having trouble getting them to firm up so i went ahead and replaced the master cylinder yesterday. Then bled the heck out of them and went to start the car to test. then car won't start.
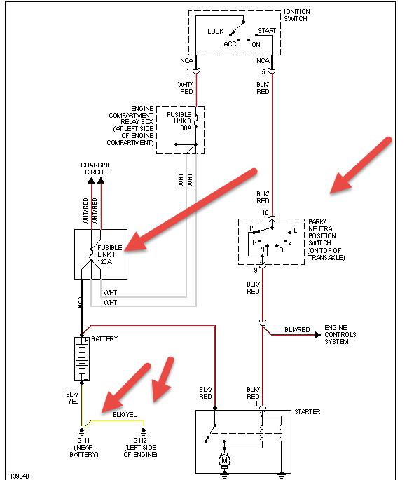
So now here's where I'm at. Nothing happens when I turn the key to start. No luck jump starting. Turning the key to accessory works - bells, lights, and dash lights up. Besides not starting, I have no radio, windshield wipers, power windows, or gas gauge and convertible top button does nothing. Headlights/tail lights work, AC works, windows work, power mirrors work, odometer and display seem normal. No codes are reporting.
I'm assuming that in reconnecting the master cylinder level sensor, I fried the ECM? I went through all the fuses today and swapped some relays around but no love. Found no blown fuses. Battery is sitting at 12.4 volts.
I did test the EATX relay. I get no power at fuse 25 when the wife turns the key for me.
I appreciate any advice. I see where I can buy an ECM out of a wreck for about $40.00 to $50.00.
Sep 30, 2019 at 7:34 PM



















